123662 (592845), страница 6
Текст из файла (страница 6)
Буквами «И» и «З» обозначены соответственно контуры индуктора и заготовки. С - емкость батареи конденсаторов, Rи, Lи, Rз, Lз – сопротивления и собственные индуктивности индуктора и заготовки, Lиз- взаимная индуктивность индуктора и заготовки.
Для учета омического сопротивления установки и ее индуктивности в первое уравнение системы (2.38) введем дополнительные слагаемые, отражающие падение напряжения на токоподводе и дополнительную ЭДС индукции:
где Rуст- сопротивление установки, Lуст- индуктивность установки.
2.5.4 Вычисления сил и температур
На основе известных токов вычислялись силы и температуры в каждой точке сечения индуктора и заготовки.
Выражение для силы взаимодействия между двумя элементами i и j после дискретизации (2.30) имет вид:
Тогда выражение для суммарной силы, действующей на элемент, выглядит следующим образом:
а выражение для компонентов плотности силы выглядит следующим образом:
Ниже приведены выражения для радиальной и осевой компонент силы, с которой элемент действует сам на себя:
Считалось, что, так как время процесса мало, теплопередача не происходит. Тогда формулы для скорости нагрева и температуры элемента выглядят следующим образом:
2.5.5 Численное моделирование механических процессов в заготовке
Для решения задачи упруго-пластичности применяется метод упругих решений, заключающийся в сведении нелинейной задачи пластичности к сходящейся последовательности задач упругости.
Меридиональное сечение заготовки разбивалось на треугольные конечные элементы, причем сетки подзадач электродинамики и механики совпадали (рис.2.2). После дискретизации получили систему дифференциальных уравнений, описывающую движение узлов одного элемента, когда он находится в упругом состоянии
где M- матрица масс, K-матрица жесткости задачи упругости;
;
- радиальная координата центра масс элемента; F- локальный вектор сил, действующих на элемент,
‑вектор перемещений, B – матрица производных функций формы, D- матрица упругих постоянных.
При построении численной модели использовались основные соотношения теории пластического течения.
1) приращение деформации
на шаге по времени
складывается из приращения упругой
и пластической
деформации:
2) приращение пластической деформации может быть получено по формуле для ассоциированного закона пластического течения:
В данной задаче в качестве условия текучести принят критерий Мизеса
где
- напряжения в элементе,
- предел текучести, Аp - работа пластического формоизменения.
Закон Гука в дискретной форме
после выражения упругих деформаций из (2.42) как разности полных и пластических деформаций можно записать следующим образом
Подставляя данное выражение в соотношения МКЭ для упругой задачи, получим
Учитывая, что
и
, упростим выражение (2.39)
где
- приведенная сила, связанная с пластическим формоизменением.
Интегрирование системы дифференциальных уравнений (2.47) проводилось методом дискретизации по времени
где
,
- значения перемещения, скорости в начале шага; a - ускорения на текущем шаге [42].
После подстановки выражения (2.48) в систему дифференциальных уравнений (2.47) движения получили:
Выражение (2.49) представляет собой систему линейных алгебраических уравнений относительно вектора ускорений. Подставив найденный вектор ускорений на данном шаге в (2.48), получим перемещение и скорость в конце данного шага интегрирования.
Для приращения приведенной силы была получена формула на основе теории пластического течения. Подставив (2.43) в выражение приведенной силы пластического формоизменения, получим
где
- вектор частных производных от уравнения поверхности текучести.
Коэффициент
вычислялся по формуле
где
- вектор приращений узловых перемещений на данном шаге,
- касательный модуль пластичности.
Соотношения (2.51) можно получить следующим образом. Найдем полное приращение выражения
, используя дифференциал
Когда материал находится в пластическом состоянии выполняется условие текучести, а соответственно выражение (2.52) должно тождественно равняться нулю.
С учетом того, что
- приращение работы пластической деформации, преобразуем равенство (2.53)
Подставим в (2.54) выражение пластических деформаций через ассоциированный закон течения
Запишем (2.55) в приращениях
и подставим выражение приращения пластической деформации через ассоциированный закон течения
Подставляя (2.57) в (2.55) и проводя ряд преобразований, получаем (2.44).
Для численного решения задачи необходимо применять итерационную процедуру. Ниже приведен ее алгоритм
-
вычислить вектор внешних сил, используя решение задачи электродинамики;
-
взять вектор приведенной силы пластического формоизменения (2.50) с предыдущего шага и вычислить приращение вектора узловых перемещений
по формулам (2.48) и (2.49); -
используя значения приращения вектора узловых перемещений, вычислить
по формуле (2.51); -
откорректировать вектор приведенной силы пластического формоизменения, используя новое значение
; -
вычислить уточненное приращение вектора узловых перемещений
по формулам (2.48) и (2.49); -
оценить погрешность, сравнив приращение перемещений на данном шаге с полученными ранее на предыдущей итерации или (для первой итерации) на шаге 2. Если погрешность превышает заданное значение, перейти к шагу 3.
-
Откорректировать значение предела текучести с учетом упрочнения.
-
Если не достигнут конец временного отрезка решения задачи, сделать новый шаг по времени и перейти к шагу 1.
2.6 Выводы по разделу
-
Разработана математическая модель электродинамических процессов, протекающих в системе «установка-индуктор-заготовка» учитывающая сопротивление токоподводов и собственную индуктивность установки.
-
На базе теории пластического течения Прандтля и Рейсса разработана математическая модель упруго-пластического деформирования заготовки под действием пондеромоторных сил.
3. ОБОСНОВАНИЕ ВЫБОРА ФОРМЫ СПИРАЛИ ИНДУКТОРА ДЛЯ ОБЖИМА
Эффективность любой технологической операции магнитно-импульсной обработки металлов определяется геометрическими размерами и конструкцией индуктора. Ранее было показано, что для обеспечения нормальной работы индукторов, повышения срока их службы необходимо выбирать оптимальную форму профиля сечения витка спирали индуктора, при которой реализуется равномерное распределение импульсного тока по его рабочей поверхности [29].
Кроме того, в работе Талалаева А.К. «Индукторы и установки для магнитно-импульсной обработки металлов» экспериментально показано, что на эффективность процесса магнитно-импульсной обработки существенное влияние оказывает не только количество витков спирали индуктора и их геометрия, но и форма спирали индуктора. В частности для операции обжим трубчатых заготовок наиболее эффективным оказался индуктор– концентратор магнитного поля, в котором за счет геометрии спирали индуктора осуществляется концентрация магнитного поля в зоне обработки. В отличии от индукторов со вставными концентраторами магнитного поля, такой тип индуктора обеспечивает больший коэффициент полезного действия процесса обжима.
Имея преимущества концентратора магнитного поля в сочетании с высокой стойкостью и технологичностью изготовления, такие индукторы получили широкое применение для выполнения сборочных и сварочных операций, редуцирования и формообразования.
Однако в настоящее время отсутствует научно-обоснованные методики позволяющие оценить эффективность работы данного типа индуктора и выбрать требуемую конфигурацию формы его спирали.
Ниже на базе разработанных математических моделей одновиткового и многовиткового индукторов проведены теоретические исследования эффективности процесса обжима трубчатой заготовки с использованием индукторов различной конструкции. Выявлено влияние формы спирали индуктора, количества витков индуктора, геометрических размеров заготовки и собственной частоты установки на эффективность процесса обжима.
3.1 Влияние формы спирали индуктора на процесс обжима трубчатых заготовок
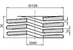
На базе разработанной в разделе 2 математической модели была проведена оценка эффективности конструкций индукторов для обжима - одновиткового, четырехвиткового цилиндрического, индуктора-концентратора, геометрические характеристики которых приведены на рис. 3.1.
Рис. 3.1. Геометрические размеры спиралей индукторов:
а – одновиткового цилиндрического; б – цилиндрического (четырехвиткового); в – индуктора - концентратора
















