123662 (592845), страница 4
Текст из файла (страница 4)
1. усовершенствовать математическую модель функционирования «установка-индуктор-заготовка»;
2. исследовать энергосиловые и температурные условия функционирования индукторов различной геометрии;
3. разработать методику проектирования геометрии спирали индуктора, позволяющую наиболее эффективно реализовать процесс обжима трубчатой заготовки;
4. разработать математическую модель функционирования многоблочной магнитно-импульсной установки при неодновременном разряде блоков конденсаторных батарей и обосновать выбор временного интервала включения очередного блока конденсаторных батарей в разрядную цепь;
5. разработать ряд технологических процессов сборки трубчатых заготовок с использованием энергии импульсного магнитного поля.
2. МАТЕМАТИЧЕСКАЯ МОДЕЛЬ ЭЛЕКТРОМЕХАНИЧЕСКИХ ПРОЦЕССОВ В СИСТЕМЕ «УСТАНОВКА-ИНДУКТОР-ЗАГОТОВКА» ДЛЯ МИОМ
2.1 Основные соотношения электромеханики твердых тел
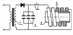
Принципиальная схема магнитно-импульсной установки приведена на рис.2.1. Через повышающий высоковольтный трансформатор и выпрямитель производят зарядку конденсаторной батареи, состоящей из групп параллельно включенных между собой импульсных конденсаторов. По окончании заряда конденсаторная батарея с помощью специального коммутирующего устройства-разрядника тригатрона разряжается на индуктор, внутри которого размещается заготовка.
Рис. 2.1. Принципиальная схема МИУ: 1- трансформатор повышающий; 2 - накопитель энергии (батарея конденсаторов);
3 -поджигающие устройства (разрядник); 4 - индуктор;
5 – заготовка
В момент разряда конденсаторной батареи в индукторе протекают импульсные токи, распределенные по сечению весьма неравномерно, соответственно распределены силы и температуры. Их распределение влияет как на деформацию заготовки, так и на прочность и стойкость самого индуктора.
Для учета сложного характера электромеханических процессов, протекающих в системе «установка – индуктор - заготовка», необходимо получить общую систему уравнений, учитывающую взаимное влияние электродинамических и механических процессов.
Далее рассматриваемую систему тел, в которой протекают электромеханические процессы, будем называть электромеханической системой.
Модель электродинамических процессов в электромеханической системе строилась на основе следующих гипотез:
-
токами смещения можно пренебречь по сравнению с токами проводимости;
-
в системе «установка-индуктор-заготовка» отсутствуют ферромагнетики.
-
распределение токов, а, следовательно, объемных сил и температур симметрично относительно оси индуктора. Многовитковый индуктор представляется как набор электрически связанных витков;
-
деформации и перемещения индуктора по сравнению с заготовкой, считаем, малы, поэтому задача механики для индуктора не решаем;
-
заготовку будем считать осесимметричной, а ее материал – упруго-пластическим;
-
время процесса мало, и теплопередача не происходит.
Первое предположение избавляет от необходимости исследования поля в диэлектриках. Оно может быть вычислено через токи, текущие в проводниках. Считается, что все возмущения поля мгновенно распространяются в исследуемой области.
Второе предположение дает возможность исключить влияние пути изменения магнитного поля на свойства материала и таким образом линеаризовать задачу.
Приведенные выше предположения приводят к квазистатической задаче электродинамики. Уравнения Максвелла в этом случае:
где
- вектор магнитной индукции, Тл;
- напряженность электрического поля, В/м;
- напряженность индуцированного электрического поля, В/м;
- плотность тока; 0 - магнитная постоянная; 0=410-7; - относительная магнитная проницаемость.
Для замыкания системы необходимо добавить закон Ома с учетом движения среды и напряженности стороннего электрического поля
, создаваемого батареей конденсаторов и закон сохранения заряда:
где
- удельная проводимость материала, 1/(Омм), а v- cкорость в данной точке и закон сохранения заряда,
-плотность заряда.
Выражение для вектора плотности пондеромоторных сил имеет вид
Для описания движения элементов электромеханической системы в систему уравнений были введены уравнения движения деформируемого твердого тела с учетом гипотезы о малых деформациях:
где
,
- компоненты симметричных тензоров напряжений и деформаций,
- компоненты вектора перемещений,
- компоненты вектора пондеромоторных сил.
Эти уравнения являются общими как для упругих, так и для упруго-пластических сред.
Для упругой среды связь напряжений и деформаций можно записать в виде
где
- объемный модуль,
- упругий модуль сдвига,
.
А для пластической среды использовать, например, основные соотношения теории пластического течения:
1) Приращение деформации
на шаге по времени складывается из приращения упругой деформации
и пластической
. (2.11)
2) приращение пластической деформации может быть получено из ассоциированного закона пластического течения
В данной задаче в качестве условия текучести принят критерий Мизеса
Здесь
- напряжения в элементе,
- предел текучести, Аp - работа пластического формоизменения.
Для описания нагрева проводников при условии адиабатности процесса применимо выражение
где – плотность материала; с – удельная теплоемкость материала; t - время процесса.
Приведенные выше уравнения достаточны для расчета электромагнитного поля, плотности тока, перемещений, напряжений и деформаций в любой точке исследуемой электромеханической системы, если задать начальные и граничные условия.
Спецификой уравнений Максвелла является то, что выделяют 2 типа граничных условий: условия сшивания полей в разных областях, являющиеся следствием интегральной формы уравнений Максвелла, и граничные условия на бесконечности. Первые выполняются автоматически после перехода от дифференциальных уравнений к интегральным уравнениям относительно потенциалов, а вторые - за счет рассмотрения токов в конечной области.
Граничные условия задачи механики сводятся к заданию на части поверхности Г1 напряжений, а на части Г2 – перемещений:
Начальные условия задают распределения плотности тока
, напряженности стороннего электрического поля
, перемещений
и скоростей
в момент начала процесса:
где r – радиус-вектор, u0 - начальное перемещение; v0 - начальная скорость.
В уравнения Максвелла входят параметры электромагнитного поля. Оно существует не только в проводниках, но и в окружающей элементы электромеханической системы среде. Чтобы исключить необходимость рассмотрения поля вне проводников, в системе уравнений электродинамики параметры магнитного поля были выражены через плотность тока. С целью обеспечить тождественное выполнение равенства (2.1), введем векторную функцию
, называемую векторным потенциалом магнитного поля, так что
Тогда уравнение (2.2) перепишется в виде
Уравнение (2.4) преобразуется следующим образом:
Решение уравнения (2.18), исчезающее на бесконечности, имеет вид:
где а, b – радиус-векторы двух произвольных точек, принадлежащих проводникам, V – объем, занимаемый проводниками.
Подставим
и
в выражение закона Ома
Используя выражение (2.20) и преобразовывая двойное векторное произведение, дифференцируя (2.20) по времени и пренебрегая скоростями, получим
или после преобразований
Получили интегральное по пространству и дифференциальное по времени уравнение относительно плотности тока. Все дальнейшие уравнения для математической модели электродинамических процессов будут основаны на (2.22).
2.2 Математическая модель электродинамических процессов в одновитковом индукторе















