113377 (591288), страница 9
Текст из файла (страница 9)
Рассмотрим модели атомов Н, Не, Li Каждый атом состоит из ядра в котором протоны, обозначенные кружочком со знаком "+", нейтроны – темный кружок и электроны, движущиеся вокруг ядра – кружочки со знаком "-".В атоме положительный заряд ядра равен отрицательному заряду электронов, тогда какой заряд имеет атом в цепом? (нулевой, он нейтрален)
Если атом теряет один или несколько электронов, то он называется положительным ионом, а если приобретает – отрицательным ионом
Так из чего же состоит атом? (из яра, в котором находятся протоны, нейтроны и вокруг движутся электроны)
III. Решение задач
1. Рассмотрим несколько примеров строения атома
Какой заряд имеет данный ион и почему?
(
кислород – отрицательный, т к число протонов меньше числа электронов (85), азот нейтральный, т к число протонов равно числу электронов (7=7))
2. При каком условии отрицательным ион может превратиться в нейтральный?
(если отдаст столько электронов, сколько нужно для того, чтобы их число стало равным числу протонов)
3. Известно, что в состав ядра атома лития входит 3 протона и 3 нейтрона. Сколько всего частиц в атоме лития?
Ответ: 9 частиц. Зр + Зn = 6 – в ядре и вокруг ядра 3 е (т.к. число протонов = числу электронов).
IV. Итог.
Сегодня на уроке мы с вами выяснили как происходит делимость электрического заряда и какая частица является пределом этого деления, "познакомились " с наименьшей заряженной частицей – электроном и узнали как Милликен и Иоффе определили его заряд.
Теперь вы знаете, что атом имеет положительно заряженное ядро, в котором находятся положительно заряженные протоны и отрицательно заряженные нейтроны, а вокруг ядра движутся отрицательно заряженные электроны. И атом может стать положительным ионов отдав один или несколько электронов и отрицательным ионом приобретя один или несколько электронов.
V. Домашнее задание.
§23, 30. Упр. 11.
Урок 44/19 Решение задач на закон Ома для участка цепи, последовательное и параллельное соединение проводников.
Тип: Усовершенствование умений и навыков решать задачи.
Цель урока: Закрепить изученный материал путем решения задач.
Задачи:
образовательные
-научить учащихся решать задачи на последовательное и параллельное соединение проводников;
-углубить и расширить знания о данных видах соединения проводников;
-научить определять силу тока, напряжение, сопротивление при последовательном и параллельном соедини проводников;
-научить решать задачи на смешанное соединение проводников;
-научить учащихся разбираться в схемах электрических цепей и находить точки разветвления в случае параллельного соединения;
воспитательные:
-развить личные качества учащихся: аккуратность, внимание, усидчивость;
развивающие:
-продолжить развитие навыков решения задач на данную тему;
-продолжить развитие умений анализировать условия задач и ответов, умений делать выводы, обобщения;
-продолжить развитие памяти, творческих способностей.
План урока:
| № | Этап | Время | Метод |
| I | Актуализация знаний | 5 мин | Письменная работа |
| II | Вводная часть | 2 мин | Слово учителя, опрос учащихся |
| III | Решение задач | 20 мин | Работа учителя, учащихся у доски |
| IV | Работа учащихся в группах | 10 мин | Работа с карточками |
| V | Итог урока | 2 мин | Словесный метод |
| VI | Домашнее задание | 1 мин | Запись на доске и в тетрадях |
I. Физический диктант.
1. Записать формулу для расчет силы тока и единицу ее измерения.
2. Записать формулу для расчет напряжения и единицу ее измерения.
3. Записать формулу для расчет сопротивления и единицу ее измерения.
4. Записать формулу закона Ома для участка цепи выразить из нее сопротивление и напряжение.
5. Записать все формулы справедливые для последовательного соединения.
6. Записать все формулы справедливые для параллельного соединения.
II. Вводное слово
Сегодня на уроке мы с вами будем решать задачи на закон Ома, на последовательное и параллельное соединение проводников. Для этого вспомним формулы и законы которые нам пригодятся при решении задач. (3 ученика выходят к доске и записывают: первый закон Ома и выражает и него напряжение и сопротивление; второй – формулы справедливые для последовательного соединения; третий – формулы справедливые для последовательного соединения.)
III. Решение задач.
Задача 1. Для начала решим устную задачу на запоминание закона Ома.
a). U = 20B,R=10Om,I-?
б). I=10A,R = 5Om, R-?
в). I = 5A,U=15B,R-?
Ответ: а). I = 2А, б). U= 50 Ом, в). R = 3 Ом
Задача 2. (У доски решает учитель)
Рассчитать силу тока, проходящую по медному проводу длиной 100м, площадью поперечного сечения 0,5мм2, если к концам провода приложено напряжение 6,8B.
Д
ано: Решение:
I=100м
S=0,5мм2
U=6,8В
I-?
Ответ: Сила тока равна 2А.
Вопросы: Что известно из условии задачи? Какую величину необходимо определить? По какому закону будем определять силу тока? Какие величины нам неизвестны для нахождения силы тока и как их найти? (
- берется из таблицы). Теперь найдем R и полученное значение подставим в формулу для нахождения силы тока. (Перевод S в м2 не нужно делать, т.к. в единицах измерения плотности тоже присутствуют тоже мм2)
З
адача 3. (Решает у доски сильный ученик)
В электрическую цепь включены последовательно резистор сопротивлением 5 Ом и две электрические лампы сопротивлением 500 Ом. Определите общее сопротивление проводника.
Д
ано: Решение:
RAB=5 Ом
RBC=500 Ом
RCD=500 Ом
RAD-?
Ответ: Общее сопротивление проводника равно 1005 Ом
Вопросы: Какие элементы цепи нам даны? Начертим схему их последовательного соединения обозначая точки соединения резистора и ламп буквами А, В, С, D. Как найти общее сопротивление?
Задача 4. (Класс делится на 2 группы, каждая из которой решает задачу своим способом, а затем по одному представителю пишут решения на доске)
Два резистора сопротивлением r1 = 5 Ом и r2= 30 Ом включены, как показано на рисунке, к зажимам источника тока напряжением 6В. Найдите силу тока на всех участках цепи.
r1=5 Ом
r
2=30 Ом
U=6B
I0-?
Ответ: Сила тока на всех участках цепи равна 1,4А.
Вопросы: Какой тип соединения рассматривается в задаче? Что известно из условия? Какие величины необходимо найти? Как найти I0? Что для этого неизвестно? Как найти I1 и I2?
Другой ход решения данной задачи:
Д
ано: Решение:
r1=5 Ом
r2=30 Ом
U=6B
I0-?
Ответ: Сила тока на всех участках цепи равна 1,4А.
Вопросы: Какой тип соединения рассматривается в задаче? Что известно из условия? Какие величины необходимо найти? По какой формуле будем находить общий ток в цепи? Какая величина нам неизвестна при нахождении силы тока и как ее найти?
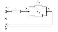
З
адача 5. Определите полное сопротивление цепи и токи в каждом проводнике, если проводники соединены так, как показано на рисунке, а r1=1 Ом, r2=2 Ом, r3= 3 Ом, UAC = 11В.
Д
ано: Решение:
r1=1 Ом
r2=2 Ом
r3=3 Ом
UAB=11B
RAC-?
I1-?
I2-?
I3-?
Ответ: RАС=2,2 Ом, I1=2A, I2=3А, I3=2A.
Вопросы: Какие типы соединения изображены на рисунке? Что нужно определить? Как найти полное сопротивление и величины в него входящие? Как найти силу тока в цепи? Как определить I1 и 12? Как определить UBC?
IV. Самостоятельная работа.
У
чащиеся делятся на 4 группы и каждой группе дается карточка с заданием.
Вопросы к карточкам:
-
Перечислите все элементы цепи.
-
Какие виды соединения используются?
-
Рассчитайте напряжение на лампе.
-
Рассчитайте напряжение на реостате.
-
Рассчитайте силу тока на всем участке цепи.
V. Итог урока.
Сегодня на уроке мы с вами научились решать задачи на последовательное и параллельное соединение проводников, закрепили знания о законе Ома для участка цепи и рассмотрели задачу на смешанное соединение.
VI. Домашнее задание.
Упражнение 21.
Урок 41/16 Лабораторная работа №3 "Определение сопротивления проводника при помощи амперметра и вольтметра". Решение задач.
Тип: Усовершенствование знаний, практических умений и навыков.
Цель урока: Закрепить изученный материал при помощи проведения лабораторного эксперимента.
Задачи:
образовательные:
-научить учащихся экспериментально определять сопротивление проводника при помощи амперметра и вольтметра,
-убедить учащихся на опыте, что сопротивление проводника не зависит от силы тока в нем и от напряжения на концах;
-убедиться экспериментально в справедливости закона Ома для участка цепи;
воспитательные:
-развить личные качества учащихся: аккуратность, внимание, усидчивость;
развивающие:
-работать над формированием умений самостоятельной работы а приборами;
-продолжить формирование умений анализировать и сопоставлять данные и делать выводы на их основе.
| № | Этап | Время | Метод |
| I | Вводная часть | 2 мин | Слово учителя |
| II | Актуализация знаний | 4 мин | Опрос учащихся |
| III | Решение задач | 10 мин | Работа учащихся у доски |
| IV | Обсуждение и выполнение работы | 20 мин | работа в малых группах (2-3 человека), диалог, рассуждение |
| V | Итог урока | 3 мин | Словесный метод |
| VI | Домашнее задание | 1 мин | Запись на доске и в тетрадях |
План урока
Оборудование: источник тока, исследуемый проводник (небольшая никелевая спираль), амперметр, вольтметр, реостат, ключ, соединительные провода.















