108881 (590965), страница 3
Текст из файла (страница 3)
1.4.6. Узел управления
Узел управления работой ИБП выполнен на микроконтроллере DD1-ATTiny 261. Функциональная схема контролера приведена на рис. 1.4.4.
Рис. 1.4.4. Функциональная схема ATTiny26.
Для синхронизации работы ИБП с сетью используется измерительный трансформатор T4, у которого выходной сигнал выпрямляется и подается на входы АЦП микроконтроллера. Для измерения тока, который потребляется нагрузкой, используется трансформатор тока T5. Его выходной сигнал выпрямляется и подается на вход АЦП микроконтроллера. Общий алгоритм работы МК вписывается в алгоритм работы всего ИБП.
После включения включателя SA1 (“Вкл”) на вход DA6 поступает постоянное напряжение с аккумулятора. DA6 формирует на выходе +5В, которые необходимы для питания микроконтроллера.
Микроконтроллер, после подачи на него питания, начинает проводить измерение напряжения аккумуляторной батареи, а также включает реле K2, тем самым подсоединив ИБП к сети. Дальше МК измеряет напряжение сети. Если напряжение сети не в пределах нормы, то МК дает команду на переключение на работу от аккумулятора. Когда же ни напряжение аккумулятора, ни напряжение сети не удовлетворяет нормам, то МК осуществляет полное отключение нагрузки от сети.
При нормальном функционировании от сети МК постоянно следит за сетью и подгоняет фазу выходного сигнала от инвертора к фазе сигнала сети. Это нужно для того, чтобы в случае исчезновения напряжения сети, переключение на работу от АБ прошло с наименьшими потерями.
Соответственно при возобновлении напряжения в сети, МК сначала делает подгонку фазы выходного сигнала с инвертора к сигналу электросети, и только потом происходит переключение на работу от сети.
Для предотвращения попадания помех с ИБП в сеть предназначен сетевой фильтр C54, C55, C56, L5, C58.
Связь микроконтроллера с ПК осуществляется через стандартный интерфейс RS-232 (Com port). Интерфейс выполнен с оптоизоляцией, что увеличивает электробезопасность при работе с ИБП.
Для индикации режимов работы ИБП используются индикаторы HL1 – “Сеть”, HL2 – “~220В”, HL3 – “АБ 10.5В”.
1.5. Разработка и расчет отдельных узлов схемы электрической принципиальной.
1.5.1. Электрический расчет схемы зарядного устройства.
За базовую схему для зарядного устройства возьмем схему однотактного обратно-ходового преобразователя напряжения.
Рис. 1.5.1 Принципиальная схема зарядного устройства.
Это целесообразно тем, что нужна относительно небольшая мощность Рвых.=100Вт для того, чтобы заряжать аккумуляторы. Также эта схема привлекательная простотой и дешевизной, сравнительно с такими схемами как полумостовая или прямоходная. Воспользуемся методикой расчета, представленной в [5].
Выходные данные для расчетов Таблица 1.5.1.
| Параметры | Обозначения | Значение |
| Минимальная переменная вх. напряжения |
| 85В |
| Максимальная переменная вх. напряжение |
| 270В |
| Частота сети |
| 50Гц |
| Максимальна вых. мощность |
| 100 Вт |
| Минимальна вых. мощность |
| 1Вт |
| Выходное напряжение |
| 13,8В |
| Пульсации выходного напряжения |
| 0,05В |
| Напряжение первичной обмотки |
| 100В |
| Прогнозируемый КПД |
| 0,84 |
| Пульсации вх. постоянного напряжения |
| 10В |
| Напряжение питания ИМС |
| 12В |
| Количество оптопар |
| 1 |
Рассчитаем характеристики входного диодного моста и конденсатора.
Максимальна входная мощность:
;
Найдем максимальное значение тока, протекающего через диодный мост VD1:
;
Рассчитаем максимальное значение напряжения на диодном мосте:
;
Найдем параметры входного конденсатора C6:
;
,
где: VDCminPK минимальное амплитудное значение входного напряжения, VDCmin минимальное значение входного напряжения с учетом пульсаций.
Найдем время разряда конденсатора C6 за половину периода:
;
Рассчитаем мощность, которая берется из конденсатора за время разряда:
;
Найдем минимальное значение емкости C6:
;
Расчет трансформатора T2
Найдем максимальный ток, который протекает через первичную обмотку трансформатора T2:
,
где Dmax=0,5, скважность импульсов на первичной обмотке.
Рассчитаем максимальный ток через демпферный диод VD7:
;
Определим начальную индуктивность первичной обмотки при максимальном цикле:
;
Выберем тип сердечника трансформатора из каталога продукции фирмы Epcos. Выбираем сердечник E3211619.
Параметры сердечника. Таблица 1.5.2.
| Параметр | Обозначение | Значение |
| Индуктивность одного витка | AL | 24,4нГн |
| Площадь окна | AN | 108,5мм2 |
| Ширина сердечника | S | 0,5мм |
| Площадь разреза сердечника | Ae | 83мм2 |
| Длина средней линии | IN | 64,6мм |
| Взвешивающий коэффициент мощности (при 100кГц) | PV | 190мВт/г |
| Индукция насыщения сердечника | Bmax | 0,2Т...0,3Т |
| Масса | m | 30г |
Найдем количество витков первичной обмотки:
,
Принимаем Np равным 24 витка.
Определим количество витков вторичной обмотки:
,
где: VFDiode падение напряжения на диоде. Возьмем NS=4 витка.
Найдем количество витков дополнительной обмотки:
;
Принимаем NAUX=4 витка.
Рассчитаем реальную индуктивность первичной обмотки:
;
Найдем максимальный ток через первичную обмотку T2:
;
Высчитаем максимальную индукцию трансформатора:
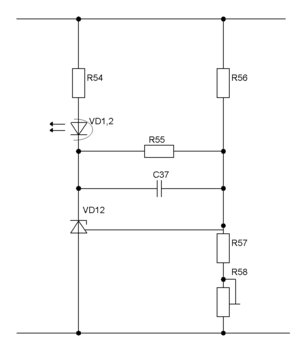
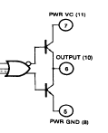
Найдем площадь разреза с учетом количества витков обмотки Np: Конструкция трансформатора для сердечника E3211619: Из таблицы данных сердечника E3211619: BWmax=20,1мм – максимальное значение ширины обмотки с сердечником; М=4мм минимальное рекомендованное значение ширины обмотки с сердечником. Определим эффективное значение ширины обмотки с сердечником: Выбираем коэффициент заполнения окна трансформатора обмотками: Первичная – 0,5 Вторичная – 0,45 Вспомогательная – 0,05 Коэффициент заполнения меди из таблицы данных сердечника: fCu=0,2.0,4. Выберем fCu=0,3: Рассчитаем площадь разреза проводника первичной обмотки T1: Принимаем диаметр провода для первичной обмотки dP=0.64мм (22 AWG) Рассчитаем площадь разреза проводника вторичной обмотки T1: Принимаем диаметр проводника dS=2 x 0,8 мм (2x20 AWG). Рассчитаем площадь разреза проводника дополнительной обмотки: Принимаем диаметр проводника dAUX=0,64мм (22 AWG). Рассчитаем параметры выходного диода VD11. Определим максимальное обратное напряжение на диоде: Определим максимальный импульсный прямой ток через диод: Определим максимальный импульсный прямой ток через диод, с учетом коэффициента заполнения: Рассчитаем параметры выходного конденсатора С36. Максимальная импульсная нестабильность выходного напряжения Vout=0,5В, при количестве периодов тактовой частоты: ncp=5. Определим максимальный выходной ток: Минимальная емкость конденсатора C36: Выбираем конденсатор на 2200мкФ – 25В. Расчет демпферной цепи: C23, R26, VD7 Найдем напряжение демпферной цепи: где V(BR)DSS – максимально допустимое напряжение сток-выток транзистора. Для расчета демпферного звена необходимо знать индуктивность рассеивания (LLK) первичной обмотки, которая очень сильно зависит от конструкции трансформатора. Поэтому, примем значение индуктивности рассеивания на уровне 5% от первичной обмотки. Найдем емкость конденсатора C23 демпферной цепи: Принимаем С23=470пФ. Найдем сопротивление резистора демпферного звена R26: Принимаем R26=1,2 кОм. Расчет потерь Определим потери на диоде VD1: Определим сопротивление первичной обмотки: Определим сопротивление вторичной обмотки: где: удельное сопротивление меди P100=0,0172Ом×мм2/м. Определим потери в меди на первичной обмотке: Определим потери в меди во вторичной обмотке: Найдем суммарные потери в первичной и вторичной обмотках трансформатора: Вычислим потери на выходном диоде VD11: Потери на силовом транзисторе Из таблицы характеристик транзистора имеем: C0=50пФ – выходная емкость сток-исток транзистора; RDSon=1,6Ом (150 С0) – выходное сопротивление сток-исток транзистора. Расчет проведем при входном напряжении VDCmin=110В; Найдем потери при включении транзистора: где f=100кГц – рабочая частота преобразователя. Найдем потери при выключении транзистора: Определим потери на сопротивлении сток-исток при открытом транзисторе: Подсчитаем общие потери на транзисторе: Расчет звена обратной связи Из таблицы выходных данных, минимальное напряжение стабилизации управляемого стабилитрона TL431 — VREF=2,5В, а его минимальный ток стабилизации IkAmin=1мА. Из выходных данных оптопары TLP521 ее падение напряжения на диоде VFD=1,2В; максимальный прямой ток через диод IFmax=10мА; Из выходных данных микросхемы UC3842 опорное напряжение VRefint=5,5В; максимальное напряжение обратной связи VFBmax=4,8В, а внутреннее сопротивление — RFB=3,7кОм. Найдем максимальный входной ток DA2: Рассчитаем минимальный входной ток DA2: Схема цепи обратной связи представлена на рис. 1.5.2. Рис. 1.5.2. Схема цепи обратной связи на управляемом стабилитроне TL431. Найдем величину сопротивления резистора R56: где R57=4,99кОм, а R58=5кОм – рекомендованные значения из таблицы характеристик TL431. Определим сопротивление резистора R54: Рис. 1.5.3. Структурная схема всей цепи обратной связи. Рассчитаем переходные характеристики схемы Внутренний коэффициент передачи DA2: Внутренний коэффициент передачи делителя цепи обратной связи: Найдем коэффициент передачи силовой части: где ZPWM – крутизна характеристики ΔVFB / ΔlD; Коэффициент передачи выходного фильтра: где RESR – емкостное сопротивление конденсатора. Коэффициент передачи цепи регулятора: Переходные характеристики при минимальной и максимальной нагрузке: Определим выходное сопротивление блока питания при максимальной нагрузке: Определим выходное сопротивление блока питания при минимальной нагрузке: Найдем частоту среза при максимальной нагрузке: а также при минимальной нагрузке: Коэффициент передачи цепи обратной связи: Коэффициент передачи делителя цепи обратной связи: Выходной импеданс промежутка времени ton: Коэффициент передачи на граничной частое: где: RL=3,6Ом – выходное индуктивное сопротивление, LP=12,6мкГн – индуктивность первичной обмотки трансформатора, fg=3000Гц – частота на которой проводится расчет, f0=76,18 – граничная частота при максимальной нагрузке. Общий коэффициент передачи: Поскольку GS(ω)+Gr(ω)=0, то: Отсюда найдем коэффициент передачи цепи регулятора: Gr(ω)=0-(- GS(ω))=17,2дБ; Коэффициент передачи регулятора: Отсюда найдем сопротивление резистора R55: Нижняя частота передачи цепи обратной связи при C37=0: Найдем емкость конденсатора C37: 1.5.2. Электрический расчет схемы импульсного стабилизатора. Импульсный стабилизатор напряжения построим по однотактной повышающей схеме без гальванической развязки - rising transducer. Схему управления построим на контролере UC3842. Его внутренняя структура показана на рис.4.1. UC3842 — интегральная схема, которая предназначена для управления и контроля работы импульсных стабилизаторов напряжения, построенных по разнообразным однотактным схемам: с гальванической развязкой — однотактной обратно-ходовой и прямоходной схемах, без гальванической развязки — снижающего, повышающего и инвертирующего преобразователей. Микроконтроллер может непосредственно руководить работой силового ключа, контролировать выходное напряжение (стабилизировать его при изменении входного напряжения.) Рис. 1.5.4. - Структура контролера UC3842. Данная микросхема имеет следующие возможности: блокировка работы при перенапряжении; запуск работы при малых уровнях мощности; помехоустойчивый усилитель ошибки; защита от перенапряжения на выходе; переходный способ функционирования; схема измерения тока и напряжения; внутренний генератор. Организация питания микроконтроллера Прецензионная ширина запрещенной границы напряжения и тока построена на базе контролера, предназначена, чтобы обеспечить добротную регуляцию. Компаратор перенапряжения с гистерезисом и очень низким током питания позволяет минимизировать схему запуска и питания (рис.4.2а). Питание ИМС берется из вторичной обмотки трансформатора Т3 и стабилизируется стабилитроном до уровня 12В (рис.4.2б). а) внутренний компаратор по питанию. б) схема подключения по питанию. Рис. 1.5.5. Схема организации питания ІМС UC3842. Тактовый генератор Тактовый генератор UC3842 (рис. 4.3) рассчитан на работу в частотном диапазоне от 10кГц до 1Мгц. В нашем случае он будет работать на частоте 100кГц, так как это оптимальная частота для работы всего преобразователя. Рис. 1.5.6. Тактовый генератор, форма напряжения и рабочий цикл. Рассчитаем значения Rt та Ct: где: f=100кГц, - заданная рабочая частота. Ct = 0.01мк Усилитель ошибки и блок датчика перенапряжения. Вход усилителя ошибки, через отношение двух внешних резисторов, связанных с выходной шиной, что позволяет за счет обратной связи повышать выходное постоянное напряжение, тем самым осуществлять регуляцию напряжения. Устройство обеспечено эффективной защитой от перенапряжения, реализовано на том же выводе что и регулятор напряжения постоянного тока. Когда увеличится выходное напряжение, соответственно и увеличится напряжение на выводе 2 IMC. Разностное значение тока протекает через конденсатор. Величина тока определяется внутри микроконтроллера и сравнивается с эталонным значением 40 мкА. Если это значение будет превышено, соответственно это отобразится на управлении работой силового ключа — длительность импульсов открытого состояния ключа становится меньшей, что приводит к снижению выходного напряжения. Рис. 1.5.7. Усилитель ошибки. Компаратор тока струму и триггер, который управляет модуляцией переключений Рис. 1.5.8. Схема компаратора тока. Компаратор тока постоянно следит за напряжением на резисторе Rs и сравнивает его с опорным напряжением (1В) на другом входе компаратора. Выходной буфер ІМС UC3842. Схема управления являет собой собою выходной буферный каскад, выходной ток этого каскада — ±1А. Этот каскад может управлять работой силового ключа на большой частоте. Рис. 1.5.9. Выходной буфер UC3842 Расчет элементов импульсного стабилизатора. Поскольку импульсный стабилизатор состоит из двух одинаковых полуплеч (стабилизатор положительного напряжения и стабилизатор отрицательного напряжения), целесообразно будет посчитать только один из них, и рассчитанные значения элементов перенести на другой. Для расчета выберем стабилизатор положительного напряжения. Исходные данные для электрического расчета: - Входное напряжение Uвх = 65...150 В; - Выходное напряжение Uвых = 150 В; - Изменение выходного напряжения U = 5В; - Выходная мощность Рвых = 300 Вт; - Частота переключения силового ключа fs = 100 кГц. Схема корректора мощности приведена на рис.4.8. Рис. 1.5.10. Схема импульсного стабилизатора Расчет емкости входного конденсатора Определим минимальную емкость входного конденсатора С2: Сin LF Р0 /(2··f ·V0·η) (4.10) где – f – частота переключения силового ключа (100 кГц) – V0 – выходного напряжение (150 В) – η=0.9 – прогнозированный КПД преобразователя – Р0 – выходная мощность – 300 Вт Сin LF = 300 / (2·3,14·25000·0.9·150) =82.7 мкФ Выбираем к качестве входного конденсатора конденсатор емкостью 330мкФ и рабочим напряжением 400В. Расчет емкости входного высокочастотного конденсатора Входной высокочастотный конденсатор фильтра (C4) должен уменьшить шумы, которые возникают при высокочастотных переключениях силового ключа, что в свою очередь вызывает импульсы тока в индуктивности. Cin HF = Irms /(2··f·r·Vin min) (4.7) где – f – частота переключения (100 кГц); – Іrms – входной высокочастотный ток; – Vin min – минимальное входное напряжение (65 В); – r – коэффициент высокочастотных пульсаций входного напряжения, который находится между 3 і 9 %. Принимаем r = 7%. Іrms = Рout / Uin min; (4.8) Іrms = 300 / 65 = 4,64 А; Сin = 4,64/(2×3,14×100000×7×65) = 0.0065 мкФ. Выбираем в качестве входного высокочастотного конденсатора конденсатор емкостью 0.01мкФ и рабочим напряжением 400В. Выходной конденсатор Определим значение емкости выходного конденсатора: С0 Р0 /(4··V0 ·V0) (4.10) где –V0 – изменение выходного напряжения (5 В) –f – частота переключения силового ключа ( 100 кГц) –V0 – выходное напряжение (150 В) –Р0 – выходная мощность – 300 Вт С0 = 300 / 4·3,14·100000·5·150 =63.7 мкФ Выбираем в качестве выходного — конденсатор емкостью 220мкФ и рабочим напряжением 400В. Расчет катушки индуктивности Значение индуктивности катушки рассчитывается исходя их необходимой мощности, которая протекает через последнюю, и значения тока пульсаций. где - - длительность цикла открытия/закрытия силового ключа; - ІLpk - пиковый токи катушки индуктивности; - f - частота переключения силового ключа; - V0 – выходное напряжение. Длительность цикла ми можем определить по формуле: Значение пикового тока, которое протекает через индуктивность можем определить по формуле: где - Vin min – минимальное значение входного напряжения (65В), Следовательно, значение равняется = (150 – 1,41·65)/150 = 0,389 сек Значение пикового тока: ІLpk = (2×1,41×300) / 65 = 13 А Тогда значение индуктивности, которая необходима для работы преобразователя напряжения: L = (2·300·0,389)/(132·100000) = 15 мкГн. Расчет силового ключа. Выбор управляющего ключа предопределяется максимальным током коллектора, рабочим напряжением и предельной частотой переключения. Так как у нас максимальный ток, который будет протекать через транзистор составляет 13 А, рабочее напряжение до 200 В, а частота переключений составляет 100 кГц, в качестве силового ключа выбираем полевой транзистор К1531. Его параметры следующие: - Максимальное напряжение Uсе – 400 В; - Постоянный ток коллектора при Т = 1000С Iс – 27 А; - Падение напряжения в открытом состоянии Uсе – 1,65 В; - Максимальна частота переключений – 160 кГц. Рассчитаем, какая же мощность будет рассеваться на транзисторе. Формула расчета потерь следующая: Р = Iс2·Rсе (4.15) Rсе – падение напряжения транзистора в открытом состоянии (0.14 Ом) Iс – ток, который протекает через транзистор (13А – из расчета максимального пульсирующего тока в катушке индуктивности). Следовательно, потери транзистора в открытом состоянии составляют РIGBT = 13·0.14 = 23.6 Вт. Расчет выходных диодов. Максимальное значение среднего тока, исходя из значения мощности, которая должна передаваться в нагрузку – 300 Вт. Можно рассчитать: І = P/U І = 300/150 = 2A Диоды выбираем из следующих условий, которые гарантируют надежную работу ІDm ≥ 1,2Імакс UDm ≥ 1,2Uмакс Следовательно, исходя из этих расчетов, выбираем в качестве выходных диодов, диод типа MUR860. Параметры диода следующие: Максимальное обратное напряжение – 500 В; Максимальный рабочий ток – 8 А; Максимальная допустимая температура диода – 150 0С. 1.5.3. Электрический расчет входного и выходного фильтра. Природа и источники электрического шума. Борьба с генерацией и излучением высокочастотного шума – один из загадочных “черных ящиков” в проектировании импульсных источников питания и конечного изделия. Шум создается везде, где имеют место быстрые переходы в сигналах напряжения или тока. Много сигналов, особенно в импульсных преобразователях напряжения, являются периодическими, то есть, сигнал, который содержит импульсы с ВЧ фронтами, повторяется с предполагаемой частотой следования импульсов (pulse repetition frequency, PRF). Для импульсов прямоугольной формы значения этого периода определяет основную частоту самой волны. Преобразование Фурье волны прямоугольной формы создает множество гармоник этой основной частоты двойного значения времени переднего или заднего фронта импульсов. Это типично в мегагерцовом диапазоне, и гармоники могут достичь очень высоких частот. В импульсных преобразователях напряжения с ШИМ ширина импульсов постоянно меняется в ответ на выходную нагрузку и входное напряжение. В результате получаем почти распределение энергии белого шума с отдельными пиками и уменьшением амплитуды с повышением частоты. Кондуктивный шум (то есть, шумовые токи, которые выходят из корпуса прибора через линии питания ) может появляться в двух формах: синфазных помех (common-mode) и помех при дифференциальном включении (differential-mode). Синфазные помехи – это шум, который выходит из корпуса только по линиям электропитания, а не заземления. Помехи, при дифференциальном включении – это шум между линией и одним из выводов питания. Шумовые токи фактически вытекают через вывод заземления. Типовые источники шума. Существует несколько основных источников шума внутри импульсного преобразователя напряжения с ШИМ, что и создает большую часть излучаемого и кондуктивного шума. Источники шума являются частью шумовых контуров, которые представляют собой соединение на печатной плате между потребителями ВЧ тока и источниками тока. Главным источником шума является входная схема питания, которая содержит ключ, первичную обмотку трансформатора и конденсатор входного фильтра. Конденсатор входного фильтра обеспечивает трапецеидальные сигналы тока, необходимые для преобразования напряжения, поскольку входная линия всегда хорошо фильтруется с полосой пропускания, какая намного ниже рабочей частоты преобразователя напряжения. Конденсатор входного фильтра и ключ должен размещаться близко возле трансформатора, чтобы минимизировать длину соединений. Кроме этого, поскольку электролитические конденсаторы имеют плохие ВЧ характеристики, параллельно им должен быть включенный керамический или пленочный резистор. Чем хуже характеристики конденсатора входного фильтра, тем больше блок из силовой линии будет забирать энергию ВЧ тока, что приведет к возникновению кондуктивных синфазных электромагнитных помех. Вторым основным источником шума является контур, который состоит из выходных диодов, конденсатора выходного фильтра и вторичных обмоток трансформатора. Между этими компонентами протекают трапецеидальной формы токи большой амплитуды. Конденсатор выходного фильтра и выпрямитель необходимо размещать как можно ближе к трансформатору; для минимализации излучаемого тока. Этот источник также создает синфазные кондуктивные помехи, главным образом, на выходных каскадах источника питания. Фильтры кондуктивных электромагнитных помех. Существует два типа входных силовых шин. Силовые шины постоянного тока – это однопроводные силовые соединения, второе плечо питания которых формирует заземление. Другим типом входного соединения является двух или трехпроводная система питания от сети переменного тока. Проектирование фильтра электромагнитных (далее ЭМ) помех для систем постоянного тока осуществляется в основном в виде простого LC-фильтра. Все помехи между одним силовым проводом и соединением через “землю” называются синфазными. Фильтр постоянного тока, значительно более сложный, поскольку учитывает паразитарные характеристики компонентов. Входной фильтр кондуктивных ЭМ помех предназначен для удержания ВЧ кондуктивного шума в середине корпуса. Фильтрация линий входа/выхода также важна для защиты от шума внутренних схем (например микропроцессоров, АЦП, ЦАП). Проектирование фильтра синфазных помех. Фильтр синфазных помех фильтрует шум, который создается между двумя линиями питания (H1 и H2). Схема такого фильтра приведена ниже на рис.1.5.11. Рис. 1.5.11. Фильтр синфазных помех. В фильтре синфазных помех обмотки катушки индуктивности находятся в фазе, но переменный ток, который протекает через эти обмотки – в противофазе. В итоге, для тех сигналов, которые совпадают или противоположны по фазе на двух линиях электропитания, синфазный поток внутри сердечника уравновешивается. Проблема проектирования фильтра синфазных помех заключается в том, что при высоких частотах (когда собственно и нужная фильтрация) идеальные характеристики компонентов искажаются через паразитарные элементы. Основным паразитарным элементом является межвитковая емкость самого дросселя. Это небольшая емкость, которая существует между всеми обмотками, где разница напряжений (В/виток) между витками ведет себя подобно конденсатору. Этот конденсатор при высокой частоте действует как шунт вокруг обмотки и позволяет ВЧ переменному току протекать в обход обмоток. Частота, при которой это явление является проблемой, выше частоты авторезонанса обмотки. Между индуктивностью самой обмотки и этой распределенной межвитковою емкостью формируется колебательный контур. Выше точки авто резонанса влияние емкости становится большим от влияния индуктивности, что снижает уровень затухания при высоких частотах. Частотная характеристика фильтра изображена на рис. 1.5.12. Затухание, дБ
, B
;
,
;
.
;
;
;
;
;
,
.
.
.
;
;
,
;
;
;
;
,
;
;
;
;
;
,
,
;
;
;
;
,
,
;
;
;
,
;
,
;
;
;
;
,
;
;
;
;
;
;
;
;
(4.1.2)
(4.1.2)
Ф, - рекомендованное значение емкость, выбирается в пределах 0.001…0.1 мкФ.
;
;
(4.11)
(4.12)
(4.13)
(4.14)
Рис. 1.5.12. Частотная характеристика фильтра.
Этот эффект можно уменьшить, использовав Cx большей емкости. Частота авторезонанса является той точкой, в которой проявляется возможность наибольшего затухания для фильтра. Таким образом, путем выбора метода намотки обмоток индуктивности, можно разместить эту точку поверх частоты, которая нужна для наилучшей фильтрации.
Чтобы начать процесс проектирования необходимо измерить спектр не фильтрованного кондуктивного шума или принять по отношению к нему некоторые предположения. Это необходимо для того, чтобы знать, каким должно быть затухание и на каких частотах.
Примем, что нам необходимо 24дБ затухания на частоте переключения преобразователя напряжения.
Определим частоту среза характеристики фильтра:
,
де Gζ – затухания;
,
где: fc – желаемая частота среза характеристики фильтра, fsw- рабочая частота преобразователя напряжения. В нашем случае fsw=100кГц, затухание Gζ= -24дБ.
Выбор коэффициента затухания
Минимальный коэффициент затухания (ζ) не должен быть менее 0,707. Меньшее значение приведет к “резонансу” и не даст меньшее 3дБ затухания на частоте среза характеристики.
Расчет начальных значений компонентов
,
где: ζ – коэффициент затухания, ζ=0,707, RL =50Ом - импеданс линии,
;
Принимаем С≈0,1мкФ 400В.
Принимаем Сх=0,22мкФ
400В. Данные конденсаторы размещены между линиями электропитания и должны выдерживать напряжение 250 В и скачки напряжения.
Величину Су – конденсаторов, которые размещены между каждой фазой и “землей”, и должны выдерживать высокие напряжения ≈2500 В выбирают на несколько порядков меньше Су чем Сх. Это связано с тем, что наибольшая емкость конденсатора, доступная при номинальном напряжении 4 кВ, составляет 0,01 мкФ. Принимаем Су=2,2 нФ.
Поскольку суммарная емкость выбранных конденсаторов больше рассчитанной, то можно допустить, что фильтр будет обеспечивать минимум — 60 дБ затухания при частотах в диапазоне от 500 кГц до 10 Мгц.
Расчетная схема фильтра подходит как для входной, так и для выходной цепи:
Рис. 1.5.13. Входной фильтр электромагнитных помех.
L5=L=450 мкГн
С55=С58=Сх=0,22 мкФ
400 В
С54=С56=Су=3,3 нФ
3 кВ.
Рис.1.5.14. Выходной фильтр электромагнитных помех.
L6=L=450 мкГн
С54=С56=Су=3,3 нФ
3 кВ.
С57=С59=Сх=0,22 мкФ
400 В
1.6. Обоснование выбора элементов схемы
Источник бесперебойного питания должен обеспечивать круглосуточную работу любого устройства, которое подключено к нему, с сохранением выходных параметров, поэтому к нему выдвигаются жесткие требования, как к конструкции, так и к выбору элементов схемы.
Условно элементы схемы можно разделить на элементы общего применения и специальные.
Элементы общего применения являются изделиями массового производства, поэтому они достаточно широко стандартизированы. Стандартами и нормами установлены технико-экономические и качественные показатели, параметры и размеры элементов. Такие элементы называют типовыми. Выбор типовых элементов проводится по параметрам и характеристикам, которые описывают их свойства, как при нормальных условиях эксплуатации, так и при разных влияниях (климатических, механических и др.).
Основными электрическими параметрами является: номинальное значение величины, характерной для данного элемента (сопротивление резисторов, емкость конденсаторов, индуктивность катушек и т. д.) и границы допустимых отклонений; параметры, которые характеризуют электрическую прочность и способность долгосрочно выдерживать электрическую нагрузку; параметры, которые характеризуют потери, стабильность и надежность.
Основными требованиями, которыми нужно руководствоваться при проектировании радиоэлектронной аппаратуры, являются требования по наименьшей стоимости изделия, его высокой надежности и минимальным малогабаритным показателям. Кроме того, при проектировании важно увеличивать коэффициент повторяемости электрорадиоэлементов. Исходя из перечисленных выше критериев сделаем выбор элементной базы проектируемого устройства.
1.6.1. Выбор резисторов.
При выборе резисторов, прежде всего, обращаем внимание на их габариты, стоимость и надежность, которая обусловлена наработкой на отказ. Исходя из того, что современные интегральные технологии далеко продвинулись вперед, по сравнению с прошлыми годами, мы имеем резисторы, которые характеризуются: высокой надежностью и низкой себестоимостью, компактными размерами и большой разновидностью.
Сравним несколько типов резисторов.
Толстопленочные резисторы с допуском 5%.
Технические параметры. Таблица 1.6.1
| Параметры | Значения | |||||
| Тип | RC01 | RC11 | RC21 | RC31 | RC41 | |
| Типоразмер корпуса | 1206 | 0805 | 0603 | 0402 | 0201 | |
| Диапазон номиналов сопротивления | 1 Ом …1 МОм | 10 Ом… 1 МОм | ||||
| Допуск | ±5% | |||||
| Максимальная мощность | 0.25 Вт | 0.125Вт | 0.1 Вт | 0.063 Вт | 0.005 Вт | |
| Максимальное рабочее напряжение | 200 В | 150 В | 50 В | 15В | ||
| Диапазон рабочих температур | -55 … +155 ºС | |||||
Толстопленочные резисторы с допуском 1%.
Технические параметры. Таблица 1.6.2
| Параметры | Значения | |||||
| Тип | RC02H | RC02G | RC12H | RC12G | RC22H | |
| Типоразмер корпуса | 1206 | 1206 | 0805 | 0805 | 0603 | |
| Диапазон номиналов сопротивлений | 1 Ом …1 Мом | 10 Ом… 1 МОм | ||||
| Допуск | ±1% | |||||
| Максимальная мощность | 0.25 Вт | 0.25Вт | 0.125Bт | 0.125 Вт | 0.1 Вт | |
| Максимальное рабочее напряжение | 200 В | 150 В | 50 В | |||
| Диапазон рабочих температур | -55 … +155 ºС | |||||
Типоразмеры SMD резисторов. Таблица 1.6.3
| Типоразмер корпуса | L (мм) | W (мм) | T (мм) | Масса (г) |
| 0201 | 0.6 | 0.3 | 0.3 | 0.02 |
| 0402 | 1.0 | 0.5 | 0.35 | 0.06 |
| 0603 | 1.6 | 0.8 | 0.45 | 0.2 |
| 0805 | 2.0 | 1.25 | 0.55 | 0.55 |
| 1206 | 3.2 | 1.6 | 0.55 | 1.0 |
Исходя из таб.1.6.1. и таб.1.6.3. в качестве сопротивлений выбираем толстопленочные резисторы RC01 и RC02H с типоразмером корпуса 1206 (рис.1.6.1).
Мощные SMD резисторы. Технические характеристики. Таблица 1.6.4
| Параметры | Значение | ||
| Тип | XC0204 | RWN5020 | RWP5020 |
| Типоразмер корпуса | SMD MELF | SMD POW | SMD POW |
| Диапазон номиналов сопротивлений | 0.22Ом…10МОм | 0.003Ом…1МОм | 1Ом…0.1МОм |
| Допуск | 0.1%...5% | 1;2;5% | 1;5% |
| Максимальная мощность | 1 Вт | 1.6Вт | 1.6Bт |
| Максимальное рабочее напряжение | 300 В | ||
| Диапазон рабочих температур | -55 … +155ºС | ||
Исходя из таб.1.6.4. в качестве мощных сопротивлений выбираем резисторы RWN5020 с типоразмером корпуса SMD POW (рис.6.2.б).
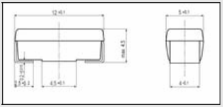
В = 1.2 мм.
С = 4.7 мм.
Рис.1.6.1. Рекомендованное расположение резисторов при пайке: RC01, RC02H типоразмера 1206.
а)
б)
Рис.1.6.2. Типоразмеры корпусов резисторов:
а) SMD MELF ; б) SMD POW
В качестве подстроечных сопротивлений выбираем резисторы PVZ3A фирмы Murata черт. 1.6.3.
Подстроечные сопротивления PVZ3A.
Технические параметры. Таблица 1.6.5
| Функциональная характеристика | Линейная |
| Номинальная мощность | 0.1Вт при 50С |
| Максимальное рабочее напряжение | 50V |
| Рабочий диапазон температур | -25C…85C |
| Допустимое отклонение номинального значения сопротивления | 30% |
| Угол поворота | 230 10 |
| Диапазон номинальных сопротивлений | 100Ом…2МОм |
| Температурный коэффициент сопротивления (ТКО) | 500ppm/C |
| Усилие поворота | 20-200 г./см |
Рис.1.6.3. Типоразмер подстроечных резисторов PVZ3A.
1.6.2 Выбор конденсаторов.
При выборе конденсаторов, учитывая условия эксплуатации изделия, а также электрические параметры, будем руководствоваться тем, что для конденсаторов выдвигаются следующие требования:
- наименьшая масса;
- наименьшие размеры;
- относительная дешевизна;
- высокая стабильность;
- высокая надежность;
Возьмем для рассмотрения несколько типов конденсаторов, и сделаем сравнение относительно класса диэлектрика в виде таблицы.
SMD конденсаторы. Технические параметры. Таблица 1.6.6
| Класс диэлектрика | Класс 1 | Класс 2 |
| Типоразмер корпусу | 0402…1210 | 0402…2220 |
| Номинальное напряжение Uн | 50В; 200В;500В;1кВ;3кВ | 25В; 50 В; 100В; 200В; 500В;1кВ;2кВ;3кВ |
| Диапазон емкостей | 1 пФ…10 нФ;1нФ…10мкФ | 1 пФ…1 нФ; 1нФ…10мкФ |
| Допуск емкостей (в % или пФ) | При Сн<10 пФ: ±0.1 пФ ±0.25 пФ ±0.5 пФ При Сн≥10 пФ: ±1 % ±2 % ±5 % ±10 % | ±5 % ±10 % ±20 % |
| Максимально относительная девиация емкости ΔС/С | - | ±15 % |
| Диапазон рабочих температур | -55…+125ºС | -55…+125ºС |
| Максимальное значение тангенса угла потерь tg δ | <1.10-3 | <25.10-3 <35.10-3 (16В) |
| Сопротивление изоляции при 25 ºС | > 105 МОм | > 105 МОм |
| при 125 ºС | - | > 104 МОм |
| Постоянная времени при 25 ºС | > 1000 с | > 1000 с |
| при 125 ºС | > 100 с | > 100 с |
Типоразмер SMD конденсаторов. Таблица 1.6.6
| Размер мм | 0402 1005 | 06032 1608 | 0805 2012 | 1206 3216 | 1210 3225 |
| l | 1.5±0.1 | 1.6±0.15 | 2.0±.02 | 3.2±0.2 | 3.2±0.3 |
| b | 0.5±0.05 | 0.8±0.1 | 1.25±0.15 | 1.6±0.15 | 2.5±0.3 |
| s | 0.5±0.05 | 0.8±0.1 | 1.35max | 1.3max | 1.7max |
| k | 0.1-0.4 | 0.1-0.4 | 0.13-0.75 | 0.25-0.75 | 0.25-0.75 |
Исходя из таб.1.6.6., в качестве SMD конденсаторов выбираем конденсаторы с диэлектриком 1-го класса, типоразмером корпуса 1206 (рис.1.6.4.).
А = 1.5 мм.
В = 1.2 мм.
С = 4.7 мм.
Рекомендованное расположение
при пайке SMD конденсаторов типорозмера 1206.
Выбираем электролитические конденсаторы фирмы Hitano, для обычного монтажа серии ECR.
Серия ECR:
| диапазон напряжений | 6.3…100В | 160…460В |
| диапазон емкостей | 0.47…10000мкФ | 0.47…220мкФ |
| температурный диапазон | -40…+85С | -25…+85С |
| ток потерь | <0.01CU | <0.03CU |
| разброс емкостей | 20% при 20С, 120Гц | |
Диэлектрические потери (tg), не больше
| U,B | 16 | 25 | 35 | 50 | 63 | 100 | 200 | 350 | 400 |
| tg(D4-6.3) | 0.16 | 0.14 | 0.12 | 0.1 | 0.1 | 0.08 | 0.18 | 0.2 | 0.2 |
Стабильность при низких температурах (отношение импедансов на частоте 120Гц).
| U,B | 16 | 25 | 35 | 50 | 63 | 100 | 200 | 350 | 400 |
| Z(-25C)/ Z(+20C) | 2 | 2 | 2 | 2 | 2 | 2 | 2 | 2 | 2 |
| Z(-40C)/ Z(+20C) | 4 | 4 | 3 | 3 | 3 | 3 |
Типоразмеры электролитических конденсаторов. Таблица 1.6.8
| мкФ/B | 16 | 25 | 35 | 50 | 63 | 100 | 200 | 350 | 400 |
| 1 | 511 | 511 | 511 | 511 | 611 | 611 | |||
| 2.2 | 511 | 511 | 511 | 611 | 611 | 812 | |||
| 4.7 | 511 | 511 | 511 | 812 | 812 | 1013 | |||
| 10 | 511 | 511 | 511 | 511 | 511 | 611 | 1016 | 1013 | 1013 |
| 22 | 511 | 511 | 511 | 511 | 611 | 611 | 1021 | 1013 | 1016 |
| 33 | 511 | 511 | 511 | 611 | 611 | 812 | 1321 | 1021 | 1021 |
| 47 | 511 | 511 | 511 | 611 | 611 | 1013 | 1321 | 1321 | 1326 |
| 100 | 511 | 611 | 611 | 812 | 1013 | 1021 | 1626 | 1632 | 1632 |
| 220 | 611 | 812 | 814 | 1013 | 1016 | 1326 | 1836 | 1841 | |
| 330 | 812 | 814 | 1013 | 1017 | 1020 | 1326 | |||
| 470 | 812 | 814 | 1016 | 1321 | 1326 | 1626 | |||
| 1000 | 1016 | 1021 | 1321 | 1326 | 1625 | 1841 | |||
| 2200 | 1321 | 1321 | 1626 | 1636 | 1836 | ||||
| 3300 | 1326 | 1626 | 1632 | 1836 | 2241 | ||||
| 4700 | 1626 | 1632 | 1836 | 2241 | 2541 |
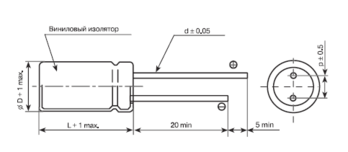
Рис.1.6.5. Габаритные размеры электролитических конденсаторов.
| D | 5 | 6 | 8 | 10 | 13 | 16 | 18 | 22 | 25 |
| P | 2.0 | 2.5 | 3.5 | 5.0 | 5/0 | 7.5 | 7.5 | 10 | 12.5 |
| d | 0.5 | 0.5 | 0.5 | 0.6 | 0.6 | 0.8 | 0.8 | 1.0 | 1.0 |
1.6.3 Выбор индуктивности и трансформаторов
10>1>25>35>0>0>















