63847 (589057), страница 6
Текст из файла (страница 6)
Следует тщательно определить место установки базовых станций так, чтобы обеспечить непрерывность покрытия зоны обслуживания, т.е. уверенного приема и передачи радиосигнала. Зоны обслуживания каждой БС должны перекрывать друг друга. Качество радиодоступа зависит от конструкции здания и характеристик строительных материалов, рельефа местности.
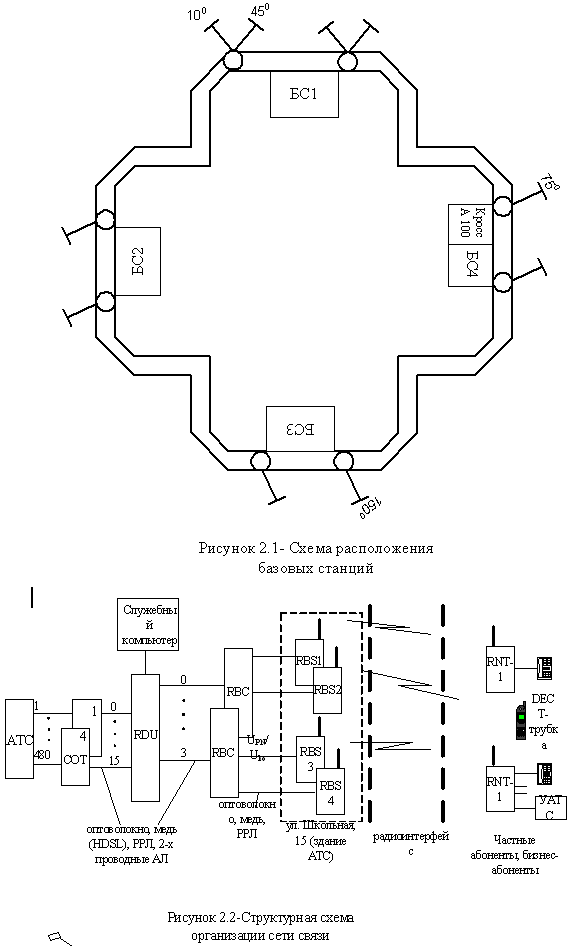
Соединение компонентов системы должно быть следующим. К центральному распределительному блоку RDU через соответствующие интерфейсы подключаются два и более контроллеров (RBC). Связь между RDU и RBC может быть организована с помощью:
- волоконно-оптического кабеля для передачи потоков 2 Мбит/с;
- медного кабеля для передачи потоков 2 Мбит/с (HDSL);
- стандартной системы передачи.
К одному блоку RDU может быть подключено два блока RBC. Центральный распределительный блок подключается к PSTN с помощью 16 интерфейсов V5.1 – это 16 витых пар со скоростью передачи 2 Мбит/с.
Контроллер базовых станций RBC представляет собой мультиплексор каналов, идущих к базовым станциям RBS. Контроллеры и базовые станции соединены друг с другом через интерфейсы UPN/Uko. Интерфейс UPN – это двух проводная цифровая линия со скоростью передачи 144 кбит/с. Интерфейс Uko – это двух проводная цифровая линия со скоростью передачи 960 кбит/с. С выхода контроллера формируется 32 кбит/с цифровой поток, поступающий на базовые станции. К одному контроллеру можно подключить четыре базовых станции. Питание контроллера может быть дистанционным от распределительного блока, либо от отдельного блока питания с резервными батареями.
Базовая станция RBS предоставляет DECT радиоинтерфейс для абонентов и сетевых радиоокончаний RNT. Базовая станция также преобразует сигналы из формата системы DECT в формат системы передачи. Запитывается базовая станция дистанционно от контроллера RBC или локально от силовой электросети. Сетевое радиокончание реализует DECT радиоинтерфейс, а также интерфейсы с абонентскими терминалами. Питание RNT осуществляется от отдельного блока питания. Вместо окончаний RNT можно также использовать DECT – трубки. Для ввода в эксплуатацию необходимо осуществить следующие действия:
- установить на жестком диске компьютера программу администрирования центрального распределительного блока;
- проверить правильность соединения базовых радиоблоков;
- проверить правильность соединений модулей сопряжения IWU с линиями УАТС и возможность параллельной работы аналоговых шнуровых телефонов;
- подключить силовой кабель к ЦУК и сетевой розетке с заземляющим контактом;
- включить питание ЦУК;
- конфигурировать систему, используя программу администрирования «CCFP Administration Program»;
- произвести замеры параметров кабелей;
- прописать в системе все индивидуальные портативные трубки.
2.4.2 Размещение базовых станций и сетевых радиоокончаний
Основная задача в конфигурации системы DECTlink это определение требуемого количества базовых станций для покрытия связью всей зоны обслуживания с хорошим качеством. Для этого необходимо правильно распределить БС и все оборудование системы не должны содержать дыма, газов, паров кислот, относительная влажность должна изменяться в пределах от двадцати до девяноста процентов, температура в помещениях должна быть от ноля до плюс сорока градусов Цельсия. Оборудование не должно быть подвергнуто прямому солнечному свету, располагать его в дали от внешних электромагнитных полей.
Так как БС – небольшие устройства размерами 140х130х50 мм и современным дизайном, то обычно их монтируют на стенах домов и крышах, что ни коим образом не ухудшает общего интерьера. Но так как нам необходимо охватить радиозоной всю территорию поселка Омчак Магаданской области с меньшим количеством БС, целесообразнее устанавливать их на самом высоком месте и в центре обслуживаемой территории. Зоны действия БС должны перекрывать друг друга, при этом известно, что через полы и потолки здания прохождение радиоволн возможно на расстоянии до восьми метров. БС не должны размещаться на наружных стенах здания, потому что в этом случае часть радиозоны будет вне обслуживаемого объекта, и тогда понадобиться увеличение количества БС на самом объекте.
Зона действия системы, называемая еще зоной покрытия, состоит из микросот и создается сетью маломощных базовых станций. Базовые станции так, что образуется сеть радиосот.
Типовой радиус сот внутри здания в зависимости от материалов, из которых выполнены здания, перекрытия, стены внутри здания и конструктивных особенностей помещений составляет 40 - 150 метров по горизонтали плюс один этаж вверх или вниз по вертикали. На открытых территориях радиус сот увеличивается примерно на пять километров.
Сетевые радиоокончания устанавливаются либо непосредственно у абонента, либо вынесены отдельно. Запитываются RNT от сети через отдельный блок питания. В зависимости от типа RNT (однолинейный или многолинейный) существуют различные установки блока RNT на стороне абонента. Однолинейные окончания RNT устанавливаются
непосредственно на абонентском пункте (внутри или снаружи), как правило, рядом с абонентским терминалом. Многолинейные окончания RNT можно установить на лестничной клетке или на крыше многоквартирного дома. От них соединительные линии идут к индивидуальным абонентским терминалам. Антенну блока RNT можно подключить прямо к RNT или рядом вне помещения.
На основании выше сказанного, приступаем к непосредственному размещению БС. В качестве здания на котором будет производиться установка БС используем здание (3 этажа, высота 10 метров) по ул. Школьной, 15. Размещаем комплекты БС на кровле этого дома. Расстояние от АТС до кроссового ящика 20 м. На каждую БС идет по три витых пары (кабель ТПП-50х2х0,4). В будущем будет использоваться волокно. Кроссовый ящик установлен вблизи базовых станций. Схема расположения базовых станций на кровле жилого дома по ул. Школьной показана на рисунке 2.1. Ситуационная схема, показывающая зону обслуживания, представлена на рисунке 2.3. Структурная схема организации сети связи с учетом всех выше изложенных факторов представлена на рисунке 2.2.
В таблице 2.2 представлен перечень выбранного оборудования, которое позволит нормально функционировать всей разрабатываемой системе связи.
Таблица 2.2 – Спецификация выбранного оборудования
| № | Тип оборудования | Количество, шт |
| 1 | Мобильный терминал | 480 |
| 2 | Программатор | 1 |
| 3 | Базовая станция | 4 |
| 4 | Централный распределительный блок | 1 |
| 5 | Центральный процессор | 1 |
| 6 | Речевой процессор | 1 |
| 7 | Ячейка речевой связи | 2 |
| 8 | Цифровой линейный блок | 1 |
| 9 | Модульная плата подключения | 1 |
| 10 | Источник питания | 1 |
| 11 | Батарея 12 В | 4 |
| 12 | Контроллер базовых станций | 2 |
| 13 | Абонентское окончание | 480 |
В системе управления и коммутации используется система передачи между RBC и RDU. Она может быть линейной системой для волоконно-оптических линий связи или кабельных линий, или любая транспортная система со стандартным интерфейсом G.703, например, радиорелейная система.
3 СПЕЦИАЛЬНАЯ ЧАСТЬ
3.1 Безопасность жизнедеятельности и вопросы экологии
3.1.1 Воздействие электромагнитных полей на организм человека
Время от времени в средствах массовой информации поднимается вопрос о вредном воздействии на человека систем сотовой связи, в частности, связанном с последствиями облучения головного мозга при пользовании сотовым радиотелефоном. Однако даже в США, где сотовая связь стала неотъемлемым атрибутом жизнедеятельности человека, пока не установлены какие-либо статистически обоснованные закономерности распространения тех или иных заболеваний среди абонентов систем сотовой связи. Да и в других странах проводимые по данному вопросу исследования не дали каких-либо определенных подтверждений подобным страхам.
Никто не может категорически утверждать, что нет вреда от радиотелефонов, равно как никто не может утверждать, что вред есть. Исследования в этой области ведутся с начала 90-х годов. Все ученые единодушно сходятся на том, что электромагнитное излучение сотовых радиотелефонов, конечно же влияет на ткани головного мозга. Опыты над мышами проведенные в Австралии и Финляндии, показали, что у животных нарушалась ориентация и развивалась опухоль, хотя это и не является строгим доказательством того, что сотовые телефоны вредны и для здоровья людей. Сейчас все больше появляется свидетельств того, что радио и микроволновые излучения видоизменяют основы клеточных биохимических процессов. Это вызывает изменение тканей и функций мозга. Но, как всегда, речь идет не об абсолютном исключении вредного фактора, а лишь о допустимой степени его присутствия.
До 60 % энергии излучения передатчика сотового радиотелефона может поглощаться тканями мозга. И хотя многие исследователи говорят, что уровень излучений сотовых телефонов далек от зоны риска, он все же лежит близко к предельному уровню, рекомендованному международными нормами безопасности. Единицей влияния микроволнового излучения на организм человека является «специфическая норма поглощения» SAR (Specific Absorption Rates), численно равная энергии поглощенного излучения, приходящейся на 1 г (иногда 1 кг) биоткани. Европейские организации рекомендуют для сотовых телефонов предельную норму SAR = 2 мВт/г [7].
При поглощении единицы излучения в течении 20 минут ткани нагреваются на 10С. Этот нагрев адекватно (либо неадекватно) компенсируется обменными процессами организма. В зависимости от электрических свойств ткани и длины волн воздействующего на них излучения коэффициент отражения электромагнитных волн от границ раздела тканей изменяется, уменьшаясь с укорочением волны. Причем практически можно считать, что во всем диапазоне волн, длиннее одного сантиметра от границы воздух – кожа, отражается не менее половины падающей электромагнитной энергии. Та часть энергии, которая проникает в ткани, ослабляется в них вследствие поглощения, достигая разной глубины проникания в зависимости от свойств ткани и длины волны, Глубина проникания уменьшается с уменьшением длины волны. Следовательно, существует опасность нагрева глубоко лежащих тканей и органов без ощущения нагрева, вызывающего тепловое повреждение без болевого ощущения со стороны кожных рецепторов.
Исследования Швейцарского Федерального технологического института г. Цюриха, проведенные с 16 различными моделями сотовых радиотелефонов, показатели пятикратную разницу в их характеристиках SAR. Уровень SAR у самой безопасной модели составил 0,28 мВт/г, у самой опасной – 1,33 мВт/г.
Но, тем не менее, сотовый телефон может быть опасен не только для здоровья, но и для жизни некоторых людей. И причина этой опасности, как оказалось, давно и хорошо известна специалистам в области радиосвязи. Причина эта называется электромагнитной совместимостью радиоэлектронных устройств, а ее суть состоит во взаимных помехах, создаваемых этими устройствами. И это не удивительно, так как радиопередающие устройства современных сотовых телефонов имеют выходную мощность в единицы Ватт, а малые размеры самих радиотелефонов делают возможным их появление там, где раньше это было просто маловероятно, например, в больнице или на борту авиалайнера.
Приведем пример. В современных больницах для проведения сложных операций, наблюдения за состоянием тяжелобольных пациентов или диагностики заболеваний используется большое количество весьма сложного и чувствительного электронного медицинского оборудования. Это высокочувствительное оборудование является особенно уязвимым для радиопомех.
О степени опасности говорит тот факт, что за рубежом выпущено устройство, специально предназначенное для использования в медицинских учреждениях, - обнаружитель работающих сотовых телефонов. Оно обнаруживает работающие поблизости сотовые радиотелефоны и радиостанции, и подает сигнал тревоги, а также воспроизводит специальное звуковое сообщение, предписывающее немедленно прекратить пользование сотовым телефоном. Такими приборами оснащаются, в первую очередь, хирургические, кардиологические и родильные отделения, отделения интенсивной терапии, диагностические и реабилитационные центры, лаборатории.















