63847 (589057), страница 4
Текст из файла (страница 4)
- более эффективное использование существующих магистральных кабелей;
- более простое расширение сети по мере увеличения числа абонентов;
- реализация услуги «мобильность бесшнуровых телефонов» (СТМ) для PSTN-абонентов.
Система DECTlink предназначена для применения в городских и пригородных областях со средней и высокой плотностью абонентов, а также для обслуживания изолированных деревень в сельских районах (кластеры). Благодаря своей модульной структуре, систему Dectlink можно гибко адаптировать с учетом телефонизации «зеленых» массивов, избегая лишних затрат, а также развертывать ее на существующих сетях, если требуется их расширение. Системы типа RLL можно также совместно использовать с «линейными» системами (где используются медные и/или волоконно-оптические кабели). Для этого компоненты системы Dectlink можно интегрировать в систему FastLink, а также в другие системы доступа семейства Multilink.
Основные функции системы DECTlink.
- обслуживает фиксированные абонентские терминалы, а также DECT-трубки, соответствующие спецификациям GAP;
- поддерживает узкополосные услуги передачи речи и данных для квартирных абонентов, а также услуги ISDN-BA;
- радиоинтерфейс в соответствии со стандартом DECT и GAP;
- благодаря распределению каналов с помощью множественного доступа с временным/частотным уплотнением (TDMA/FDMA) обеспечивается оптимальное качество передачи;
- благодаря цифровой передачи речи со скоростью 32 кбит/с (используется ADPCM) обеспечивается высокое качество речи;
- благодаря специальным алгоритмам шифрования предотвращается перехват речи данных;
- предотвращение несанкционированного использования средств связи с помощью процедур аутентификации;
- непрерывное отслеживание терминалов подвижной связи в мультисотовой системе (роуминг);
- безразрывное переключение радиоканала между сотами в течение разговора;
- реализация концепции открытых систем на базе стандартов ETSI (используются интерфейсы V5.1 и V5.2);
- блок RBC можно установить в области подключения абонентских устройств (например, при создании новой сети) или на центральной станции (например, для интеграции в существующие сети);
- возможность дистанционного питания станции RBS с помощью проводов сигнализации;
- управление сетью с помощью изделия O-N-M-S AccessIntegrator (по аналогии со всеми элементами семейства Multilink);
- возможна интеграция в «линейные» системы (FastLink).
Эксплуатация и управление сетью.
Управление системой DECTlink выполняется с помощью комплекса эксплуатации, называемого AccessIntegrator, который обеспечивает не только управление элементами и подсетями, но и взаимодействует с системой более высокого уровня для управления сетью и обслуживанием.
AccessIntegrator может использоваться в центральных, региональных и местных центрах эксплуатации и технического обслуживания.
Для локальной эксплуатации имеется специальный терминал пользователя (LCT), который включает laptop и соответствующее программное обеспечение.
Ниже приведены основные функции изделия AccessIntegrator:
- масштабируемая архитектура клиент-сервер;
- поддержка небольших и крупных сетей емкостью до 200000 абонентов;
- полностью объектно-ориентированная архитектура прикладного программного обеспечения;
- открытый интерфейс для интеграции в сети или системы управления обслуживанием более высокого уровня;
- наблюдение за аварийными сигналами;
- административное управление абонентами;
- управление трактами.
Архитектура системы.
DECTlink – это универсальная система типа RLL, позволяющая подключать к PSTN фиксированные абонентские терминалы, а также сотовые телефоны (НН). В ее состав входят радиораспределительный блок (RDU), контроллер базовой радиостанции (RBC), базовая радиостанция (RBS), (необязательный) сетевой радиоретронслятор (RNR) и сетевое радиоокончание (RNT).
Блок RDU подключается непосредственно к местной станции (LE) через интерфейсы V5.1. Кроме того, RDU содержит функциональные блоки для управления всей системой DECTlink. Его можно устанавливать внутри помещения, в том числе на центральной станции (СО). Систему DECTlink можно подключать к телефонным станциям, содержащим интерфейсы V5.2 или a/b – интерфейсы. В этих случаях между RDU и LE устанавливается мультиплексор кросс-соединений CMXII, а также терминал центральной станции (СОТ).
Связь между RDU и RBC может быть организована различным образом:
- с помощью волоконно-оптического кабеля для передачи потоков 2 Мбит/с;
- с помощью медного кабеля для передачи потоков 2 Мбит/с (HDSL);
- с помощью стандартной системы передачи с интерфейсами 2 Мбит/с в соответствии с Рекомендацией ITU-T G.703 (например, радиорелейная сеть на базе технологии PDH или SDH).
Блок RBC представляет собой мультиплексор каналов, идущим к станциям RBS. Его можно устанавливать как вне, так и внутри помещения. Электропитание блока RBC может обеспечиваться от силовой электросети (через локальный блок питания) или через блок питания центральной станции.
RBC и RBS соединены друг с другом через интерфейсы UPN/Uk0. RBS реализует DECT-радиоинтерфейс с абонентами. Он записывается дистанционно от RBC или локально с помощью отдельного блока питания с резервными батареями.
Существуют станции RBS с одним, двумя или тремя U-интерфейсами. RBS размещается в компактном «внутреннем» корпусе. Для работы вне помещения его можно адаптировать с помощью дополнительных компонентов.
В настоящее время разрабатывается «внешний» корпус, в котором можно будет установить до восьми станций RBS.
RNT устанавливается на абонентской стороне и реализует DECT – радиоинтерфейс, а также интерфейс(ы) с абонентским терминалом. RNT также может устанавливаться как внутри, так и вне помещения.
При необходимости расстояние между RBS и RNT/HH можно увеличивать благодаря использованию блока RNR. RNR также можно использовать для телефонизации тех областей, которые станции RBS не обслуживаются из-за топологии местности.
Благодаря применению блока RNR можно обеспечивать связь на расстоянии до 15 км.
Питание на блок RNR подается через блок питания с аварийным питанием силовой электросети или от солнечной панели.
Эля экономичного предоставления аналоговых услуг и услуг ISDN-BA квартирным и бизнес-абонентам выпускаются следующие варианты RNT:
- RNT-1 и RNT-1D с 1a/b-интерфейсом для аналоговых услуг;
- RNT-4 и RNT-4D с 4a/b-интерфейсом для аналоговых услуг;
- RNT-1 с одним интерфейсом S0 (ISDN-BA).
Вместо окончаний RNT можно также использовать DECT-трубки, соответствующие спецификациям общего профиля доступа (GAP). Внутри заданной области радиоохвата для трубок НН поддерживается функция мобильности. По мере расширения сети, функция мобильности распространяется на всю сеть.
Благодаря возможности использования для блоков RBS, RNT и RNT антенн различного типа (симметричные вибраторные, горизонтальные из несимметричных вибраторов, плоские) организуемые системы связи отличаются высокой экономической эффективностью (для различных вариантов применения).
Стандартная конфигурация построения системы DECTlink.
DECTlink – мультисотовая система, конфигурирование которой, по существу, выполняется с учетом следующих параметров:
- топология обслуживаемой области;
- число абонентов;
- плотность абонентов;
- локальное расположение абонентов (рассредоточены или в виде кластеров);
- требования по доступности (избыточность).
К одному блоку RDU можно подключить до 480 абонентов. Для подключения большого числя абонентов необходимо использовать несколько блоков RDU, которые могут быть подключены к одной или нескольким станциям LE.
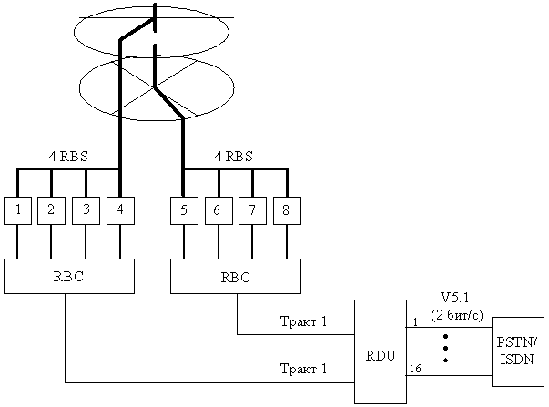
На рисунке 1.2 представлена стандартная конфигурация. Это максимальная конфигурация с одним объектом, где устанавливаются станции RBS и антенны, ее можно использовать для различных применений, например, для обслуживания изолированной деревни, пригородной зоны и так далее. В стандартную конфигурацию входят следующие компоненты:
- один RDU;
- два блока RBC;
- восемь станций RBS;
- 16 антенн;
- до 480 окончаний RNT с антеннами и/или НН.
RDU подключается к LE максимум по 16 интерфейсам V5.1. На центральном объекте находятся два контроллера RBC и восемь станций RBS. Для экономии места станции RBS. Для экономии места станции RBS и антенны могут, например, быть установлены на одной линейной опоре. Такая конфигурация позволяет обслуживать до 480 абонентов с общей интенсивностью трафика 35 Эрланг. Она уже является избыточной, так как каждый абонент обслуживается, по крайней мере, двумя станциями RBS, которые соединены с двумя различными контроллерами RBC. Если один тракт выходит из строя, задействуется второй тракт. Такую стандартную конфигурацию можно адаптировать с учетом местных условий и требований оператора.
Разработка структурной схемы.
На основании выше сказанного можно составить общую структурную схему сети беспроводного доступа (рисунок 1.3). В состав схемы входит:
- RDU – распределительный блок;
- RBC – контроллер базовых станций;
- RBS – базовая станция;
- RNT – сетевое радиокончание;
- COT – терминал центральной станции;
- различные типы интерфейсов.
Описание компонентов системы.
Радиораспределительный блок RDU.
В состав блока входит :
- модуль QD2 – интерфейсов (QDIM);
- модуль интерфейсов с местной станцией (LEIM);
- модуль интерфейсов RBC (RBIM)
- линейное окончание для HDSL (LTC);
- линейное окончание для OF (LTO).
Являясь центральным компонентом системы DECTlink блок RDU реализует интерфейсы с сетью PSTN. Он подключается к самой LE с помощью максимум 16 интерфейсов 2Мбит/с, удовлетворяющих международному стандарту V5.1 (без концентрации). Для соединения с LE по интерфейсам V5.2 (с концентрацией) требуется мультиплексор кросс-соединений CMXII. В ближайшее будущее можно будет соединять LE и RDU напрямую по интерфейсам V5.2. Если вместо интерфейсов V5.x используются a/b-интерфейсы (работающие в диапазоне тональных частот), система DECTlink подключается через соответствующий терминал центральной станции (COT). Кроме того, с помощью своего модуля интерфейсов QD2 (QDIM) блок RDU реализует интерфейс QD2 с системой Accesslntegrator для эксплуатации, управления и технического обслуживания всех компонентов DECTlink, а также F-интерфейсов для подключения локального терминала пользователя (LTC). Каждый из максимум восьми модулей интерфейсов с местной станцией (LEIM) обеспечивает два интерфейса 2 Мбит/с с сетью PSTN позволяет передавать тридцать ИКМ-каналов 64 кбит/с. Кроме того, в модуле LEIM используется матрица кросс-соединений, которая позволяет распределять входящие и исходящие потоки на уровне 64 кбит/с. Между RDU и контроллером RBC соединения устанавливаются максимум через четыре интерфейсных модуля RBC (RBIM). К интерфейсу 2 Мбит/с (G.703) можно подключить стандартные системы передачи (например, радиорелейную). Для подключения кабельных или волоконно-оптических линий блок RDU также содержит следующие линейные окончания:
- LTC/LTCOH для HDSL-соединений 2 Мбит/с по медным кабелям;
- LTO для соединений 2 Мбит/с по волоконно-оптическим кабелям.
В отличие от LTC, окончание LTCOH содержит отдельный канал передачи заголовка для посылки QD2-информации в OS.
Модуль RBIM преобразует ИКМ-каналы 64 кбит/с в ADPCM-каналы 32 кбит/с для их последующей передачи по радиоинтерфейсу. Благодаря этому, (непрерывно) обеспечивается высокий уровень качества речи.
Рисунок 1.2 - Стандартная конфигурация системы DECTlink
Рисунок 1.3
В модуле LEIM и RBIM осуществляются функции коммутации. Функции QD2-интерфейса для служебного компьютера выполняются в модуле QDIM. Модули LEIM и RBIM, а также LTC/LTO посылают в QDIM требуемую OAM-информацию. Обмен OAM-информацией также происходит с другими компонентами системы (RBC, RBS и RNT) через модуль QDIM. Центральное программное обеспечение и данные для модулей LEIM и RBIM хранятся в блоках энергоневисимой памяти в модуле QDIM. Здесь хранится информация о конфигурациях всех станций RBS. Каждый модуль LEIM и RBIM имеет собственную энергозависимую память. Модуль LEIM выполняет функции локальной коммутации между DECT-абонентом и местной станцией. В одном блоке RDU может быть до восьми модулей LEIM. Модуль RBIM предоставляет F1-интерфейс (G.703) блока RDU и выполняет адаптацию сигналов между F1-интерфейсом и магистралью. В RDU может быть до четырех модулей RBIM. Модуль QDIM предоставляет QD2-интерфейс у служебному компьютеру для эксплуатации и технического обслуживания, и F-интерфейс для локального подключения к LCT. В одном RDU используется один QDIM.
2 РАСЧЕТНАЯ ЧАСТЬ
-
Расчет числа радиоканалов для БС
Для расчета числа радиоканалов необходимо определить максимальное количество абонентов, приходящихся на одну БС по формуле [4]:
абонентов, (2.1)















