63638 (588996), страница 4
Текст из файла (страница 4)
VT
R0k
R0б
Uб
Рисунок 3.2 - Измерение ВАХ в нормальном режиме
VT
Ik
Uk
R0k
R0б
Uб
Рисунок 3.3 - Измерение ВАХ в инверсном режиме.
Р
егистрируются напряжения Uк, Uб, которые падают на образцовых резисторах R0k, R0б. Соответственно токи Iк, Iб рассчитываются по формулам.
Т
(3.28)
(3.27)
В процессе реализации измерительного процесса необходимо руководствоваться сведениями о структуре РЭ, приведенными в п. 2.2-2.3.
3.1.2 Измерение динамических параметров
Рассмотрим условия реализации принятого машинно-ориентированного способа измерения линейных параметров многополюсника.
Согласно этому способу, сущность которого приведена в работах /9/, для определения Y-матрицы многополюсника необходимо выполнить измерение матрицы Uo напряжений холостого хода согласно схеме, рисунок 3.4а, на которой изображены: источник синусоидального напряжения Ei, многополюсник эквивалентный паразитным параметрам измерительной цепи с матрицей проводимости Yo. Источник Ei подключен к i-му входу-полюсу через комплексное сопротивление Zi, а остальные полюсы-входы нагружены на комплексные сопротивления Zj (j=1).
Индексами i и j обозначены точки подключения измерительного прибора, а именно пробник измерительного канала векторного вольтметра.
Согласно рисунку 3.4а при отсутствии измеряемого многополюсника (ИМП) и поочередном подключении последовательно к каждому резистору Zi источника Ei измеряют диагональные Uii и недиагональные Uoji компоненты матрицы Uo. Затем при поочередном подключении образцовой Yoi меры последовательно к каждому источнику Ei с внутренним сопротивлением Zi (рисунок 3.5б) измеряют напряжение Uoi - элемент вектора калибровочных напряжений Uk. Операции измерений матрицы Uo и вектора Uk опорных и калибровочных напряжений осуществляется n`+n раз, где n- число активных входов многополюсника по переменному току. На этом процесс калибровки измерительной схемы завершается. В результате определяется информация достаточная для учета влияния паразитных параметров эквивалентного многополюсника Yo.
Рабочий цикл измерения производится согласно рисунку 3.5. В этом случае параллельно схеме рисунок 3.5а подключают измеряемый многополюсник с матрицей проводимости Yo. В результате измерительные цепи оказываются нагруженными эквивалентным многополюсником с матрицей проводимости Yo, которую можно рассчитать по формуле
Yo = Y + Yo . (3.29)
Затем производится измерение элементов Uji матрицы U нагруженного режима таким же способом, как и измерение элементов матрицы Uo опорных напряжений. Переключение источника Ei производится n раз и определяются n` напряжений.
Измерение параметров многополюсника
а - измерение элементов матрицы Uo опорных напряжений;
б - измерение элементов вектора Uk калибровочных напряжений;
в - измерение элементов матрицы и нагруженного режима
Рисунок 3.4 - Измерение параметров многополюсника
Элементы матрицы Uo, U и вектора Uk используются для расчета матриц передачи Ко холостого хода и К нагруженного режима.
Элемент матрицы Ко рассчитывают по формуле
, (3.30)
а элемент матрицы К - по формуле
, (3.31)
где Yп - полная проводимость входной цепи пробника измерительного
канала векторного вольтметра.
В работе /1/ показано, что Y- матрица измеряемого многополюсника может быть определена в результате решения матричного уравнения
Y = 2(K-1 – Ko-1), (3.32)
где -1 - знак обращения матриц К и Ко.
Для случая двухполюсника
n = 1 (3.33)
имеем
i = 1; j = 0. (3.34)
Очевидно, что при условиях (3.33), (3.34) имеем:
коэффициенты матриц Ко и К с индексами j не имеют смысла;
-
всего аттестуются один коэффициент по формуле (3.30) и один коэффициент по формуле (3.31);
-
индекс i не имеет смысла, так как n = 1, матричное уравнение (3.32) превращается в простое алгебраическое;
-
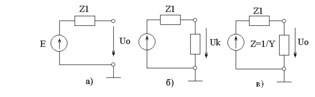
для определения полной проводимости Y двухполюсника достаточно выполнить согласно рисунку 3.5 измерение трех напряжений: Uo холостого хода (рисунок 3.5а), Uk калибровки (рисунок 3.5б) и U нагруженного режима (рисунок 3.5в).
С учетом (3.32) - (3.33) и отмеченных замечаний из формул (3.30) - (3.31) приходим к формулам
, (3.35)
а - измерение напряжения Uo холостого хода;
б - измерение напряжения Uk калибровки при нагрузке схемы образцовой
мерой Yk;
в - измерение напряжения U при нагрузке схемы измеряемым
двухполюсником Y
Рисунок 3.5 - Измерение двухполюсника
, (3.36)
Подставляя коэффициенты Ко и К в уравнение (3.32) с учетом замечания (3.33) получаем формулу для расчета аттестуемой проводимости Y.
, (3.37)
Таким образом, для определения полной проводимости (сопротивления) двухполюсника достаточно выполнить измерения трех напряжений согласно схемам (рисунок 3.5). При этом справедливы следующие условия:
-
измерительный процесс легко автоматизировать, так как при его
реализации не требуется производить подстроечные операции; -
из трех тестов два (при регистрации напряжений Uo и Uk) являются калибровочными и при массовых измерениях на фиксированной частоте производятся только один раз;
-
при выполнении предыдущего условия процесс измерения сводится к регистрации одного напряжения U с последующим расчетом по формуле (3.37);
-
при диапазонных измерениях операции по калибровке можно свести к определению четырех вещественных функций, которые определяют модуль напряжения Uo
Uo = Uo(); (3.38)
аргумент напряжения Uo
= ; (3.39)
модуль напряжения Uk
Uk = Uk(); (3.40)
и аргумент напряжения Uk
К= К ; (3.41)
где - угловая частота.
При использовании стабильной измерительной аппаратуры операции по определению функций (3.38) - (3.40) можно выполнить один раз, так функции (3.36) - (3.37) определяются в режиме холостого хода или при перестановке нагрузки и их зависимость от частоты не будет сложной. В большинстве случаев эти функции можно выразить через уравнения первого или второго порядка. Для их идентификации необходимо выполнить измерения в двух - трех точках заданного частотного диапазона.
Процесс определения АЧХ и ФЧХ двухполюсника может быть сведен к измерению модуля и фазы напряжения U согласно схеме рисунок 3.5в; определения по АЧХ и ФЧХ напряжений Uo и Uk на измеряемой частоте; определение модуля и аргумента проводимости Y на частоте измерения; выполнение аналогичных измерений на всех дискретных точках частотного диапазона, определенных планом эксперимента; вычисление АЧХ и ФЧХ проводимости Y двухполюсника; обработка АЧХ и ФЧХ для определения интересующих пользователя параметров, наблюдения на экране дисплея графиков и т.п.
При реализации измерений согласно принятых методам следует учитывать специфику измерительных цепей, в котором эти измерения проводятся.
3.2 Структурная схема тестера
Структурная схема тестера приведена на рисунке 3.6.
Тестер содержит устройство интерфейса (УИ) и измерительно-контрольное устройство (ИКУ). Блок УИ предназначен для обмена информацией с персональным компьютером (ПК) в процессе управления тестером, обработки сигналов непосредственного управления ИКУ, а также управление приборами, агрегатированными в стойку программированных измерительных приборов (СПИП).
Объект измерения (ОУ) подключается к выходу ИКУ. Сигналы возбуждения ОУ и отклики на них поступают и воспринимаются приборами стойки СПИП через коммутаторы электрических сигналов расположенных в ИКУ.
СПИП
ПК УИ ИКУ ОИ
Рисунок 3.6 - Структурная схема тестера
3.3 Устройство интерфейса
Блок УИ сконструирован на основе микропроцессорного устройства, через которое командами с порта COM1 ПК типа IBM PC управляет:
-
через первый ЦАП генератором тока в интервале от 1 до 100 мА при измерении транзисторов;
-
через второй ЦАП источником опорного напряжения, который служит для регулировки напряжения транзистора;
-
через третий ЦАП устройством регулировки температуры.
Управление ЦАП производится через первый – третий регистры. Остальные три регистра предназначены для управления программируемым генератором синусоидальных сигналов (ПГСС), коммутации цепей, контроля статических режимов ОИ, коммутации цепей измерения и контроля динамического режима ОИ.
Регистрация измеряемых сигналов осуществляется АЦП, управление которым осуществляется программно от ПК.
На ИКУ с выходов УИ поступают сигналы постоянного тока, которые определяют режим ОИ и коды управления коммутаторов контроля статического и динамического режимов ОИ.
Полезная информация поступает с выхода ИКУ в виде аналогового сигнала постоянного тока, который преобразуется в цифровой сигнал АЦП и подаётся на ПК для дальнейшей обработки.
3.4 Измерительно-контрольное устройство (ИКУ)















