63638 (588996), страница 2
Текст из файла (страница 2)
Связь между множествами A, S и N определяет выражение
А N, S N. (2.4)
П
усть а- размер А, а bi – его элемент при i=1,a , s-размер S, Сj- его элемент при j=1,s.
В случае ФМП множество полюсов N представляет собой объединение полюсов A и S, т.е.
N=AUS. (2.5)
При этом возможны следующие отношения между A, S и N.
Для пассивных устройств
S=0, A=N. (2.6)
Для устройств постоянного тока, для которых мгновенными измерениями сигналов во времени можно пренебречь
A=0, S=N. (2.7)
Подмножества A и S совпадают (например для транзистора)
A=S=N. (2.8)
Для устройств типа операционного усилителя
AS=N. (2.9)
Полюса А и S изолированы друг от друга (некоторые интегральные схемы)
AS, N=A+S. (2.10)
Условия (2.6)-(2.10) необходимо учитывать как при конкретном применении МП, так и при организации процесса измерения его параметров.
2.3 Базовый узел ФММР
В качестве базового узла ФММР можно выбрать любой из его полюсов и даже объединить несколько полюсов. В этом случае порядок МП понизится на число полюсов принятых в качестве базовых, и его модель принципиально упростится.
С другой стороны базовый узел может быть внешним по отношению к МП, т.е. электрически с МП не связан. В этом случае первый закон Кирхгофа для мгновенных токов, втекающих в N-полюсник, может быть записан в виде
(2.11)
А линейные устройства будут иметь особенные матрицы параметров, т.е. сумма элементов этих матриц по строкам и столбцам будет равна 0.
В этой связи для описания ФММР достаточно идентифицировать N-1 строк и столбцов.
2.4 Структура элементной базы
Структура элементной базы РЭА приведена на рисунке 2.2.
Согласно рисунку 2.2 элементная база (ЭБ) подразделяется на двухполюсники (ДП) и многополюсники (МП). Считаем необходимым выделить ДП в отдельное подмножество в виду их исключительного значения в качестве компонент, на основе которых конструируется более сложные по структуре и назначению компоненты, в том числе и МП. ДП и МП в свою очередь подразделяются на пассивные (ПЭ) и активные (АЭ) элементы. АЭ отличаются от ПЭ тем, что режим их функционирования обязательно определяют дополнительные факторы, например, токи напряжения смещения рабочей точки. Подклассами П и А являются элементы: дискретные элементы (Д)- элементы со сосредоточенными постоянными параметрами, относительно простой конструкции и принципа действия (резисторы, конденсаторы, транзисторы и т.п. ); с распределенными параметрами (РП); акустоэлектронные элементы (АЭ); функциональные элементы (ФЭ); интегральные схемы (ИС); цифровые элементы (ЦЭ). По существу, подклассы элементов, определяющих структуру АЭ и ПЭ, совпадают за исключением ЦЭ, которые являются особым подклассом активных элементов, элементарных логических ИС до сложнейших микропроцессорных устройств.
Рисунок 2.2 - Структура элементной базы РЭА.
2.5 Модели РЭ для САПР электронных схем
2.5.1 Встроенные модели
В современных САПР электронных схем, например, PSpice широко используются встроенные модели. В системе PSpice в состав этих моделей входят модели диода, биполярного транзистора, канального полевого транзистора, МОП-транзистора и магнитного сердечника. Указанные модели позволяют рассчитывать статические линейные и нелинейные динамические режимы. В основу моделей диодов и транзисторов положены идеи выдвинутые Эберсом и Моллом. В этих моделях отражены достижения последних десятилетий.
К достоинствам встроенных моделей можно отнести:
-
элементы, указанные выше, можно аттестовать по справочным данным;
-
в зависимости от решаемой задачи можно определить уровень сложности моделей, тем самым оптимизируя процесс вычисления;
-
для МОП транзистора предлагается 4 уровня сложности, а для биполярного транзистора 3, кроме моделей Гуммеля-Пунна аттестуемой 59 параметрами и константами.
Также предусмотрены усеченное использование моделей Эберса-Молла на основе 16-20 параметров, предоставление пользователю корректировки встроенных моделей.
К недостаткам встроенных моделей, приведенных в литературе /2/ следует отнести их сложность. Анализ показывает, что для расчета малосигнальной модели биполярного транзистора требуется использовать практически весь математический аппарат нелинейного варианта его модели.
Также к недостаткам следует отнести ограниченный частотный диапазон. По данным /2/ частотный диапазон биполярного транзистора ограничен 100 МГц. Отсутствие достаточного объема справочной информации и связанной с этим необходимость организации сбора дополнительной информации, путем реализации дополнительных измерительных процессов.
2.5.2 Макромодели
В САПР высокого уровня (например, PSpice) предусмотрено использование макромоделей ряда элементов (операционные усилители, компараторы напряжения, СВЧ транзисторы, нелинейные резисторы, конденсаторы и т.п.) идентификация параметров которых производится пользователем. Успех моделирования в этом случае определяют методы и условия измерения. Пользователю предоставляется возможность идентификации параметров модели в условиях, наиболее приближенному к реальному использованию. Так встроенные модели в библиотеке PSpice адекватны на частотах только до 100 МГц, то макромодели, в том числе малосигнальные модели имеют большое значение при расчетах электронных схем СВЧ диапазона. Также представляют большой практический интерес методы измерения параметров этих моделей.
Второй способ построения высокочастотных моделей транзисторов основан на применении их малосигнальных схем замещения. В таком случае сначала с помощью типовых моделей транзисторов рассчитывается режим цепи по постоянному току и для этого режима измеряются, или рассчитываются, Y или Sпараметры транзисторов в заданном диапазоне частот. Рассмотрим эти схемы замещения для программы PSpice подробнее.
Макромодель на основе Yпараметров. Напомним уравнение линейного 4-полюсника (рисунке 2.3) в системе Yпараметров
(2.12)
Рисунок. 2.3 - Линейный 4-полюсник
Этой системе уравнений поставим в соответствие схему замещения транзистора на основе ИТУН (рисунок 2.4).
Рисунок 2.4 - Макромодель транзистора на основе Yпараметров
Приведем пример формальной макромодели транзистора КТ315В на основе Yпараметров, измеренных на частотах 5, 10 и 30 МГц для тока коллектора Iк=5 мА:
.subckt KT315V 2 1 3
G11 1 3 FREQ {V(1,3)}=
+ ( 5e6, -50.3, 31.6) (10e6, -48.0, 36.9) (30e6, -44.3, 41.0)
G12 1 3 FREQ {V(2,3)}=
+ ( 5e6, -78.4, 181.9) (10e6, -72.7, 184.5) (30e6, -63.1, 183.7)
G21 2 3 FREQ {V(1,3)}=
+ ( 5e6, -18.7, -20.8) (10e6, -20.0, -31.9) (30e6, -25.5, -44.2)
G22 2 3 FREQ {V(2,3)}=
+ ( 5e6, -67.4, 63.4) (10e6, -63.3, 56.3) (30e6, -59.4, 54.1)
.ends
При табличном задании управляемых источников в частотной области для каждого значения частоты указывается модуль передаточной функции в децибелах и ее фаза в градусах.
Макромодель на основе Sпараметров. В диапазоне СВЧ большее распространение имеют линейные макромодели транзисторов на основе Sпараметров, которые в этом диапазоне частот проще измерять, чем Yпараметры. Напомним, что для 4-полюсника на рисунке 2.3 справедливо следующее уравнение в терминах Sпараметров:
, (2.13)
где
падающие и отраженные волны мощности;
Z
волновое сопротивление тракта, в котором измерены Sпараметры транзистора.
Из этих соотношений вытекают уравнения для входного и выходного напряжений, в которые входят управляемые источники напряжения:
, (2.14)
где
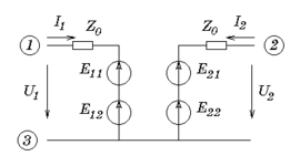
На основе этой системы уравнений составляется линеаризованная схема замещения СВЧтранзистора (рисунок 2.5). В качестве примера приведем описание макромодели арсенид-галлиевого полевого транзистора 3П343 в диапазоне частот 4...12 ГГц при напряжении затвора 2 В и токе стока 10 мА:
.subckt 3P343 2 1 3
RZ1 1 11 50
RZ2 2 21 50
E11 11 12 FREQ {V(1,3)+V(1,11)} =
+ (4e9, -0.35, -28.3) (5e9, -0.54, -33.2) (6e9, -0.58, -35.9)
+ (7e9, -1.21, -41.9) (8e9, -1.01, -67.1) (9e9, -2.85, -56.9)
+ (10e9, -4.29, -32.8) (11e9, -1.94, -56.9) (12e9, -0.63, -65.2)
E12 12 3 FREQ {V(2,3)+V(2,21)}=
+ (4e9, -32.5, 77.0) (5e9, -29.5, 62.0) (6e9, -29.2, 72.4)
+ (7e9, -27.3, 65.0) (8e9, -23.5, 15.0) (9e9, -29.0, 66.1)
+ (10e9, -23.4, 36.6) (11e9, -25.4, 61.7) (12e9, -22.1, 40.4)
E21 21 22 FREQ {V(1,3)+V(1,11)}=
+ (4e9, 0.82, 149.8) (5e9, 2.30, 131.1) (6e9, 0.74, 134.3)
+ (7e9, 1.26, 129.0) (8e9, 0.43, 105.5) (9e9, 0.11, 123.2)
+ (10e9, 3.92, 87.5) (11e9, 2.40, 110.1) (12e9, 4.10, 85.0)
E22 22 3 FREQ {V(2,3)+V(2,21)}=
+ (4e9, -2.16, -26.4) (5e9, -1.21, -49.1) (6e9, -2.27, -45.1)
+ (7e9, -2.21, -34.4) (8e9, -2.62, -54.5) (9e9, -2.73, -52.7)
+ (10e9, -3.74, -17.2) (11e9, -3.48, -65.1) (12e9, -4.44, -62.4)
.ends
Рисунок 2.5 - Макромодель транзистора на основе Sпараметров
2.5.3 Факторные модели
Под факторной моделью будим понимать аналитическую макромодель, сформированную по результатам измерения параметров РЭ в процессе реализации активного факторного эксперимента. Каждый параметр в этом случае может быть выражен полиноминально
(2.15)
или мультипликативно
г
(2.16)
pi - постоянная факторного уравнения;
gij - парциальное факторное уравнение, представляющее аналитическую
зависимость от j фактора;
xj – фактор представляющий функцию gij.
Таким способом могут быть аттестованы как статические параметры, например в виде вольт-амперных характеристик (ВАХ), так и динамические параметры, например в виде Y-параметров. В первую очередь факторное пространство определяет частотный диапазон, режим электропитания по постоянному току и температура. Могут быть добавлены и другие факторы, способные влиять на значение параметров модели.
В общем виде факторная модель может быть выражена двумя уравнениями. Уравнение ВАХ
I=I(X) (2.17)
















