63594 (588988), страница 2
Текст из файла (страница 2)
Обсяг випуску 75 шт. за рік. Крім цих вимог необхідно забезпечити конкурентноздатність.
-
Стадії та етапи розробки
1. Технічне завдання.
2. Технічна пропозиція.
3. Ескізний проект.
4. Технічний проект.
5. Захист проекту.
2. Аналіз електричної схеми мікшера
-
2.1 Опис функціональної і структурної схеми мікшера
-
Функціональна схема пристрою.
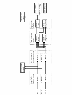
На рис. 2.1 зображена функціональна схема пристрою.
Входи 1 і 2 – це стерео входи для підключення звуковідтворюючої апаратури. Вхід 3 призначений для підключення мікрофону, він моно-канал.
Блок обробки вхідного сигналу представляє собою каскади попереднього підсилювача з регуляторами деяких його параметрів (чутливість, коефіцієнт підсилення, та ін.). На кожний моно-канал окремий підсилювач (5 шт).
На виході блоку обробки вхідного сигналу, на кожному з стерео-каналів, рівень сигналу контролюється за допомогою графічних світлодіодних індикаторів.
В блоці частотного корегування сигнал проходить частотну обробку, для підвищення, або зменшення вибраних частотних складових сигналу, з подальшим підсиленням вихідного сигналу.
Сигнали з блоку частотного корегування подаються в блок змішування, який змішує сигнали на двох шинах: головного каналу та каналу навушників. В шину змішування каналу навушників сигнали з попереднього блоку можуть подаватись вибірково в різноманітних комбінаціях.
Блок вихідної обробки представляє собою вихідні підсилювачі з регуляторами їх параметрів. Він складається з двох каналів: головного вихідного каналу, та каналу навушників. На канал навушників може подаватися сигнал з шини змішування каналу навушників або з шини змішування головного каналу.
На виході блоку вихідної обробки рівень сигналу головного каналу контролюється графічним індикатором. Вихід цього каналу розділяється на вихід головний, та вихід монітору.
Рис. 2.1
-
Структурна схема пристрою.
Структурна схема пристрою зображена на рис. 2.2.
Пристрій складається з сукупності пяти трактів обробки звукового сигналу, 1 – 4 на 2 стерео входи та 5 канал мікрофону. Кожний тракт складається з попереднього підсилювача, еквалайзера та вихідного підсилювача тракту.
Виходи 6, 7 – це вигоди головного каналу, з них сигнал подається на акустичні системи, монітори та на звуко-записуючі прилади. Виходи 8 та 9 – це вихід на навушники.
Попередній підсилювач підсилює вхідний сигнал, який подається з звуковідтворюючих пристроїв до необхідного рівня. Рівень сигналу вибирається регулюючим резистором. Для зручності настройки, на виході цього каскаду встановлюється світло-діодний індикатор рівня сигналу (СДІ), за його допомогою легко бачити рівень сигналу в каналі.
Після попереднього підсилювача сигнал проходить еквалайзер (Е). Де регуляторами можливо вибирати підсилення або придушення частотних складових сигналу.
Вихідний сигнал еквалайзера подається на шину змішування проходячи регулятори гучності каналу та кроссфейдер.
Кроссфейдер – це стерео потенціометр з перехресним включенням. Таким чином при русі ручки кросфейдера в один з боків, опір одного стереоканалу буде зменшуватись, а другого одночасно збільшуватись.
Після кроссфейду сигнали потрапляють в блок змішування, де сигнали окремо змішуються для каналу навушників, та головного вихідного каналу. На виході цього блоку буде два стереоканали. Один головний, другий для навушників.
Вихідні сигнали підсилюються до необхідного рівня, який контролюється світло-діодними індикаторами і подається на виходи.
Рис. 2.2
Канал мікрофону не проходить кроссфейдер, він розділяється на два однакових канали і подається в блок змішування на шину головного сигналу, для складання з лівим і правим каналами головного вихідного сигналу.
Головний вихідний сигнал паралельно може також подаватись на навушники.
-
2.2 Опис електричної принципіальної схеми пристрою
Електрична схема пристрою складається за наступних блоків:
-
Попередній підсилювач акустичного сигналу звуковідтворювачів.
-
Попередній мікрофонний підсилювач.
-
П’яти смуговий еквалайзер.
-
Підсилювач, регулятор гучності акустичного сигналу звуковідтворювачів.
-
Підсилювач, регулятор гучності мікрофонного сигналу.
-
Змішувач, вихідний підсилювач.
-
Індикатор рівня сигналу (світлодіодний).
Розглянемо кожний з них окремо.
-
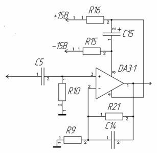
Попередній підсилювач акустичного сигналу звуковідтворювачів.
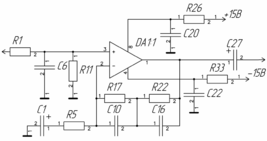
На рис 2.3 зображено електричну принципову схему попереднього підсилювача сигналу.
Рис. 2.3 - Попередній підсилювач сигналу
Схема базується на використанні операційного підсилювача в якості активного елемента. Операційний підсилювач використовується серії ВА4558. Серія цих операційних підсилювачів має велику розповсюдженість завдяки своїм характеристикам. Для використання в розробляєму пристої цей операційний підсилювач був використаний завдяки низькому рівні власного шуму.
Операційний підсилювач включений по схемі неінвертуючого підсилювача з негативним зворотнім зв’язком. Зворотній зв'язок в операційних підсилювачах характеризує параметри підсилення та частотні характеристики схем в яких використовуються. В даній схемі елементи зворотного зв’язку підібрані таким чином, щоб проводилася частотна корекція вхідного сигналу акустичних відтворювачів.
Схема має наступні технічні характеристики:
| Діапазон відтворюючих частот, Гц | 20-20000 |
| Відношення сигнал\шум, дБ, не меньше | 80 |
| Номінальна вхідна напруга, В | 0,25 |
| Коеффіцієнт гармонік в номінальному частотному діапазоні, %, не більше | 0,05 |
-
Попередній мікрофонний підсилювач.
На рис 2.4. зображено мікрофонний підсилювач.
Рис 2.4 - Попередній мікрофонний підсилювач
Він має наступні технічні характеристики:
| Номінальна вхідна напруга, мВ | 1 |
| Номінальна вихідна напруга, мВ | 100 |
| Відношення сигнаш\шум, дБ | 60 |
| Рабочій діапазон частот, Гц | 20-20000 |
| Коефіціент гармонік, % | 0,05 |
| Максимальна вихідна напруга, В | 7 |
| Вхідний опір, кОм | 1 |
Мікрофонні підсилювачі використовуються для підсилення сигналів, маючих низьке значення напруги (0,2-2 мВ), до рівня 0,1-0,3 В.
Значення ЕРС на виході мікрофону дуже низьке, тому необхідно забезпечити в мікрофонному підсилювачі мінімальний рівень шумів, приведений до входу.
Ще одна вимога до мікрофонного підсилювача – це необхідність мати запас по перевантаженню не менше 26 дБ, що зменшує вірогідність появи значних нелінійних спотворень підсилює мого сигналу.
Для забезпечення описаних потреб був використаний операційний підсилювач, тому що операційні підсилювачі мають значні показники надійності, дуже низькі значення рівня шумів, прості в експлуатації.
Операційний підсилювач серії ВА4558 (Uвх.шума = 1 мкВ) включений по схемі неінвертуючого підсилювача з негативним зворотнім зв’язком, підібраним таким чином, щоб проходила відповідна корекція частотних характеристик мікрофонного сигналу: зменшення високих частот для рівномірної частотної характеристики підсилювача.
-
П’яти смуговий еквалайзер
Еквалайзер виготовлений на базі мікросхеми СХА135AS фірми SONY. Схема підключення мікросхеми зображена на рис. 2.5, вона рекомендована фірмою SONY для мікросхем СХА135AS. Регулятор балансу та гучності за ненадобністю достатньо зробити на підстроючому резисторі або на постійному резисторі, зафіксував максимальне значення гучності, та оптимальне значення балансу.
Схема має наступні технічні характеристики:
| Напруга живлення, В | 4-10 |
| Струм споживання, мА | 8 |
| Діапазон регулювання, дБ | -12 +14 |
| Діпазон регулювання гучності, дБ | 94 – 0 |
| Діапазон регулювання баланса, дБ | 66 – 0 |
| Коефіцієнт гармонік,% | 0,25 |
| Відношення сигнал\шум, дБ | 93 |
Напруга живлення мікросхеми еквалайзеру 4 – 10 В, наприклад стандарт – 9 В, напруга живлення всіх інших мікросхем в приладі – ±15В. Недоцільно робити додатковий блок живлення на 9В, тому живлення буде подаватись на мікросхему через резистор ний дільник, який буде зменшувати напругу живлення мікросхеми СХА135AS до необхідного рівня.
Рис. 2.5 - Еквалайзер п’яти смуговий
-
Змішувач акустичного сигналу.
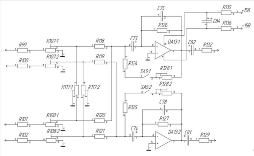
На рис. 2.6. зображено акустичний змішувач двох стерео-сигналів.
Сам змішувач складається з резисторів R99 – R121, де R 107 та R108 регулятори гучності першого та другого каналів відповідно, а R117 – кроссфейдер.
Принцип роботи змішувача такий: на резисторах сигнал падає до низького рівня і після резисторів накладається один на одного, після цього отриманий змішаний сигнал низького рівня подається на підсилювач звукової частоти, де підсилюється до необхідного робочого рівня. Завдяки низьким рвням сигналів при змішуванні взаємний вплив сигналів різних каналів дуже низький, тому змішувач має добру розв’язку по каналам.
Вихідний підсилювач змішувача зроблений на базі операційного підсилювача включеного по схемі інвертуючого підсилювача, у такого підсилювача. Для змінювання коефіцієнту передачі підсилювача в зворотній зв'язок можливо вмикати змінний резистор.
Рис. 2.6 - Змішувач акустичного сигналу
-
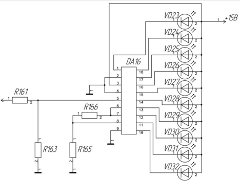
Індикатор рівня сигналу (світлодіодний).
На рис 2.7 зображена схема світлодіодного індикатора рівня сигналу на 10 світлодіодах. Індикатор зроблений на мікросхемі LM3915, її напруга живлення 3 – 20 В. Максимальне значення вхідної напруги – 1,3 В, що відповідає акустичному сигналу. Світлодіоди з 1го по 6-ий повинні бути зеленими або синіми, 7,8 – жовтими, 9,10 – червоними.
На вхід подається сигнал паралельно з головним шляхом сигналу з виходів вихідних підсилюючіх каскадів.
Робочій рівень вхідного сигналу мікросхеми вибирається резисторним дільником напруги R161 R163.
Рис. 2.7 - Світлодіодний індикатор рівня сигналу
-
2.3 Вимоги до електричних параметрів функціональних вузлів
Мікшерний пульт складається з декількох функціональних вузлів, всі вони повинні бути за можливістю малошумлячими, та мати малий коефіцієнт нелінійних спотворень для збільшення відношення сигнал шум. Не повинно бути в пристрої сильно випромінюючіх елементів, щоб зменшити вплив випромінювання на якість сигналу, та зменшити рівень шумів пристрою.
Для уніфікації та зручності всі блоки повинні мати однакову напругу живлення, щоб не робити для кожного блоку окремі блоки живлення.
Такі вузли, як вхідні підсилювачі, повинні бути витривалі до перавантажень порядку 20 дБ.
Вузел змішування сигналів повинен бути мало залежний від параметрів вхідного опору, щоб різкі зміни параметрів сигналу одного каналу не відображались на сигналах інших каналів. Це дасть добру розвязку між каналами.
В пристрої, для регулювання загального рівня сигналів каналу, та в кросфейдері, будуть використовуватись повзункові резистори (потенціометри). Це необхідно для зручного та наглядного керування гучності та співвідношення потужності каналів. Вони повинні бути якісні, щоб не виникало шумів та різких звуків при регулюванні.
















