63594 (588988), страница 3
Текст из файла (страница 3)
3. Розробка та обґрунтування конструкції пристрою
-
3.1 Обґрунтування вибору конструкції
Проектуємий пристрій представляє собою, перше за все, пульт керування. Оператор, завдяки такому пульту, буде здійснювати різноманітні маніпуляції з звуковими сигналами. Тому особливу увагу, при розробці конструкції пристрою, треба приділяти питанням ергономіки, щоб у пристрою був інтуїтивно зрозумілий інтерфейс, всі органи керування були легко доступні та не заважали один одному.
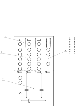
Так як проектуємий пристрій – пульт, панель органів керування буде зверху пристрою, як зображено на рис. 3.1.
Рис. 3.1 - Загальний вигляд корпуса мікшерного пульта
Вхідна, вихідна та ін. комутація буде знаходитись на задній панелі, це сигнальні вхідні та вихідні роз`єми, роз`єми живлення. Виняток – вихідний роз`єм для навушників, він повинен знаходитись або на панелі органів керування, але так, щоб не заважати легкому доступу о всіх органів керування, або на передній панелі.
Такий варіант конструкції продиктований тим, що пристрій не використовується сам по собі, а використовується разом з іншою апаратурою утворюючи цілу систему. Тому загальна конструкція не повинна кардинально відрізнятись від інших пристроїв для зручного збирання системи. Ця система не є стаціонарною, вона збирається перед використання, та розбирається після закінчення роботи. Загальний вигляд системи в якій буде використовуватись проектує мий пристрій зображена на рис. 3.2.
Рис. 3.2 - Загальний вигляд системи в якій використовується пульт
Всі компоненти системи розміщуються на столі, підєднуються один до одного сигнальними кабелями, підводяться кабелі живлення та вихідні сигнальні кабелі, тому зручно коли вони всі знаходяться позаду приладів. Їх легко збирати та розбирати, та вони не будуть заважати при роботі.
Мікшер не повинен сильно перевищувати висоту сусідніх приладів, та не бути набагато тоншим за них. Оптимальний варіант, це коли всі пристрої будуть однакової висоти. Так як на висоту таких пристроїв нема стандартів, і на стадії проектування невідомо з яким саме обладнанням буде використовуватись наш пристрій, то орієнтуватись треба на середнє значення висоти випускаємого обладнання, це 7-10 см.
Для зменшення впливу зовнішніх факторів на мікшер, для уникнення наводок, для зменшення вірогідності факторів викликаючи збільшення рівня шуму та погіршення якості сигналу, а також для збільшення міцності приладу та надійності корпус матеріалу буде металевий.
3.2 Компоновка передньої панелі пристрою. Урахування вимог ергономіки
Як було сказано, питанням ергономіки в проектуванні пристрою виділяється багато уваги, тому що для конструкції пульта це питання є одне з най головних. Від варіанту розташування компонентів керування буде сильно залежати компонування пристрою на блоки, та розміщення цих блоків в корпусі.
Загальна схема розташування органів керування має доволі стандартизований вигляд в усіх аналогічних пристроїв, вона зображена на рис. 3.3.
Рис. 3.3 - Зони для розташування органів керування
Площа панелі для органів керування розбивається на зони розділені на групи по призначенню:
-
Керування, підстройка вхідного сигналу, вибір режиму роботи входу: лінійний вхід, підсилення вхідного сигналу на попередньому підсилювачі, рівня вхідного сигналу.
-
Регулювання тембру сигналу (еквалайзер).
-
Міксування каналів: вибір гучності кожного каналу, вибір каналів для виведення на навушники, вибір процентного вмісту каналів в вихідному сигналі.
-
Регулювання сигналу виводимого на навушники.
-
Регулювання параметрів головного вихідного сигналу: гучність, баланс, гучність та баланс монітору.
З урахуванням розмірів використаних радіо-компонентів, та вимог ергономіки скомпонована панель керування буде мати вигляд рис. 3.4.
Рис. 3.4 - Вигляд панелі керування мікшерного пульта
-
Керування вхідними сигналами, індикація вхідних сигналів.
-
Еквалайзер
-
Керування змішуванням сигналів
-
Настройка вихідного сигналу, індикація його рівня.
Згідно схеми розташування органів керування можна розбити проектуємий пристрій на конструктивно-функціональні вузли.
3.3 Компоновка конструктивно-функціональних вузлів
В вибраному варіанті корпусу з горизонтальним розміщенням плат можливо зробити все на одній платі, або розбити на блоки, функціональні вузли.
Робити весь прилад на одній друкованій платі досить не ефективно, та не вигідно. Це призведе до її громіздкості, складності трасування, зменшення надійності, збільшенні витрат на виготовлення, а це в свою чергу зробить більшу ціну пристрою, зменшить його надійність та ускладнить можливий ремонт.
Щоб запобігти цім проблемам розіб’ємо плату на блоки.
Розбиття та спосіб розміщення в корпусі функціональних вузлів прямо залежить від передньої панелі пристрою, тому що передня панель має велику вагу в розробці приладу. В залежності від панелі пристрій розділено на функціональні вузли наступним чином:
-
блок вхідних каскадів
-
блок корекції тембру
-
блок змішування
-
блок вихідних каскадів
-
блок живлення
Схема розміщення вузлів в корпусі показана на рис. 3.5.
Рис. 3.5 - Схема розміщення функціональних вузлів в корпусі пристрою
Таким чином пристрій буде складатись з п’яти друкованих вузлів з’єднаних шлейфами та дротами. Далі блоки будуть нумеруватись А1, А2… А5 відповідно.
-
3.4 Розробка топології і конструкторсько-технологічні розрахунки плати
Розглянемо розрахунок елементів провідникового малюнку з врахуванням технології виготовлення друкованої плати.
Сторони прямокутної друкованої плати розташовані паралельно лініям координатної сітки. Оскільки в пристрої використовуються елементи з відстанями між виводами 2,54 мм, 1,76мм та 1,0 мм, то будемо використовувати координатну сітку з кроком дорівнюючим найменшому кратному дільнику цих трьох чисел, таким чином крок координатної сітки буде дорівнювати 0,04 мм. Провідниковий малюнок і отвори наноситься точно по координатній сітці. Базу координат зазвичай вибирають в лівому нижньому куту. Елементи провідникового малюнка розташовують від краю плати, або не металізованого отвору (діаметром більше 1.5 мм), на відстані не менше товщини плати.
-
Визначення розмірів друкованої плати.
Плати А2, А3, А4, А5, виходячи з компонування передньої панелі, мають габаритні розміри набагато більше необхідного мінімума для розташування на ній всіх елементів, та розведення плати, тому проблем розведенням цих плат не виникає. Під плату А1 виділено не багато місця, тому для неї доцільно зробити розрахунки мінімально необхідного розміру плати.
-
Розрахунок площі елементів
Під площею елемента розуміється площа самого елемента плюс площа необхідна для трасування.
Площа і-того елемента розраховується за формулою:
,
де a та b – габаритні розміри елемента; m – коефіцієнт, що залежить від складності плати (0.85…0.9), беремо 0.9; n = 0.2; K – кількість виводів елемента;Kз - кількість задіяних виводів елемента.
А1:
-
Розрахунок площі плати
,
де
- площа і-того елемента; Kщ – коефіцієнт щільності розташування, що залежить від складності плати (0.8…1), беремо 0.9.
Вибираємо плату розміром 128х58мм.
Ці розміри – це мінімально необхідні розміри плати для того, щоб розмістити на ній елементи, та провести трасування.
-
Розрахунок розмірів контактних площадок та ширини провідників.
-
Визначення ширини провідників
Розрахуємо номінальне значення ширини провідника t:
t - номінальне значення ширини провідника:
- нижнє граничне відхилення провідника (для друкованих плат другого класу точності
= 1 мм. [1, ст. 302, таб.12.6].
Де -
максимальний струм, протікаючий по провіднику (для нашого пристрою
не більше 100мА); jмax - максимально допустима густина струму (для нашого пристрою jмax =25A/мм2; hф - товщина фольги (hф = 0.035 мм).
Номінальне значення ширини провідника:
t = 0,114 + 0,1 = 0,214 мм
Для плати другого класу точності номінальне значення провідника дорівнює 0.25 мм.
Ширина провідника визначається з урахуванням густини струму яка проходить через провідник ( 20А/мм2.) і струму, що проходить через провідник.
Також ширина провідника обмежується знизу методом виготовлення плати.
Визначимо ширину провідника за наступною формулою:
де, I – величина струму, I=0,15А.
-
Визначення ширини зазорів між провідниками
Величину зазорів вибираємо з точки зору технології 0.3мм (хімічний метод), оскільки великих напруг на платі між провідниками нема.
-
Визначення типу і розмірів контактних площадок
Номінальне значення діаметру монтажного отвору, для всіх елементів (крім SMD) розраховують за формулою:
- максимальне значення діаметру виводу;
- різниця між мінімальним значенням діаметру виводу;
















