63554 (588984), страница 5
Текст из файла (страница 5)
(4.2.1)
Рассчитаем относительное характеристическое сопротивление
(4.2.2)
(4.2.3)
(4.2.4)
Определим допустимые значения паразитных параметров Cn и Lд
(4.2.5)
Индуктивность дросселя запишется, как
(4.2.6)
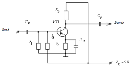
В состав управляемого генератора входит широкополосный усилитель собранный на транзисторе КТ361Г.
Параметры для расчёта: Rвых=46 кОм; Rвх=6.25 кОм; Ек=9 В; Ск=7 пФ;
Iк=1 мА; S=25 мА/В; V=4
Определяем максимально допустимый коэффициент усиления;
(4.2.7)
Эквивалентное сопротивление нагрузки:
кОм (4.2.8)
Величина сопротивления в цепи коллектора;
См (4.2.9)
кОм, т.е.
Ом
Реальное эквивалентное сопротивление:
См (4.2.10)
кОм
Коэффициент усиления усилителя:
(4.2.11)
Задавшись величиной напряжения
В,
определяем сопротивление термокомпенсации:
(4.2.12)
Определяем сопротивления делителя:
кОм; (4.2.13)
кОм. (4.2.14)
Ёмкость в цепи эмиттера:
пФ,
и из стандартного ряда выбираем
пФ.
Определяем входное сопротивление усилителя:
См (4.2.15)
кОм
Разделительная ёмкость:
, т.е.
пФ. (4.2.16)
Схема широкополосного усилителя представлена на рис.4.2.1
Рис. 4.2.1 Схема широкополосного усилителя
4.3 Электрический расчёт сумматора
В этом устройстве сумматор представлен в виде широкополосного трансформатора. Для оптимального использования полоса его рабочих частот должна быть выбрана несколько больше ширины спектра сигнала. Обмотки трансформатора размещаются на тороидальном сердечнике из феррита, обладающем соответствующими частотными и мощностными свойствами с относительно высокой начальной магнитной проницаемостью
и высоким коэффициентом индуктивности
.
Тщательный выбор размеров трансформатора приводит к тому, что вносимое им затухание
будет менее 0.8 дБ, как правило, 0.3-0.6 дБ, реже 0.1-0.3 дБ при сопротивлениях
Ом, на частотах
МГц. При этом коэффициент стоячей волны (КСВ) не превышает 1.25 (s 1.25).
Нужно заметить, что этот трансформатор позволяет получить желаемый коэффициент трансформации, значение которого может выбираться в широких пределах. Полоса рабочих частот составляет около пяти октав при сопротивлениях
250 Ом. На более высоких частотах следует учитывать ухудшение коэффициента трансформации и уменьшения полосы пропускания, вызванные влиянием паразитной распределённой ёмкостной связи, а также значительное увеличение вносимого затухания.
Эквивалентная электрическая схема и расположение обмоток на тороидальных сердечниках трансформатора приведена на рис.4.3.1.
Обмотки трансформаторов выполнены скрученными между собой проводами с целью получения оптимального коэффициента связи.
Рис. 4.3.1 Эквивалентная электрическая схема трансформатора
При разработке трансформатора использовалось два ферритовых кольца (внешний диаметр d1=24 мм, внутренний d2=18 мм), медный провод сечением S=0.4 мм, R1=100 Ом, R2=75 Ом, количество витков N=15 (получено экспериментально).
4.4 Расчёт широкополосного усилителя
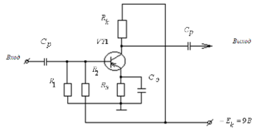
В состав управляемого генератора входит широкополосный усилитель собранный на транзисторе КТ361Г.
Параметры для расчёта: Rвых=46 кОм; Rвх=6.25 кОм; Ек=9 В; Ск=7 пФ;
Iк=1 мА; S=25 мА/В; V=4
Определяем максимально допустимый коэффициент усиления;
Эквивалентное сопротивление нагрузки:
кОм
Величина сопротивления в цепи коллектора;
См
кОм, т.е.
Ом
Реальное эквивалентное сопротивление:
См
кОм
Коэффициент усиления усилителя:
Задавшись величиной напряжения
В, определяем сопротивление термокомпенсации:
Определяем сопротивления делителя:
кОм;
кОм.
Ёмкость в цепи эмиттера:
пФ,
и из стандартного ряда выбираем
пФ.
Определяем входное сопротивление усилителя:
См
кОм
Разделительная ёмкость:
, т.е.
пФ.
Схема широкополосного усилителя представлена на рис.4.3
Рис. 4.3 Схема широкополосного усилителя
4.5 Двухсигнальная избирательность
Параметр избирательности по соседнему каналу даёт представление о том, насколько приёмник может противостоять появлению на его выходе побочных каналов приёма, не соответствующих частоте настройки. Однако он далеко не полностью отвечает на вопрос о том, насколько защищён приёмник от помех других радиостанций в то время, когда он принимает полезный сигнал. Этот вопрос решается измерением параметров двухсигнальной избирательности. При таких измерениях на вход подают полезный и мешающий сигналы и определяется входное напряжение модулированного мешающего сигнала, при котором его действие становится ощутимым (обычно за критерий принимают отношение сигнал/помеха на выходе равное 20 дб).
Двухсигнальная избирательность в отличии от односигнальной зависит от ряда дополнительных свойств приёмного тракта. К таким свойствам прежде всего относятся нелинейные эффекты взаимодействия полезного и мешающего сигналов, подавительные свойства детектора.
Слушатель, купивший РПУ, предъявляет к нему ряд требований. Он хочет прежде всего, чтобы его приёмник позволял принимать большое число станций. Обычно радиослушатель квалифицирует это свойство, как чувствительность приёмника, хотя, как будет видно дальше, это не совсем верно. Он хочет, чтобы радиостанции принимались «чисто», с минимальным количеством посторонних помех.
Выпускаемые в стране РПУ должны соответствовать по конструкции и нормам ГОСТ 5651-82 «Устройства радиоприёмные бытовые. Общие технические условия». Требования этого ГОСТ обеспечивают сопряжение радиовещательных приёмников с передающей сетью (диапазоны принимаемых частот, чувствительность, избирательность) и, кроме того, гарантируют определённое качество приёма, в частности качество звучания.
5. Разработка конструкции печатной платы
Под конструктивным расчетом печатной платы понимается расчет геометрических размеров платы, компоновка радиодеталей на плате, выбор материала платы и др.
В данном дипломном проекте необходимо произвести расчет платы управляемого генератора. В начале произведем расчет предполагаемой площади и геометрических размеров, затем выберем материал печатной платы, и произведем разводку. Для расчета площади платы необходимо подсчитать количество компонентов каждого класса, определить геометрические размеры этой платы.
По размещению проводящего рисунка печатные платы делятся на односторонние, двусторонние и многослойные.
Односторонняя печатная плата проста по конструкции и несложна в изготовлении, и идеально подходит для нашего устройства.
В качестве основного материала для печатных плат используется фольгированные и нефольгированные листовые диэлектрики. Исходными для изготовления фольгированных диэлектриков могут быть бумага или стеклоткань, пропитанные синтетическими смолами или полимерные пленки из лавсана, фторопласта. На поверхность этих материалов приклеивается металлическая фольга.
В качестве материала для печатной платы выберем стеклотекстолит фольгированный СТФ - 2 со следующими параметрами: толщина фольги 35 мкм, толщина материала с фольгой 2 мм, прочность сцепления 450 гс/3 мм.
Размещение элементов конструкции печатной платы регламентируется условной координатной сеткой из двух взаимно перпендикулярных систем параллельных линий, расположенных на одинаковом ( 2.5 мм или 1.25 мм) расстоянии друг от друга. Центры монтажных отверстий и контактных площадок под выводы навесных радиоэлементов располагают в узлах координатной сетки.
Расчет размеров печатной платы произведем по формуле:
Sэ = k*(S1 + S2) (5.1)
где Sэ-суммарная площадь элементов;
S1-площадь малых элементов;
S2-площадь больших элементов; k - коэффициент плотности.
Для определения суммарной площади определим количество элементов.
Таблица 5.1
| Наименование | Кол-во элементов, шт | Площадь элемента, см2 |
| РЕЗИСТОРЫ | 19 | 0.4 |
| КОНДЕНСАТОРЫ | 9 | 0.3 |
| ДИОДЫ | 3 | 0.4 |
| ДРОССЕЛИ | 1 | 5.5 |
| ТРАНЗИСТОРЫ | 3 | 0.6 |
| МИКРОСХЕМЫ | 1 | 1.5 |
S1=190,4+90,3+30,4+30,6=13,3 см2
S2=5,5+30,6+31,5=11,8 см2
К=12 , (Монтаж односторонний при средней плотности)
Sэ=4(13,3+11,8)=100,4 см2
Печатная плата разведена вручную, элементы размещались на площади 75:110 мм. Перед разводкой произведена компоновка отдельных узлов с целью обеспечения электромагнитной совместимости. Слабосигнальные цепи располагаются удаленно от цепей питания и каскадов, которые могут влиять на них. При разводке минимизировалась длина проводников.
В результате конструктивного расчета получили, что устройство будет располагаться на односторонней стеклотекстолитовой фольгированной плате размерами 75х110 мм.
Вид печатной платы со стороны деталей изображен на чертеже «Конструкция печатной платы».
6. Технико-экономическое обоснование проекта
















