63554 (588984), страница 4
Текст из файла (страница 4)
были максимальными, причём частота колебаний минимальна. Затем значение RL уменьшается и приводит к увеличению амплитуды колебаний генератора, а следовательно, к повышению напряжения усилителя 2, амплитудного детектора 3 и увеличению тока УПТ 4 Тип и полярность включения управителя 6 выбрано такими, чтобы увеличение тока УПТ приводило к увеличению сопротивления управителя переменному току, уменьшению амплитуды колебаний до первоначального значения и увеличению их частоты. Дальнейшее уменьшение значения сопротивления RL приводит к еще большему повышению частоты, причём описанный процесс продолжается до тех пор, пока частота колебаний генератора не достигнет верхней границы диапазона перестройки.
Принципиальная схема генератора плавного диапазона, в которой реализуется согласованная настройка резистивных управителей частоты, показана в приложении. Генератор выполнен на ТД типа ГИ103Б (Д2). Номиналы элементов схемы рассчитаны в пункте 5.2, и указаны на схеме. Функции резистивных управителей частоты выполняют реостат R1 и точечный полупроводниковый диод Д1. Использование реостата R1 в качестве ведущего управителя частоты удобно при выполнении измерений в дискретных точках диапазона. На ТД подается напряжение смещения Uсм=170 мВ, соответствующее значению
Ом.
Шунтирование реостата R1 дросселем L1 обеспечивает стабилизацию смещения на ТД при регулировке реостата.
Система автоматической подстройки дифференциального сопротивления диода Д1 при регулировке реостата R1 содержит: широкополосный усилитель, собранный на транзисторах Т1 и Т2; амплитудный детектор, выполненный на диодах Д3 и Д4; УПТ на интегральной микросхеме А1 (операционный усилитель типа К1УТ401А) и транзистор Т3. Для обеспечения функционирования устройства в соответствии с описанным выше принципом при его настройке необходимо учитывать следующие факторы: для реализации выбранного закона перестройки частоты, характеристика амплитудного детектора должна быть такой, чтобы увеличение амплитуды колебаний генератора (а, следовательно, и выходного напряжения усилительного каскада на Т2) приводило к уменьшению выпрямленного тока и наоборот; для обеспечения минимальных нелинейных искажений широкополосный усилитель должен работать в режиме класса А и его АЧХ должна иметь минимальную неравномерность в диапазоне перестройки частоты; коэффициенты усиления усилительных каскадов и постоянная времени амплитудного детектора должны выбираться с учетом комплекса технических требований по обеспечению высокой скорости перестройки частоты в наиболее широком диапазоне при устойчивой работе системы автоподстройки управителя частоты.
В описанной схеме коэффициент усиления широкополосного усилителя по напряжению Ки =40 дБ, причём напряжение практически не отличается от синусоидального в полосе перестройки частоты 3,95—24,6 МГц. В процессе перестройки дифференциальное сопротивление диода Д1 изменяется от 3 до 100 Ом, что соответствует изменению напряжения на диоде от 07 до 0,25 В.
Для работы устройства в режиме генератора качающейся частоты вместо реостата R1 в схеме на рис. 21 следует использовать полупроводниковые резисторы (см. § 4) с соответствующими источниками управляющего напряжения или тока. При этом могут наблюдаться снижение устойчивости работы системы авторегулирования, сужение частотного диапазона и повышение нелинейных искажений. Устранение этих недостатков обеспечивается путём подстройки режима системы авторегулирования с помощью реостатов R13, R15 и коррекции сигналов, используемых для перестройки управителей частоты.
В описанном устройстве, а также в генераторах, выполненных по другим схемам (см. табл. 2), при понижении и повышении центральной частоты наблюдается соответственно расширение и сужение диапазона перестройки. Это подтверждает теоретические выводы относительно ограничивающего влияния реактивностей негатронов на диапазон перестройки частоты (см. § 8). Поэтому при создании высокочастотных генераторов с перестройкой частоты по методу СНУЧ целесообразно применять наиболее высокочастотные из современных негатронов: ТД, ИПД, ЛПД, ДГ [ ] в сочетании с полупроводниковыми управляющими устройствами, используемыми в диапазоне СВЧ [ ].
При этом следует учитывать особенности физических процессов в генераторах на негатронах с динамическим отрицательным сопротивлением. Так, ДГ ведут себя как устойчивые отрицательные сопротивления при работе в режимах с подавлением домена и ограниченным накоплением объемного заряда [ и др.]. Такие режимы возникают в генераторах, у которых добротность колебательной системы настолько велика, что амплитуда колебаний высокочастотного напряжения на ДГ может оказаться соизмеримой с напряжением питания или его превышать. Поэтому в генераторах на ДГ согласованная настройка управителей частоты должна осуществляться таким образом, чтобы добротность колебательной системы понижалась незначительно. Для реализации такой перестройки можно, например, рекомендовать регулировку связи генератора с нагрузкой и соответствующее изменение тока подмагничивания магнитной системы ЖИГ, имеющей острую резонансную кривую [ ].
В генераторах на ЛПД наиболее простым способом реализации метода СНУЧ представляется регулировка связи генератора с нагрузкой и соответствующее изменение тока питания диода [ ].
Отметим, что в СВЧ генераторах с автоматической электронной настройкой управителей частоты и усиление, и детектирование колебаний могут выполняться в каскадах, собранных на негатронах [ ], т.е. существует принципиальная возможность реализации генераторов плавного диапазона на негатронах.
4. Электрический расчёт
4.1 Электрический расчёт аттенюатора
Аттенюатором (ослабителем) называется устройство, предназначенное для уменьшения (ослабления) в требуемое число раз электрической мощности, а следовательно, напряжения и тока, поступающих от источника сигнала в нагрузку.
Установка необходимой величины затухания аттенюатора производится переключением звеньев, каждое из которых представляет собой П-образное звено. Группа звеньев применяется вместо одного звена для уменьшения частотной погрешности затухания при большом затухании в звене. Дополнительным источником частотной погрешности затухания аттенюатора является ёмкостные связи между его входом и выходом, а также между отдельными звеньями. Эти связи приводят к уменьшению затухания с увеличением частоты и проявляется тем сильнее, чем больше величина затухания, установленная на аттенюаторе. Для устранения этих связей производится установка звеньев в отдельные отсеки или разделение звена экранирующей перегородкой. Затухание аттенюатора определяется суммой затуханий включённых звеньев.
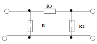
Для построения звеньев, оптимальным является выбор металлоплёначных резисторов с сопротивлениями 50…250 Ом и мощностью рассеивания 03…05 Вт. Реактивные составляющие элементов аттенюатора нужно учитывать, как правило, на частотах свыше 30 МГц. В высокочастотной области необходимо избегать применения аттенюаторов с затуханием >30 дб, а большее значение затухания следует обеспечить с помощью каскадного соединения нескольких звеньев; сопротивления 250 Ом рекомендуется «набирать» путём соединения (параллельного или последовательного соответственно) нескольких резисторов с номиналами (желательно различными), попадающими в область оптимальных значений. На Рис.4.1 изображено одно из звеньев аттенюатора.
Рис. 4.1 П-образное звено аттенюатора
Расчёт резисторов будет рассчитываться по формулам;
Так как аттенюатор симметричный, то r1=r2, отсюда следует, что R1=R2
Затухание a должно быть представлено в Нп.
1.Рассчитаем номиналы R1,R2,R3 для случая когда
a=1дБ=0.115Нп
Нп
Ом
Ом
Ом
Ом
2.
Нп
Ом
Ом
3.
Нп
Ом
Ом
Нп
Ом
Ом
Нп
Ом
Ом
6.
Нп
Ом
Ом
Нп
Ом
Ом
4.2 Электрический расчёт управляемого генератора
Современный генератор синусоидальных колебаний с электронной перестройкой частоты представляет собой достаточно сложное устройство, эффективность которого зависит от большого числа показателей. Определённые успехи в совершенствовании генераторов, работающих в интервале от коротких до миллиметровых волн, связаны с разработкой новых полупроводниковых приборов с отрицательным (негативным) дифференциальным сопротивлением – негатронов.
Проектирование диапазонного генератора на негатроне (ДГН), как и любой системы состоит из двух основных этапов, первый из которых предполагает обоснование исходных данных (технического задания) для проектирования, а второй - разработку ДГН, удовлетворяющего требованиям технического задания.
Расчёт диапазонных характеристик генератора
Для расчёта L и C воспользуемся выражением
















