63476 (588976), страница 3
Текст из файла (страница 3)
Аппаратуру и оборудование для систем передачи SDH предлагают многие известные фирмы-изготовители, такие как «Alcatel», «Siemens», «Nortel», «Huawei» и другие. Практически все производители представлены на российском рынке.
Воспользуемся услугами фирмы «Huawei» и остановим выбор на мультиплексоре Optix OSN 3500.
Оборудование Optix OSN 3500 фирмы «Huawei» предназначено для организации по одному линейному тракту 30240 каналов ТЧ или ОЦК (основной цифровой канал) с тактовой частотой 2488 МГц.
Мультиплексор Optix OSN 3500 является компактным мультиплексором SDH уровня STM-16. Возможно использование данной системы в режимах мультиплексора ввода/вывода, оконечного (терминального) мультиплексора, регенератора.
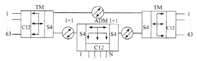
Для организации связи на проектируемом участке используем топологию «линейная цепь» и «плоское кольцо». «Линейная цепь» – это линейная последовательность мультиплексоров, из которых два оконечных, а остальные ввода/вывода.
На рисунке 4.1 приведена схема соединения «Линейная цепь».
Рисунок 4.1 – Схема соединения «Линейная цепь»
Оконечный (терминальный) мультиплексор (Terminal Multiplexer - TM) –оконечное устройство сети с некоторым числом каналов доступа и одним или двумя оптическими входами/выходами, называемыми агрегатными портами или интерфейсами.
Соединение «плоское кольцо» - рисунок 4.2.
Рисунок 4.2–Схема соединения «Плоское кольцо»
Сочетание элементарных топологий линейной структуры построения сети и с кольцевой топологией, позволяет реализовать архитектуру построения транспортных сетей SDH любой сложности и назначения.
Мультиплексоры ввода/вывода (Add/Drop Multiplexer - ADM) – осуществляют сквозную коммутацию потоков в обоих направлениях, поступающих с агрегатных портов, а так же позволяют вводить (Add)/выводить (Drop) отдельные цифровые компонентные сигналы. Мультиплексор имеет два или четыре агрегатных порта, к которым подключаются волоконно-оптические линии связи.
Терминальные мультиплексоры будут установлены в Кемерово и Новокузнецке, мультиплексоры ввода/вывода в городах Ленинск-Кузнецкий, Белово, Прокопьевск.
Для соединения волоконно-оптических кабелей, несущих сигнал STM-16 к удаленному сетевому элементу SDH, используются агрегатные интерфейсы.
Используем интерфейс на 1550 нм большой дальности действия. В таблице 4.1 приведены параметры оптического интерфейса.
Таблица 4.1 – Параметры оптического интерфейса
| Уровень SDH | STM-16 |
| Скорость передачи, кбит/с | 2488320 |
| Код интерфейса | L-16.2 |
| Рабочий диапазон, нм | 1530…1570 |
| Характеристики оптического передатчика (точка S) | |
| Источник излучения | Лазер DFP (SLM) |
| Ширина спектра излучения на уровне -20 дБм, нм | 0,5 |
| Минимальный коэффициент подавления боковой моды, дБ | 30 |
| Максимальная излучаемая мощность, дБм | 0 |
| Минимальная излучаемая мощность, дБм | -4 |
| Характеристики оптического приемника (точка R) | |
| Минимальная чувствительность, дБм | -26 |
| Максимальная перегрузка, дБм | -9 |
| Дополнительное затухание оптического тракта, дБ | 2 |
| Характеристики оптического тракта (между точками S и R) | |
| Диапазон оптического затухания, дБ | 9…20 |
| Дисперсия, пс/нм | 1400 |
| Допустимые потери в кабеле, дБ | 24 |
4.3 Выбор типа оптического кабеля
Развитие современных телекоммуникационных сетей России, как и во всем мире, базируется на использовании в качестве среды передачи оптических кабелей с одномодовыми оптическими волокнами.
Телекоммуникационные сети, построенные на основе применения оптических кабелей с одномодовыми оптическими волокнами, стали строиться, начиная с 1996 года. Кабельная промышленность России успешно осваивает внутренний рынок. Большинство кабельных заводов выпускает кабели широкой номенклатуры различного назначения (линейные, внутриобъектовые) и для различных условий прокладки и эксплуатации (подземные, подводные, подвесные, распределительные, станционные). На сегодняшний момент определены технические требования, которым должны удовлетворять оптические кабели различных производителей. С одной стороны эти требования направлены на унификацию конструкций и параметров оптического кабеля, с другой стороны – нацеливают производителей на выпуск широкой номенклатуры кабелей, позволяющей потребителю выбирать конструкцию кабеля под конкретные условия применения в различных регионах России.
Общее число волокон определяется исходя из емкости цифровых линейных трактов, необходимости их резервирования, а также иными соображениями (ответвления для зоновой и местной связи, аренда, технические нужды, и так далее). Тип кабеля определяется заданной длиной волны, допустимыми потерями и дисперсией, а также условиями прокладки (категорией грунта, наличием переходов через водные преграды). При выборе ОК следует, разумеется учитывать его стоимость, так как примерно 80% всех капитальных затрат на организацию сети связи уходи на приобретение кабеля и строительство ВОЛС.
В соответствии с «Техническими требованиями к оптическим кабелям связи, предназначенными для применения на взаимоувязанной сети Российской федерации» оптические кабели связи должны удовлетворять следующим требованиям:
- герметичность и влагостойкость;
- механическая защита;
- стойкость к избыточному гидростатическому давлению;
- защита от грызунов.
Оптические кабели вне зависимости от условий применения должны выдерживать циклическую смену температур, от низкой до высокой рабочей температуры.
Учитывая трассовые и грунтовые условия местности, на проектируемом участке, используем оптический кабель производимый ЗАО «Москабель-Фуджикура» ОМЗКГМ-10-01-0,22-24(7,0).
Компания располагает современным технологическим оборудованием швейцарской фирмы «Swisscab». В производстве используются материалы ведущих зарубежных и отечественных фирм.
Приведем расшифровку кабеля:
Оптические кабели марки ОМЗКГМ предназначены для прокладки в кабельной канализации, трубах, блоках, коллекторах, в грунтах всех категорий, кроме подверженных мерзлотным деформациям, через водные преграды, неглубокие болота и несудоходные реки.
Допустимая температура эксплуатации от минус 40 до плюс 60˚С.
В таблице 4.2 приведены характеристики кабеля ОМЗКГМ-10-01-0,22-24.
Таблица 4.2 – Характеристики кабеля ОМЗКГМ-10-01-0,22-24(7,0)
| Параметр | Значение |
| Оптическое волокно | Одномодовое |
| Количество ОВ | 24 |
| Диаметр кабеля, мм | 12,9…20,8 |
| Масса, кг/км | 258…859 |
| Коэффициент затухания на длине волны 1,55 мкм, дБ/км | 0,22, не более |
| Хроматическая дисперсия на длине волны 1,55 мкм, пс/нм∙км | 18, не более |
| Допустимое растягивающее усилие, кН | 7,0 |
| Допустимое раздавливающее усилие, кН/см | 0,6 |
| Срок службы, лет | 25, не менее |
| Строительная длина, м | 5000, не более |
5 Разработка структурной схемы организации связи
На схеме организации связи указываются оконечные пункты и транзитные пункты, где предусмотрено выделение, все мультиплексоры, установленные в этих пунктах, а так же соединения между ними.
Связь организуется по схеме «линейная цепь», с резервированием по схеме 1+1.
Исходя из рассчитанного числа потоков, на проектируемом участке необходимо организовать:
- для телефонии: 190 двухмегабитных потоков;
- для доступа в Internet: 316 двухмегабитных потоков.
Таким образом, на станции Кемерово организуется 506 двухмегабитных потоков, из которых в направлении:
Кемерово – Ленинск-Кузнецкий:
21Е1 – для телефонии, 10Е1 – для Internet;
Кемерово – Белово:
28Е1 – для телефонии, 10Е1 – для Internet;
Кемерово – Прокопьевск:
51Е1 – для телефонии, 20Е1 – для Internet;
Кемерово – Новокузнецк:
90Е1 – для телефонии, 276Е1 – для Internet.
Распределение нагрузки по сети указано на схеме организации связи, приведенной в Приложении Б.
6 Комплектация оборудования
Используя на центральном уровне матрицу кросс-коммутации SDH, оборудование OptiX OSN 3500 состоит из блока интерфейсов, блока SCC, блока обработки заголовков и вспомогательного блока интерфейсов. На рисунке 6.1 представлена структура системы OptiX OSN 3500. Функциональные и подчиненные платы соответствующих блоков приведены в таблице приложение В.
Рис. 6.1 – Конфигурация системы OptiX OSN 3500
Чтобы отвечать требованиям услуг разной емкости, OptiX OSN 3500 поддерживает работу различных плат: GXCS (с емкостью кросс-коммутации каналов высокого порядка: 35G и емкостью кросс-коммутации каналов низкого порядка:5G) и EXCS (с емкостью кросс-коммутации каналов высокого порядка: 60G и емкостью кросс-коммутации каналов низкого порядка:5G).
Мультиплексор OptiX OSN 3500 с двухрядным расположением модулей устанавливается в статив стандартизированный ETSI (2200мм х 600мм х 300мм), причем в одном стативе может быть размещено два мультиплексора OptiX OSN 3500 (730мм х 496мм х 295мм). Непосредственно на мультиплексоре все оптические выводы находятся на лицевой стороне оптических интерфейсных модулей. Подключение электрических интерфейсов, осуществляется в верхней части мультиплексора. На рисунке 6.2 показано распределение слотов оборудования OptiX OSN 3500. Платы обработки и платы интерфейсов располагаются в слотах как показано на рисунке 6.2 и в таблице 6.1.
Рисунок 6.2 – Размещение слотов оборудования OptiX OSN 3500
Ядром мультиплексора является не блокируемая, полнодоступная матрица временного коммутатора. Плата кросс-коммутации и синхронизации (EXCSA) обеспечивает кросс-коммутацию сигналов SDH и PDH и синхронизацию системы, слот 9 и 10, горячее резервирование 1+1.
Блок SCC – обеспечение интерфейса для соединения оборудования с системой сетевого управления и обработка сигналов SDH, слот 17 и 18, горячее резервирование 1+1.
Блок источника питания PIU обеспечивает доступ к источнику питания и защиту оборудования от скачков напряжения, слот 27 и 28, горячее резервирование 1+1.
Вспомогательная плата интерфейсов AUX обеспечивает различные интерфейсы для технического обслуживания: интерфейс RS-232 и интерфейс служебного телефона, слот 37.
Платы кросс-коммутации и синхронизации, плата сетевого управления, блок источника питания, вспомогательная плата интерфейсов являются неотъемлемой частью мультиплексора, комплектация мультиплексора остальными платами осуществляется от конкретного применения данного мультиплексора.
Поскольку в Кемерово необходимо осуществить ввод/вывод 190Е1, и 316Е1 Ethernet, то комплектация будет следующей:
-
две платы SL-16, платы оптического линейного тракта STM-16, интерфейс V-16.2, семь плат PQ1 63хЕ1, четыре рабочих, одна резервная;
-
одна плата EFS4, плата интерфейса Fast Ethernet 4 порта с коммутатором.
В Новокузнецке необходимо осуществить ввод/вывод 90Е1, и 276Е1 Ethernet, то комплектация будет следующей:
-
две платы SL-16, платы оптического линейного тракта STM-16, интерфейс V-16.2, платы оптического линейного тракта STM-4 интерфейс V-4.2, SL-4, две платы и три платы PQ1 63хЕ1;
-
одна плата EFS4, плата интерфейса Fast Ethernet 4 порта с коммутатором.
В Белово необходимо осуществить ввод/вывод 28Е1, и 10Е1 Ethernet, то комплектация будет следующей:
-
две платы SL-16, платы оптического линейного тракта STM-16, интерфейс V-16.2, плата оптического линейного тракта STM-4 интерфейс V-4.2, SL-4, плата STM-1 интерфейс V-1.2, SL-1L и четыре платы D12В 32хЕ1;
В Прокопьевске необходимо осуществить ввод/вывод 51Е1 , и 20Е1 Ethernet,
















