63176 (588906), страница 4
Текст из файла (страница 4)
БУ было решено сконструировать на базе макетной платы с полупечатью. Так как БУ должен содержать ряд достаточно сложных схем (ЦАП - 3 шт; источник питания ИП; генератор тока ГТ), размещение элементов которых непосредственно на плате представляет известную сложность из-за лимита площади, то эти устройства было решено выполнить в виде отдельных изделий (устройства А1 - А5), которые подключаются к базовой кассете.
При разработке схемы КИУ было принято во внимание функциональное назначение отдельных ее составных участков схемы. Особое внимание было уделено учету конструктивных особенностей измерительной головки. При этом были приняты во внимание вопросы развития и усовершенствования конструкции. Так как ИГ, с помощью которой реализуется принятый способ измерения, можно исключить при определении параметров широкого класса радиоэлементов (пассивные и активные, двухполюсники, в том числе 15 типов диодов; биполярные и полевые транзисторы различных структур; аналоговые ИС и т.д.), то при разработке схемы было учтено использование сменных отдельных модулей, позволяющих оптимизировать измерение конкретного РЭ. В первую очередь это касается контактной панели (устройство А1 ИГ). Выделение ТА (устройство А3 ИГ) в виде отдельного модуля позволяет оптимизировать процесс измерения активных четырехполюсников при отсутствии ПГСС с программируемым уровнем выходного сигнала. Так как согласно базовому способу измерения (АС№ 1317370 СССР) можно определять параметры многополюсников в диапазоне частот до единиц ГГц, то были предусмотрено использование легкозаменяемого согласующего устройства ( устройство А2 ИГ). Это позволяет использовать базовый модуль УУКР (устройство А4 КИУ) при использовании новых конструкций модулей ИГ предназначенных работать в разных диапазонах частот. Сосредоточение органов управления блоком УУКР на отдельной плате, расположенной в непосредственной близости к лицевой панели, позволило упростить структуру соединительных проводников.
Использование в виде отдельного модуля позволило упростить настройку и позволяет применить индивидуальную защиту от электромагнитных помех в случае измерения микромощных токов измерительным усилителем (устройство А2 КИУ).
-
Выбор и обоснование элементной базы
В разработанном комплексе применены широкораспространенные и дешевые радиоэлементы. Для цифровой части комплекса выбрана серия К1533, т.к. она имеет пониженное энергопотребление и малые входные токи, что позволяет повысить нагрузочную способность микроЭВМ К1816 до 15 (против 1 с серией К155). МикроЭВМ выбрана серии К1816 как наиболее доступная и отвечающая требованиям быстродействия и оптимальной архитектуры.
В качестве операционных усилителей выбран самый дешевый из прецизионных ОУ К140УД17А с малым температурным и временным дрейфами нуля. Высоким входным сопротивлением и коэффициентом ослабления синфазного сигнала.
Блокировочные конденсаторы применены типа КМ и К50-35 как наиболее дешевые и допустимые.
Резисторы применены типа МЛТ с допуском 10% (для измерительного усилителя 1%).
-
-
РАСЧЕТНАЯ ЧАСТЬ
-
Расчет генератора тока управляемого напряжением
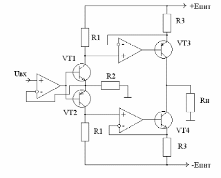
Упрощенная схема преобразователя приведена на рис. 10.
Преобразователь напряжение - ток
Рис.10.
Исходные данные для расчета:
Iнmax = 0,1 A, при Uн = 10 В; Uвхmax = 5 B; Епит = 12 В.
Выбираем резисторы R3 (пренебрегая Uкэнас VT3 и VT4)
. (27)
В нашем случае R3 = 20 Ом.
Выбираем резисторы R1 и R2:
. (28)
Для Iнmax = 0,1 А, R3 = 20 Ом и Uвхmax = 5 B получим R1/R2 = 2/5. Выбираем R1= 400 Ом, тогда R2 = 1 кОм.
-
Расчет преобразователя напряжения
Преобразователь напряжения КД5.192.002 построен по схеме генератора Ройера (рис.11).
Преобразователь напряжения на основе генератора Ройера
Рис.11
Исходные данные для расчета:
напряжение питания U1 - 5B;
выходное напряжение преобразователя U2 - 15B;
максимальный ток вторичной обмотки I2max - 50mA;
частота генерации f - 25000 Гц.
-
Расчет элементов преобразователя
Определяем ток коллектора открытого транзистора
Iкнас = I2max U2 / U1, (29)
где - КПД преобразователя.
Принимаем = 0,8 , I2max = 0,05А , U2 = 15В, U1 = 5В. При таких значениях получаем Iкнас = 0,19 А.
Определяем максимальное напряжение на закрытом транзисторе
Uкэmax = 2,4 U1. (30)
При U1 = 5В получаем Uкэmax = 12В.
Выбираем тип транзисторов VT1 и VT2 по значениям Uкэмах и Iкмах, причем
Iкмах = Iкнас 2,5 . (31)
Если Iкнас = 0,19А, то Iкмах = 0,48А. Этим требованиям удовлетворяют широко распространенные транзисторы КТ815А. Для них Iкмах = 1,5А, Uкэmax = 25В, h21Э 40.
Определяем ток базы транзистора
Iбнас = 1,4 Iкнас / h21Эmin, (32)
где h21Эmin - минимальное значение коэффициента передачи тока транзистора в схеме с общим эмиттером.
В нашем случае h21Эmin = 40, а Iбнас = 6,7 10-3 А.
Напряжение базовых обмоток Wб (рис.11) Uб выбираем равным 3В (среднее значение напряжений насыщения база - эмиттер транзисторов большой мощности).
Сопротивления резисторов R1 и R2 равны:
R1 = (Uб - 0,65) / Iбнас, (33)
R2 = U1 R2 / 0,7 . (34)
Исходя из имеющихся данных получаем R1 = 350 Ом и R2 = 2,5 кОм.
-
Расчет трансформатора
Типоразмер магнитопровода трансформатора выбирается по произведению Sст * Sок
Sст * Sок = Рг .102 / 2 .f . Bs . j . Km . Kc . , (35)
где Sст - площадь поперечного сечения стержня магнитопровода (см2); Sок - площадь поперечного сечения окна магнитопровода (см2); Рт - габаритная мощность трансформатора Bs - индукция насыщения материала магнипровода; j - плотность тока в проводах обмотки трансформатора; Кm - коэффициент заполнения медью окна сердечника; Кс - коэффициент заполнения площади поперечного сечения стержня магнитопровода материалом магнитопровода.
Рг = Uc . I / . (36)
В нашем случае Рт = 0,94 Вт.
В качестве материала магнитопровода выбираем феррит марки 2000НМ, как самый доступный, а трансформатор тороидальный. Для феррита марки 2000НМ Bs = 0,35 Тл, Кс = 1.
Так как трансформатор тороидальный, то в качестве Кm возьмем оценочное значение 0,2. Плотность тока j выберем равной 5 А/мм2, т.к. трансформатор маломощный.
Таким образом получаем Sст * Sок = 5,4.10-3(см4), или 54 мм4. Из стандартного ряда магнитопроводов нам подходит типоразмер К10х6х2 (рис.11). Для него Sок = 28,27 мм2, Sст = 3,19 мм2, Sст * Sок = 110,5 мм4. Для расчетов Sок 0,28 см2, Sст 0,04 мм2.
Магнитопровод К10х6х2
Рис.12
Число витков коллекторных обмоток
Wк = U1 . 104 / 4 . f . Bs . Sст . Kc, (37)
что в нашем случае составляет примерно 36 витков.
Число витков вторичной обмотки
W2 = (U2 / U1) . Wк. (38)
Для нас это составляет 108 витков.
Число витков базовых обмоток
Wб = (Uб / U1) . W1. (39)
При Uб = 3В и U1 = 5В число витков Wб = 22 витка.
Определим токи в обмотках трансформатора
, (40)
. (41)
Исходя из расчетов Iк = 0,27А, а Iб = 9,5 . 10-3 А.
Определим диаметры проводов обмоток
, (42)
где d - диаметр провода (мм);
j - плотность тока (A/мм2);
I - значение тока (А).
Для коллекторных обмоток dкрасч = 0,26 мм, для базовых обмоток обмоток dбрасч = 0,049 мм, для вторичной обмотки d2расч = 0,013 мм.
Исходя из стандартных диаметров проводов и технологических соображений принимаем
dк = 0,25 мм,
dб = 0,1 мм,
d2 = 0,1 мм.
Таким образом, расчет преобразователя напряжения можно считать завершенным.
-
Расчет печатной платы
Основные данные для расчета сведены в табл.4.
Таблица 4
Расчет установочной площади ЭРЭ
| Наименование | Количество | Sуст, см2 |
| Резисторы | ||
| МЛТ 0.25 | 70 | 0,39 |
| МЛТ 0.5 | 3 | 0,6 |
| МЛТ 1 | 2 | 1,14 |
| СП5-2,2В | 12 | 1,69 |
| Конденсаторы | ||
| КМ-1 | 30 | 0,18 |
| К50-35 | 15 | 0,38 |
| Диоды | ||
| КД106 | 4 | 0,5 |
| КД521А | 12 | 0,24 |
| Стабилитроны | ||
| КС512 | 4 | 1,4 |
| Оптотранзисторы | ||
| АОТ110А | 2 | 0,64 |
| Транзисторы | ||
| КТ972 | 2 | 0,35 |
| КТ815 | 2 | 0,35 |
| КТ973 | 1 | 0,35 |
| КТ3102Е | 2 | 0,2 |
| КТ3107Л | 2 | 0,2 |
| Микросхемы | ||
| КР1816ВЕ35 | 1 | 5,4 |
| К1533ИР22 | 10 | 2,25 |
| К573РФ2 | 1 | 4,65 |
| К1533ИД7 | 1 | 1,8 |
| К1533ЛН2 | 1 | 1,8 |
| МАХ177 | 1 | 2,25 |
| КР140УД17А | 15 | 1,44 |
| К572ПА1 | 3 | 1,8 |
| К1533ЛП9 | 3 | 1,8 |
| Реле РЭС55 | 2 | 0,5 |
| Феррит 2000НН | 2 | 3,1 |
| СТФ-2-35 | 1м2 | |
| ТМ-250 | 30м | |
| ПЭВТЛК2 | 40м | |
| Итого | 155,1 |
Площадь платы ТПР S = 660 см2.
Коэффициент заполнения по площади Ks = 155,1 / 660 = 0,235.
-
Расчет надежности
Данные для расчета надежности сведены в табл.5.
Таблица 5
Надежность элементов
| Наименов. | Кол | Интенсивн отказов i.1061/ч | Коэф.нагр. Кнi | Рабочая температ Тi, oC | Интенсивн. отказов с учетом внешних условий i.1061/ч | |
| Конденсаторы | 22 | 0,15 | 0,7 | 20 | 0,045 | 0,99 |
| Микросхемы | 20 | 0,013 | - | 30 | 0,26 | 0,26 |
| Резисторы | 39 | 0,03 | 0,6 | 20 | 0,0165 | 0,6435 |
| Опто- транзисторы | 2 | 4,7 | 0,5 | 20 | 2,35 | 4,7 |
| Стабилитроны | 4 | 0,157 | 0,5 | 20 | 0,0785 | 0,314 |
| Транзисторы | 20 | 0,5 | 0,5 | 30 | 0,35 | 7 |
| Разъемы | 4 | 0,0005 | 0,8 | 20 | 4.10-4 | 1,6.10-4 |
| Пайка печатная | 300 | 0,01 | 0,5 | 20 | 0,005 | 1,5 |
| Провода соединители | 200 | 0,015 | 0,5 | 20 | 0,0075 | 1,5 |
| Плата печатные схемы | 1 | 0,7 | 0,8 | 20 | 0,56 | 0,56 |
| Всего | 17,467 |
К1мех.возд. = 1
















