62946 (588868), страница 3
Текст из файла (страница 3)
Далее рассчитаем сопротивление R1:
R1 =
, (8.5)
U2 = Е1 - UVD, (8.6)
где U2 – падение напряжения на резисторе R1, равное 5В.
R1 =
12,4 кОм.
Рассчитаем мощность R1, R2 по формуле (8.7):
РR1(R2) = U2*IR1(R2), (8.7)
PR1 = 5*0,004 = 0,02 Вт
PR2 = 5*10,4*10 = 0,052 Вт
Из стандартного ряда сопротивлений выбираем сопротивления R1 С2-29-0,125-12,4кОм 1% -А-В, R2 С2-33Н-0,125-510 ОМ 5% -А-Д-В.
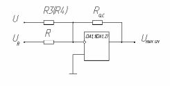
Для того, чтобы на выходах DA1.1, DA1.2 сместить напряжение на 1 В, в схему включены резисторы R3, R4. Расчет их номиналов поясняет схема, приведенная на рисунке 8.2.
Рисунок 8.2
Так как напряжение на выходах DA1.1, DA1.2 необходимо сместить на 1В, то ток, протекающий через резистор R3(R4), определим из выражения (8.8):
IR3(R4) =
, (8.8)
где IR3(R4) – ток, протекающий через резистор R3(R4), мА.
Зная, что IR = 0,2 мА, получим из выражения (8.8) ток IR3(R4):
IR3(R4) =
= 0,1 мА.
Определим значение R3(R4) из выражения (8.9):
R3(R4) =
, (8.9)
где U – напряжение питания резисторов R3(R4), в соответствии с рисунком 8.2, равное 5 В.
R3(R4) =
= 50 кОм.
Рассчитаем мощность R3(R4) по формуле (8.10):
РR3(R4) = IR3(R4)* U, (8.10)
РR3(R4) = 0,1*10-3*5 = 0,005 Вт
Выбираем R3(R4) = 50,5 кОм (С2-29-0,125-50,5 кОм).
9 Методика проверки
9.1 Общие указания
9.1.1 Сборочные единицы приемник и аппаратура электронная должны иметь:
- целостность упаковки и наличие (сохранность) пломб ОТК и ПЗ;
- сопроводительную документацию, удостоверяющую их соответствие техническим условиям и конструкторской документации;
- клеймо ОТК 1 и представителя заказчика (свидетельство о приемке).
9.1.2 Проверкам, приведенным в настоящем разделе, подвергаются все поставляемые сборочные единицы.
9.1.3 Все проверки проводятся в нормальных климатических условиях, которые характеризуются следующими значениями:
- температура воздуха от 15 до 35 С;
- относительная влажность воздуха от 45 до 80%;
- атмосферное давление от 645 до 795 мм рт. ст.
9.1.4 Соблюдать меры защиты от статического электричества согласно инструкциям, действующим на предприятии и разработанным на основе ОСТ 92-1615-74.
9.1.5 Электрические проверки должны проводиться на аттестованных рабочих местах лицами, прошедшими аттестацию и изучившими правила эксплуатации используемых приборов, правила техники безопасности при работе с электрооборудованием.
9.1.6 По методике п.9.4 проверяются одновременно приемник и аппаратура электронная. Допускается в случае необходимости заменять одну из сборок технологической. В случае проведения входного контроля только приемников, проверки по п.п.9.4.9.- 9.4.13 (проверка работы блокировки) не проводить.
9.1.7 Допускается проведение проверок по п. 9.4 без перерывов на остывание пневмораспределителей отсеков рулевых приводов (ОРП). Через каждые 200 проверок следует проверять ОРП.
9.1.8 На импульсных источниках питания (типа Б5-46,Б5-48) выставить максимальный ток стабилизации.
9.1.9 При проверках по п. 9.4 входы вольтметра должны быть отключены от заземления.
9.1.10 Контрольно-измерительная аппаратура должна быть проверена, а нестандартное оборудование – аттестовано.
9.1.11 Перечень контрольно-измерительной аппаратуры, используемой при проверках электрических параметров, приведен в таблице 9.1.
Таблица 9.1
| Наименование | Класс точности, погрешность | Количество |
| Источник питания типа 13РР-30-30 (ИП1-ИП4) Источник питания типа Б5-46(ИП5) Источник питания типа Б5-48(ИП6) Вольтметр электронный типа В7-16А | 4% 0,5% 0,5% (0,05+0,05Uк/Uх)% | 2 1 1 1 |
| Примечание Указанная контрольно-измерительная аппаратура может быть заменена другой, обеспечивающей заданную точность и пределы измерений. | ||
9.1.12 Перечень нестандартного оборудования приведен в таблице 9.2.
Таблица 9.2
| Наименование | Количество |
| Комплект контрольно-проверочной аппаратуры Пульт контроля Технологический отсек рулевого привода (ОРП) Контактное устройство (КУ) Кабель для подключения КУ (кабель №5) Технологический приемник Технологическая аппаратура электронная | 1 1 2 1 1 1 1 |
9.1.13 Сборочные единицы, прошедшие все проверки и соответствующие данным требованиям, маркируются.
9.2 Подготовка рабочего места для проведения электрических проверок
9.2.1 Собрать рабочее место согласно функциональной схеме, приведенной в графической части.
9.2.2 Установить тумблер SA1 на пульте проверки в положение ВКЛ.
9.1.3 Установить на источниках питания ИП1 – ИП4 напряжение от 11 до 13 В; на ИП5 – от 5 до 5.5 В; на ИП6 – от 49.5 до 50.5 В.
9.2.4 Включить источники питания.
9.2.5 Подготовить к работе пульт проверки КПА.
а) установить на входном зрачке приемника, мощность излучения (P0) в пределах (0.6-1.1)*10-6 Вт, при этом измеритель мощности должен быть без объектива.
б) включить вольтметр, подготовить его к работе согласно техническому описанию на него.
в) установить технологическую аппаратуру электронную в контактное устройство (КУ) согласно методике установки аппаратуры электронной. Аппаратура с технологическим разъемом подключается к кабелю №5 без контактного устройства.
г) на пульте КПА нажать кнопку «ЗАПУСК» и регулировкой выходного напряжения ИП1 и ИП2 установить между гнездами «0 В-ОС» и «-12 В-ОС» напряжение минус (120.5) В, а между гнездами «0 В-ОС» и «+12В-ОС» напряжение (120.5) В, нажать кнопку «СБРОС».
д) отсоединить технологическую сборку.
9.3 Методы проверок
9.3.1 Проверка комплектности сборочной единицы (приемника).
а) проверить целостность упаковки, наличие и сохранность пломб ОТК и ПЗ.
б) в комплект поставки должны входить:
- приемник;
- паспорт;
- упаковка.
в) проверить правильность оформления паспорта приемника.
9.3.2 Проверка внешнего вида маркировки и клеймения сборочной единицы (приемника).
а) извлечь приемник излучения (ПИ) из упаковки.
б) проверить наличие клейм ОТЗ и ПЗ на приемнике.
в) проверить маркировку; она должна содержать наименование ПИ, заводской номер и дату изготовления.
9.3.3 Проверка комплектности сборочной единицы (аппаратуры электронной).
а) проверить целостность упаковки, наличие и сохранность пломб ОТК и ПЗ.
б) в комплект поставки должны входить:
- аппаратура электронная;
- паспорт;
- упаковка.
в) проверить правильность оформления паспорта аппаратуры.
9.3.4 Проверка внешнего вида, маркировки и клеймения сборочной единицы (аппаратуры электронной).
а) извлечь аппаратуру электронную (АЭ) из упаковки.
б) проверить наличие клейм ОТК и ПЗ на аппаратуре.
в) проверить маркировку; она должна содержать наименование АЭ, заводской номер и дату изготовления; место и способ нанесения должны соответствовать сборочному чертежу.
г) проверить внешний вид на соответствие сборочному чертежу.
9.4 Проверка электрических параметров приемника и аппаратуры электронной.
Проверки проводятся на подготовленном рабочем месте.
9.4.1 Подключить проверяемую АЭ к контактному устройству по методике установки аппаратуры электронной в контактное устройство.
Методика установки аппаратуры электронной в контактное устройство
- установить контактное устройство (КУ) на ровную горизонтальную поверхность;
- вывинтить 2 винта, удерживающих прижимную планку на КУ;
- снять прижимную планку;
- разместить аппаратуру электронную (АЭ) над отверстием в металлическом основании КУ, совместив выводы АЭ с контактными площадками КУ (первый вывод с первой контактной площадкой);
- установить прижимную планку с винтами над контактными площадками;
- прижать планку рукой и завинтить винты, не допуская перекоса планки;
9.4.2 Подключить проверяемый приемник к разъему ПИ пульта.
9.4.3 Установить тумблер SA1 на пульте в положение ВКЛ.
9.4.4 Установить тумблер SA2 на пульте в положение «1».
9.4.5 Нажать кнопку «ЗАПУСК» пульта КПА.
9.4.6 По окончании работы программы на пульте КПА должен гореть индикатор «НОРМА».
9.4.7 На пульте КПА нажать кнопку «СБРОС».
9.4.8 Установить тумблер SA1 на пульте в положение «ВЫКЛ».
Действия, совершаемые по п.п.9.4.9 -9.4.12, необходимо завершить в течение 35 с после нажатия кнопки «ЗАПУСК» на пульте, т.к. питание на проверяемые сборки подается на 35 с; в случае необходимости повторного включения питания нажать кнопки «СБРОС» и «ЗАПУСК».
9.4.9 На пульте КПА нажать кнопку «ЗАПУСК» – показания вольтметра должны быть от минус 0.01 до 0.01 В.
9.4.10 Нажать 6 раз кнопку SA3 на пульте, контролируя показания вольтметра после каждого нажатия – они должны быть от минус 0.01 до 0.01 В до шестого нажатия, а после шестого должен загореться светодиод «-12 В МР».
9.4.11 Установить тумблер SA2 на пульте в положение «2» - показания вольтметра должны быть от 0.3 до 1.1 В.
9.4.12Нажать еще 10 раз кнопку SA3 на пульте, контролируя показания вольтметра после каждого нажатия – они должны быть от 0.3 до 1.1 В.
9.4.13 На пульте нажать кнопку «СБРОС».
9.4.14 Отсоединить приемник и АЭ.
Примечание – По окончании каждой проверки по п. 9.4 автоматически происходит переключение между двумя, подключенными к пульту отсеками рулевого привода (ОРП).
9.5 Контрольно-проверочная аппаратура
Контрольно-проверочная аппаратура (КПА) предназначена для контроля специзделия 9М133 для работы при следующих условиях эксплуатации:
- температура окружающего воздуха от плюс 10 до плюс 35 С;
- относительная влажность воздуха при температуре плюс 25 С должна быть не более 80%;
-
атмосферное давление от 85 106 кПа ( от 720 до 780 мм рт. ст.).
9.5.1 Основные технические данные и характеристики КПА
9.5.1.1 Питание КПА осуществляется от четырех источников постоянного тока:
Е1 = +12 В +3,5 В
-1,0 В
Е2 = - 12 В +1,0 В
- 3,5 В
Е3 = +(5 - 5,5) В
Е4 = + 50В 1 В (питание излучателя)
два дополнительных источника (Е5 и Е6) могут использоваться для питания специзделия независимо от КПА.
Е5 = +12 В +3,5 В
- 1,0 В
Е6 = - 12 В +1,0 В
- 3,5 В
Потребляемый КПА ток по цепям:
Е1 – не более 200 мА (не более 3 А при контроле специзделия);
Е2 – не более 200 мА (не более 2,5 А );
Е3 – не более 1А;
Е4 – не более 100 мА;
Е5 – не более 3А;
Е6 – не более 2,5А.
В качестве источников напряжения используются стандартные источники питания.
9.5.1.2 КПА осуществляет формирование двух сигналов ФД1 и ФД2 (СД1 и СД2) с периодом:
344,83 мс 0,35 мс;
















