62946 (588868), страница 2
Текст из файла (страница 2)
Рисунок 4.5 – Сигналы управления Вых 1, Вых 2 и их параметры, которые запоминает КПА
Данные сигналы являются двухполярными и противофазными, и, как видно из рисунка 4.5, ОЗУ КПА запоминает положительную полуволну одного из сигналов и затем микропроцессор сравнивает ее величину с заложенными в ПЗУ величинами.
Кроме того, АЭ должна отрабатывать такие сигналы, как установка литеры 1(L1) и литеры 2 (L2), а также L4 (инвертирование/ неинвертирование).
Установка литеры 1 и литеры 2 предназначена для приема изделием информационного сигнала от своей ПУ при одновременной работе двух ПУ по двум целям (перекрестная стрельба). В этом случае на первой ПУ при работе с L1 производят закоротку входа АЭ по цепи L1, а при работе с L2 на второй ПУ вход по цепи L1 находится в обрыве.
Команда установки L4 (закоротка входа АЭ по цепи L4) производится только при работе с боевой машины в случае крепления изделия на установке с разворотом продольной оси на 180. в этом случае АЭ формирует сигналы Вых 1, Вых 2 со сдвигом фазы на 180 для компенсации разворота изделия.
Сигнал «контроль +12В» обеспечивает проверку выхода бортовой батареи на режим. За время не менее 0,4 с напряжение батареи должно достигнуть значения не менее 10,9В, т.к. это наименьшее напряжение, при котором может работать АЭ.
5 Описание электрической принципиальной схемы пульта проверки
Электрическая схема пульта проверки приведена в графической части ПП. 000.Э3.
Разъемы Х1, Х2 относятся к АЭ и ПИ соответственно, А1 – цифро-аналоговый преобразователь, А2 – датчик крена, Х3 – разъем, соединяющий пульт проверки с КПА, Х6, Х7 относятся к двум отсекам рулевых приводов.
Конденсаторы С1…С4 предназначены для фильтрации источника питания.
Стабилизатор напряжения DA1, реализованный на микросхеме К142ЕН8А, стабилизирует напряжение с 12В до 9В, необходимого для работы датчика крена.
Тумблер SA1 предназначен для подачи питания. Причем после завершения проверки и выключения SA1 автоматически происходит соединение с ОРП2, а ОРП1,который был подключен во время проверки отключается. Следующая проверка будет проводиться с ОРП2. Переключение отсеков рулевых приводов обеспечивается переключением реле К1…К3. Конденсаторы С8…С10 за время проверки (с момента включения SA1) заряжаются и в момент выключения SA1 разряжаются на К1…К3 соответственно, реле переключаются.
Тумблер SA2 предназначен для возможности замера напряжения открытого и закрытого ключа, а также тока утечки ключа датчика оборотов. Вольтметр подключается к зажимам ХS5, ХS6.
При нажатии переключателя SA3 (6 раз) и соответственно заряда конденсатора С11 имитируется отсчет 6 оборотов ракеты. После шестого нажатия должен загореться светодиод «-12В МР». Отсчет шести оборотов ракеты необходимо обеспечивать, для того, чтобы сигнал на заряд конденсаторов ПИМов с датчика оборотов пошел после достижения ракетой расстояния порядка 100м от места пуска.
Зажимы ХS1, XS2 предназначены для снятия сигналов Y, Z с аналоговых выходов ЦАП.
6 Описание электрической схемы цифро-аналового преобразователя
Цифро-аналоговый преобразователь реализован на двух микросхемах типа К572ПА1А, и вне ОУ на микросхеме 1401УД2А.
Микросхема умножающего ЦАП типа К572ПА1 является универсальным структурным звеном для построения микроэлектронных ЦАП, АЦП и управляемых кодом делителей тока. Благодаря малой потребляемой мощности, достаточно высокому быстродействию, возможности реализации полного двух- и четырехквадратного умножения, небольшим габаритам ЦАП К572ПА1 находит широкое применение в различной аппаратуре. Все ее элементы выполнены в одном кристалле. Данная микросхема предназначена для преобразования 10-разрядного прямого параллельного двоичного кода на цифровых входах в ток на аналоговом выходе, который пропорционален значениям кода и (или) опорного напряжения.
В состав ИС ЦАП К572ПА1 входят прецизионная поликремневая резисторная матрица (РМ) типа R – 2R, усилители-инверторы (УИ) для управления токовыми ключами, токовые двухпозиционные ключи.
Двоичный закон распределения токов в ветвях РМ соблюдается при условии равенства потенциалов выходов 1 и 2 микросхемы. Это обеспечивается подключением выхода 1 к инвертирующему входу ОУ, охваченного отрицательной обратной связью. Неинвертирующий вход ОУ соединяется с выходом 2 и с шиной аналоговой земли. При этом осуществляется преобразование тока на выходе 1 в пропорциональное ему напряжение на выходе ОУ. Резистор Rо.с определяет значение коэффициента преобразования и напряжения в конечной точке шкалы.
Для достижения стабильности основных параметров преобразования при воздействии внешних факторов резистор обратной связи Rо.с = R размещен на кристале микросхемы. При использовании источника опорного напряжения (ИОН) UИОН = 10,24 В с внутренним резистором Rо.с значение Uвых ОУ = 10,24 В, а шаг квантования, т. е. расчетное приращение выходного напряжения при изменении входного кода на единицу младшего разряда, h = 10 мВ. Номинальное значение выходного тока составляет 1 мА, а фактическое может изменяться в пределах от 0,5 до 2 мА.
Значения основных параметров ИС зависят в первую очередь от точности соблюдения отношения Rо.с / R = 1 и R / 2R = 0,5 для всех звеньев РМ.
Преобразователь К572ПА1 допускает работу при напряжении питания в диапазоне от 5 до 17 В и изменении опорного напряжения в пределах 17 В.
Использование внешнего ОУ предполагает правильный его выбор, исходя из точностных и скоростных свойств преобразователя. Для сохранения точности ЦАП следует использовать ИС ОУ с напряжением смещения не более 5 мВ (т.е. 0,5 МР). Желательно также, чтобы время установления ОУ не превышало 2 – 5 мкс.
В качестве внешнего ОУ, на основании использования двух микросхем ЦАП, была выбрана микросхема серии К1401 представляющая собой сборку, состоящую из четырех ОУ. Микросхема К1401УД2А имеет напряжение питания от 3 до 16,5 В; Iвых = 2…10 мА, Uвых = 2,5…12,5 В.
Схема электрическая принципиальная цифро-аналогового преобразователя представлена в графической части ПП.020 Э3.
Напряжение питания данной схемы 12 В (Е1 = +12 В, Е2 = - 12 В). Опорное напряжение UR = – 2 В микросхем ЦАП, которое получается делением напряжения источника питания Е1 = - 12 В делителем, реализованном на R1,R2 и VD1,.
Электрические сигналы с аппаратуры электронной А1 (Y0 – Y4; Z0 – Z4) в виде двоичного кода поступают на цифровые входы микросхем ЦАП DD1, DD2, при чем младшие разряды (МР) микросхем ЦАП соединены с общим проводом. Двоичный код с выходов А1 Y5, Z5 поступает на инверсные входы ОУ DA1.3, DA1.4, выполняющих роль инверторов и используемых в данной схеме для уменьшения количества микросхем, выходные сигналы с данных ОУ поступают на цифровые входы 4 (СР) DD1, DD2.
Выходы 1 (J1) DD1, DD2 соединены с инверсными входами ОУ DA1.1, DA1.2 выходы 2 (J2) DD1, DD2 – с не инверсными входами ОУ DA1.1, DA1.2. Включение резисторов R3, R4, с питанием 5 В обеспечивает смещение напряжений на выходах DA1.1, DA1.2 от (2, 0) до (-1, +1). Конденсаторы C1, C2, включенные в выходные цепи DA1.1, DA1.2, образуют фильтр. Выходные сигналы DA1.1, DA1.2 (Y, Z) являются аналоговыми.
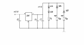
7 Расчет параметров в схеме датчика крена
Для работы данного датчика необходим стабилизатор напряжения, стабилизирующий напряжение на уровне +9В. Данный стабилизатор реализован на микросхеме К142ЕН8А. Электрическая схема соединений стабилизатора и датчика крена приведена на рисунке 7.1. Входное напряжение +12В подается на вывод 17 стабилизатора напряжения DA1, с вывода 2 DA1 снимается напряжение + 9В, которое является входным для датчика крена, реализованном на светодиодах VD5,VD6 и фотодиодах VD4,VD3. При чем в цепь VD1,VD2 включено нагрузочное сопротивление RН, нагрузкой VD3,VD4 являются резисторы RФД1 и RФД2 соответственно, которые находятся в аппаратуре электронной. Конденсаторы С5…С7 включены в цепь DA1 для защиты стабилизатора от самовозбуждения при перепадах входного напряжения.
Рисунок 7.1 – Датчик крена. Схема электрическая
Так как необходимо обеспечить ток через резисторы RФД1 и RФД2 IRфд1 = IRфд2 = 50мкА, для поддержания фронтов и спадов выходных импульсов токов светодиодов, (а соответственно и характеристик ФД1 и ФД2), принимаем ток через резистор RН IRн = 50мА.
Рассчитаем сопротивление RН, при условии, что падение напряжения на светодиодах VD1,VD2 UVD1= UVD2 = 1,8 В.
URн = Uвх – (UVD5+ UVD6), (7.1)
RН =
, (7.2)
где URн – падение напряжения на резисторе RН,В;
Uвх – входное напряжение датчика крена, равное + 9В;
UVD5,UVD6 – прямое падение напряжения на светодиодах VD5,VD6, равное 1,8В;
IRн – ток, протекающий через резистор Rн, равный 50мА.
URн = 9 – (1,8+ 1,8) = 5,4В
RН =
= 108 Ом.
Рассчитаем мощность резистора RН по следующей формуле:
Р = IRн* URн, (7.3)
Р = 50*10-3*5,4 = 0,27 Вт.
Следовательно, выбираем резистор RН типа С2-33Н-0,5-110 Ом 5%-А-Д-В. Согласно схеме ПП.000 Э3 RН = R9.
Рассчитаем сопротивления RФД1 и RФД2.
RФД1 = RФД2 =
, (7.4)
IR = IRфд1 = IRфд2, (7.5)
где IR1 – ток, равный токам через резисторы RФД1,RФД2, равный 50 мкА.
RФД1 = RФД2 =
= 180
8 Расчет параметров схемы ЦАП
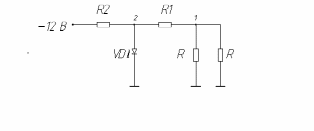
Рассчитаем делитель напряжения, обеспечивающий опорное напряжение ЦАП UR = – 2 В, реализованный на стабилитроне VD1 и резисторах R1,R2.
Электрическая схема делителя представлена на рисунке 8.1.
Рисунок 8.1 – Делитель напряжения. Схема электрическая
В соответствии с рисунком 8.1 в т. 1 UR = – 2 В. Известно, что резистор РМ R = 10,24 кОм, и по закону Кирхгофа имеем:
IR1 = IR + IR, (8.1)
где IR1 – ток, протекающий через резистор R1, мА;
IR – ток, протекающий через резистор R резисторной матрицы ЦАП, мА.
Ток IR рассчитаем по формуле (8.2):
IR =
, (8.2)
где UR – напряжение на резисторе R РМ, В;
R – резистор РМ, кОм.
IR =
0,2 мА.
В соответствии с формулой (8.1) определим IR1.
IR1 = 2*0,2 = 0,4 мА.
Так как необходимо понизить напряжение с Е1 = – 12 В до UR = – 2, в качестве опорного элемента выбираем стабилитрон 2С170А с напряжением стабилизации UVD = 7 В. Для дальнейших расчетов необходимо знать ток Iст стабилитрона, при котором нормируется напряжение стабилизации, для 2С170А Iст = 10 мА. Тогда по закону Кирхгофа в т.2 имеем:
IR2 = IR1 + Iст., (8.3)
где IR2 – ток, протекающий через резистор R2,мА;
Iст. - ток стабилитрона 2С170А, при котором нормируется напряжение стабилизации UVD = 7 В, мА.
IR2 = 0,4 + 10 = 10,4 мА.
Тогда можем рассчитать сопротивление R2:
R2 =
(8.4)
R2 =
510 Ом















