147944 (588774), страница 4
Текст из файла (страница 4)
Основой NeuroMatrix NM6403 является процессорное ядро NeuroMatrixCore (NMC), которое представляет собой синтезабильную модель высокопроизводительного DSP-процессора с архитектурой VLIM/SIMD (язык Ver ilog). Ядро состоит из двух базовых блоков: 32-бит RISC-процессора и 64-бит векторного процессора, обеспечивающего выполнение векторных операций над данными переменной разрядности (патент РФ.N2131145). Имеются два идентичных программируемых интерфейса для работы с внешней памятью различного типа и два коммуникационных порта, аппаратно совместимых с портами ЦПС TMS320C4x, для возможности построения многопроцессорных систем.Вид нейрочипа NM6403 представлен на рисунке 1.4.-1.
Рисунок 1.4.-1 Нейрочип NM6403.
Основные характеристики:
тактовая частота - 40 MГц;
- 0,5-мкм КМОП-технология;
- корпус 256BGA;
- напряжение питания от 2,7 до 3,6 В;
- потребляемая мощность около 1,3 Вт при 50 МГц;
- условия эксплуатации: -60...+85C.
Процессор NeuroMatrix NM6404.
NeuroMatrix NM6404 представляет собой высокопроизводительный DSP-ориентированный RISC-микропроцессор. В его состав входят два основных блока: 32-разрядное RISC-ядро и 64-разрядное VECTOR-сопроцессор для поддержки операций над векторами с элементами переменной разрядности. NM6404 по системе команд совместим с предыдущей версией NM6403. Имеются два идентичных программируемых интерфейса для работы с внешней памятью различного типа и два коммуникационных порта, аппаратно совместимых с портами ЦПС TMS320C4x, для возможности построения многопроцессорных систем.
Особенности:
- тактовая частота - 133 MГц (8 нс - время выполнения любой инструкции);
- 0,25-мкм КМОП-технология;
- корпус PQFP256;
- напряжение питания - 2,5, 3,3, 5 В;
- потребляемая мощность - около 1,0 Вт;
- условия эксплуатации: -40...+80C.
NNP (Accurate Automation Corp.).
Процессор NNP (Neural Networks Processor ) построен по MIMD-архитектуре, то есть состоит из нескольких миниатюрных процессоров, работающих параллельно. Каждый из них представляет собой быстрый 16-разрядный вычислитель с памятью для хранения синаптических весов. Процессор имеет всего 9 простых команд. Процессоры на кристалле связаны друг с другом локальной шиной. NNP создан в коммерческих целях и доступен на рынке.
В комплект поставки процессора включены средства разработки программ, а также библиотека подпрограмм с реализованными нейросетевыми алгоритмами, такими как сети Хопфилда, сети Кохенена и другими.
Процессор выпускается на платах под шины ISA, VME. Производительность: 140 MCPS - для однопроцессорной системы и 1,4 GCPS - для 10-процессорной системы.
Нейропроцессор МА16 (Siemens).
МА16 изготовлен по 1-мкм КМОП-технологии, состоит из 610 тыс. транзисторов и выполняет до 400 млн. операций умножения и сложения в секунду. Используется в качестве элементной базы нейрокомпьютера Synaps 1 и нейроускорителей Synaps 2 и Synaps 3 (распространяемых сегодня на рынке французской фирмой TIGA TECHNOLOGIES).
МА16 представляет собой программируемый каскадируемый процессор для векторных и матричных операций. Он поддерживает на аппаратном уровне следующие операции:
- матричное умножение;
- матричное сложение/вычитание;
- нормировка результата;
- вычисление векторной нормы (метрики L1 и L2);
- вычисление векторного расстояния (мера Манхэттэна, геометрическое расстояние).
Процессор содержит 4 идентичных процессорных элемента, работающих параллельно. Входные данные имеют точность 16 бит, тактовая частота - 50 мГц. Для операций матричного умножения/сложения скорость вычислений достигает 8ґ10 8 операций/с. Программное обеспечение работает в среде UNIX/XWIND и реализовано на C++. Нейронная сеть тоже описывается на С++ или может вводится интерактивно с помощью графического интерфейса типа OSF/Motif, что позволяет визуализировать конфигурацию чипа после отображения на него структуры сети. Хорошо развиты средства тестирования и эмуляции. С 1995 года МА16 является коммерчески доступным продуктом.
MD1220 (Micro Devices).
Цифровой нейрочип MD1220 фирмы MICRO DEVICES содержит 8 нейронов с 8 связями и 16-разрядные сумматоры. Во внутрикристальной памяти хранятся 16-разрядные веса. Входы имеют одноразрядные последовательные умножители с продолжительностью такта 7,2 мкс. Средняя производительность - около 9 MCPS.
L-Neuro (Philips).
Нейропроцессор L-Neuro фирмы PHILIPS - один из первых нейропроцессоров. На сегодня широко известны две его модификации: L-Neuro 1.0 и L-Neuro 2.3. Вторая версия имеет 12 слоев, а первая - один слой из 16 одноразрядных, или двух 8-разрядных, или 4 4-разрядных, или двух 8-разрядных процессорных элементов, то есть имеет возможность работать в мультиразрядном режиме. На кристалле реализован 1 Кбайт памяти для хранения 1024 8-разрядных или 512 16-разрядных весов. Гибкая каскадируемая структура нейрочипа позволяет использовать его при реализации различных нейросетевых парадигм. При реализации 64 8-разрядных процессорных элементов средняя производительность составляет 26 MCPS (32 MCUPS).
2. Разработка и описание работы структурной схемы
Структурная схема, разрабатываемой системы представлена на рисунке 2.1
Рисунок 2.1 Структурная схема, разрабатываемой системы.
Генератор тактовых импульсов состоит из генератора, выполненного по схеме автогенератора на логических элементах с резонансной частотой 80000 кГц и счетчика-делителя частоты на 3, устраняющий фазовую нестабильность. Генератор тактовых импульсов тактирует импульсы для работы нейросетевого датчика и нейрочипа.Перед началом работы система производит самодиагностику, выполняя проверку блока обработки информации нейросетевого датчика с помощью таких блоков, как цифро-аналоговый преобразователь, усилитель напряжений и фильтр нижних частот. Самодиагностика заключается в следующем : нейрочип выдает кодовую комбинацию на цифро-аналоговый преобразователь, далее цифровой сигнал преобразуется в аналоговый сигнал. Выходное напряжение цифро-аналогового преобразователя равно 5 В, а входное напряжение аналого-цифрового преобразователя, расположенный в нейросетевом датчике равно 5 В, поэтому на выходе цифро-аналогового преобразователя расположен усилитель напряжений. Далее усиленный до необходимого уровня напряжения аналоговый сигнал поступает на фильтр нижних частот, где сигнал фильтруется от помех.И если кодовая комбинация с выхода нейрочипа совпадет с кодовой комбинацией на выходе аналого-цифрового преобразователя, то значит блок обработки информации в нейросетевом датчике исправен и система начинает работу. Цифровой сигнал с датчика поступает на нейрочип, где происходит обработка и сравнение полученных данных с эталонными значениями, записанных в постоянном запоминающем устройстве.Если данные совпадают, то результат записывается в оперативное запоминающее устройство. Если результаты не совпадают, то нейрочип выдает логический ‘0’ на вход устройства отключения электродвигателя, который выполнен на оптроне АОУ103. Его работа заключается в следующем, если станок-качалка находится в нормальном режиме работы, то на входе оптрона логическая ‘1’ светодиод и тиристор работают и в магнитном пускателе реле замкнуто, то есть электродвигатель работает. Если возникает какая-либо неисправность, то то нейрочип выдает логический ‘0’ на вход оптрона и светодиод и тиристор отключаются, и реле размыкается, электродвигатель останавливается. Параллельно информация поступает через универсальный последовательный интерфейс на пульт оператора, где по полученным значениям выстраивается динамограмма, характеризующая работу ШГНУ. И по полученной динамограмме оператор анализирует какой вид неисправности произошел.Оператор также может вносить изменения в работу системы через универсальный последовательный интерфейс или через устройство беспроводной передпчи данных.
3.Выбор и расчет блоков принципиальной схемы
3.1 Генератор тактовых импульсов
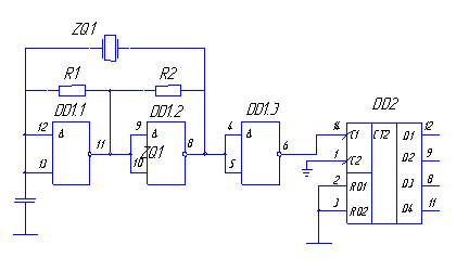
Генератор выполнен по схеме автогенератора на логических элементах DD1.1,DD1.2,DD1.3, выполнен на микросхеме К155ЛА3 c кварцевой стабилизацией частоты, кварцевый резонатор ZQ1 с резонансной частотой 80000 кГц.
Схема генератора тактовых импульсов представлена на рисунке 3.1.
Рисунок 3.1 Генератор тактовых импульсов .
Счетчик делитель частоты выполнен на микросхеме К561НЕ10 обеспечивает деление на 3. Предназначен для устранения фазовой нестабильности частоты.
Ближайшие номиналы резисторов и конденсаторов из ряда Е192:
R1, R2: С2-34-0.125-402 Ом ±0.5%;
С1: КТ-2-300В-18 пФ±5%.
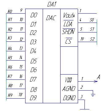
3.2 Цифро-аналоговый преобразователь
ЦАП выполнен на микросхеме AD9397 фирмы ‘Analog Devices’.Схема ЦАП представлена на рисунке 3.2.
Рисунок 3.2 Цифро-аналоговый преобразователь.
Технические характеристики указаны в приложении.
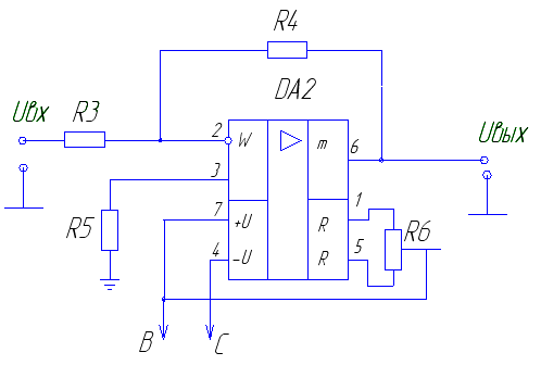
3.3 Усилитель напряжений
Усилитель выполнен на основе ОУ 140УД26.
Рассчитаем его коэффициент усиления:
Uвых=10.25 В - максимальное входное напряжение АЦП
Uвх =5 В – максимальное выходное напряжение ЦАП
Ku=Uвых/Uвх=10.25/5=2.05
Схема усилителя представлена на рисунке 3.3.
Рисунок 3.3 Усилитель напряжений.
Рассчитаем его коэффициент усиления:
Uвых=10.25 В - максимальное входное напряжение АЦП
Uвх =5 В – максимальное выходное напряжение ЦАП
Ku=Uвых/Uвх=10.25/5=2.05
Выберем R4 равным 10 кОм. Так как коэффициент усиления равен 2.05, то R3=4,89 кОм
R5= R3*R4/(R3+R4)= 3,28 кОм
Подстроечный резистор R6 примем равным 10 кОм.
Из стандартного ряда номинальных значений Е192 выберем следующие значения номиналов резисторов:
R4, R6: С2-29В-0.125-10 кОм±0.1%;
R3: С2-29В-0,125-4,87 кОм±0, 1%;
R5: С2-29В-0,125-3.28 кОм±0,1%.
Основные параметры операционного усилителя К140УД26:
Предельно допустимые значения параметров и режимов:
Uпит=
13.5…
16.5В;
Uвх. сф
10В;
Rн= 2КОм ;
Т= -100…+700
Электрические параметры: Uвых max=
12В Uсм=
30мкВ
Iвх=
40мА
Iвх=35мА
Iпот=4.7мА Кuу=1000000
f1=20МГц Uвх. сф max =
11В
Кос.сф=114Дб
Uсм/
T=0.6мкВ/С0
ТК
Iвх =1нА/С0 V u вых =11В/мкс.
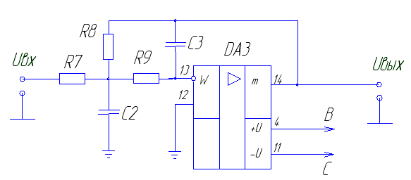
3.4 Фильтр нижних частот
В измерительной технике обычно используются фильтры четных порядков, именно они наиболее удобным образом реализуются на основе ОУ.
Выбираем фильтр Баттерворта (структура Рауха).
В качестве звеньев составляющих фильтры четных порядков, используются звенья второго порядка.
Схема фильтра нижних частот представлена на рисунке 3.4.
Рисунок 3.4. Фильтр нижних частот.
Исходными данными для расчёта являются частота среза фильтра fв=1Гц.
Коэффициент передачи фильтра в полосе пропускания Кус=1,
=1,41,с=1,А=1.















