147944 (588774), страница 5
Текст из файла (страница 5)
Рассчитаем значения резисторов и конденсаторов:
=10 мкФ
=2 мкФ
=31329 Ом
=31329 Ом
=40467,3 Ом
Из стандартного ряда номинальных значений Е192 выберем следующие значения номиналов резисторов и конденсаторов:
R7,R8: С2-29В-0,25Вт-31,6 кОм±0,1%
R9: С2-29В-0,25Вт-40,7 кОм±0,1%
С2: К77-1-100В-10 мкФ±2%
С3: К77-1-100В-2 мкФ±2%
3.5 Нейрочип
Нейрочип необходим для обучения входным эталонным сигналам и для обработки информации.
Схема нейрочипа NM6403 приведена на рисунке 3.5.
Рисунок 3.5 Нейрочип.
Основные характеристики процессора NeuroMatrix NM6403:
- тактовая частота - 40 МГц (машинный такт - 25 нс);
- число эквивалентных вентилей - 115.000;
- технология 0,5 мкм;
корпус 256BGA;
- малое напряжение питания, от 2.7В до 3.6В;
- адресное пространство - 16 Гбайт;
- формат скалярных и векторных данных:
32-разрядные скаляры;
вектора с элементами переменной разрядности от 1 до 64, упакованные в 64- разрядные блоки данных;
аппаратная поддержка операций умножения вектора на матрицу или матрицы на матрицу;
аппаратная реализация функции насыщения два устройства генерации адреса;
- регистры:
8 32-разрядных регистров общего назначения;
8 32-разрядных адресных регистров;
3 внутренних памяти по 32*64 бит;
специальные регистры управления и состояния;
- команды процессора NM6403 32- и 64-разрядные (одна команда обычно задаёт две операции);
- два 64-разрядных программируемых интерфейса для работы с любым типом внешней памяти. Каждый интерфейс поддерживает;
- обмен с двумя банками памяти разного типа (статическая или динамическая память);
- два скоростных байтовых коммуникационных порта ввода/вывода, аппаратно совместимых с портами TMS320C4x.
3.6 Оперативное запоминающие устройство
Все ОЗУ делятся на две большие группы: статические и динамические. В накопителях статических ОЗУ применяются триггерные элементы памяти. В ОЗУ динамического типа запоминающим элементом служит конденсатор, в котором информация хранится в форме наличия или отсутствия заряда.
Статические ОЗУ образуются матрицей запоминающего элемента , каждый из которых может быть установлен в одно из двух состояний, сохраняющихся при поданном напряжении питания.
Наибольшим быстродействием обладают биполярные ОЗУ, построенные на основе элементов ЭСЛ и ТТЛШ, однако эти МС имеют самый высокий уровень энергопотребления .
Схема ОЗУ представлена на рисунке 3.6.
Рисунок3.6 Оперативное запоминающие устройство.
В данном дипломном проекте ОЗУ предназначено для хранения программных настроек, весовых коэфициентов, набора динамограм, соответствующим разным видам неполадок на ШГНУ, результаты сравнения эталонных значений с полученными данными.
Основными параметрами микросхем ОЗУ являются: емкость хранящаяся в ОЗУ, быстродействие, мощность.
3.7 Постоянное запоминающие устройство
В качестве запоминающего устройства в разрабатываемом устройстве была выбрана микросхема Flash памяти – M25P80 фирмы STMicroelectronics.
Микросхема имеет встроенный последовательный интерфейс. Последовательный формат записи позволяет упростить процедуру программирования и уменьшить величину корпуса (у данной микросхемы – DIP8) и количество управляющих сигналов.
Схема, выбранного постоянного запоминающего устройства представлена на рисунке 3.7.
Рисунок 3.7 Постоянное запоминающее устройство.
В отличие от модулей оперативно запоминающих устройств (ОЗУ) данное решение обеспечивает сохранность информации при непредвиденном отключении питания, что позволяет исключить использование резервного питания, которое создает большие трудности в обслуживании.
Также данный выбор имеет преимущество и перед модулями перепрограммируемых постоянных запоминающих устройств (ППЗУ), так как для записи информации в ППЗУ обычно требуется подавать кратковременно напряжение, значительно большее напряжения штатного питания. Это неудобно тем, что значительно увеличивает количество элементов питания и требует добавления в схему дополнительных средств аналоговой коммутации.
Основные характеристики микросхемы Flash памяти M25P80:
-
Емкость - 8 Мбит
-
Запись страницы (256 байт) – 1.5 мс
-
Стирание сектора (512 Кбит) – 2 с
-
Полное стирание (8 Мбит) – 10 с
-
Напряжение питания – 2.7-5.5 В (однополярное)
-
Максимальная тактовая частота – 25 МГц
-
Режим пониженного потребления – 1 мкА
-
Более 100000 циклов стирания/записи для каждого сектора
-
Более 20 лет хранения информации
3.8 Универсальный последовательный интерфейс
Для проектируемоой системы в качестве интерфейса был выбран USB (UniversalSerial Bus). Он удобен тем, что данный интерфейс входит в состав практически всех персональных компьютеров, выпускаемых на данный момент.
Схема, выбранного интерфейса представлена на рисунке 3.8.
Рисунок 3.8 Универсальный последовательный интерфейс.
Выбранный интерфейс позволяет производить обмен информацией в последовательном формате со скоростью до 12 Мбит/сек и хотя для самого комплекса скорость обмена не является принципиальной характеристикой, ПК используемый для ввода информации может быть критичен ко времени, отводимому на обмен.
Также данный интерфейс имеет значительное преимущество, поскольку он позволяет производить «горячее» подключение устройства к ПК. Т.е. нет необходимости производить выключение ПК, приостанавливающее выполнение текущих операций.
Конкретная микросхема – SL-11 USB Controller фирмы Scan Logic – была выбрана, поскольку у нее в относительно небольшом корпусе (28PLCC) интегрированы все необходимые компоненты: приемник, передатчик, модуль буферной памяти, параллельный микропроцессорный интерфейс. Из дополнительных элементов необходимы только кварцевый резонатор, для задания тактовой частоты внутреннего генератора, и сам разъем.
Основные характеристики USB контроллера SL-11:
- стандартный микропроцессорный интерфейс;
- поддержка канала ПДП;
- двунаправленный 8-и разрядный параллельный интерфейс;
- 256 байт памяти на кристалле;
- 4 контакта USB интерфейса;
- USB передатчик;
- 5В, 0.8мк КМОП технология;
- 28PLCC корпус.
Передатчик работает полностью в соответствии со стандартом USB версии 1.0 и может вести обмен в режиме полной скорости – 12 Мбит/сек.
3.9 Приемопередатчик
Для проектируемой системы в качестве усройства беспроводной передачи данных применен однокристальный трансивер XE1203, предназначенный для работы в диапазоне частот ISM (433МГц / 868МГц / 915МГц). Высокая степень интеграции позволяет достичь максимальной гибкости использования устройства при минимальном количестве внешних элементов. Трансивер XE1203 обеспечивает связь со скоростью передачи до 152,3 кБод и оптимизирован для приложений требующих малое энергопотребление, большую выходную мощность и высокую входную чувствительность. Схема приемопередатчика представлена на рисунке 3.9.-1.
Рисунок 3.9.-1 Приемопередатчик.
Приемопередатчик функционально включает в себя приемник, передатчик, синтезатор частоты, колебательный контур и некоторые другие узлы. И для каждого блока необходимо сделать согласование цепей. В данном проекте смоделирована схема в ‘Micro-Cap Evaluation 7.0’ и произведен расчет согласования цепей передатчика. Схемы согласования цепей остальных блоков и номиналы пассивных элементов взяты с сайта производителя (www.xemics.com).
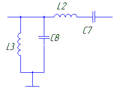
Схема согласования цепей передатчика представлена на рисунке 3.9.-2.
Рисунок 3.9.-2 Согласование цепей передатчика.
Рассчитаем значения конденсаторов и индуктивностей:
Примем L3=12 нГн , тогда
, откуда
С10=3.03 пФ
Примем L2=27 нГн, тогда
, откуда
С11=1.12 пФ
Смоделируем модель согласования цепей передатчика в ‘Micro-Cap’.
Схема модели представлена на рисунке 3.9.-3.
Рисунок 3.9.-3 Модель согласования цепей передатчика в ‘Micro-Cap’.
Произведем АС анализ (анализ частотных характеристик).
Полученный график представлен на рисунке 3.9.-4.
Рисунок 3.9.-4 Анализ частотных характеристик.
По графику видно, что при рассчитанных значениях конденсаторов и индуктивностей обеспечивается требуемая резонансная частота 915 МГц.
Основные технические характеристики XE1203:
- Выходная мощность: до +15 дБм на нагрузку 50 Ом (тип);
- Чувствительность входа: до -113 дБм (тип);
- Потребление: Rx=14 мА; Tx=62 мА (15 дБм);
- Напряжение питания: до 5 В;
- Скорость передачи: от 1,2 до 152,3 кБод (NRZ-кодирование);
- Режим Konnex-совместимости;
- 11-разр. Кодек Баркера;
- Встроенный синтезатор частоты с шагом 500Гц;
- Двух уровневая FSK модуляция с непрерывной фазовой функцией;
- Распознавание входных данных (используется для выхода из спящего режима);
- Система синхронизации входных данных (Bit-Synchronizer);
- Контроль уровня принимаемого сигнала (RSSI);
- Контроль частоты (FEI).
3.10 Расчет надежности
Формулы необходимые для расчета:
Интенсивность потока отказов устройства рассчитывается по формуле:
, где
- интенсивность потока отказов i-го однотипного элемента;
m- количество однотипных элементов;
Среднее время работы устройства обратно пропорцианально интенсивности
отказов:
;
Время безотказной работы с заданной вероятностью (Р=0.99):
;
Вероятность отказов за заданное время функционирования изделия
(t=10000 ч):
.
Расчет надежности генератора тактовых импульсов
Укажем в таблице 1 исходные данные для расчета параметров надежности.
Таблица 1.
| № | Элемент устройства | Кол-во элементов,m | Интенсивность потока отказов элемента, | Интенсивность потока отказов всех элементов, |
| 1 | Кварц | 1 | 0.025 | 0.025 |
| 2 | Резистор | 2 | 0.15 | 0.3 |
| 3 | Конденсатор | 1 | 0.035 | 0.035 |
| 4 | Интегральная МС | 2 | 0.010 | 0.020 |
| 5 | Многоштырьковый разъем | 1 | 0.020 | 0.020 |
| 6 | Пайка | 25 | 0.010 | 0.25 |
| 7 | Печатный проводник | 16 | 0.010 | 0.16 |
Интенсивность потока отказов всех элементов:
(0.025+0.3+0.035+0.020+0.25+0.16)*
=0.79*
1/ч
Среднее время работы устройства обратно пропорцианально интенсивности отказов:
125581ч
















