48698 (588601), страница 5
Текст из файла (страница 5)
Код Рида-Соломона позволяет скорректировать одну ошибку в одном блоке данных. При его использовании к каждому блоку информации прибавляются дополнительные два элемента X и Y, значение которых находятся исходя из условий:
для трёх единиц информации (байт):байт1 + байт2 + байт3 + X + Y = 0
байт1 + 2 * байт2 + 3 * байт3 + 4 * X + 5 * Y = 0
для расчета конкретных значений X и Y для кодирования трёх байт:
Y = 3 * байт1 + 2 * байт2 + байт3X = -4 * байт1 - 3 * байт2 - 2 * байт3
Теперь для выяснения ошибки и её коррекции применяем следующие расчеты:
Значение_ошибки = байт1 + байт2 + байт3 + X + Y
Так как ранее (до возникновения ошибки) эта сумма была равна 0, то теперь она равна непосредственно значению ошибки, которое достаточно просто вычесть из недоброкачественного байта. В случае если блок принят безошибочно, то Значение_ошибки = 0. Теперь найдём байт который надо исправлять:
N = байт1 + 2 * байт2 + 3 * байт3 + 4 * X + 5 * Y
Номер_ ошибочного_ байта = N / Значение_ ошибки
При реализации этого в реальный алгоритм необходимо обязательно осуществлять проверку на то существует ошибка в блоке или нет, то есть Значение_ошибки = 0 или нет, иначе получаем деление на ноль.
Если необходимо защитить кодом Рида-Соломона блок данных более 3х байт, то формулы расчета корректирующих значений лишь немного изменяются (для 16 байт):
Y = 16 * байт1 + 15 * байт2 + 14 * байт3 + ... + байт16X = -17 * байт1 - 16 * *байт2 - 15 * байт3 - ... - 2 * байт16
Значение_ошибки = байт1 + байт2 + байт3 + ... + X + YN = байт1 + 2 * *байт2 + 3 * байт3 + ... + 16 * байт16 + 17 * X + 18 * Y
Данным кодом неудобно защищать блоки информации менее 4 байт, так как длинна контрольных параметров X и Y должна быть как минимум 4 байта
2 байта (DW) для X и 2 байта на Y, то есть получается. что к блоку данных из 4 байт будет добавлен корректирующий блок из 4 байт.
Но что делать, если возникло две или более ошибок в блоке ?
Как один из признаков возникновения двух ошибок можно считать получения в качестве номер ошибочного байта дробного числа, например если в блоке из нулей встретится 2 единицы (две ошибки), в третьем и четвёртом байтах, то Номер ошибочного байта = 3.5 но если 4 единицы, соответственно в 3, 4 и 5 байтах то Номер ошибочного байта = 4.
2 Разработка стенда контроля передаваемой информации
Для визуализации процесса помехоустойчивого кодирования можно разработать устройство, которое поможет понять принцип работы метода Хэмминга. Кодер – декодер будем разрабатывать на основе ИМС К555ВЖ1.
2.1 Разработка устройства кодирования информации методом Хемминга
Кодер, преобразует 32х битное слово в 38ми разрядный код Хэмминга, после чего слово хранится в памяти или передаётся по шинам и т.д. В процессе передачи или хранения в слове может произойти ошибка, поэтому декодер не просто декодирует слово, но и исправляет единичные ошибки. Процесс кодирования и декодирования можно представить в виде блок-схемы приведенной ниже.
Рис. 2.1 блок схема кодирования
Рис. 2.2 — Схема кодера
На входы а1,а2…а32 подаётся кодируемое слово. Блоки (элементы) KR1, KR2, KR4, KR8, KR16 и KR32 формируют контрольные разряды (биты чётности). Весь процесс кодирования сводится к формированию контрольных разрядов и сдвигу имеющихся разрядов. Так, 1й бит слова становится 3м битом кода, а 2й – 5м , 1,2,4,8,16,32 биты – контрольные. В результате кодирования 32х битное слово становится 38ми битным.
Рис 2.3 — Схема блоков KR1 – KR32
Блоки KR1, KR2, KR4, KR8, KR16 и KR32 собраны элементах исключающее ИЛИ. Итак:
Блок KR1 формирует 1й контрольный разряд подсчитывая чётность 3,5,7,9,11,13,15,17,19,21,23,25,27,29,31,33,35 и 37 битов, если количество единиц в этих разрядах чётное, то контрольный бит равен нулю, если нечётное – единица.
Аналогично блок KR2 формирует 2й контрольный разряд, подсчитывая чётность 3,6,7,10,11,14,15,18,19,22,23,26,27,30,31,34,35 и 38 битов, если количество единиц в этих разрядах чётное, то контрольный бит равен нулю, если нечётное – единица.
Блок KR4 формирует 4й контрольный бит проверяя 5,6,7,12,13,14,15,20,21,22,23,28,29,30,31,36,37 и 38 биты.
Блок KR8 формирует 8й контрольный бит проверяя 9,10,11,12,13,14,15,24,25,26,27,28,29,30 и 31 биты.
Блок KR16 формирует 16й контрольный бит проверяя 17,18,19,20,21,22,23,24,25,26,27,28,29,30 и 31 биты.
Блок KR32 формирует 32й контрольный бит проверяя 33,34,35,36,37 и 38 биты.
2.2 Разработка устройства декодирования информации методом Хемминга
Рис.2.4 — Схема декодера
Схема декодера состоит из 3х основных блоков: блока анализа, блока управления и блока исправления. Декодер осуществляет декодирование с исправлением произошедшей ошибки.
Рис. 2.5 — Схема блока анализа
Блок анализа с помощью блоков KR1, KR2, KR4, KR8, KR16 и KR32 заново проверяет чётность выше упомянутых разрядов и с помощью 6 и элементов исключающее ИЛИ сравнивает с пришедшими по шине контрольными разрядами. Если контрольные разряды нарушены, то формируются 6 сигналов ошибки, которые передаются в блок управления. Так же блок анализа изымает из 38ми битного слова биты чётности и передаёт 32х битное слово в блок исправления.
Рис. 2.6 — Схема блока управления
Блок управления представляет дешифратор 6/32, собранный на базе элементов И. В соответствии с комбинацией входных сигналов, блок управления активирует тот или иной управляемый инвертор блока исправления.
Рис 2.7 — Схема блока исправления ошибок
Блок исправления непосредственно производит исправление слова пришедшего из блока анализа в соответствии с сигналами блока управления. Он представляет собой 32 управляемых инвертора, на информационные входы которых подаётся слово с ошибкой, а на управляющие код из блока управления. В соответствии с поданным сигналом активируется тот или иной инвертор, который и исправляет ошибку, и слово выводится из дешифратора.
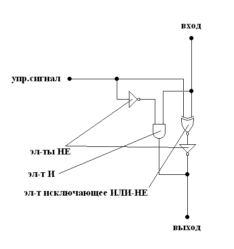
Рис.2.8 — Схема управляемого инвертора
Управляемый инвертор собран на базе 2х элементов НЕ, элемента И, и элемента исключающее ИЛИ-НЕ. Является непосредственно исполнителем исправления ошибки. Его таблица истинности приведена ниже.
Табл. 2.1 — таблица истинности управляемого инвертора
| ВХОД | УПР.СИГНАЛ | ВЫХОД |
| 0 | 0 | 0 |
| 0 | 1 | 1 |
| 1 | 0 | 1 |
| 1 | 1 | 0 |
2.3 Реализация кодера – декодера на базе ИМС К555ВЖ1
Рис 2.9 — Блок схема
32х битное слово разделяется на два слова по 16 бит. Далее каждая из половин попадает в свой 16битный кодер. Генерируются контрольные биты, и на линию передач выводятся два 22х битных кода Хэмминга. На линии передачи есть возможность внести ошибку. Далее 22х битный код считывается декодером. Проверяется на наличие ошибок. Если найдены ошибки, они исправляются, и выводятся два слова по 16 бит, которые и составляют переданное 32х битное слово.
2.3.1 Цоколёвка ИМС К555ВЖ1 (SN74LS630)
Рис. 2.10 — Цоколёвка ИМС К555ВЖ1 (SN74LS630)
-
D0-D15 - входы/выходы данных;
-
CB0-CB5 - входы/выходы синдрома;
-
S0,S1 - входы управления;
-
SEF - флаг ошибки;
-
DEF - флаг некорректируемой ошибки.
-
Все выходы с тремя состояниями
Схема использует модифицированный код Хэмминга, чтобы генерировать 6-битовый синдром для 16-разрядного слова. Одиночные ошибки схемой исправляются; двойные ошибки только обнаруживаются, ошибки типа всех нулей или всех единиц тоже обнаруживаются, тройные и большие ошибки могут быть не обнаружены. В случае двойной ошибки, оба бита могут быть в слове памяти, обе в слове синдрома, или по одному биту в слове памяти и слове синдрома. В течении цикла записи, схема формирует 6-разрядное проверочное слово из 16-разрядного слова данных. Коррекция ошибки выполняется идентификацией неправильного бита и инверсией его. Когда исправленное слово выдается из порта данных, из порта CBi выдается синдром, указывающий на неправильный бит.
Табл. 2.2 — Функции схемы исправления ошибок
| Цикл памяти | Упр S1 S0 | Функция БИС | Шина данных | Шина синдрома | Флаги SEF DEF |
| ЗАПИСЬ | L L | Генерировать контрольное слово | Входные данные | Выходное контрольное слово | L L |
| ЧТЕНИЕ | L H | Читать данные и контрольное слово | Входные данные | Входное контрольное слово | L L |
| ЧТЕНИЕ | H H | Защелкнуть и разрешить флаги | Защелкнутые данные | Защелкнутое контрольное слово | Разрешено |
| ЧТЕНИЕ | H L | Корректировать данные и генерировать синдром | Выходные корректированные данные | Выходной синдром | Разрешено |
Табл. 2.3 — Таблица ошибок
| Контрольное | 16-разрядное слово данных | |||||||||||||||
| слово | 0 | 1 | 2 | 3 | 4 | 5 | 6 | 7 | 8 | 9 | 10 | 11 | 12 | 13 | 14 | 15 |
| CB0 | * | * | * | * | * | * | * | * | ||||||||
| CB1 | * | * | * | * | * | * | * | * | ||||||||
| CB2 | * | * | * | * | * | * | * | * | ||||||||
| CB3 | * | * | * | * | * | * | * | * | ||||||||
| CB4 | * | * | * | * | * | * | * | * | ||||||||
| CB5 | * | * | * | * | * | * | * | * | ||||||||
Табл. 2.4 — Синдромы ошибок
| Ячейка ошибки | Код синдрома ошибки | ||||||
| CB0 | CB1 | CB2 | CB3 | CB4 | CB5 | ||
| D0 | L | L | H | L | H | H | |
| D1 | L | H | L | L | H | H | |
| D2 | H | L | L | L | H | H | |
| D3 | L | L | H | H | L | H | |
| D4 | L | H | L | H | L | H | |
| D5 | H | L | L | H | L | H | |
| D6 | H | L | H | L | L | H | |
| D7 | H | H | L | L | L | H | |
| D8 | L | L | H | H | H | L | |
| D9 | L | H | L | H | H | L | |
| D10 | L | H | H | L | H | L | |
| D11 | H | L | H | L | H | L | |
| D12 | H | H | L | L | H | L | |
| D13 | L | H | H | H | L | L | |
| D14 | H | L | H | H | L | L | |
| D15 | H | H | L | H | L | L | |
| CB0 | L | H | H | H | H | H | |
| CB1 | H | L | H | H | H | H | |
| CB2 | H | H | L | H | H | H | |
| CB3 | H | H | H | L | H | H | |
| CB4 | H | H | H | H | L | H | |
| CB5 | H | H | H | H | H | L | |
| Нет ошибки | H | H | H | H | H | H | |
Табл. 2.5 — Исправление
| Полное число ошибок | Флаги ошибок | Исправление данных | ||||
| 16-битовые данные | 6-битовое контрольное слово | SEF | DEF | |||
| 0 | 0 | L | L | Не применимо | ||
| 1 | 0 | H | L | Коррекция | ||
| 0 | 1 | H | L | Коррекция | ||
| 1 | 1 | H | H | Прерывание | ||
| 2 | 0 | H | H | Прерывание | ||
| 0 | 2 | H | H | Прерывание | ||
















