25051 (586551), страница 2
Текст из файла (страница 2)
В блоке выделяются два основных типа оруденения – крутопадающие рудные тела жилообразной и линзообразной формы, имеют мощность от 1 до 10 метров, прерывистые как по падению так и по простиранию. Ко второму типу относятся пластообразной формы оруденения, мощность пласта достигает 6 метров.
Основные запасы руды и урана сосредоточенны в рудных телах, имеющих пластообразные и жилообразные формы. Мощность рудных тел изменчива имеет прерывистый характер. Породы и руды в зонах тектонических швов характеризуется, в основном, как неустойчивые, склонные к интенсивному отслоению кусков из бортов и кровли горных выработок.
Одним из критериев выбора системы разработки при подготовке и отработке запасов является показатель полноты извлечения металла, который, в свою очередь, зависит от качества выдаваемой руды из блока.
Учитывая ценность руды и требования к максимальному снижению потерь и разубоживания, а так же нахождения рудных тел в зонах тектонических нарушений, наиболее полно этому требованию отвечает система разработки «Горизонтальные слои с твердеющей закладкой», вариант отработки – «сверху-вниз».
Недостатки системы:
– низкая производительность блока и труда забойного рабочего;
– высокая себестоимость очистных работ из-за значительных затрат на твердеющую закладку, 25–30% от общей себестоимости добычи по руднику;
– возможное отслоение закладки в кровле заходки, что увеличивает разубоживание руды и повышает опасность ведения горных работ;
– интенсивное проветривание тупикового очистного забоя вентиляторами местного проветривания, связанное с обеспечением нормативных уровней загрязненности атмосферы по спец. факторам.
Достоинства
– обеспечение высокой степени эксплуатационной доразведки запасов руды в блоке;
– низкие потери и разубоживание руды до 3…5%;
– обеспечение радиационной безопасности путем закладки выработанного пространства и снижения радоновыделения.
Система разработки нисходящих слоев с твердеющей закладкой, хотя и дорогостоящая, но дает возможность отрабатывать рудные тела со сложной морфологией с минимальными потерями и разубоживанием руд. Одновременно решается вопрос с погашением подземных пустот, труд горнорабочих становится более безопасным.
Параметры блока 1–406 (Рис. 1)
1. Длина, м …………………………………………220
2. Ширина, м………………………………………..150
3. Высота, м…………………………………………60
4. Высота рабочего слоя, м …………………………3
5. Угол наклона очистной заходки, град………….3
6. Средняя длина доставки по слою, м….………….100
Рис. 1. Параметры блока 1–406
2.2 Потери и разубоживание
Потери и разубоживания по блоку обоснованны с учётом принятой системы разработки, технологическими возможностями применяемого горного оборудования, условиями залегания и морфологическими особенностями рудных тел, состояния горного массива.
К потерям относятся:
– не вовлечение запасов руды и металла в отработку;
– оставление отбитой руды и метала по почве отрабатываемого слоя;
– просыпи руды и металла при её транспортировании;
– при сортировке руды на РКС.
Общий норматив потерь и разубоживания при отработке запасов проектируемого блока, данной системой разработки принят равным:
Потери:
– по руде – 5%;
– по металлу – 4,6%;
Разубоживание – 36,7%.
При разработке блока средние нормативы потерь и разубоживания по выемочным слоям блока должны уточнятся и утверждаться в установленном порядке.
Формулы расчёта для определения эксплуатационных запасов блока:
Эксплуатационные запасы руды и металла проектируемого блока представлены в таблице 4.
Таблица 4. Эксплуатационные запасы блока
| Балансовые | Потери | разубоживание, % | Эксплуатационные | ||||||||
| Руда т.т | Сод % | Ме т | Руда % | Ме % | Руда т.т | Сод. % | Ме т. | ||||
| 41,8 | 0,282 | 117,9 | 5 | 4,6 | 36,7 | 62,9 | 0,179 | 112,5 | |||
2.3 Горно-подготовительные и нарезные работы
В связи с принятой классификацией к горно-подготовительным относятся горные выработки, обеспечивающие вскрытие рудных тел в пределах рудных залежей (орты, штреки, блоковые восстающие, транспортный уклон и т.д.).
Горно-подготовительные работы включают: проходку комплекса горных выработок, обеспечивающих ведение очистных работ в безопасных условиях; наличие запасных выходов; обеспечение горных работ свежей струёй воздуха, твердеющей закладкой и транспортной схемы электровозной откатки. Исходя из этой классификации, при разработке проекта к горно-подготовительным работам (ГПР) отнесены: горизонтальные горные выработки откаточного и вентиляционного горизонтов, транспортный уклон, материальные и вентиляционные ходовые восстающие, рудоспуски и камерные выработки, проходимые в границах проектируемого блока.
Блок 1–406 подготовлен следующими выработками (Рис. 2):
1. По горизонтали:
– III горизонт (+540,0 м) – штреком 1–301 и квершлагом 11К-300;
– IV горизонт (+480,0 м) – штреками 1–419 и 1–401, квершлагом 11К-400, откаточный орт №1, откаточный орт №2;
– камерные выработки: лесокамера, камера временного хранения ВМ. 2. По вертикали:
– вентиляционный восстающий 4–3;
– материально ходовой восстающий 1–406/1;
– восстающий 1–406/2;
– рудоспуски 1–406 1,2;
3. Наклонные:
– транспортный уклон №1 с IV горизонта (+480,0 м) до подэтажа (+503,5 м);
– съезд на откаточный орт №2;
– транспортный уклон №2 с подэтажа (+503,5) до рудных пластов.
Рис. 2. ГПР: 1 – штрек 1–301; 2 – квершлаг 11к-300; 3 – штрек 1–40; 4 – штрек 1–419; 5 – квершлаг 11к-400; 6 – откаточный орт №2; 7 – откаточный орт №1; 8 – вентиляционный В/с 4–3; 9 – материальный ходовой В/с 1–406/1; 10 – В/с 1–406/2; 11 – Р/с 1–406/2; 12 – Р/с 1 – 406/1; 13 – транспортный уклон №1 (на подэтаж); 14 – подэтаж; 15 – съезд на откаточный орт №1; 16 – транспортный уклон №2
Крепление подготовительных горных выработок, в зависимости от горно-геологических условий характеристики вмещающих пород, выполняется согласно паспортам, действующим на руднике и утвержденных главным инженером рудника. В неустойчивых породах (в зонах тектонических швов и их оперяющих) – крепление рамами СВП-22 с применением Ж/Б затяжки бортов и кровли выработок и забутовкой пустот за креплением. В среднеустойчивых породах (в зоне тектонических швов и их оперяющих) – крепление кровли, сталиполимерными анкерами (со штрипсами) с торкретированием бортов и кровли выработки.
Для обеспечения интенсивности отработки слоёв блока 1–406 и эффективного применения самоходного оборудования проектом предусматривается заложение транспортного уклона №2. Зарезка слоя и доставка технологического оборудования, производится с транспортного уклона №2. Транспортный уклон №2 проходится с подэтажа (+503,5 м) до рудных пластов под углом не превышая 120 связывая вертикальные горные выработки.
Наклон выработок уклона на прямолинейных участках – 60, 120, не криволинейных – 00. Радиус поворота на криволинейных участках транспортного уклона – не менее 6 м. На период проходки уклона, а также врезки рабочих слоёв используются рудоспуски 1–406/1,2, которые служат для перепуска горной массы на откаточный горизонт. Проходка вертикальных горных выработок в этаже III–IV горизонтов производится с помощью проходческого комплекса КПВ – 4, сечением 4,6м2, которые армируются согласно паспортам ПТО УГРУ.
Рудоспуски не оборудуются вибропитателями, в связи с высокой слёживаемости руд и пород. В связи с этим погрузка горной массы в вагонетки осуществляется путем перегрузки из под рудоспусков 1–406/1,2, с помощью машины TORO – 151D по транспортным ортам №1 и №2 через эстакады, которые расположены на квершлаге 11К -400 и штреки 1–419.
Для доставки материалов и оборудования на рабочие слои блока проектом предусматриваются лесокамеры по линии штрека 1–302 в районе расположения материально – ходового восстающего 1–406/1. Подъем и спуск материалов и оборудования на рабочие слои в проектируемом блоке осуществляются по материально ходовому восстающему 1–406/1. Проходка горизонтальных и наклонных горных выработок (безрельсовых) осуществляется буро-взрывным способом, отгрузка горной массы производится погрузочной машиной TORO – 151D.
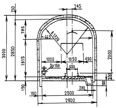
Проходка горизонтальных горных выработок (рельсовых) осуществляется машиной ППН-1С. Сечение горных выработок показано на Рис 3.
Рис. 3. Сечение горных выработок
Для обеспечения дизельных машин горюче-смазочными материалами предусматривается дополнительно включить в объёмы ГПР строительство склада ГСМ с топливозаправочным пунктом в штреке 1–401 IV горизонта со стороны квершлага 11К-400, служащий для заправки и обеспечения погрузо – доставочной машины TORO-151D.
Перечень горно – подготовительных выработок, сечения и объёмы проходки приведены в таблице 5.
Таблица 5. Объёмы горно-подготовительных выработок
| № п/п | Наименование горных выработок | Длина, м | Сечение, м2 | Объём, м3 | |
| в свету | вчерне | ||||
| III горизонт (+540,0 м) горизонтальные | |||||
| 1 | сбойка на вос. 1–406/2 | 5 | - | 7,8 | 39 |
| IV горизонт (+480,0 м) горизонтальные | |||||
| 2 | штрек 1–419 | 27 | - | 7,8 | 211 |
| 3 | откаточный орт №1 | 40 | перем | 9,5 | 380 |
| 4 | откаточный орт №2 | 23 | перем | 9,5 | 219 |
| 5 | штрек 1–401 | 45 | - | 7,8 | 351 |
| наклонные | |||||
| 6 | транспортный уклон №1 на подэтаж (+503,5 м) | 96 | перем | 9,5 | 912 |
| 7 | съезд на откат. орт №2 | 49 | перем | 9,5 | 466 |
| 8 | транспортный уклон №2 | 395 | перем | 9,5 | 3754 |
| вертикальные | |||||
| 9 | восстающий 1–406/2 | 45 | 4,5 | 203 | |
| 10 | рудоспуск 1–406/2 | 29 | 4 | 4 | 116 |
| 11 | рудоспуск 1–406/1 | 12 | 4 | 4 | 48 |
| кубажные | |||||
| лесокамера (2 шт.) | - | - | - | 24 | |
| камера временного хранения ВМ | - | - | - | 14 | |
| ИТОГО: | |||||
| горизонтальные | 140 | перем | перем | 1200 | |
| вертикальные | 86 | перем | перем | 367 | |
| наклонные | 540 | перем | 9.5 | 5132 | |
| кубажные | - | - | - | 60 | |
| ВСЕГО: | 766 | перем | перем | 6759 | |
В соответствии с принятой классификацией к нарезным работам относится система горных выработок, обеспечивающая непосредственно подготавливаемые рудные тела, в пределах эксплуатационного блока, к их отработке (слоевые, транспортные орты, камеры и т.д.)
















