14981 (585564), страница 4
Текст из файла (страница 4)
При очаговой жировой декомпозиции в печени с распадом ядер возникают участки жирового некроза. В этих случаях вокруг таких очагов развиваются резорбтивные ожирения лейкоцитов и макрофагов соединительной ткани, из которых в процессе фагоцитоза жира образуются липофаги и зернистые шары. Клетки, фагоцитирующие холестерин, приобретают пластинчатую форму (M. Schumacher et al., 2006).
Внешний вид печени при жировой дистрофии существенно изменяется. Жировая инфильтрация перилобулярного типа в сочетании с острой застойной гиперемией придаёт ей мускатный рисунок (G. Lochitch, 2007).
При выраженной жировой дистрофии печень увеличена, желто-коричневого цвета, сальная, дряблая, рисунок долей сглажен (K. Kostial et al., 2007).
При накоплении свинца и кадмия в почках образуются дистрофические изменения, которые могут протекать по типу зернистой и жировой дистрофии (S. P. Andreoli, 2007).
При белковом некрозе процесс локализуется чаще всего в эпителии извитых канальцев и боуменовой капсулы, петлях Генле и прямых канальцах (A. Kesseler et al., 2007).
В качестве основных изменений в канальцах выступают тяжелое зернистое и геалиново-капельное перерождения эпителия. Кроме того, в эпителии канальцев как коркового, так и мозгового слоя контрастно выступает вакуольно-водяночная или гидропическая дистрофия (J. Martel et al., 2008).
Макроскопически почки увеличены, капсула обычно легко снимается, с поверхности светло-серого цвета, консистенция размягчена, граница между корковым и мозговым слоями стерта (D. H. Petering, 2002).
Липоидный нефроз характерен отложением жира в виде капель в протоплазме почечного эпителия, что затем приводит к атрофии ядра и цитоплазмы, гибели активной паренхимы (B.A. Fowler, 2002).
При тяжелых интоксикациях животных липоидный нефроз приводит к увеличению размера почек, утолщается корковый слой (I. Ambrsi et al., 2000).
2. МАТЕРИАЛЫ И МЕТОДЫ ИССЛЕДОВАНИЯ
Экспериментальные исследования проводились в Московском государственном университете прикладной биотехнологии на кафедре незаразных болезней, в лаборатории токсикологии.
Для изучения биологической безопасности мяса цыплят-бройлеров с повышенным содержанием свинца и кадмия были сформированы 3 группы лабораторных крыс в каждой по 10 животных. В рацион крыс в течение двух недель включали мясо цыплят бройлеров, содержащее кадмий и свинец в количестве, превышающем МДУ. Таким образом, крысы получали:
1 группа – контроль;
2 группа – мясо цыплят бройлеров, содержащее соединения свинца в количестве , превышающее МДУ в 1,3 раза.
3 группа – мясо цыплят бройлеров, содержащее соединения кадмия в количестве, превышающее МДУ в 1,2 раза.
В конце эксперимента лабораторные животные были забиты (путем декапитации) и отобраны пробы крови для биохимических исследований и органов для гистологических исследований.
Статистическая обработка полученных результатов проводилась на персональном компьютере с использованием прикладных программ Microsoft Excel и Statgraphics.
Полученный цифровой материал приведён в соответствие с "Международной системой физических величин" (ГОСТ 8471-81).
2.1 Токсикологические методы исследования
Для проведения анализов нами был выбран полярографический метод исследования. Данный метод в течение нескольких десятков лет находит широкое применение в различных лабораториях для определения соединений металлов в пищевых продуктах, в том числе и в аналитической токсикологии. Это объясняется тем, что для проведения анализа требуется значительное количество разбавленного раствора вещества. Данный метод в 1986 г. определен ГОСТ (26932-86 и 26933-86) как основной и является теперь единым для исследования пищевых продуктов и других биоматериалов на наличие в них соединений тяжелых металлов. Исследование органов и тканей на общее содержание свинца и кадмия проводили на полярографе ПЛС-1.
Анализы и исследования, проводимые с помощью полярографа, основаны на регистрации и последующей расшифровке полярограмм (вольт-амперных кривых), представляющих собой зависимость тока, проходящего через электролитическую ячейку от потенциала ртутно-капельного электрода.
Для обеспечения снятия полярограмм в удобном виде для последующей обработки в полярографе имеется возможность выбора различной степени демпфицирования. Запись полярограмм проводили на лабораторном компенсационном двухкоординатном самопишущем приборе. Электролитическая ячейка с раствором, в которой содержится способное восстанавливаться или окисляться на рабочем электроде анализируемое вещество, является нелинейным сопротивлением. Вольтамперная характеристика такой ячейки представляет собой характерную кривую, имеющую форму волны, которую называют полярограммой или полярографической волной.
Данный метод выгодно отличается от других способов анализа, поскольку он позволяет определить несколько токсикоэлементов в одной подготовленной пробе.
Метод определения кадмия и свинца основан на сухой минерализации (озолении) пробы с использованием в качестве вспомогательного средства азотной кислоты и количественном определении кадмия и свинца полярографированием в режиме переменного тока. Основной раствор кадмия готовили путем помещения 1 г. металлического кадмия в коническую колбу на 250 мл и растворяли при нагревании на электроплитке в 25 см разбавленной 1:1 азотной кислоты. Раствор выпаривали на электроплитке со слабым нагревом до объема 3 см3, приливали 15 мл хлористоводородной (соляной) кислоты плотностью 1,19г/см3 и вновь выпаривали до того же объема. Выпаривание повторяли еще два раза, добавляя 50 мл хлористоводородной кислоты. После охлаждения добавляли 50 мл хлористоводородной кислоты, количественно переносили раствор в мерную колбу на 1000 мл и доводили бидистилированной водой до метки. Раствор хранят не более 1 года. Концентрация кадмия в основном растворе равна 1мг/см3.
Стандартные растворы необходимой концентрации готовили последовательным разбавлением в 10, 100, и 1000 раз основного раствора кадмия хлористоводородной кислотой (0,1 мол/дм3).
Для приготовления основного раствора свинца использовали свинца нитрат, перекристаллзованый и высушенный при 104 °С до постоянной массы 1,599 г высушенной соли растворяли в небольшом количестве бидистиллированной воды и количественно переносили в мерную колбу вместимостью 1000 мл. В колбу добавляли 5см3 азотной кислоты плотностью 1,4 г/см3 и доводили объем до метки бидистиллированной водой. Раствор хранят не более 1 года. Концентрация свинца в основном растворе равна 1мг/см3 .
Стандартные растворы необходимой концентрации готовили последовательным разбавлением в 10, 100 и 1000 раз основного раствора свинца хлористоводородной кислотой (0,1 мол/дм3). В ходе исследований проверяли каждую новую партию реактивов.
Контрольные растворы готовили, используя все реактивы и растворы, аналогично приготовлению испытуемого раствора. Если контрольный раствор содержит измеримое количество кадмия или свинца, его готовят при каждой серии измерении.
Для подготовки капилляра электрода, последний помещают в стакан хлористоводородной кислоты (мол/дм3) и проводят сначала накопление в течении 60 с, затем растворение при максимальной скорости развертки (10,0—
10,5 в/с). Процедуру электрохимической очистки повторяют еще 2 раза. Ячейку многократно промывают бидистилированной водой.
Приготовление испытуемого раствора проводили растворением золы, полученной при минерализации в тигле при нагревании на электроплитке с 5 мл разбавленной (1:1) хлористоводородной кислоты. В последующем раствор выпаривали до объема около 1мл, а затем досуха в водяной бане. Осадок растворяли в 15 мл раствора хлористоводородной кислоты. В последующем раствор выпаривали до объема около 1 мл, а затем досуха на водяной бане. Осадок растворяли в 15 мл раствора хлористоводородной кислоты (0,1 моль/дм3) и количественно переносили в стакан электролизера, смывая тигель 5 мл той же кислоты. Для минерализации (озоления) продукты помещали на электроплитку ипроводили обугливание до прекращения выделения дыма, затем тигельпомещали в электропечь при температуре 250°С .
Минерализацию проб проводили постепенно, повышая температуру электропечи на 50°С через каждые 30 мин, и доводя ее до 400°С продолжая минерализацию в этих условиях до получения серой золы.
После изъятия тигля с золой из электропечи последний охлаждали до комнатной температуры, и серую золу смачивали 0,5-1,0 см3 раствора азотной кислоты. Затем кислоту досуха выпаривали на электроплитке со слабым нагревом и снова помещали тигель с пробой в электропечь при температуре 250°С, постепенно доводя температуру до 450°С, и выдерживали 1 час. Минерализация считается законченной, когда зола станет белого или слегка окрашенного цвета, без обугленных частиц.
При наличии обугленных частиц повторяют обработку золы раствором азотной кислоты.
Лабораторную стеклянную посуду промывали хромовой смесью, водой, азотной кислотой, дважды бидистилированной водой и высушивали. Затем промывали раствором дитизона 0,01 г/дм³ и хлороформом и высушивали на воздухе в вытяжном шкафу.
Измерения проводили на полярографе в режиме переменного тока с ртутно-капельным электродом в электролизере вместимостью 5см3. Полярограмму записывали при напряжении от -0,6 до -1,0 относительно донной ртути, выбирая режим работы в соответствии с инструкцией к полярографу.
Прямое полярографирование использовали в тех случаях, когда массовая доля кадмия или свинца в пробе обеспечивает получение четкого пика металла в полярограмме, а состав элементов в золе не создает помех. Для этой цели в две конические колбы вместимостью 10 или 25 см3 помещали 4 см3 контрольного или испытуемого раствора. В первую колбу добавляли 1 см3 соответствующего фонового электролита и пропускали через раствор азот или другой инертный газ в течение 10 минут. Затем раствор немедленно переносили в электролизер, предварительно промытый дистиллированной водой, фоновым электролитом и полярографируемым раствором, полярографировали и измеряли высоту пика токсикоэлемента .
Во вторую колбу вносили добавку - стандартный размер в таком количестве, чтобы высота пика токсикоэлемента на полярограмме, примерно удвоилась, по сравнению с первоначальной. Добавку следует вносить в малом объеме (не более 1 см3 ), чтобы предотвратить изменение концентрации фонового электролита и зольных элементов. Затем в колбу добавляли фоновый электролит в объеме, необходимом для доведения его до 5см3. Пропускали инертный газ, полярографировали в тех же условиях и измеряли высоту пика токсикоэлемента.
Полярографирование с предварительным внесением токсикоэлемента в испытуемый раствор проводили при анализе образцов с низкой массовой долей токсикоэлементов или в тех случаях, когда на полярограмме вследствие помех из-за сложного элементарного состава золы наблюдался только нечеткий изгиб в области пика токсикоэлемента. Для определения в две конические колбы вместимостью 10 или 25 см помещали по 4 см контрольного или испытуемого раствора и добавляли минимальное количество токсикоэлемента (0,2-0,5 мкг), которое обеспечило бы получение на полярограмме четкого пика кадмия или свинца.
Далее поступали так же, как и при прямом полярографировании. Массовую долю токсикоэлемента (X) в мг/кг или массовую концентрацию (X) в мг/дм вычисляли по высоте пиков, измеренных на полярограмме с помощью линейки с погрешностью до 1 мм, соответственно по формулам:
- при прямом полярографировании:
- при полярографировании с предварительным внесением токсикоэлемента:
где Н1 - высота пика, полученного при первом полярографировании, мм;
Н2 - высота пика, полученного при втором полярографировании, мм;
V2 - объем испытуемого раствора после внесения добавки, см;
V1- объем испытуемого раствора, приготовленного из озоленной навески, см;
М - масса навески продукта, взятая для озоления, г;
V - объем продукта, взятый для озоления, см;
Хк - масса свинца или кадмия в контрольном растворе, мкг;
M1 - масса токсикоэлемента, добавленная перед вторым полярографированием, мкг; М2 - масса токсикоэлемента, предварительно добавленная для получения четкого пика токсикоэлемента, мкг Мк – масса токсикоэлемента в контрольном растворе, мкг.
2.2 Гистологические методы исследования
Кусочки органов размером 0,5х0,5 см фиксировали в 10% растворе нейтрального формалина в течение 48 часов при комнатной температуре. Срезы изготавливали на санном микротом толщиной 5-7мкм. Окраску срезов проводили гематоксилином Эрлиха с последующее докраской 1 % раствором эозина и судана III на жир. Окрашенные срезы заключали в полистирол. Изучение срезов проводили под световым микроскопом при увеличении в 400 раз
3. Результаты исследований
3.1 Накопление свинца и кадмия в органах крыс
При исследовании наличия химических веществ в биологических объектах, прежде всего, необходимо изучить накопление и распределение их в организме. Это необходимо для того, чтобы можно было судить о материальной кумуляции токсикоэлементов в организме и установлении органа накопителя. Изучение накопления и распределения свинца и кадмия в организме дает возможность проведения корреляции между патологическим процессом в органах, содержанием токсикоэлементов в них и изменением биологических показателей в крови животных.
Скорость всасывания соединений тяжелых металлов, их распределение и токсичность зависит не только от биологических особенностей органов пищеварения, а так же физико–химических свойств всасываемых веществ, взаимодействие их с компонентами пищи и от присутствия в кормах различных добавок.
Как известно, содержание протеина в рационе влияет на всасывание токсикоэлементов в организме животных.
В ходе исследований было установлено, что больше всего свинца накапливается в органах крыс, причем больше всего он накапливается в почках и составляет 11,85 ± 0,12 мг/кг. Если сравнивать с контрольной группой, то содержание свинца увеличивается в 24 раза (Р<0,001).
В печени уровень свинца увеличивается в 15 раза, а в сердце 13 раз и составляет – 7,58 ± 0,67 мг/кг и 5,61 ± 0,47 мг/кг соответственно.
При поступлении в организм крыс соединения кадмия на протяжении двух недель, его уровень также больше всего увеличивается в органах крыс.
Содержание токсикоэлемента составляет: в почках – 0,94 0,21 мг/кг, в печени – 0,71 0,62 мг/кг и в сердце –0,75 0,32 мг/кг, т.е. это количество больше, чем в контрольной группе: в почках в 35,7 (Р<0,001), в печени – 23 раза (Р<0,001) и в сердце – в 28 раз (Р<0,01).
Таблица 1. Содержание свинца и кадмии в органах крыс.
| Органы | Контрольная группа, содержание свинца | Контрольная группа, содержание кадмия | Группа, получавшая мясо, содержащее свинец | Группа, получавшая мясо, содержащее кадмий |
| Почки | 0,48 0,08 | 0,04 0,01 | 11,85 0,12 | 0,94 0,21 |
| Печень | 0,52 0,07 | 0,05 0,01 | 7,58 0,67 | 0,71 0,62 |
| Сердце | 0,43 0,06 | 0,03 0,01 | 5,61 0,47 | 0,75 0,32 |
3.2 Биохимические показатели сыворотки крови крыс
В ходе исследований было установлено, что у крыс, получавших соединения свинца с мясом, количество общего белка в сыворотке крови уменьшается по сравнению с контролем в 1,3 раза и составляет 53,4 ± 0,5 г/л (Р<0,001) (Таблица 1 ).
Содержание белка в сыворотке у крыс, получавших соединения кадмия с мясом составляет 59,7 ± 0,2 г/л, т.е. меньше, чем в контрольной группе в 1,1 раз (Р<0,001). (Таблица 2 ).
Количество альбуминов в сыворотке крови этой группы также уменьшается при поступлении свинца – в 1,2 раза и при поступлении кадмия – 1,1 раз и составляет 31,6 ± 1,3 г/л и 35,5 ± 0,4 г/л соответственно (Р<0,01).
А уровень глобулинов в тоже время увеличивается, при поступлении в организм свинца – в 1,4 раза и при поступлении кадмия – 1,5 раза и составляет 31,1 ± 0,7 г/л и 34,1 ± 0,7г/л соответственно.
За счет увеличения количества глобулина и уменьшения альбумина в сыворотке крови уменьшается и коэффициент А/Г. Если в контрольной группе он составил 1,70, то во 2-ой группе он равен 1,02 и в 3-ой группе – 1,04.
Таблица 2. Биохимические показатели крови крыс
| Показатели | 1группа контроль | Группа, получавшая мясо, содержащее свинец | Группа, получавшая мясо, содержащее кадмий |
| Общий белок, г/л | 68,2±0,5 | 53,4±0,5 | 59,7 0,2 |
| Альбумин, г/л | 37,1±0,3 | 31,6±1,3 | 35,5 0,4 |
| Глобулин, г\л | 21,8±0,6 | 26,5±0,09 | 24,2 0,1 |
| Коэффициент А/Г | 1,70 | 1,19 | 1,46 |
| Глюкоза, ммоль/л | 5,76±0,04 | 3,38±0,16 | 4,49 0,13 |
| Общий биллирубин, ммоль/л | 3,70±0,62 | 8,78±0,14 | 11,80 1,14 |
| Холестерин, мкмоль/л | 11,10±0,01 | 12,20±0,33 | 14,7 0,14 |
| АсАТ, ммоль/л | 1,13±0,07 | 1,76±0,09 | 1,62 0,04 |
| АлАТ, ммоль/л | 0,55±0,02 | 1,09±0,08 | 0,98 0,01 |
| Щелочная фосфатаза, ммоль/л | 1,08±0,03 | 3,09±0,04 | 4,11 0,01 |
Таким образом, при поступлении в организм крыс соединений свинца и кадмия с мясом уровень белка в сыворотке крови уменьшается в 1,3 раза и 1,1 раз, альбумина – в 1,2 и 1,1 раз, а количество глобулина увеличивается в 1,4 и 1,5 раз соответственно.
Проведенные нами исследования по определению показателей безазотистых органических компонентов показали, что в cыворотке крови крыс, получавших соединение свинца, уровень холестерина увеличился в 1,1 раз и составил 12,20 ± 0,33 мкмоль/л (Р<0,01), а у крыс, получавших соединения кадмия – в 1,32 раза и составил 14,7 ± 0,14 мкмоль/л (Р<0,001).
Наблюдается уменьшение количества глюкозы в сыворотке крови крыс при поступлении в организм кадмия и составило: в 3-ей группе – 4,49 ± 0,13 ммоль/л т.е. произошло уменьшение в 1,28 раз (Р<0,001), в 1,15 раз (Р<0,01), и в 1,02 раза (Р<0,01) соответственно
Причиной или следствием различных патологических состояний является нарушение нормального функционирования ферментных процессов. В ходе исследований была определена активность следующих ферментов: аспарагиновой аминотрансферазы (АсАТ), аланиновой аминотрансферазы (АлАТ) и щелочной фосфатазы.
При поступлении в организм крыс соединений свинца с мясом происходит увеличение показателей ферментов сыворотки крови: щелочной фосфатазы в 2,86 раз, АсАТ – в 1,56 раз, АлАТ – в 1,98 раз и составляет 3,09 ± 0,04 ммоль/л, 1,76 ± 0,09 ммоль/л, 1,09 ± 0,08 ммоль/л соответственно (Р<0,001). При этом коэффициент де – Ритиса также уменьшился и равнялся 1,61.
Аналогичные данные были получены и в опытных группах крыс, получавших с рационом соединения кадмия.
Таким образом, увеличение показателей ферментов при интоксикации крыс соединениями свинца и кадмия указывает на патологические изменения в организме.
3.3 Морфологические изменения в органах крыс при поступлении в организм мяса цыплят-бройлеров, содержащего свинец и кадмий
При проведении гистологических исследований необходим самый тщательный анализ морфологических изменений в органах, а затем обобщение наблюдаемых изменений в их взаимосвязи.
Изучая динамику морфологических изменений при различных заболеваниях, сопоставляя эти изменения с функциональными проявлениями болезни, патологическая морфология дает возможность раскрыть механизм болезней, ее патогенез.
Для изучения токсического действия соединения свинца и кадмия на организм крыс нами были проведены гистологические исследования печени, почек, сердца и легких в 3-х группах животных. Одна из исследуемых групп была контрольной.
При исследовании внутренних органов крыс контрольной группы установлено, что печень имеет характерное дольчатое строение (рис.1). Печеночные дольки окружены соединительнотканной прослойкой. На периферии дольки располагаются триоды, состоящие из междолькового желчного протока, междольковых артерий и вен.
Гепатоциты формируют четко выраженные радиально лежащие балки, между которыми находятся умеренные кровенаполненные венозные синусы. Венозные синусоиды в центре долек формируют центральную вену с четко выраженным просветом. Гепатоциты многогранной формы, содержат 1 – 2 ядра, цитоплазма клеток равномерна окрашена.
Паренхима почек состоит из четко выраженного периферического коркового вещества и внутреннего мозгового (Рис. 2 ). В состав коркового вещества входят имеющие характерные структуру почечные тельца, состоящие из клубочков капилляров, капсулы клубочка и извитых канальцев (проксимальных и дистальных), а в состав мозгового – прямые канальцы. Проксимальные канальцы имеют диаметр около 60 мкм, полость его варьирует от узкой щели до широкого округлого просвета. Эпителий проксимальных канальцев состоит из одного ряда кубических клеток с равномерно окрашенной цитоплазмой. Ядра округлой формы с четко выраженной хроматиновой структурой. Дистальные канальцы имеют диаметр 35 мкм, выстланы кубическим эпителием, просвет округлый, хорошо выражен.
Собирательные трубочки мозгового слоя выстланы кубическим или призматическим эпителием. Клетки светлые, границы клеток четко выражены.
Легкие – органы дыхания, состоят из имеющих характерное строение воздухоносных путей и респираторного отдела (Рис. 3 ). Стенки бронхов среднего калибра покрыты однослойным многорядным реснитчатым эпителием или однослойным однорядным мерцательным, в бронхах малого калибра. Собственный слой слизистой оболочки состоит из рыхлой соединительной ткани. Мышечной слой слизистой формируется слоем гладких мышечных клеток ориентированных по спирали. Подслизистая основа сформирована из рыхлой соединительной ткани и включает в свой состав концевые отделы слизисто – белковых желез. Фиброзно-хрящевая оболочка бронхов среднего калибра, характеризуется обширными хрящевыми пластинками, которые в бронхах малого калибра полностью отсутствуют.
Респираторные бронхиолы распадаются на альвеолярные ходы, которые, ветвясь, заканчиваются альвеолярными мешками, состоящими из совокупности респираторных альвеол. Альвеолы выстланы однослойным эпителием, расположенным на базальной мембране. Интерстициальная ткань легкого сопровождают умеренно кровенаполненые кровеносные сосуды и воздухоносные пути, она разграничивает доли и дольки паренхимы органа, ее элементы выявляются в составе долек органа, в стенках альвеол и ходов альвеол.
Для соединительной ткани сопровождающей бронхи, характерны скопление лимфоидной ткани, формирующей по ходу бронхиального дерева лимфоидные узелки.
При исследовании сердца установлено, что эпикард и эндокард имеют свойственное строение (Рис. 4 ).
Основная часть миокарда, рабочая сердечная ткань, сформирована из миоцитов, прочно соединенных своими концами и образующих многочисленные анастомозы. Зоны контакта миоцитов имеют вид одиночных темноокрашенных прямолинейных или ступенчатых полосок, расположенных перпендикулярно длины оси клеток. Миоциты содержат 1-2 светлых ядра овальной формы, имеющих центральное расположение. Поперечная исчерченность, обусловленная строением миофибрилл, отчетливо выражена. Миоциты окружены тонковолокнистой соединительной тканью (эндомизий миокарда), содержащие многочисленные умеренно кровенаполненые капилляры, обеспечивающие процессы микроциркуляции.
Атипичные миоциты (проводящие) более светлые, имеют неправильную форму и поперечный диаметр в 2-3 раза больше, чем диаметр сократительных миоцитов.
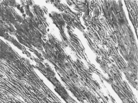
При скармливании крысам мяса цыплят-бройлеров, содержащего свинец, установлено, что структура печени неоднородна (Рис. 5). Наряду с сохранившими нормальное строение дольками, в паренхиме печени обнаруживаются очаги с выраженной зернистой дистрофией, с признаками дистрофического ожирения и участками некроза, наиболее выраженных в дольках с нарушенным балочного строения.
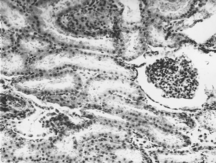
В качестве основных изменений в структуре почек на первый план выступает зернистая дистрофия основной массы эпителия извитых канальцев, петель Генли и собирательных трубочек, а также очаговый некроз эпителия канальцев (Рис.6).
Поражение интерстициальной ткани имеет характер отдельных более или менее многочисленных очагов, разбросанных среди нормальной ткани.
В миокарде (Рис.7) отмечается наличие кровоизлияний, гиперемия сосудов, умеренная очаговая зернистая дистрофия.
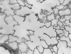
В легких (Рис. 8) отмечается гиперемия сосудов. Междольковые и межальвеолярные перегородки расширены. Альвеолы заполнены воздухом и жидкостью, содержащей незначительное количество белковых веществ и клеточных элементов.
При скармливании крысам мяса цыплят-бройлеров, содержащего свинец, установлено, что в печени (Рис. 9 ) гепатоциты в состоянии умеренной зернистой или очаговой жировой дистрофии, балочное строение долек печени сохранено, венозные синусы расширены, гепатоциты несколько набухшие с мутноватой цитоплазмой, ядра сохранены, контуры их сглажены. В отдельных дольках обнаруживаются группы клеток, в цитоплазме которых выявляются жировые капли различной величины.
Наряду с отмеченными изменениями на периферии отдельных долек отмечаются гепатоциты в состоянии некроза.
В качестве основных изменений в структуре почек (Рис. 10) на первый план выступает зернистая дистрофия основной массы эпителия извитых канальцев, петель Генли и собирательных трубочек, а также очаговый некроз эпителия канальцев. Поражения интерстициальной ткани имеет характер отдельных очагов. В миокарде (Рис.11) сосуды гиперемированы, поперечная исчерченость ослаблена в отдельных участках мышцы. Отмечается умеренная зернистая дистрофия. В легких (Рис. 12) отмечается гиперемия сосудов. Междольковые и межальвеолярные перегородки несколько расширены, альвеолы заполнены воздухом и жидкостью, содержащей незначительное количество белковых веществ и клеточных элементов.
Рисунок 1. Печень. Группа № 1 (контроль)
Печень имеет характерное дольчатое строение. Гепатоциты формируют четко выраженные, радиально лежащие балки. (Увел.400).
Рисунок 2. Почки. Группа № 1 (контроль). Паренхима органа состоит из четко выраженного периферического коркового вещества и мозгового слоя. (Увел.400).
Рисунок 3. Сердце. Группа № 1 (контроль).
Эпикард и эндокард имеет свойственное им строение (Увел. 400).
Рисунок 4. Легкие. Группа № 1 (контроль)
Имеют характерное строение воздухоносных путей и респираторного отдела. (Увел. 400).
Рисунок 5. Печень. Группа № 2 .
В паренхиме обнаруживаются очаги выраженной зернистой дистрофии с признаками дистрофического ожирения и участками некроза (Увел.400).
Рисунок 6. Почки. Группа № 2
Зернистая дистрофия основной массы эпителия извитых канальцев (Увел. 400).
Рисунок 7. Сердце. Группа № 2
В миокарде отмечается наличие кровоизлияний, гиперемия сосудов, умеренная очаговая зернистая дистрофия (Увел.400).
Рисунок 8. Легкие. Группа № 2
Гиперемия сосудов. Альвеолы заполнены воздухом и жидкостью, содержащей белковые вещества и клеточные элементы (Увел.400).
Рисунок 9. Печень. Группа № 3
В клетках печени обнаруживается наличие дистрофического ожирения с признаками зернистой дистрофии. В пораженных участках долек гепатоциты увеличены (Увел.400).
Рисунок 10. Почки. Группа № 3
Изменения структуры почек носят очаговый характер. Некротические изменения выражены в меньшей степени и носят менее распространенный характер (Увел.400).
Рисунок 11. Сердце. Группа № 3
В миокарде гиперемия сосудов, умеренная зернистая дистрофия (Увел.400).
Рисунок 12. Легкие. Группа № 3
Кровеносные сосуды инъецированы. Междольковые перегородки расширены (Увел.400).
Заключение
Актуальной проблемой обеспечения экологически чистого питания населения является максимально возможная безопасность пищевых продуктов, которые могут являться источником и носителем большого числа потенциально опасных и токсичных веществ.
Поэтому изучение влияния свинца и кадмия на безопасность мяса цыплят-бройлеров при накапливании в нём токсикоэлементов является весьма актуальным.
Свинец - и кадмийсодержащие соединения поступали крысам в составе мяса цыплят-бройлеров в течение двух недель.
В ходе исследований было установлено, что больше всего свинца накапливается в органах крыс, причем больше всего он содержится в почках и составляет 11,85 ± 0,12 мг/кг. Если сравнивать с контрольной группой, то содержание свинца больше в 24 раза (Р<0,001).
В печени уровень свинца больше в 15 раза, а в сердце 13 раз и составляет – 7,58 ± 0,67 мг/кг и 5,61 ± 0,47 мг/кг соответственно.
При поступлении в организм крыс соединения кадмия на протяжении двух недель, его содержание также больше всего увеличивается в органах крыс.
Содержание токсикоэлемента составляет: в почках – 0,94 0,21 мг/кг, в печени – 0,71 0,62 мг/кг и в сердце –0,75 0,32 мг/кг, т.е. это количество больше, чем в контрольной группе: в почках в 35,7 (Р<0,001), в печени – 23 раза (Р<0,001) и в сердце – в 28 раз (Р<0,01).
При поступлении в организм крыс соединений свинца и кадмия с мясом происходит увеличение показателей ферментов сыворотки крови (аспарагиновой аминотрансферазы (АсАТ), аланиновой аминотрансферазы (АлАТ) и щелочной фосфатазы), что указывает на патологические изменения в организме.
При скармливании крысам мяса цыплят-бройлеров, содержащего свинец в органах выявлены патологические изменения: дистрофия паренхиматозных клеток печени; в почках - жировая инфильтрация с преимущественным поражением прямых канальцев, которая сочетается с умеренной зернистой дистрофией; в миокарде отмечается гиперемия сосудов, очаговое кровоизлияние, зернистая дистрофия миоцитов; в легких обнаруживается гиперемия кровеносных сосудов, бронхиальный эпителий в состоянии слизистой дистрофии, десквамирован.
При скармливании крысам мяса цыплят-бройлеров, содержащего кадмий, в органах выявлены патологические изменения: в клетках печени обнаруживается наличие дистрофического ожирения с признаками зернистой дистрофии. В пораженных участках долек гепатоциты долек гепатоциты увеличены. Изменения структуры почек носят очаговый характер. Некротические изменения выражены в меньшей степени и носят менее распространенный. В миокарде гиперемия сосудов, умеренная зернистая дистрофия. В лёгких - кровеносные сосуды инъецированы. Междольковые перегородки расширены.
Выводы
1) При поступлении в организм крыс соединений свинца и кадмия на протяжении двух недель, их уровень больше всего увеличивается в органах крыс, особенно в почках.
2) При поступлении в организм крыс мяса цыплят-бройлеров, содержащее соединения свинца и кадмия происходит увеличение показателей ферментов сыворотки крови (аспарагиновой аминотрансферазы (АсАТ), аланиновой аминотрансферазы (АлАТ) и щелочной фосфатазы), что указывает на патологические изменения в организме.
3) В органах крыс выявлены патологические изменения: дистрофия паренхиматозных клеток печени; в почках - жировая инфильтрация с преимущественным поражением прямых канальцев, которая сочетается с умеренной зернистой дистрофией; в миокарде отмечается гиперемия сосудов, очаговое кровоизлияние, зернистая дистрофия миоцитов; в легких обнаруживается гиперемия кровеносных сосудов, бронхиальный эпителий в состоянии слизистой дистрофии, десквамирован.
Практические рекомендации
1) Для проведения оценки биологической безопасности мяса птицы при отравлениях тяжёлыми металлами рекомендуется проводить исследования на лабораторных животных. Результаты оценивать по изменению внутренних органов.
2) Контроль содержания в мясе тяжёлых металлов надо проводить непосредственно при убое птицы, с учётом выявленных признаков отравления.
3) Мясо, содержащее тяжёлые металлы выше МДУ, направлять на проварку, с целью снижения уровня вредных веществ.
СПИСОК ЛИТЕРАТУРЫ
-
Антонович Е.А., Седокур Л.К. Качество продуктов питания в условиях химизации с/х Справочник.-К. Урожай, 1990-240с.
-
Азаров В.Н., Виноградова B.C. Основы микробиологии и пищевой гигиены -М.:Экономика, 1977-190с.
-
Базлов В.Н., Лысак Г.Н.,Полуторнова Т.И. Охрана природы и инженерная защита окружающей среды в пищевой промышленности,-М.;Легкая и пищевая промышленность, 1933-208с.
-
Бандман А.П., Волкова Н.В., Грекова Т.Д. и др. Вредные химические вещества. Неорганические соединения V-VIII групп. Справочное изд. Химия,1989-592с.
-
Бачинский Г.А. Социоэкология: теоретические и прикладные аспекты.-К.Наукова думка, 1991-160с
-
Березов Т.Т., Коровкин Б.Ф. Биологическая химия. М. Издательство "Медицина" 1998, с543-704.
-
Березин И.В., Савин Ю.В. Основы биохимии Учебное пособие -М, Издательство Московского университета, 1990,-253с.
-
Богуш А.А. Ветеринарно-санитарная и биологическая характеристика мяса при содержании тяжелых металлов. Минск, 1996,вып. 32, с 208-213.
-
Бортникова Д.К. Физиология и биохимия с/х. Птицы - М. ,1969,72с
-
Вейзенен Г. Савин В. Тяжелые металлы в кормах и продуктах животноводства (комбикормовая промышленность). 1996,№7,с22-24.
-
Волков И.Б., Ковалев В.Д. Остаточные количества химических веществ в продуктах животного происхождения (Ветеринария) 1994 №4 с 42-44.
-
Габович Р. Д. Припутина Л. С. Гигиенические основы охраны продуктов питания от вредных химических веществ , Здоровье ,1987-248с.
-
Гадаскина Н.Д., Толоконцев Н.А. Яды- вчера и сегодня: Очерки по истории ядов- и.Наука,1988-205с
-
Донченко Л.В., Надыкина В.Д. Безопасность пищевого сырья и продуктов питания-М: Пищепромиздат, 1999,350с.
-
Жвиблярская А. Ю. Основы микробиологии, санитарии и гигиены в пищевой промышленности - М: Пищевая промышленность 1977.-206с.
-
Журавская Н.К., Гутник Б.Е., Журавская Н.А., "Технологический контроль производства мяса и мясопродуктов" -М: Агропромиздат, 1985-296с.
-
Заяс Ю.Ф. Качество мяса и мясопродуктов. -М .: 1903-368с.
-
Зигель X., Зигель А., Некоторые вопросы токсичности ионов металлов - М.: Мир, 1993-368с.
-
Киприянов Н. Н. Контроль содержания тяжелых металлов при оценке качества сырья и пищевых продуктов. ( Обзорная информация. Серия 18 .Консервная овощесушильная и пищеконцентратная промышленность.-М.: АгроНИИТЭИПП,1990,Вып 1-29с.
-
Киприянов Н.А. Состояние и перспектива контроля соединений тяжелых металлов в пищевой воде, сырье,пищевых продуктах и атмосферном воздухе. (Обзорная информация.Серия 14. Обзоры по информацыонному обеспечению. Общесоюзный н-т программ. -М.: АгроНИИТЭИПП , 1991 ,Вып.2-31 с.
-
Киприянов Н.А.,Устюгов Г.П., Фролова С.С. Контроль содержания тяжелых металлов при оценке качества сырья в пищевых продуктах. (Обзорная информация. Серия 14 ) Обзоры по информацыонному обеспечениюн-т программ.-М.: АгроНИИТЭИПП, 1990,Вып. 1 -29с.
-
Клесов А.А. ,Рабинавич М.Л. и др. II Биоорганическая химия.-1980-т.6.-№8.-с1225-2242.
-
Кнорс Д.Г.,Мизина С.Д. Биологическая химия. М; Высшая школа 1998 480 с.
-
КормилицынВ. И. , Цлукишвилли М.С., Япамов Ю. И. Основы экологии.-М.: Колос, 1995-271 с
-
Крамаренко В.Ф. Токсикологическая химия Киев, ИО. "Высшая школа", 1989.
-
Ленинджер А.А. Основы биохимии. Т. 1-3-М. Высшая школа. 1989-495.
-
Ливчак И.Ф., Воронов Ю.В., Стрелков Т. В. Охрана окружающей среды. -М.: Колос, 1995-271С.
-
Малина В.П. Свинец .-М.: Наука, 1986-357С.
-
Медико-биологические требования и санитарные нормы качества продовольственного сырья и пищевых продуктов. -М.: Издательство стандартов 1990-185с.
-
Николаев А.Я. Биологическая химия, М. : Высшая школа. 1989-495с.
-
Овчинников Ю.А. Биоорганическая химия .М.: Просвещение, 1987.
-
Полянский Н.Г. Свинец.-М.:Наука, 1986-357с.
-
Страйдер Л. Биохимия.Т. 1-3.-М: Мир, 1984.
-
Сырье и продукты пищевые .Методы определения токсичных элементов. -М. Издательство стандартов, 1994-127с.
-
Тутельи В.А., Бондарев г.и., Мартинчик А.А. Питание и процессы биотрансформации чужеродных веществ. Итоги науки и техники. Токсикология. М.: ВИНИИТИ,1983- 128с.
-
Уша Б.В. ,Кузин В. С.,Жавнис С.Э., Филатова Г.В. Биохимические исследования крови у с\х животных II Методические указания МТИМНП.-М.1987-ЗЗс.
-
Экология и безопасность. Справочник .-В 3-х томах -М: ВНИИПИ,1992.
















