5209 (585185), страница 12
Текст из файла (страница 12)
- оказание медицинской помощи пострадавшим;
- эвакуация пострадавших и материальных ценностей в зоне ЧС;
- подача воздуха в заваленные помещения;
- организация управления и связи в зоне ЧС;
- обеспечение общественного порядка в зоне ЧС;
- проведение аварийно-спасательных работ связанных с тушением пожаров в зоне ЧС;
- разборка завалов, расчистка маршрутов и устройство проездов в завалах;
- укрепление или обрушение поврежденных и грозящих обвалом конструкций зданий, сооружений на путях движения и в местах работ;
- восстановление отдельных участков энергетических и водопроводных сетей для обеспечения противопожарного водоснабжения;
- работы по инженерной и организационной подготовке участков спасательных работ и рабочих мест в зоне ЧС (расчистка площадок, установка на площадках техники, ограждений и предупредительных знаков, освещение рабочих мест);
- ликвидация аварий на коммунально-энергетических сетях в зоне ЧС;
- газоспасательные работы;
- ликвидация (локализация) ЧС, связанных с разгерметизацией систем, оборудования, выбросом в окружающую среду взрывоопасных и токсичных продуктов [33].
Успех проведения аварийно-спасательных и других неотложных работ в зоне ЧС достигается за счет заблаговременно проведенной подготовки спасательных формирований, в том числе:
-
изучение обстановки сложившейся на обслуживаемой территории при ЧС;
-
изучения особенностей основных объектов расположенных на территории ТГПЗ;
-
оценки маршрутов выдвижения в район возможных действий;
-
планирования организации управления, проведения расчета сил и средств связи;
-
организации взаимодействия с соответствующими комиссиями по чрезвычайным ситуациям по вопросам совместных действий при ведении аварийно-спасательных и других неотложных работ при ЧС [33].
Проведение аварийно-спасательных и других неотложных работ в зоне аварии на ТГПЗ осуществляется согласно блок-схемы, представленной на рисунке 4.1.
4.3 Районы расположения формирований и время их выдвижения в зону чрезвычайной ситуации
После получения сигнала об аварии на ТГПЗ первым эшелоном в зону ЧС выдвигаются силы постоянной готовности - объектовые, находящиеся на территории ТГПЗ - газоспасательный отряд, пожарная часть ПЧ-147, медицинские формирования (3 санитарных поста). Время их готовности,
после получения сигнала от дежурного диспетчера предприятия о возникновении ЧС составляет 5 минут [36].
Вторым эшелоном, по решению руководителя ликвидации ЧС, для наращивания основных сил и средств выдвигается пожарная часть ПЧ-48, расположенная на расстоянии 5,3 км и ПЧ-146, расположенная на расстоянии 6,2 км. Для оказания медицинской помощи пострадавшим и эвакуации их в лечебные учреждения в зону ЧС выдвигается бригада скорой медицинской помощи, сформированная на базе больницы №1 г.Туймазы, находящейся на расстоянии 7 км. Для спасения пострадавших из-под завалов прибывает спасательные формирования аварийно-спасательной службы г.Туймазы, находящейся на расстоянии 5,0 км (рисунок 1 Приложения Б).
Время выдвижения формирований из мест дислокации в зону ЧС определяется по формуле:
t = tд.с. + tсб + tсл + tб.р, , (4.1)
где tд.с. - время до сообщения о пожаре, мин. Равно времени от начала возникновения пожара до сообщения о нем в пожарную часть. Принимается равным 5 минутам;
tсб - время обработки информации и сбора личного состава по тревоге (принимается не более 1 мин.);
tсл - время следования на пожар, мин. Определяется практически при наибольшей интенсивности движения транспорта или по формуле:
tсл = L 60 / Vсл, (4.2)
где L - расстояние от места дислокации формирования до объекта, км,;
Vсл - средняя скорость движения автомобиля, км/ч.
Vсл=40 км/ч для пожарных машин, Vсл=80 км/ч для машин скорой помощи и машин аварийно-спасательной службы.
Время следования ПЧ-48 до объекта: t = 5,3 60 / 40 = 7 мин.
Время следования ПЧ-146 до объекта: t = 6,2 60 / 40 = 8 мин.
Время следования БСМП до объекта: t =7 60 / 80 = 5 мин.
Время следования АСФ до объекта: : t =5 60 / 80 = 4 мин
tб.р. - время боевого развертывания, которое принимается от 3 до 5 мин.
Подставляя данные значения в формулу (4.2) получаем общее время выдвижения:
- ПЧ-48 до объекта: tсв = 5 + 1 + 7 + 4 = 17 мин.
- ПЧ-146 до объекта: tсв = 5 + 1 + 8 + 4 = 18 мин.
- БСМП до объекта: tсв = 5 + 1 + 5 + 4 = 15 мин.
- АСФ до объекта: tсв=5+1+4+4=14 мин.
Данные о времени прибытия формирований РСЧС в зону бедствия позволяют повысить эффективность и точность планирования аварийно-спасательных работ.
4.4 Организация разведки в зоне ЧС
Разведка – важнейший вид обеспечения действий формирований. Она организуется и ведется с целью своевременного добывания данных об обстановке, необходимых для принятия обоснованного решения и успешного проведения спасательных и неотложных аварийно-восстановительных работ в очагах поражения и зонах катастрофического затопления, районах стихийных бедствий, аварий, катастроф.
Разведка зоны ЧС, где планируется проведение АСДНР, включает в себя инженерную, пожарную и медицинскую разведку.
Пожарная разведка проводится для выявления и уточнения пожарной обстановки в зоне ЧС. После установления районов и масштабов пожаров определяются пути отхода и наиболее удобные рубежи локализации огня для обеспечения продвижения формирований к месту проведения спасательных работ [19].
В ходе разведки пожара устанавливают:
- какая площадь охвачена огнем, какой продукт горит и какому оборудованию угрожает; наличие продукта на установке и какие операции происходят, возможность перекрытия продукта;
- состояние горящих и смежных сооружений, наличие в них продуктов, давление и температура;
- состояние задвижек, трубопроводов, возможность остановки поступления газа на установки;
- возможность обвалования горящей жидкости на площадке под колоннами;
- наличие угрозы взрывов, деформации конструкций и разлива жидкости из аппаратуры, либо утечек горючих паров и газов;
- отключена ли установка от сырьевых и товарных линий;
- наличие и состояние промышленной канализации, опасность переброса по ней огня на соседние установки.
Медицинская разведка определяет количество и состояние пораженных, места сосредоточения пораженных перед их эвакуацией в лечебные учреждения и места развертывания медицинских формирований, объем работ, и необходимое количество привлекаемых сил и средств для их проведения.
В ходе медицинской разведки устанавливают:
местонахождение и количество пострадавших, приемы и способы их спасения;
безопасные места сбора пострадавших и способы их эвакуации;
определение мест, удобных для развертывания медицинских пунктов, пунктов санитарной обработки;
Инженерная разведка проводится для установления степени и характера разрушений, состояния коммунально-энергетических сетей, дорог, мостов, переправ, местонахождения пострадавших, определения объемов и способов проведения поисково-спасательных и аварийно-восстановительных работ [19]. В ходе инженерной разведки определяются:
зона ЧС;
степень разрушения зданий и сооружений, объем завалов, приемы и способы извлечения пострадавших из-под завалов;
состояние подъездных путей;
состояние коммунально-энергетических сетей;
наличие участков, опасных для работы спасателей по причинам возможного взрыва, пожара, обрушения конструкций, наличие электросетей под высоким напряжением.
необходимое количество и тип аварийно - спасательной техники и оборудования для проведения работ.
Первичная разведка производится разведывательной группой в составе 2 расчетов из 3 человек, сформированной на основе газоспасательного отряда объекта экономики.
Время следования к месту пожара определим по формулам (4.1) - (4.2):
tсл = L 60 / Vсл, (4.2)
где L =0,2 км- расстояние от места дислокации формирования до места ЧС;
Vсл =20 км/ч- средняя скорость движения автомобиля на объекте экономики.
tсл = L 60 / Vсл=0,260/20=1 мин
Время следования газоспасательного отряда к месту ЧС:
t = 2 + 1 + 1 + 2 = 5 мин.
Зоной разведки является квадрат зоны средних разрушений со стороной примерно 100 м (рисунок 3 Приложения Б), при разведке объект разбивается на 2 участка шириной 50 м и длиной L = 100 км, скорость движения разведчиков принимается 2 км/ч, тогда время проведения первичной разведки равно:
tр= 2 L60/ Vр = 2·0,1·60/2=6 мин
Расчет оснащается средствами связи и индивидуальной защиты, шанцевым инструментом, средствами обозначения мест нахождения пострадавших, средствами оказания первой медицинской помощи.
Обнаруженные пострадавшие опрашиваются об их состоянии, полученных травмах, условиях, в которых они оказались, и о наличии в помещениях других пострадавших. По возможности им оказывается первая медицинская помощь. После этого пострадавшие направляются на пункты сбора пораженных. При невозможности безопасного передвижения пострадавших их местоположение обозначается специальными указателями, размеры, форма и содержание которых устанавливается командиром подразделения.
Специалисты, действующие в составе разведдозора, выявляют и уточняют обстановку применительно к задачам, которые придется выполнять специальным подразделениям, обеспечивающим действия спасателей. Участки пожара, обходы завалов, неустойчивые конструкции, места нахождения пострадавших обозначаются установленным порядком.
О результатах разведки командиры разведывательных дозоров докладывают выславшим их командирам (штабам).
По завершении выполнения поставленной задачи разведывательный дозор останавливается, ведет наблюдение, командир дозора докладывает о выполнении задачи и действует в соответствии с полученным указанием.
Ведение разведки прекращается только по приказу командира (начальника), выславшего разведку. Параллельно с ведением разведки формирования приступают к поиску пострадавших.
Таким образом, для ведения разведки потребуется 6 человек личного состава (газоспасательный отряд) и 2 автомобиля УАЗ-469.
4.5 Организация спасения людей, находящихся в завалах
Поиск пострадавших под завалами разрушенных зданий представляет собой совокупность действий личного состава поисковых подразделений, направленных на обнаружение и уточнение местонахождения людей, их функционального состояния и объема необходимой помощи [37].
Поиск пострадавших производится силами специально подготовленных поисковых подразделений спасателей (групп, звеньев, расчетов) после проведения рекогносцировки, инженерной разведки очага поражения и объекта работ.
В зависимости от наличия соответствующих сил и средств поисковые работы могут вестись следующими способами:
сплошным визуальным обследованием участка спасательных работ (объекта, здания);
с использованием специальных приборов поиска (технический способ).
4.5.1 Расчет параметров завалов, образующихся при полных и сильных разрушениях зданий
Анализ характера разрушений зданий при чрезвычайных ситуациях показал, что здания при полном разрушении практически полностью превращаются в обломки, образуя завалы. При разрушении зданий на ступень ниже полной в расчетах можно принять, что объем завалов составляет примерно 50% от объемов завалов зданий в случае их полного разрушения [34].
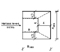
Длина завала – геометрический размер завала в направлении наибольшего размера А здания при вне здания:
Азав = A + L, (4.3)
Ширина завала – геометрический размер завала в направлении наименьшего размера В здания при взрыве вне здания:
Взав = В + L, (4.4)
Высота завала (h) – расстояние от уровня земли до максимального
уровня обломков в пределах контура здания.
Основными факторами, определяющими высоту завала, являются этажность здания и величина действующего давления во фронте воздушной ударной волны. Чем больше давление, тем дальше разлетаются обломки, что приводит к уменьшению высоты завала (рис.4.2).
Н – высота здания;
h – высота завала;
Взав – ширина завала;
А – длина здания;
Азав- длина завала.
Рисунок 4.2 – Расчетная схема образования завала при взрыве вне здания
Объем образовавшегося завала:
, (4.5)















