165630 (582545)
Текст из файла
Контрольная работа на тему:
Аппаратура для современной жидкостной хроматографии
АППАРАТУРА ДЛЯ ВЭЖХ
В современной жидкостной хроматографии используют приборы самой различной степени сложности — от наиболее простых систем, собранных из минимально необходимого количества блоков, до комплектных хроматографов, снабженных мини-компьютерами, которые контролируют заданные рабочие параметры, формируют градиент подвижной фазы, управляют различными дополнительными устройствами (автоматический ввод 1-пробы, коллектор фракций и др.) и проводят обработку получаемых данных. Комплектные приборы с высокой степенью автоматизации обычно обеспечивают высокую производительность и точность результатов, что особенно важно в производственных условиях для контроля качества продукции. Однако самостоятельная сборка хроматографа из отдельных блоков дает возможность легко модифицировать прибор в зависимости от поставленной задачи и более эффективно использовать имеющееся оборудование.
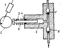
Рис. 1.1. Принципиальная схема жидкостного хроматографа: 1 — сосуд для подвижной фазы; 2 — насос; 3 — манометр; 4 — фильтр; 5 — демпфер; 6 — термостат; 7 — инжектор; 8 — колонка; 9 —детектор; 10 — самописец
На рис. 1.1 представлена принципиальная схема современного жидкостного хроматографа. При необходимости этот продетой прибор может быть снабжен различными дополнительными устройствами.
-
НАСОСЫ
Современные насосы для жидкостной хроматографии представляют собой прецизионные устройства, обеспечивающие постоянную подачу растворителя в колонку и способные создавать давления до нескольких десятков мегапаскалей. Производительность насосов находится в диапазоне от 1 мкл/мин (микроколоночная и капиллярная хроматография) до 25—100 мл/мин (препаративная хроматография). Насосы для ВЭЖХ должны удовлетворять следующим основным требованиям.
-
Химическая инертность материалов по отношению к подвижной фазе. Металлические детали насоса, контактирующие с подвижной фазой, обычно изготавливают из нержавеющей стали, а уплотнения—из высокоинертных нерастворимых материалов (как правило, на основе фторопласта или полиимидов). Нержавеющая сталь не является полностью инертным материалом и коррозирует под действием сильных оснований, некоторых солей и слабой хлороводородной кислоты, которая часто присутствует в виде примеси в галогеносодержащих растворителях. Для особых случаев эти детали изготавливают из более стойких материалов — титана, специальных сплавов или керамики. Некоторые уплотнения разрушаются под действием отдельных растворителей (чаще всего хлорированных углеводородов), поэтому необходимо строго соблюдать рекомендации, изложенные в инструкции к насосу.
-
Достаточно высокое рабочее давление. Необходимое рабочее давление определяется сопротивлением используемых колонок и скоростью потока и может колебаться в весьма широких пределах. Можно считать, что давление 15—20 МПа достаточно для решения большинства аналитических задач. Однако лучше иметь насос с полутора—двукратным запасом подавлению, так как при этом существенно облегчаются условия его работы, особенно уплотнений и клапанов. В данном случае стабильность потока подвижной фазы будет сохраняться значительно дольше, чем у насоса, работающего при давлениях, близких к предельным.
-
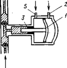
Высокая стабильность скорости потока. Точность поддержания скорости потока в колонке во многом определяет результаты как качественного, так и количественного анализа. Для основных вариантов ВЭЖХ нестабильность потока не должна превышать 0,5—1%. В эксклюзионной хроматографии при анализе молекулярно-массового распределения полимеров требования еще выше—0,1—0,3%. Кроме того, весьма желательно, чтобы насос не давал пульсации потока и имел малый рабочий объем для быстрой смены растворителя в режиме градиентного. элюирования. Все насосы для ВЭЖХ делятся на две группы: постоянного расхода и постоянного давления. Главными достоинствами насосов постоянного давления являются высокая производительность и отсутствие пульсации. Наиболее совершенной конструкцией насосов этого типа является насос с пневмоусилителем, принципиальное устройство которого показано на рис. 1.2. Поршень 1 большого диаметра, приводимый в действие газом, поступающим по штуцеру 2, связан с поршнем 3 меньшего диаметра, который через систему клапанов 4 осуществляет подачу жидкости из резервуара в колонку. Для быстрого перезаполнения насоса обратный ход поршня происходит под действием давления газа, поступающего через штуцер 5. Максимальное давление, развиваемое таким насосом, зависит от отношения площадей поршней и входного давления газа. В известном насосе фирмы «Хаскел», используемом для упаковки колонок, оно достигает 100 МПа. Основной недостаток насосов постоянного давления — изменение расхода подвижной фазы при изменении сопротивления системы. Сопротивление колонки может повыситься из-за загрязнения входного фильтра, насадки или предколоночного фильтра. Оно меняется с изменением вязкости растворителя, происходящим при колебаниях температуры и практически всегда наблюдающимся при градиентном элюировании. Поэтому насосы данного типа постепенно вытесняются насосами постоянного расхода и применяются, главным образом, в препаративной хроматографии и для набивки колонок.
Рис. 1.2. Схема насоса постоянного давления 1—поршень воздушного цилиндра; 2, 5 — штуцеры подачи воздуха; 3 — поршень насоса;4 — клапаны
Рис. 1.3. Схема поршневого насоса постоянного расхода: 1 — электродвигатель; 2 — эксцентрик; 3 — поршень; 4 — уплотнение; 5 — цилиндр; 6 — входной клапан; 7 — выходной клапан; 8 — возвратная пружина
Насосы постоянного расхода разделяются на две основные группы: шприцевые и возвратно-поступательные. Шприцевые насосы, как следует из их названия, по конструкции представляют собой шприц достаточно большой вместимости, в котором электродвигатель через силовую передачу перемещает поршень, выдавливающий растворитель с постоянной скоростью. После прохождения всего рабочего объема шприца поток прерывается для перезаполнения поршня. Из-за этого недостатка и сложности изготовления уплотнений большого диаметра шприцевые иасосы средней производительности (до 5—10 мл/мин) практически вышли из употребления. Однако в связи с быстрым развитием микроколоночной хроматографии, в которой расход подвижной фазы сравнительно невелик, конструкторы насосов вновь возвращаются к этой системе, важными достоинствами которой являются высокая точность, беспульсационная подача растворителя и отсутствие клапанов. Видимо, в ближайшем будущем можно ожидать значительного увеличения выпуска шприцевых насосов малой производительности. Возвратно-поступательные насосы используют в ВЭЖХ наиболее широко, так как они удовлетворяют большинству требований. Практически единственный их принципиальный недостаток — пульсация потока, для сглаживания которой применяют специальные демпфирующие устройства, описанные ниже. Менее существенны недостатки — нарушение нормальной работы клапанов за счет их загрязнения механическими примесями в подвижной фазе и образование паровых пробок во время такта всасывания при работе с растворителями, имеющими высокое давление паров (пентан, метиленхлорид и др.). Данные насосы выпускают двух типов: поршневые, или плунжерные, и мембранные, или диафрагменные. В обоих случаях прокачивание растворителя происходит за счет возвратно-поступательного движения поршня или мембраны в полости, ограниченной шариковыми клапанами.
В мембранных насосах поршень перемещается в полости с маслом, вызывая знакопеременные изгибы мембраны, укрепленной на другой стороне полости. Достоинством данных насосов является отсутствие контакта растворителя с уплотнением поршня. При этом существенно снижаются требования к материалу уплотнения поршня, а продукты его эрозии не могут засорить клапаны насоса. Изменение производительности насоса осуществляется либо изменением рабочего объема цилиндра (посредством ограничения хода поршня), либо изменением частоты перемещения поршня. Второй способ обеспечивает более точную подачу растворителя, особенно при низких расходах.
В насосах с обычной круглой формой эксцентрика продолжительность тактов всасывания и нагнетания одинакова, что приводит к достаточно высокому уровню пульсации потока. Конструкторам удалось заметно снизить пульсацию за счет использования эксцентриков специально рассчитанной сложной формы, которые обеспечивают резкое сокращение протяженности такта всасывания. При окончании такта нагнетания происходит быстрее перезаполнение насоса и сразу же начинается новый цикл. Высокая стабильность потока достигнута также при существенном уменьшении рабочего объема насоса с одновременным увеличением частоты движения поршня (до 50 Гц). В этом случае растворитель подается маленькими порциями, быстро следующими друг за другом.
Недостатком описанных систем является повышенная склонность к образованию паровых пробок при работе с легкокипящими растворителями, поэтому в некоторых конструкциях введено специальное регулирование продолжительности перезаполнения насоса. Очень часто для снижения пульсации используют насосы с двумя и даже с тремя головками и различные системы электронного регулирования. Уровень пульсации у простого насоса с одной головкой составляет около 9%; применение двух головок, работающих в противофазе, снижает его примерно до 3%. Наиболее сложные насосы с тремя головками и специально рассчитанной формой кулачка при малом рабочем объеме обеспечивают подачу растворителя почти без пульсации с неравномерностью не более 0,2%. По последним данным, применение схем электронного регулирования с обратной связью позволяет снизить эту величину вдвое.
При давлениях выше 10—15 МПа начинает проявляться сжимаемость некоторых растворителей, что приводит к уменьшению скорости потока. Поэтому многие насосы снабжают специальными системами поправки на сжимаемость подвижной фазы.
Достоинством поршневых насосов является возможность легко изменять производительность за счет использования сменных головок с иным диаметром поршня. Смена головки занимает не более нескольких минут. Ко многим моделям насосов выпускаются сменные головки для препаративной хроматографии с производительностью до 25—50 мл/мин, а некоторые конструкции имеют до трех сменных головок.
Большинство современных насосов снабжено указателями и ограничителями нижнего и верхнего пределов рабочего давления. Давление в хроматографической системе является исключительно важным параметром, и его необходимо контролировать. Для этой цели обычно используют указатель давления с проточными тензодатчиками. Объем датчиков очень мал, поэтому не возникает затруднений при замене растворителя в градиентном элюировании. Ограничители давления автоматически отключают насос при выходе давления из установленного диапазона, что существенно повышает безопасность работы. Ограничитель верхнего предела также очень полезен для предотвращения порчи колонок с некоторыми сорбентами, которые могут разрушиться при превышении допустимого для них рабочего давления. Одним из последних достижений является новая конструкция насосной системы, разработанная фирмой «Хьюлет Пакард» (США) для жидкостного хроматографа модели 1090. В этой весьма сложной системе разделены функции точного дозирования жидкости и создания необходимого давления, что в частности, устраняет влияние сжимаемости жидкости на точность подачи. Блок дозирования представляет собой сдвоенный шприцевой насос с вместимостью каждого шприца 110 мкл, с шаговым электродвигателем и переключающим клапаном. Когда один шприц подает растворитель, другой заполняется. Объем, соответствующий одному «шагу» электродвигателя, составляет 7 нл. В конце цикла направление хода поршней меняется и одновременно срабатывает быстродействующий клапан, переключающий направление потоков жидкости. Процесс переключения занимает всего 50 мс. Давление, создаваемое шприцевым насосом, не превышает 0,6 МПа. В приборе могут быть установлены три таких блока, что позволяет работать в режиме градиентного элюирования с тремя растворителями. Из блоков дозирования, управляемых микропроцессором, растворители поступают в смеситель вместимостью 9 мкл, затем в диафрагменный насос, работающий с частотой 10 Гц по обычной схеме и создающий давление до 44 МПа, и далее в демпфер малого объема. В описанной системе достигнуты поистине уникальные характеристики: при скорости потока от 1 мкл/мин до 5 мл/мин нестабильность потока составляет менее 1%, а воспроизводимость результатов в режиме градиентного элюирования лучше 1%. Такие параметры позволяют успешно работать с колонками любых типов, применяемыми в аналитической ВЭЖХ. Разнообразие конструкционных решений, направленных на стабилизацию расхода растворителя, привело к тому, что ассортимент возвратно-поступательных насосов, выпускаемых различными фирмами мира, весьма широк. В то же время не существует насоса, имеющего наивысшие эксплуатационные характеристики для всех возможных областей применения. Хотя наиболее сложные и дорогие модели, естественно, дают наилучшие результаты, но для их эксплуатации требуется, высокая квалификация оператора и обслуживающего персонала. Так, в насосе с тремя головками вероятность засорения клапана значительно выше, а отыскать засоренный клапан гораздо труднее, чем в насосе с одной головкой. Поэтому такие насосы следует применять только при необходимости наивысшей точности подачи растворителя, например в эксклюзионной хроматографии полимеров. Можно считать, что в большинстве вариантов ВЭЖХ вполне удовлетворительную работу обеспечит насос с двумя головками, оптимизированной формой эксцентрика и регулированием расхода путем изменения частоты ходов поршня.
1.2 УСТРОЙСТВА ДЛЯ ФОРМИРОВАНИЯ ГРАДИЕНТА
Назначение устройства для формирования градиента — изменять в ходе анализа состав растворителя таким образом, чтобы его элюирующая сила постоянно увеличивалась в соответствии с выбранным законом. Это должно обеспечить элюирование из колонки как слабо, так и сильно удерживающихся веществ с хорошим разделением в виде узких пиков правильной формы и за относительно короткое время анализа. Устройства для формирования градиента могут быть простыми по конструкции или сложными в зависимости от того, какой вид градиента требуется, как часто он используется, какой насос имеется в наличии и т.д. Простейший вид градиента — ступенчатый, для его осуществления на вход насоса устанавливают многоходовой кран, которым последовательно подают в насос растворители от самого слабого до самого сильного, через выбираемые исследователем интервалы времени, поворачивая кран. Такой вид градиента может быть легко автоматизирован, если к крану добавить поворачивающее его устройство и соединить его с таймером. Недостаток ступенчатого градиента — резкие отклонения нулевой линии детекторов, когда до кюветы доходит граница нового растворителя, а также трудность проведения количественного анализа. Близким к такому ступенчатому градиенту является используемый в хроматографе «Милихром». Он формируется в. насосе по принципу «коктейля», несмешивающиеся слои заранее приготовленных растворов разной элюирующей силы последовательно набирают в шприц насоса от самого сильного до самого слабого. В шприце насоса формируется, таким образом, многоступенчатый градиент.
Характеристики
Тип файла документ
Документы такого типа открываются такими программами, как Microsoft Office Word на компьютерах Windows, Apple Pages на компьютерах Mac, Open Office - бесплатная альтернатива на различных платформах, в том числе Linux. Наиболее простым и современным решением будут Google документы, так как открываются онлайн без скачивания прямо в браузере на любой платформе. Существуют российские качественные аналоги, например от Яндекса.
Будьте внимательны на мобильных устройствах, так как там используются упрощённый функционал даже в официальном приложении от Microsoft, поэтому для просмотра скачивайте PDF-версию. А если нужно редактировать файл, то используйте оригинальный файл.
Файлы такого типа обычно разбиты на страницы, а текст может быть форматированным (жирный, курсив, выбор шрифта, таблицы и т.п.), а также в него можно добавлять изображения. Формат идеально подходит для рефератов, докладов и РПЗ курсовых проектов, которые необходимо распечатать. Кстати перед печатью также сохраняйте файл в PDF, так как принтер может начудить со шрифтами.
















