151709 (580627)
Текст из файла
КОНТРОЛЬНА РОБОТА
з дисципліни
“Електротехніка в будівництві”
Задача 1
Рассчитать электрическую цепь синусоидального тока с последовательным соединением приемников.
Для схемы, изображенной на рис.1, известно, что U = 110 B, R1 = 10 Oм, R2 = 10 Oм, L2 = 80 мГн, С2 = 200 мкФ, R3 = 10 Oм.
Определить ток цепи, падение напряжений на элементах цепи, активную, реактивную и полную мощность цепи, коэффициент мощности / cos / цепи. Построить топографическую векторную диаграму.
Рис. 1
Решение. Определяем реактивные сопротивления участков цепи:
Ом
Ом
Общее сопротивление цепи:
Ом
Комплексное значение тока в цепи в показательной форме:
А
Если начальная фаза напряжения не задана, удобнее принять ее равной нулю и расположить вектор напряжения совпадающим с вещественной осью комплексной плоскости. В этом случае мнимая составляющая комплекса напряжения также равна нулю:
110 В.
Рассчитываем комплексные значения напряжений на элементах цепи в показательной и алгебраической формах:
В
В
В
В
В
Активную, реактивную и полную мощности цепи определяем из соотношения:
,
где
- сопряженный комплекс тока,
Знак “ + “ перед реактивной мощностью говорит о том, что она имеет индуктивный характер.
Правильность решения проверяем, составив баланс мощностей:
Вт;
113.23 вар.
Активную и реактивную мощности можно найти следующим образом:
110·3.5·cos(-170)=368.54 Вт;
110·3.5·sin(-170)=113.23 вар,
где — угол между векторами тока и напряжения.
Проверка баланса напряжений показывает, что задача решена правильно:
В
Угол между током и напряжением определяем, сравнивая комплексы напряжений
и тока
:
В,
А,
-170,
0.956.
При построении векторной диаграммы на комплексной плоскости считаем, что потенциал точки е равен 0. Тогда из точки е, помещенной в начало координат, под углом -170 относительно вещественной оси в выбранном масштабе строим вектор UR3. Конец этого вектора будет определять потенциал точки д. Под углом -1070 к вещественной оси строим вектор UC2 определяя потенциал точки г. Из точки г под углом 730 строим вектор UL2, определяя потенциал точки в. Из точки в строим вектор напряжения UR2, определяя потенциал точки б. Из точки б строим вектор напряжения UR1, определяя потенциал точки а. Конец вектора UR1 должен определять потенциал точки а, которая должна лежать на вещественной оси, а длина отрезка еа в соответствии с выбранным масштабом должна быть равной U=110 В.
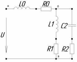
Задача 2
Рассчитать электрическую цепь синусоидального тока со смешанным соединением приемников, схема которой изображена на рис. 2. Дано: U = 380 B, L0 = 19 мГн, R0 = 8 Oм, L1 = 25,5 мГн, R1 = 6 Oм, R2 = 10 Oм, С2 = 396 мкФ.
Определить общий ток цепи
и токи в ветвях
и
, напряжения на участках цепи, активную, реактивную и полную мощности, построить потенциальную диаграмму на комплексной плоскости.
Рис. 2
Решение. Определяем реактивные сопротивления цепи:
Ом
Ом
Ом
Выражаем сопротивление ветвей цепи в комплексном виде:
Ом
Ом
Ом
Перевод комплексных чисел в показательную форму не обязателен, но при умножении и делении комплексных чисел показательная форма записи удобнее.
Находим эквивалентное сопротивление параллельных ветвей:
Ом
Схема рассчитываемой цепи теперь имеет вид цепи с последовательным соединением приемников.
Комплексное сопротивление всей цепи:
Ом
Определим ток
в неразветвленной цепи. Для этого выразим приложенное к цепи напряжение
в комплексной форме. Так как в условии задачи начальная фаза напряжения не задана, принимаем ее равной нулю, располагая тем самым вектор напряжения с вещественной осью комплексной плоскости:
А
Определяем комплексное действующее значение на разветвленном участке цепи:
В
Комплексное действующее значение на неразветвленной части цепи
В
Определяем токи в ветвях цепи:
А
А
Вычисляем полную, активную и реактивную мощности цепи:
=
Отсюда
8170.73 В·А;
7291.56 Вт;
3687.01 вар.
Реактивная мощность имеет индуктивный характер, так как положительна. Правильность решения можно проверить, составив баланс мощностей, баланс токов / первый закон Кирхгофа / , баланс напряжений / второй закон Кирхгофа / :
7291.56 Вт;
3687.01 вар.
4.87+j3.9 А.
380 В.
Потенциальную векторную диаграмму построим, начиная с вектора
380 В, совместив его с вещественной осью. Далее построение аналогично построению из предыдущей задачи.
Задача 3
В трехфазную четырехпроводную сеть с линейным напряжением
220 В включен звездой несимметричный приемник, сопротивления которого равны: Xca=6 Ом;
20 Ом;
20 Ом;
10 Ом /рис.3/.
Определить токи в линейных и нейтральных проводах, полную, активную и реактивную мощность каждой фазы и всей цепи. Построить векторную диаграмму токов и напряжений.
Рис. 3
Решение. Принимаем начальную фазу напряжений
равной нулю. Тогда, учитывая, что
=
В,
В;
В;
В;
Комплексные сопротивления фаз:
Ом;
Ом;
Ом
Линейные комплексные токи:
А
А
А
Комплексный ток нейтрального провода
А.
Действующее значение токов:
= 21.17 А;
= 4.49А;
= 12.7 А;
= 26.18 А.
Определяем полную, активную и реактивную мощности каждой фазы:
ВА
ВА
ВА
Отсюда
Sa=2688.89 ВА; Sb=570.4 ВА; Sс=1613.33 ВА; Рa=0 Вт; Рb=403.33.41 Вт; Рс=0 Вт;
Qa= -2688.89 вар; Qb= -403.33 вар; Qс=1613.33 вар
Полная активная и реактивная мощности всей цепи:
403.33-j1478.89 В·А
Порядок построения векторной диаграмы /рис./следующий.
В выбранном масштабе строим фазные и линейные напряжения, совмещая вектор напряжения
с вещественной осью комплексной плоскости.
В масштабе, выбранном для тока, строим векторы токов
, используя фазовые сдвиги (показательная форма записи) или координаты активной и реактивной составляющей (алгебраическая форма записи).
Геометрическая сумма векторов линейных токов представляет собой вектор тока нейтрального провода.
Задача 4
В трехфазную сеть с напряжением
220 В включен треугольником несимметричный приемник, сопротивления которого равны:
3 Ом;
4 Ом;
15 Ом;
15 Ом;
19 Ом; /рис.4/. Определить токи в линейных проводах, активную и реактивную мощности цепи. Построить векторную диаграмму.
Рис. 4
Решение. Принимаем начальную фазу напряжения равной нулю, т.е. совмещаем вектор его напряжения с вещественной осью комплексной плоскости.
Тогда комплексные линейные напряжения:
В;
В;
В
Комплексные сопротивления фаз приемника:
Ом;
Ом;
Ом
Комплексные фазные токи:
А;
А;
А
Линейные токи находим по первому закону Кирхгофа:
А;
А;
А
Активную и реактивную мощности всей цепи определяем как сумму мощностей отдельных фаз приемника:
ВА
Отсюда
Вт;
вар.
Векторную диаграмму /рис./ строим в такой последовательности. На комплексной плоскости в выбранном масштабе наносим векторы линейных напряжений причем вектор
совмещается с вещественно осью. Выбираем масштаб изображения векторов тока и наносим их на векторную диаграмму напряжений, совмещая начала одноименных векторов напряжения и токов. Углы наклона относительно вещественной оси токов
берем из результатов расчета. Чтобы найти линейные токи
, необходимо к концам векторов
прибавить соответственно векторы
с обратным знаком. Геометрическая сумма каждой пары векторов будет представлять собой векторы линейных токов.
Литература
1. Волынский В.А. и др. Электротехника /Б.А. Волынский, Е.Н. Зейн, В.Е. Шатерников: Учеб. пособие для вузов. – М.: Энергоатомиздат, 2007. – 528 с., ил.
2. Касаткин А.С., Немцов М.В. Электротехника: Учеб. пособие для вузов. – 4-е изд., перераб. – М.: Энергоатомиздат, 2009. – 440 с., ил.
Характеристики
Тип файла документ
Документы такого типа открываются такими программами, как Microsoft Office Word на компьютерах Windows, Apple Pages на компьютерах Mac, Open Office - бесплатная альтернатива на различных платформах, в том числе Linux. Наиболее простым и современным решением будут Google документы, так как открываются онлайн без скачивания прямо в браузере на любой платформе. Существуют российские качественные аналоги, например от Яндекса.
Будьте внимательны на мобильных устройствах, так как там используются упрощённый функционал даже в официальном приложении от Microsoft, поэтому для просмотра скачивайте PDF-версию. А если нужно редактировать файл, то используйте оригинальный файл.
Файлы такого типа обычно разбиты на страницы, а текст может быть форматированным (жирный, курсив, выбор шрифта, таблицы и т.п.), а также в него можно добавлять изображения. Формат идеально подходит для рефератов, докладов и РПЗ курсовых проектов, которые необходимо распечатать. Кстати перед печатью также сохраняйте файл в PDF, так как принтер может начудить со шрифтами.
















