151592 (580611)
Текст из файла
Федеральное агентство образования и науки Российской Федерации
Южно-Уральский государственный университет
Кафедра системы управления
Контрольная работа ПО ЭЛЕКТРОТЕХНИКе
Руководители:
Яковлев В.А.
Выполнила: студентка группы ПС-286
Левшунова Ю. ______________
Работа защищена на оценку____
"___",_______________2007г
Челябинск, 2007
Контрольное задание №1 "Расчет цепей постоянного тока"
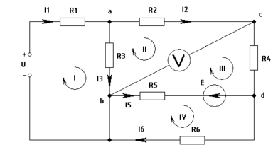
Задача 1. В схеме (рис.1) R1 = 2 Ом, R2 = 3 Ом, R5 = 2 Ом, I3 = 1,5 A. Остальные исходные данные приведены в таблице 1. На схемах показаны принятые положительные направления токов в ветвях; номера токов соответствуют номерам ветвей.
Пользуясь законами Кирхгофа и законом Ома, определить все неизвестные токи и сопротивления, величину и полярность ЭДС E и величину напряжения U, приложенного к схеме. Для проверки правильности расчета составить уравнение баланса мощностей. Определить показание вольтметра.
Рис.1
Таблица 1
| Варианты | R3, Oм | R4, Oм | R6, Oм | I1, А | I2, А | I5, А | I6, А |
| 9 | - | 4,5 | 2,7 | - | 1,8 | - | 0,3 |
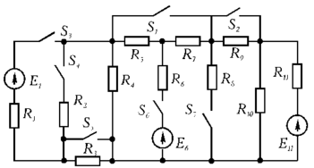
Задача 2. В схеме (рис.2) Е1 = 60 В, E6 = 120 В, Е11 = 90 В, R1 = 4 Ом, R2 = 65 Ом, R3 = 9 Ом, R6 = 12 Ом, R8 = 48 Ом, R9 = 5 Ом. Значения остальных сопротивлений даны в таблице 2. Начертить расчетную электрическую схему, получающуюся при замыкании ключей, указанных в таблице 2.
Рис.2
Таблица 2
| Вар. | R4, Ом | R5, Ом | R7, Ом | R10,Ом | R11, Ом | Замкнуты ключи |
| 9 | 16 | 28 | 4 | 24 | 15 | S2, S3, S7 |
Упростить схему, заменяя последовательно и параллельно соединенные сопротивления эквивалентными, используя при необходимости преобразование треугольника сопротивлений в эквивалентную звезду. Полученную схему с двумя узлами рассчитать методом узлового напряжения, определить величину и направление токов в источниках. Зная токи источников, используя законы Ома и Кирхгофа, определить все токи и напряжения в исходной расчетной схеме. Для проверки правильности расчета составить для исходной схемы уравнение баланса мощностей.
Задача 1
Рис. 3 Исходная схема.
Дано: R1 = 2 Ом, R2 = 3 Ом, R4 = 4.5 Ом, R5 = 2 Ом, R6 = 2.7 Ом,
I2 = 1.8 А, I3 = 1.5 А, I6 = 0.3 А.
Найти: I1, I5, R3, U, E, Ub-c.
По первому закону Кирхгофа (для узлов):
для узла а: I1 = I3 + I2=> I1 = 3.3 A
для узла d: I5 = I6 + I2=> I5 = - 1.5 A
Вывод: так как I5 < 0 то направление тока I5 противоположно показному на схеме (рис.3)
По второму закону Кирхгофа (для контуров):
для контура I : U = R1*I1 + R3*I3
для контура II+III: E = - R5*I5 – R3*I3 + (R2 + R4) *I2
для контура IV: - E = R6*I6 + R5*I5=> E = 2. 19 В
Из уравнений для II +III контура выразим R3:
R3 = (-R5*I5 + (R2 + R4) *I2-E) / I3=> R3 = 9.54 В
U = R1*I1 + R3*I3 => U = 20.91 В
Рассчитаем Ub-c по второму закону Кирхгофа для контура II:
Ub-c = R3*I3 – R2*I2 => Ub-c = 8.91 В
Проверка результатов:
по первому закону Кирхгофа для узла b: I1 = I3 - I5 + I6 = 3.3 A
по второму закону Кирхгофа для контура II+III+IV:
0 = - I3*R3 + I2*(R2 + R4) + I6*R6 = 0
составим уравнение баланса мощностей:
U*I1 + E*I5 = R1*I12 + (R2 + R4) *I22 + R3*I32 + R5*I52 + R6*I62 =>
72.288 = 72.288
Вывод: проведённые проверки подтверждают что результаты решения задачи 1 верны.
Найдено: I1 = 3.3 А, I5 = 1.5 А и протекает в противоположном показному на схеме(рис.3) направлений, R3 = 9.54 Ом, U = 20.91 В, E =2. 19 В, Ub-c=8.91 В.
Задача 2
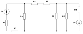
Рис.4 Исходная схема.
Дано: R1 = 4 Ом, R3 = 9 Ом, R4 = 16 Ом, R5 = 28 Ом, R7 = 4 Ом, R8 = 48 Ом
R10 = 24 Ом, R11 = 15 Ом, E1 = 60 B, E11 = 90 B.
Объединим сопротивления:
R(1,3) = R1 + R3, => R(1,3) = 13 Ом
R(5,7) = R5 +R7, => R(5,7) = 32 Ом
R(8,10) = (R8*R10) / (R8 + R10). => R(8,10) = 16 Ом
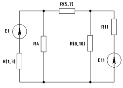
Рис.5 Схема после объединения сопротивлений.
Преобразуем треугольник сопротивлений R4, R(5,7), R(8,10) в эквивалентную звезду:
R(4-5,7) = (R4 * R(5,7)) / (R4 + R(5,7) + R(8,10)) =>
R(4-5,7) = 8 Ом
R(5,7-8,10) = (R(5,7) * R(8,10)) / (R4 + R(5,7) + R(8,10)) =>
R(5,7-8,10) = 8Ом
R(4-8,10) = (R(4) * R(8,10)) / (R4 + R(5,7) + R(8,10)) =>
R(4-8,10) = 4 Ом
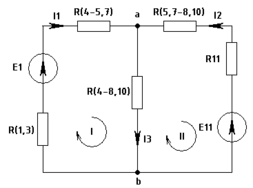
Рис. 6 Схема после преобразования треугольника в звезду
По первому закону Кирхгофа:
для узла а: I3 = I1 +I2 (1)
По второму закону Кирхгофа:
для контура I: E1 = (R(4-5,7) + R(1,3)) *I1 + R(4-8,10) *I3(2)
для контура II: - E11 = - R(4-8,10) *I3 – (R(5,7-8,10) + R11) *I2(3)
Запишем уравнения для Ua-b:
Ua-b = R(4-8,10) *I3(4)
из (2) выразим I1 = (E1 - R(4-8,10) *I3) / (R(4-5,7) + R(1,3)) (5)
из (3) выразим I2 = (E11 - R(4-8,10) *I3) / (R(5,7-8,10) + R11) (6)
подставим в (1)
I3 = (E1 - R(4-8,10) * I3) / (R(4-5,7) + R(1,3)) +
+ (E11 - R(4-8,10) * I3) / (R(5,7-8,10) + R11)
=>
I3 = 4.962 A
из (5) I1 = 1.912 A
из (1) I2 = 3.05 A
из (4) Ua-b = 19.848 В
Проверка результатов:
по первому закону Кирхгофа для узла b: I3 = I1 +I2 = 4.962 A
по второму закону Кирхгофа для контура I+II:
E1-E11=(R(4-5,7) +R(1,3)) *I1+R(4-8,10) *I3-R(4-8,10) *I3-(R(5,7-8,10) +R11) *I2
30 ≈ - 30
составим уравнение баланса мощностей:
E1*I1 + E11*I2 = (R(4-5,7) +R(1,3)) *I12 + R(4-8,10) *I32 + (R(5,7-8,10) +R11) *I22
397,2 ≈ 397,2
Вывод: проведённые проверки подтверждают что результаты решения задачи 2 верны.
Найдено: I1 = 1.912 А, I2 = 3.05 А, I3 = 4.962 А, Uа-b = 19.848 В.
Определим остальные токи и напряжения в схеме, для этого зададимся направлениями токов в схеме.
Рис.7 Исходная схема с обозначенными токами.
По первому закону Кирхгофа (для узлов):
для узла с: I1= - I5 + I4(7)
для узла d: I2= - I5 + I8 + I10(8)
По второму закону Кирхгофа:
Ue-c = E1 - R(1,3) *I1=> Ue-c = 35.144 B
Ue-d = E11 - R11*I2=> Ue-d = 44.249 B
По закону Ома:
I4 = Ue-c / R4=> I4 = 2. 197 A
I10 = Ue-d / R10=> I10 = 1.844 A
I8 = Ue-d / R8=> I8 = 0.922 A
из(7) I5 = 0.285 А
На данном этапе мы рассчитали все токи в исходной схеме теперь по закону Ома заполним таблицу 3
Таблица 3.
| - | R1 | R3 | R4 | R5 | R7 | R8 | R10 | R11 |
| R(Oм) | 4 | 9 | 16 | 28 | 4 | 48 | 24 | 15 |
| U(B) | 7.65 | 17.21 | 35.15 | 7.98 | 1.14 | 44.256 | 44.256 | 45.75 |
| I(A) | 1.912 | 1.912 | 2. 197 | 0.285 | 0.285 | 0,922 | 1,844 | 3.05 |
| P(Вт) | 14.62 | 32.9 | 77.23 | 2.27 | 0.23 | 40.8 | 81.61 | 139.54 |
Проверка результатов:
составим уравнение баланса мощностей для исходной схемы
E1*I1 + E11*I2=P1 + P3 + P4 + P5 + P7 + P8 + P10 + P11
397,23 ≈ 389.87
Вывод: проведённые проверки подтверждают что результаты решения задачи 2 верны.
Найдено: Все найденные величины приведены в таблице 3.
Рассчитаем схему (Рис.6) методом узлового напряжения.
Запишем формулу для Ua-b:
Ua-b = 19.85 В
из формулы (4) выразим I3 и найдём его I3 = 4.962 A
используя формулы (4) и (5) найдём I1 = 1.912 A
используя формулы (4) и (6) найдём I2 = 3.05 А
Вывод: результаты расчёта схемы методами узлового напряжения и по законам Кирхгофа получились идентичными что говорит о том что результат независим от метода расчётов.
Характеристики
Тип файла документ
Документы такого типа открываются такими программами, как Microsoft Office Word на компьютерах Windows, Apple Pages на компьютерах Mac, Open Office - бесплатная альтернатива на различных платформах, в том числе Linux. Наиболее простым и современным решением будут Google документы, так как открываются онлайн без скачивания прямо в браузере на любой платформе. Существуют российские качественные аналоги, например от Яндекса.
Будьте внимательны на мобильных устройствах, так как там используются упрощённый функционал даже в официальном приложении от Microsoft, поэтому для просмотра скачивайте PDF-версию. А если нужно редактировать файл, то используйте оригинальный файл.
Файлы такого типа обычно разбиты на страницы, а текст может быть форматированным (жирный, курсив, выбор шрифта, таблицы и т.п.), а также в него можно добавлять изображения. Формат идеально подходит для рефератов, докладов и РПЗ курсовых проектов, которые необходимо распечатать. Кстати перед печатью также сохраняйте файл в PDF, так как принтер может начудить со шрифтами.















