151449 (580588)
Текст из файла
Пермский Государственный Технический Университет
Расчетная работа №1
“Комплексный метод расчета цепи”
Вариант №
1. Исходные данные.
Дано: R1(Ом)=6;
X1c (Ом)=24;
R2(Ом)=10;
X2(Ом)=15;
R3(Ом)=36;
X3(Ом)=40;
I3=5А;
Найти:
I1, I2, U23, U, S, P, Q - ?
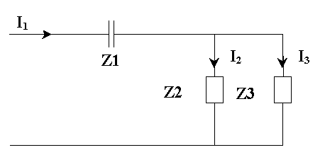
2. Расчетная схема.
3. Расчет.
Запишем сопротивления в комплексном виде.
Находим общее эквивалентное сопротивление для 2,3 ветви.
Находим общее сопротивление цепи.
Находим токи и напряжение на участках цепи.
Находим напряжения на параллельном участке цепи
Находим токи в ветвях параллельной цепи:
Находим ток на первом участке
Находим общее напряжение цепи.
4. Проверка решения составлением баланса мощностей.
Метод заключается в сравнении полной мощности в цепи с суммой активных и реактивных мощностей на ее отдельных участках:
Находим полную мощность цепи.
Активную мощность.
Реактивную мощность.
Баланс мощностей выполняется – цепь рассчитана корректно.
Характеристики
Тип файла документ
Документы такого типа открываются такими программами, как Microsoft Office Word на компьютерах Windows, Apple Pages на компьютерах Mac, Open Office - бесплатная альтернатива на различных платформах, в том числе Linux. Наиболее простым и современным решением будут Google документы, так как открываются онлайн без скачивания прямо в браузере на любой платформе. Существуют российские качественные аналоги, например от Яндекса.
Будьте внимательны на мобильных устройствах, так как там используются упрощённый функционал даже в официальном приложении от Microsoft, поэтому для просмотра скачивайте PDF-версию. А если нужно редактировать файл, то используйте оригинальный файл.
Файлы такого типа обычно разбиты на страницы, а текст может быть форматированным (жирный, курсив, выбор шрифта, таблицы и т.п.), а также в него можно добавлять изображения. Формат идеально подходит для рефератов, докладов и РПЗ курсовых проектов, которые необходимо распечатать. Кстати перед печатью также сохраняйте файл в PDF, так как принтер может начудить со шрифтами.















