151413 (580583)
Текст из файла
Содержание
-
Автоматизация систем водоснабжения здания
-
Датчики времени
-
Классификация ЧПУ
-
Принципиальная схема АВР трансформатора одностороннего действия
1. Автоматизация систем водоснабжения зданий
Автоматизация современных систем водоснабжения требует совместных усилий как специалистов в области автоматизации, так и инженерно-технических работников, проектирующих технологические процессы.
Автоматическое включение или выключение электродвигателей насосов и компрессоров в системах водоснабжения зданий возможно при изменении уровня воды в водонапорном баке, либо давления в трубопроводах сети или скорости движения воды в трубопроводе.
При изменении указанных параметров приводятся в действие датчики, связанные с исполнительными механизмами включения или выключения магнитного пускателя, соединяющего или размыкающего линию электропитания двигателя насоса. В качестве датчиков применяют различные реле уровня воды (рис. 1), регуляторы давления или электроконтактные манометры, струйные реле (рис. 2). Реле уровня, например поплавковое типа РЛ1-51, в зависимости от верхнего или нижнего положении уровня воды в баке включает или выключает контакты электроцепи двигателя. Чувствительным элементом является поплавок, соединенный с тросом, перекинутым через блок; на другом конце троса прикреплен контргруз. Контактное устройство реле представляет собой пружинный переключатель мгновенного действия с нормально открытым и нормально закрытым ртутными контактами. Контактное реле надежно работает даже в помещениях с повышенной влажностью. Дополнительные встроенные контакты могут соединять цепи звуковой или световой сигнализации.
Рис. 1. Схема установки реле уровня для автоматизации работы насосов: а и б — поплавковое реле для открытых и закрытых резервуаров, в — схема автоматического регулирования уровня воды в резервуаре; 1 — резервуар; 2 — поплавок; 3 — блок; 4 — переключающие шайбы; 5— коромысло; 6 — контакты; 7 — груз; 8 - контактный мост; 9 — соединительная труба; 10— насос; 1— подача воды; 12 — баллончик с ртутью; 13 — электродвигатель
Рис. 2. Схема контактного манометра (а) и струпного реле (б): 1 — трубка датчика; 2 — ось стрелки; 3 — стрелка; 4 — контакты; 5 - чувствительная пластинка
В системах без водонапорных баков или с пневматическими баками включение и выключение электродвигателей насосов (или компрессоров) производятся с помощью реле давления мембранного или диафрагмового типа. При изменении давления рычаг реле замыкает или размыкает контакты цепи управления магнитного пускателя электродвигателя. С помощью струйного реле включаются пожарные насосы. Принцип действия струйного реле основан на воздействии энергии струи соды — отклоняется пластинка, которая замыкает контактное устройство. Струйное реле устанавливают у основания пожарных стояков либо у водонапорного бака (при раздельной системе водоснабжения). В зданиях при постоянном недостатке напора пожарные насосы оборудуют автоматическим или дистанционным пуском от пожарных кранов рис. 3.
Рис. 3. Схема дистанционного включения пожарного насоса (бескнопочный пуск насоса):
1 - шток пожарного крана; 2 — кольцевая бороздка; 3 — кнопочный выключатель;
4— магнитный пускатель электродвигателя
2. Датчики времени
Датчик – это элемент измерительного, сигнального, регулирующего или управляющего устройства, преобразующий контролируемую величину (температуру, давление, частоту, силу света, электрическое напряжение, ток и т.д.) в сигнал, удобный для измерения, передачи, хранения, обработки, регистрации, а иногда и для воздействия им на управляемые процессы. Или проще, датчик – это устройство, преобразующее входное воздействие любой физической величины в сигнал, удобный для дальнейшего использования.
Реле времени широко применяются в быту и промышленной автоматике для получения задержки включения или отключения различных устройств, в схемах сигнализации, в различных бытовых приборах для ограничения времени работы этих устройств, если забыли их выключить. Данные устройства можно использовать для отключения освещения в ванной комнате или туалете через заданное время, автоматического отключения дежурного освещения в подъезде дома или гараже, включения охранной сигнализации через некоторое время, после того, как Вы покинули охраняемый объект, в качестве таймера газовой или электроплиты, чтобы не забыть про оставленный пирог, автоматического отключения электроутюга и т.д. Как правило, в схемах реле времени используют специализированные микросхемы - счётчики с предустановкой коэффициента деления и встроенным задающим генератором, что позволяет изменять параметры устройства в очень широких пределах. При отсутствии специализированных микросхем реле времени легко собрать на очень широко распространённых КМОП элементах. Для получения коротких выдержек в несколько секунд иногда используют зарядные RC цепи, которые подключаются к пороговому элементу с высоким входным сопротивлением - КМОП триггерам Шмитта, компараторам, интегральным таймерам NE555N, операционным усилителям, полевым транзисторам и другим элементам, но такие схемы сложно настраивать, а стабильность их выдержки невысока.
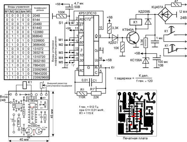
Реле времени собрано на специализированной микросхеме КР512ПС10, очень широко применяемой в подобных устройствах. Точное время задержки срабатывания устанавливается подбором R1 , C1. Для дискретного изменения времени задержки в широких пределах используются входы предустановки коэффициента деления М1 ... М5, назначение которых показано в таблице. Установкой перемычек на плате можно задать время от нескольких секунд до нескольких суток. Перемычка S1 позволяет получить различный режим работы: если замкнуть площадки 1, 2 реле времени будет периодически включаться и выключаться через заданное время, причем время включенного состояния равно времени выключенного состояния. Если замкнуть площадки 2, 3 - реле времени отсчитает заданный интервал и включит выходное реле , которое останется в этом состоянии сколь угодно долго, пока не будет выключено и заново включено напряжение питания. Более удобна микросхема MC14536BCP или CD4536B, которая имеет широкий диапазон напряжения питания - до 18 В, вместо +6 В у КР512ПС10, что позволяет легко встраивать узлы задержки времени в различные устройства автоматики на КМОП микросхемах.
Реле времени по сути то же что и обычное реле, но с возможностью задержки срабатывания за счёт конструктивных особенностей. По принципу механизма подразделяются на:
с электромагнитным замедлением - применяются только при постоянном токе, и обеспечивает выдержку времени при срабатывании от 0,07 с. до 0,11 с, при отключении от 0,5 с до 1,4 с
с пневматическим замедлением – имеет в конструкции специальное замедляющее устройство — пневматический демпфер катаракт. Регулировка выдержки осуществляется изменением сечения отверстия для забора воздуха. Обеспечивает выдержку времени от 0,4 до 180 с, с точностью срабатывания 10 % от уставки (установки).
с часовым или анкерным механизмом - работает за счет пружины, которая заводится под действием электромагнита и контакты реле срабатывают только после того, как анкерный механизм отсчитает время, выставленное на шкале. Обеспечивает выдержку времени от 0,1 до 20 с, с точностью срабатывания 10 % от уставки (установки).
моторные реле времени - предназначены для отсчета времени от 10 с до нескольких часов. Оно состоит из синхронного двигателя, редуктора, электромагнит для сцепления и расцепления двигателя с редуктором, контактов. Обеспечивают выдержку времени в 20—30 мин.
электронные реле времени – работа основана на переходных процессах в разрядном контуре RC. Обеспечивает выдержку от 0.01секунды до 10 дней
3. Классификация ЧПУ
Системы ЧПУ можно классифицировать по различным признакам.
1. В зависимости от способа управления исполнительным органом различают: позиционные, контурные и универсальные системы.
При позиционном управлении инструмент последовательно обходит ряд точек — позиций. Требуется высокая точность позиционирования, а траектория перемещения инструмента из одной позиции в другую не имеет существенного значения — это холостое перемещение.
При контурном управлении инструмент движется без остановок, и обработка совершается во время движения. Все погрешности отработки траектории переносятся на деталь.
2. В зависимости от наличия обратной связи системы управления могут быть замкнутыми, или закрытыми, и разомкнутыми, или открытыми.
3. В зависимости от способа отсчета перемещения различают системы управления с абсолютным и относительным отсчетом.
4. В зависимости от чисел управляемых координат различают одно-, двух-, трех-, четырех -, пятикоординатные системы управления. Из них какое-то число координат управляется одновременно (параллельно), а какое-то — последовательно.
5. В зависимости от элементной базы и уровня использования; ЭВМ различают системы первого, второго, третьего поколения.
Устройства ЧПУ первого поколения не имели встроенного интерполятора. Программа, записанная на перфоленту при помощи вынесенного интерполятора, переписывалась на магнитную ленту, которую использовали для управления станком.
На магнитную ленту трудно записать большое число технологических команд. Это ограничивает технологические возможности системы.
Устройства ЧПУ второго поколения имеют встроенный интерполятор и управляются от перфоленты. Для подготовки перфоленты используется ЭВМ.
Устройства ЧПУ третьего поколения (системы CNC) имеют встроенный микропроцессор.
Это позволяет:
-
вместо аппаратного обеспечения функций системы управления использовать программное обеспечение;
-
реализовать более гибкий процесс программирования (ввод программы с клавиатуры, подготовка программы при изготовлении первой детали);
-
использовать дисплей и режим диалога;
-
использовать как программоноситель не только перфоленту, но и компакт-кассеты, диски с памятью и др.;
-
значительно расширить функции системы управления:
-
реализовать типовые диагностические программы,
-
организовать поиск неисправностей,
-
осуществить оптимизацию технологических процессов,
-
коррекцию параметров,
-
оперативное планирование,
-
информирование оператора о состоянии системы,
-
давать рекомендации оператору о необходимых действиях для поддержания работоспособности
4. Принципиальная схема АВР трансформатора одностороннего действия
Согласно ПУЭ все потребители электрической энергии делятся на три категории:
I категория – потребители, нарушение электроснабжения которых может повлечь за собой опасность для жизни людей, значительный материальный ущерб, опасность для безопасности государства, нарушение сложных технологических процессов и пр.;
II категория – электроприемники, перерыв в питании которых может привести к массовому недоотпуску продукции, простою рабочих, механизмов, промышленного оборудования, остановке транспорта;
III категория – все остальные потребители электроэнергии.
Кроме неудобства в повседневной жизни, длительный перерыв в электропитании может привести к угрозе жизни и безопасности людей, материальному ущербу и другим, не менее серьезным последствиям.
Бесперебойное питание можно реализовать, осуществив электропитание каждого потребителя от двух источников одновременно. Для потребителей I категории так и делают, а иногда в качестве резерва используют дизель-генераторные установки. Однако подобная схема имеет ряд недостатков:
электрический ток короткого замыкания при такой схеме гораздо выше, чем при раздельном питании потребителей;
в питающих трансформаторах потери электроэнергии выше;
защита сложнее, чем при раздельном питании;
необходимость учета перетоков;
в отдельных случаях – невозможность реализации схемы по причине неосуществимости параллельной работы источников питания из-за ранее установленного оборудования.
Характеристики
Тип файла документ
Документы такого типа открываются такими программами, как Microsoft Office Word на компьютерах Windows, Apple Pages на компьютерах Mac, Open Office - бесплатная альтернатива на различных платформах, в том числе Linux. Наиболее простым и современным решением будут Google документы, так как открываются онлайн без скачивания прямо в браузере на любой платформе. Существуют российские качественные аналоги, например от Яндекса.
Будьте внимательны на мобильных устройствах, так как там используются упрощённый функционал даже в официальном приложении от Microsoft, поэтому для просмотра скачивайте PDF-версию. А если нужно редактировать файл, то используйте оригинальный файл.
Файлы такого типа обычно разбиты на страницы, а текст может быть форматированным (жирный, курсив, выбор шрифта, таблицы и т.п.), а также в него можно добавлять изображения. Формат идеально подходит для рефератов, докладов и РПЗ курсовых проектов, которые необходимо распечатать. Кстати перед печатью также сохраняйте файл в PDF, так как принтер может начудить со шрифтами.















