151144 (580542), страница 2
Текст из файла (страница 2)
Вычисляем эквивалентное сопротивление схемы (рис 1.6) относительно зажимов а и б:
Ом
рис 1.6
Зная ЭДС и внутреннее сопротивление эквивалентного генератора, вычисляем ток в исследуемой ветви:
А.
7) Построить потенциальную диаграмму для любого замкнутого контура, включающего обе ЭДС.
Возьмем контур ABFE. Зададимся обходом контура против часовой стрелке. Заземлим одну из точек контура, пусть это будет точка А. Потенциал этой точки равен нулю, φA=0 (рис. 1.1). Зная величину и направление токов ветвей и ЭДС, а также величины сопротивлений, вычислим потенциалы всех точек контура при переходе от элемента к элементу. Начнем обход от точки А.
φA’=φA+E1-I1r01=0+20-0,313ּ1=19,687 В
φB=φA’-I1R1=19,687-0,313ּ64=-0,345 В
φF=φB-I3R4= -0,345-0,32ּ25=-8,345 В
φF’=φF-I4R2=-8,345-0,481ּ43=-29,028 В
φE=φA=φF’+E2-I4r02= -29,028+30-0,481ּ2=0 В
Строим потенциальную диаграмму. По оси абсцисс откладываем сопротивления контура в той последовательности, в которой производим обход контура, прикладывая сопротивления друг к другу, по оси ординат – потенциалы точек с учетом их знака.
рис.1.7
1.2 Расчет нелинейных электрических цепей постоянного тока
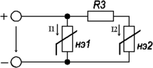
Построить входную вольтамперную характеристику схемы (рис. 1.8) Определить токи во всех ветвях схемы и напряжения на отдельных элементах, используя полученные вольтамперные характеристики.
Использовать вольтамперные характеристики элементов "а" и "б" (рис 1.9).
Дано:
U=200 В.
R3=32 Ом.
нэ1=а
нэ2=б
Определить: I1, I2, I3, U1, U2, U3.
рис 1.8
Расчет цепи производим графическим методом. Для этого в обшей системе координат строим вольтамперные характеристики (ВАХ) линейного и нелинейных элементов: I1=f(U1), I2=f(U2), I3=f(U3) (рис 1.10).
рис 1.10
ВАХ линейного элемента строим по уравнению
. Она представляет собой прямую, проходящую через начало координат. Для определения координаты второй точки ВАХ линейного элемента задаемся произвольным значением напряжения. Например, UR=160В, тогда соответствующее значение тока
А. Соединив полученную точку с началом координат, получим ВАХ линейного элемента.
Далее строится общую ВАХ цепи с учетом схемы соединения элементов. В нашей цепи соединение элементов смешанное. Поэтому графически "сворачиваем" цепь. Начнем с элемента I1=f(U1) (нэ1), он подсоединен параллельно цепи и его ВАХ будет таким же, как и при дано. Далее делаем характеристики линейного элемента I3=f(U3) и нелинейного элемента (нэ2) I2=f(U2), которые соединены между собой последовательно. Строим для них общую ВАХ. В данном случае задаемся током и складываем напряжения. Проделываем это многократно. По полученным точкам строим общую ВАХ цепи I23=f(U23). Затем строим ВАХ нелинейного элемента I1=f(U1) и I23=f(U23), они подсоединены в цепи параллельно, значит, их ток будет равен сумме токов I1=f(U1) и I23=f(U23), значит складываем на графике их общий ток I=f(U).
Дальнейший расчет цепи производим по полученным графикам.
Чтобы найти токи и напряжение на всех элементах цепи поступим так: по оси напряжение находим напряжение равное 200 В (точка а). Из этой точки восстанавливаем перпендикуляр до пересечения I1=f(U1), получаем точку "в". Из точки "в" опустим перпендикуляр на ось тока и получим точку "о", и получим ток (нэ1). Iнэ1=5,2А. Так же восстановим перпендикуляр из точки "а" до пересечение I23=f(U23) и опустим его на ось тока, получим ток во второй ветви I3,не2=I3=Iне2=3А. Отрезке "нд" пересекает ВАХ I3=f(U3) и I2=f(U2) в точках "з" и "г", опустим там перпендикуляры мы получим напряжение на элементах R3 (U3=95В) и (нэ2) (Uнэ2=105В).
2. Анализ электрического состояния линейных электрических цепей переменного тока: однофазных, трехфазных. Исследование переходных процессов в электрических цепях
2.1 Расчет однофазных линейных электрических цепей переменного тока
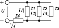
К зажимам электрической цепи (рис 2.1), подключен синусоидальное напряжение u=54sin(ωt+60º) В частотой f=50Гц.
Выполнить следующее:
-
определить реактивное сопротивление элементов цепи;
-
определить действующие значения токов во всех ветвях цепи;
-
записать уравнение мгновенного значения тока источника;
-
составить баланс активных и реактивных мощностей;
-
построить векторную диаграмму токов, совместимую с топографической векторной диаграммой напряжений.
Дано:
R1=10 Ом;
R2=20 Ом;
L1=31,8 мГн;
L2=50,9 мГн;
C1=318 мкФ;
C2=199 мкФ.
Определить: XL1, XL2, XC1, XC2, I, I1, I2, I3, I4, i.
рис 2.1
1) Реактивное сопротивление элементов цепи.
Ом,
Ом,
Ом,
Ом.
2) Расчет токов в ветвях цепи выполнен методом эквивалентных преобразований.
Представим схему, приведенную на рисунке 2.1, в виде:
рис 2.2
Находим комплексные сопротивления ветвей, затем участков цепи и всей цепи:
Ом;
Ом;
Ом;
Ом;
Ом;
Ом.
Выразим действительное значение напряжение в комплексной форме:
В.
Вычисляем общий ток цепи:
А.
Для определения токов параллельных ветвей I1, I2, I3, рассчитываем напряжение на зажимах:
В
Вычисляем токи ветвей:
А;
А;
А.
3) Уравнение мгновенного значения тока источника:
;
А.
4) Составить баланс активных и реактивных мощностей:
где
Sист=150,488 ВּА,
Pист=122,96 Вт,
Qист= -86,74 вар.
Активная Pпр и реактивная Qпр мощность приемников:
Pпр=I32(R1+R2)=2,032ּ30=123,62 Вт;
Qпр=I12(XL1)+I22(-XC2)+I32(XL2)+I42(-XC1)=6,892ּ10+4,32ּ(-16)+2,032ּ16+3,962ּ(-10)=-88вар
Баланс мощностей выполняется:
Pист=Pпр, Qист=Qпр
123Вт=124Вт, -87вар=-88вар.
Баланс мощностей практически сходится.
5) Напряжения на элементах:
| Uab=I3R2=2,03ּ20=40,6 B; | Uae=I2XC1=4,3ּ10=43 B; |
| Ubc=I3XL2=2,03ּ16=32,48 B; | Ued=IּXC1=3,96ּ16=63,36 B. |
| Uce=I3R1=2,03ּ10=20,3 B; |
6) Строим топографическую векторную диаграмму на комплексной плоскости.
Выбираем масштаб: MI=1 А/см, MU=10 В/см.
Определяем длины векторов токов и напряжений:
|
|
|
|
|
|
|
|
|
|
| |
|
|
|
рис 2.3
На комплексной плоскости в масштабе откладываем векторы токов в соответствии с расчетными значениями, при этом положительные фазовые углы отсчитываем от оси (+1) против часовой стрелке, а отрицательные - по часовой стрелке.
Топографическая векторная диаграмма напряжений характерна тем, что каждой точке диаграммы соответствует определенная точка электрической цепи. Построение векторов напряжений ведем, соблюдая порядок расположения элементов цепи и ориентируя векторы напряжений относительно векторов тока: на активном сопротивлении ток и напряжение совпадают по фазе, на индуктивном элементе напряжение опережает ток на 90°, а на емкостном напряжение отстает от тока на 90°.
2.2 Расчет трехфазной линейной цепи переменного тока
В цепи, изображенной на схеме (рис. 2.4), потребители соединены треугольником. Известно линейное напряжение Uл=38 В и сопротивление фаз. RAB=18,8 Ом; RBC=3,8 Ом; RCA=3,1 Ом; XLAB=0,68 Ом; XLAC=2,57 Ом; XCBC=2,2 Ом.
Определить фазные, линейные токи, мощности активные, реактивные, полные мощности каждой фазы и всей цепи. Построить векторную диаграмму цепи.
Дано:
Uл=38 В;
RAB=18,8 Ом;
RCA=3,1 Ом;
XLAB=0,68 Ом;
XLCA=2,57 Ом;
XCBC=2,2 Ом.
Определить: IA, IB, IC, IAB, IBC, ICA, P, Q, S.
рис 2.4
При соединении трехфазной цепи треугольником расчет будет вести символическим методом.
1) Модули фазных напряжений при соединении треугольником равны линейным напряжениям.
UЛ=UФ=38 В, то есть
В
Комплексы данных напряжений запишем из условия, что вектор
совмещен с действующей осью комплексной плоскости;
В;
В;
В.
2) Вычислить комплексы фазных сопротивлений.
Ом,
где
ZAB=2 Ом, φAB=19,9º;
Ом,
где
ZBC=4,82 Ом, φBC=30º;
Ом,
где
ZCA=4,03 Ом, φCA=39,5º.
3) Определить фазные токи:
А,
модуль IAB=19 А, ψAB=-19,9º;
,
модуль IBC=7,88 А, ψBC=-90º;
А,
модуль ICA=9,43 А, ψCA=80,5º.
4) Находим линейные токи из уравнений, записанных по первому закону Кирхгофа для узлов A, B, C.
А,
модуль IА=22,69 А, аргумент ψА=44º;
А,
модуль IB=17,93 А, аргумент ψB=-4,5º;
A,
модуль IC=17,25 А, аргумент ψC=84,9º.
5) Вычислить мощность каждой фазы и всей цепи:
ВּА,
где
SAB=722 BּA, PAB=679,89 Вт, QAB=-245,75 вар;
ВּА,
где















