151144 (580542)
Текст из файла
1. Анализ электрического состояния линейных и нелинейных электрических цепей постоянного тока
1.1 Расчет линейных электрических цепей постоянного тока
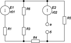
Для электрической цепи, изображенной на (рис. 1.1), выполнить следующее:
1) составить на основании законов Кирхгофа систему уравнений для определения токов во всех ветвях схемы;
2) определить токи во всех ветвях схемы, используя метод контурных токов;
3) определить токи во всех ветвях схемы на основании метода наложения;
4) составить баланс мощностей для заданной схемы;
5) результаты расчета токов по пунктам 2 и 3 представить в виде таблицы и сравнить;
6) определить ток во второй ветви методом эквивалентного генератора;
7) построить потенциальную диаграмму для любого замкнутого контура, включающего обе ЭДС.
Дано:
E1=20 В, E2=30 В, R1=64 Ом,
R2=43 Ом, R3=31 Ом, R4=25 Ом,
R5=52 Ом, R6=14 Ом, r01=1 Ом,
r02=2 Ом.
Определить: I1 ,I2 ,I3 ,I4 ,I5.
рис. 1.1
1) Составить систему уравнений, применяя законы Кирхгофа для определения токов во всех ветвях.
Произвольно задаемся направлением токов в ветвях цепи I1,I2,I3,I4,I5.
Составляем систему уравнений (в системе должно быть стока уравнений, скока в цепи ветвей). В нашей цепи пять ветвей, значит, в системе будет пять уравнений. Сначала составляем уравнение по первому закону Кирхгофа. В цепи с n узлами будет (n-1) уравнений, в нашей цепи три узла, значит, будет два уравнения. Составляем два уравнения, для двух произвольных узлов.
узел D: I3=I1+I2
узел F: I4=I3+I5
Теперь составляем недостающие три уравнения для трех независимых контуров. Чтобы они были независимыми, надо в каждый контур включить хотя бы одну ветвь, не входящую в предыдущую.
Задаемся обходам каждого контура и составляем уравнения по второму закону Кирхгофа.
Контур ABCD – обход против часовой стрелки
E1=I1(R1+r01)-I2(R3+R6)
Контур CDFE – обход против часовой стрелки
E2=I2(R3+R6)+I3R4+I4(R2+r02)
Контур EGHF – обход по часовой стрелке
E2=I4(R2+r02)+I5R5
ЭДС в контуре берется со знаком "+", если направление ЭДС совпадает с обходом контура, если не совпадает – знак "-".
Падения напряжения на сопротивления контура, берется со знаком "+", если направления тока в нем совпадает с обходом контура со знаком "-", если не совпадает.
Мы получили систему из пяти уравнений с пятью неизвестными:
.
Решив систему, определим величину и направление тока во всех ветвях схемы.
Если при решении системы ток получается со знаком "-", значит его действительное направление обратно тому направлению, которым мы задались.
2) Определить токи во всех ветвях схемы, используя метод контурных токов.
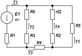
В заданной цепи можно рассмотреть три контура-ячейки (ABDC, CDFE, EGHF) и вести для них контурные токи Ik1, Ik2, Ik3.
Контуры-ячейки имеют ветвь, не входящую в другие контуры – это внешние ветви. В этих ветвях контурные токи являются действительными токами ветвей.
Ветви, принадлежащие двум смежным контурам, называются смежными ветвями. В них действительный ток равен алгебраической сумме контурных токов смежных контуров, с учетом их направления.
При составлении уравнений по второму закону Кирхгофа в левой части равенства алгебраически суммируются ЭДС источников, входящих в контур-ячейку, в правой части равенства алгебраически суммируются напряжения на сопротивлениях, входящих в этот контур, а также учитывается падение напряжения на сопротивлениях смежной ветви, определяемое по контурному току соседнего контура.
На основании вышеизложенного порядок расчета цепи методом контурных токов будет следующим:
стрелками указываем выбранные направления контурных токов Ik1, Ik2, Ik3 в контурах-ячейках (направление обхода контуров принимаем таким же);
составляем уравнения и решаем систему уравнений или методом подстановки, или с помощью определителей.
.
Подставляем численное значение ЭДС и сопротивлений:
или
Решим систему с помощью определителей. Вычислим определитель системы Δ и частные определители Δ1, Δ2, Δ3.
;
;
;
.
Вычислим контурные токи:
;
;
.
Вычислим действительные токи:
| I1=Ik1=0,313A; | I2=Ik2-Ik1=0,32-0,313=0,007A; |
| I3=Ik2=0,32A; | I4=Ik2+Ik3=0,32+0,161=0,481A; |
| I5=Ik3=0,161A. | |
3) Определить токи во всех ветвях схемы на основании метода наложения.
По методу наложения ток в любом участке цепи рассматривается как алгебраическая сумма частных токов, созданных каждой ЭДС в отдельности.
а) Определить частные токи от ЭДС E1, при отсутствии ЭДС E2, т.е. рассчитать цепь по рисунку 1.2
Показываем направление частных токов от ЭДС E1 и обозначаем буквой I с одним штрихом (I'). Решаем задачу методом "свертывания".
Ом;
Ом;
;
Ом;
рис 1.2
Ом;
Ом.
Ток источника:
А.
Применяя закон Ома и первый закон Кирхгофа, вычисляем токи ветвей.
;
В;
В;
А;
А;
В;
В;
А;
А
Токи ветвей:
| I1’=I1=0,226A; | I2’=I6,5=0,123A; |
| I3’=I4=0,103A; | I4’=I2,02=0,066A; |
| I5’=I5=0,057A. |
б) Определяем частные токи от ЭДС E2 при отсутствии ЭДС E1, т.е. рассчитываем простую цепь по рисунку 1.3.
Показываем направление частных токов от ЭДС E2 и обозначаем их буквой I с двумя штрихами (I’’).
Рассчитываем общее сопротивление цепи:
Ом
Ом
Ом
Ом
рис 1.3
Ом
Ом
Ток источника:
А
Применяя закон Ома и первый закон Кирхгофа, вычисляем токи ветвей:
;
В;
В;
А;
А;
В;
В;
А;
А;
Токи ветвей:
| I1’’=I1,01=0,106A; | I2’’=I3,6=0,154A; |
| I3’’=I4=0,196A; | I4’’=I2=0,423A; |
| I5’’=I5=0,277А. |
Вычисляем токи ветвей исходной цепи (рис 1.1), выполняя алгебраическое сложение токов, учитывая их направления:
| I1=I1’+I1’’=0,226+0,106=0,332А; | I2=I2’-I2’’=0,123-0,154= -0,031А; |
| I3=I3’+I3’’=0,103+0,196=0,229А; | I4=I4’+I4’’=0,66+0,423=0,489А; |
| I5=I5’-I5’’=0,057-0,227= -0,17А. |
Знак "-" говорит о том, что ток течет в обратном направлении которого мы задались в пункте а).
4) Составить баланс мощностей для заданной схемы.
Источник E1 и E2 вырабатывают электрическую энергию, т.к. направление ЭДС и тока в ветвях с источниками совпадают. Баланс мощностей для заданной цепи пишется так:
E1I1+E2I4=I12(R1+r01)+I22(R3+R6)+I32R4+I42(R2+r02)+I52R5.
Подставляем числовые значения и вычисляем:
20ּ0,332+30ּ0,489=0,3322ּ65+0,0312ּ45+0,2992ּ25+0,4892ּ45+0,172ּ52
21,31Вт=21,706Вт
С учетом погрешностей баланс мощностей получился.
5) Результаты расчетов токов по пунктам 2 и 3 представить в виде таблицы и сравнить.
| Ток ветвей Метод расчета | I1, А | I2, А | I3, А | I4, А | I5, А |
| метод контурных токов | 0,313 | 0,007 | 0,320 | 0,481 | 0,161 |
| метод наложения | 0,332 | 0,031 | 0,229 | 0,489 | 0,170 |
Расчет токов ветвей обоими методами с учетом ошибок вычислений примерно одинакова.
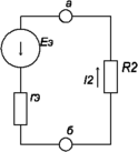
6) Определить ток во второй ветви методом эквивалентного генератора.
Метод эквивалентного генератора используется для исследования работы какого-либо участка в сложной электрической цепи.
Для решения задачи методом эквивалентного генератора разделим электрическую цепь на две части: потребитель (исследуемая ветвь с сопротивлением R2, в которой требуется определить величину тока) и эквивалентный генератор (оставшаяся часть цепи, которая для потребителя R2 служит источником электрической энергии, т. е. генератором). Получается схема замещения (рис. 1.4).
рис 1.4
рис 1.5
На схеме искомый ток I2 определим по закону Ома для замкнутой цепи:
, где Eэ - ЭДС эквивалентного генератора, ее величину определяют как напряжение на зажимах генератора в режиме холостого хода, Eэ=Uxx - внутреннее сопротивление эквивалентного генератора, его величина рассчитывается как эквивалентное сопротивление пассивного двухполюсника относительно исследуемых зажимов. Изображаем схему эквивалентного генератора в режиме холостого хода (рис. 1.5), т. е. при отключенном потребителе R2 от зажимов а и б. В этой схеме есть контур, в котором течет ток режима холостого хода. Определим его величину:
А.
Зная Ixx величины сопротивлений и ЭДС, в схеме можно определить Uxx как разность потенциалов между клеммами а и б. Для этого потенциал точки а будем считать известным и вычислим потенциал точки б.
φб=φа+E2-IxxּR5 тогда Uxx=φб-φа=E2-IxxּR5=30-0,141ּ52=22,668В
Для расчета внутреннего сопротивления эквивалентного генератора необходимо преобразовать активный двухполюсник в пассивный (рис. 1.6), при этом ЭДС Е1 и E2 из схемы исключается, а внутренние сопротивления этих источников r01 и r02 в схеме остаются.
Характеристики
Тип файла документ
Документы такого типа открываются такими программами, как Microsoft Office Word на компьютерах Windows, Apple Pages на компьютерах Mac, Open Office - бесплатная альтернатива на различных платформах, в том числе Linux. Наиболее простым и современным решением будут Google документы, так как открываются онлайн без скачивания прямо в браузере на любой платформе. Существуют российские качественные аналоги, например от Яндекса.
Будьте внимательны на мобильных устройствах, так как там используются упрощённый функционал даже в официальном приложении от Microsoft, поэтому для просмотра скачивайте PDF-версию. А если нужно редактировать файл, то используйте оригинальный файл.
Файлы такого типа обычно разбиты на страницы, а текст может быть форматированным (жирный, курсив, выбор шрифта, таблицы и т.п.), а также в него можно добавлять изображения. Формат идеально подходит для рефератов, докладов и РПЗ курсовых проектов, которые необходимо распечатать. Кстати перед печатью также сохраняйте файл в PDF, так как принтер может начудить со шрифтами.














