151132 (580539), страница 2
Текст из файла (страница 2)
|
| Токовыми зажимами I резистор включается в цепь тока, зажимы U, называемые потенциальными, предназначены для измерения напряжения на сопротивлении резистора |
| Электрическая схема |
Набор резисторов, заключённых в общий кожухи соединённых по определённой схеме, называется – магазином резисторов или сопротивлений. Они применяются взамен образцовых катушек и для регулировки тока. Магазины резисторов по точности делятся на классы: 0,01; 0,02; 0,05; 0,1; 0,2; 0,5; 1,0. Образцовые катушки и магазины резисторов должны иметь возможно меньшие собственные индуктивность и ёмкость.
в). Меры индуктивности и взаимной индуктивности представляют собой катушки индуктивности и взаимной индуктивности с постоянным значением индуктивности.
Образцовые катушки индуктивности представляют собой пластмассовый или фарфоровый каркас с наложенной на него обмоткой из медной изолированной проволоки, концы которой укрепляются на зажимах. Использование каркаса из немагнитного материала обеспечивает независимость индуктивности от тока в катушке.
Добротность катушки Q=щL/r увеличивают, уменьшая её активное сопротивление r.
Образцовые катушки изготовляют на следующие номинальные значения индуктивности: 0,0001; 0,001; 0,01; 0,1; 1 Г.
Образцовая катушка с переменной индуктивностью – вариометр состоит из двух частей – неподвижной и подвижной, могущей поворачиваться на угол около 180є. Индуктивность вариометра зависит от положения подвижной части.
Магазин индуктивностей состоит из набора катушек, а иногда, кроме того, и из вариометра. Погрешность этого магазина индуктивностей равна ±(0,3ч0,5)%.
Катушка взаимной индуктивности выполняются аналогично катушкам индуктивности, но имеют две обмотки.
г). Меры ёмкости – это образцовые конденсаторы с известной или переменной ёмкостью. Ёмкость конденсатора должна возможно меньше изменяться в зависимости от времени, температуры, частоты и других факторов. Конденсатор должен обладать малыми диэлектрическими потерями и большим сопротивлением изоляции. В качестве образцовых используются воздушные и слюдяные конденсаторы.
Воздушные конденсаторы выполняются с плоскими или цилиндрическими электродами, они имеют малую ёмкость от 0,001 мкФ и практически не обладают диэлектрическими потерями, но обладают большими размерами.
Слюдяные конденсаторы состоят из ряда металлических пластин, изолированных слюдяными прокладками. Чётные пластины соединены с одним, а нечётные с другим зажимом конденсатора. Тангенс угла потерь слюдяных конденсаторов порядка 10-4, погрешность их составляет ±(0,01ч0,5)%.
При использования магазина конденсаторов кроме групп конденсаторов, в магазине имеется конденсатор переменной ёмкости (С=0ч0,011 мкФ). Погрешность его ±0,5%.
д). Мера тока – токовые весы.
|
| Токовые весы имеют коромысло, на одном плече которого подвешена токовая катушка К1. Последовательно с ней соединена неподвижная катушка К2. При прохождении тока по катушкам К1 и К2 возникает сила их электродинамического взаимодействия пропорциональная I2, которая уравновешивается эталонными гирями, нагруженными на второе плечо коромысла. |
Исходя из данного определения единицы силы тока и геометрических размеров катушек подсчитывается значение силы взаимодействия между катушками при силе тока 1 А. Нагрузив второе плечо грузом найденного расчётного значения, регулируют силу ока в катушках до получения равновесия, при котором установившийся ток имеет значение 1 А.
Токовые весы ВНИИМ обеспечивают погрешность до 0,001%.
Единица силы тока – ампер А – сила не изменяющегося тока, который, проходя по двум прямолинейным параллельным проводам бесконечной длинны и ничтожно малого кругового сечения, расположенного на расстоянии 1 м один от другого в вакууме. Вызвал бы между этими проводниками силу, равную 2·10-7 Ньютон (Н), на каждый метр длины.
Эталон ЭДС – 20 насыщенных нормальных элементов и устройство сравнения для взаимного сличения нормальных элементов. ЭДС отдельного элемента может колебаться, но среднее значение ЭДС= const (постоянно).
Эталон индуктивности– 4 катушки (групповой индуктивности).
Эталоны сопротивления – 10 манганиновых катушек с номинальным сопротивлением в 1 Ом.
2. Преобразователи токов и напряжений
2.1 Шунты
Является простейшим измерительным преобразователем тока в напряжение. Применяется для расширения предела измерения тока измерительным механизмом. Представляет собой измерительный преобразователь, состоящий из резистора, включаемого в цепь измеряемого тока, параллельно которому присоединяется измерительный механизм.
Для устранения влияния сопротивлений контактных соединений шунты снабжаются токовыми и потенциальными зажимами.
Шунты изготавливают из манганина. Шунты на токи до 30 А обычно встраивают в корпус прибора на большие токи делают наружные шунты.
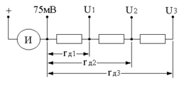
Наружные шунты обычно выпускаются калиброванными, т.е. рассчитываются на определённые токи и падения напряжения 10; 15; 30; 50; 60; 75; 100; 150; 300 мВ.
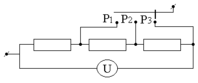
| Для переносных приборов часто используются многопредельные шунты. Такой шунт состоит из нескольких резисторов, переключаемых в зависимости от предела измерения, рычажным переключателем или переносом проводов с одного зажима на другой. Сечение шунта должно быть достаточно большим, с тем чтобы не было нагревания шунта током и связанной с ним температурной погрешности. По точности шунты делятся на классы: 0,02; 0,05; 0,1; 0,2; 0,5; 1,0. Число класса точности обозначает допустимое отклонение сопротивления в процентах его номинального значения. Шунты широко применяются с измерительным механизмами магнитоэлектрической системы, которые могут изготовляться на малые номинальные напряжения 45–150 мВ. | |
| Многопредельный с рычажным переключателем. | |
| Многопредельный с отдельными выводами. |
2.2 Добавочные резисторы
Добавочный резистор, представляющий собой измерительный преобразователь, применяется для расширения предела измерения напряжения и для исключения влияния температуры на сопротивление вольтметра RV.
| Добавочный резистор изготавливается из манганина и включается последовательно с измерительным механизмом. |
Если предел измерения напряжения измерительного механизма необходимо расширить в р раз, то, U=Uи·p=Uи+Uд=Iи·(rи+rд) откуда сопротивление добавочного резистора rд=(Uи·P–Iи·rи)/I=(Iи·rи·p–Iи·rи)/Iи;
Или Rд=rи·(p‑1),
Оно должно быть в (з‑1) раз больше сопротивления измерительного механизма.
Если сопротивление измерительного механизма и добавочного резистора известны, то множитель добавочного сопротивления р=rд/rи+1.
Добавочные резисторы для постоянного тока наматываются обычно, а для переменного тока – бифилярно для получения безреактивного резистора. Намотка производится изолированным проводом на пластины или каркасы из пластмассы.
| В переносных приборах часто применяют добавочные резисторы, состоящие из нескольких частей, что позволяет иметь вольтметры на несколько пределов измерения. Применяются внутренние и наружные добавочные резисторы. |
Последние выполняют в виде самостоятельных устройств и подразделяют на индивидуальные и калиброванные. Индивидуальные резисторы применяют только с тем прибором, который градуировался с ним. Калиброванный резистор может применяться с любым прибором, номинальный ток которого равен номинальному току добавочного резистора.
Калиброванные добавочные резисторы, так же как и шунты, делят на классы точности 0,02; 0,05; 0,1; 0,2; 0,5; 1,0. Они изготавливаются на номинальные токи 0,5; 1; 3; 5; 7,5; 15 и 30 мА.
Добавочные резисторы применяются для преобразования напряжения до 30 кВ.
Пример 1:
I=10A; Iп=100; Rи=10Ом; Rш– ?
| Rш= | Rи | Р= | I | = | 10 | =100 | Rш= | 10 | =0,1 Ом | |
| р‑1 | Iи | 0.1 | 100–1 |
Пример 2:
U=30; Uи=5; Rи=5; Rд– ?
| p= | U | = | 30 | =6 | Rд=Rи·(p‑1)=5·(6–1)=25 кОм |
| Uи | 5 |
2.3 Измерительные трансформаторы тока
Трансформаторы тока предназначены для преобразования измеряемых переменных токов в относительно малые токи. Во вторичную цепь трансформатора тока включают амперметры, последовательные обмотки ваттметров, счётчиков и других приборов.
– В цепях высокого напряжения при помощи трансформаторов тока измерительные приборы изолируются от проводов высокого напряжения. Таким образом, с одной стороны, достигается возможность применения низковольтных измерительных приборов, с другой стороны, обеспечивается безопасность обслуживания измерительной установки.
| Трансформатор тока состоит из стального магнитопровода и двух изолированных обмоток. Первичная обмотка Л1, Л2, имеющая меньшее число витков, включается в рассечку провода с измеряемым током. Вторичная обмотка с большим витком И1, И2 замыкается на амперметр и токовые обмотки измерительных приборов, соединённые последовательно, |
Так что сопротивление вторичной внешней цепи мало и обычно не превышает 1–2 Ом.
Принцип работы трансформатора тока тот же, что и трансформатора напряжения, но в отличие от последнего он работает в условиях, близких к короткому замыканию. Кроме того, первичный ток трансформатора тока не зависит от сопротивления его вторичной цепи. При работе этот ток может изменяться от нуля до номинального, а при коротких замыканиях в цепи может превосходить номинальный в десятки раз.
Отношение действительного значения первичного тока I1 к действительному значению вторичного тока I2 называется действительным коэффициентом трансформации трансформатора тока, т.е. k=I1/I2. При известном коэффициенте k, измерив вторичный ток амперметром, определяем первичный ток: I1=k·I2.
Действительный коэффициент трансформации обычно не известен, так как он зависит от режима работы трансформатора тока, т.е. от измеряемого тока, значения и характера сопротивления вторичной внешней цепи и от частоты тока. Вследствие этого пользуются даваемым заводом на щитке трансформатора номинальным коэффициентом трансформации kН=IН1/IH2, представляющим отношение номинального первичного тока к номинальному вторичному току трансформатора. Зная kH, находим приближённое значение переменного тока: I'1=kH·I2.
Погрешность при измерении тока, вызванная применением трансформатора,
| гI= | I'1–I1 | ·100%= | kH·I2–k2·I2 | ·100%= | kH–k | ·100%=гK |
| I1 | k·I2 | k |
где гК=г1 – погрешность в коэффициенте трансформации или погрешность по току.
Вторичный номинальный ток у большинства трансформаторов тока равен 5 А.
















