150979 (580516)
Текст из файла
Министерство образования и науки Украины
Донбасский государственный технический университет
Кафедра “Теоретические основы электротехники”
КОНТРОЛЬНОЕ ЗАДАНИЕ №2
по курсу: “Теоретические основы электротехники”
Вариант №25
Выполнил:
студент гр.
Проверил:
старший преподаватель
Алчевск 2009
КОНТРОЛЬНОЕ ЗАДАНИЕ №2
Определить токи в ветвях и напряжение на конденсаторе во время переходного процесса в данной схеме (схема 1). Построить графики зависимости этих величин от времени.
Переходный процесс рассчитать двумя методами: классическим и операторным.
Дано:
РЕШЕНИЕ:
До коммутации
:
Принужденные значения (после окончания переходного процесса):
КЛАССИЧЕСКИЙ МЕТОД
Входное сопротивление:
Характеристическое уравнение:
;
Находим ток
:
Постоянные
находим по начальным условиям:
1.
, отсюда
2. По 2-ому закону Кирхгофа:
, отсюда
,
следовательно
Получаем систему уравнений:
Отсюда
,
Напряжение на конденсаторе находим по 2-ому закону Кирхгофа:
По 1-ому закону Кирхгофа:
ОПЕРАТОРНЫЙ МЕТОД
Составим систему уравнений по законам Кирхгофа:
Главный определитель системы:
Изображение тока:
По таблице преобразований Лапласа находим оригинал тока в виде:
Ответы двумя способами получились одинаковыми.
Рассчитываем зависимости
,
,
и
от времени. Расчет сводим в таблицу:
| t, c | | | | |
| 0 | 0,45 | 0,45 | 0 | 22,73 |
| 0,002 | 2,62 | 1,22 | 1,4 | 61,2 |
| 0,004 | 2,65 | 2,08 | 0,57 | 103,9 |
| 0,006 | 1,86 | 2,14 | -0,28 | 107,1 |
| 0,008 | 1,53 | 1,86 | -0,32 | 92,8 |
| 0,01 | 1,69 | 1,71 | -0,02 | 85,7 |
| 0,012 | 1,87 | 1,76 | 0,11 | 88,1 |
| 0,014 | 1,89 | 1,83 | 0,06 | 91,7 |
| 0,016 | 1,83 | 1,85 | -0,02 | 92,3 |
| 0,018 | 1,8 | 1,82 | -0,02 | 91,2 |
| 0,02 | 1,81 | 1,81 | 0 | 90,5 |
КОНТРОЛЬНОЕ ЗАДАНИЕ №5
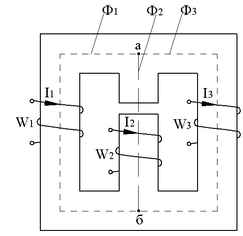
Определить магнитный поток и индукцию в участках магнитной цепи. Числа витков
.
РЕШЕНИЕ
;
;
;
;
;
;
;
.
Применяем метод двух узлов. Показываем магнитные потоки. Принимаем направление узлового напряжения
от узла «а» к узлу «б». Уравнение по законам Кирхгофа:
Выражаем
из этих уравнений:
Строим зависимости
,
,
.
Задаем значения токов и находим индукции на всех участках:
;
;
по кривой намагничивания находим напряженности.
Результаты вычислений представлены в таблице. Строим также вспомогательную кривую
.
Точка пересечения вспомогательной кривой и графика
дает решение задачи.
| | | | | | | | | |
| 0 | 0 | 0 | 0 | 960 | 0 | 0 | 0 | 0 |
| 0,48 | 0,4 | 53 | -5,3 | 955 | 0,6 | 0,4 | 53 | 318310 |
| 0,96 | 0,8 | 135 | -13,5 | 946 | 1,2 | 0,8 | 135 | 636620 |
| 1,2 | 1,0 | 200 | -20 | 940 | 1,5 | 1,0 | 200 | 795775 |
| 1,44 | 1,2 | 475 | -47,5 | 913 | 1,8 | 1,2 | 475 | 954930 |
| 1,68 | 1,4 | 1060 | -106 | 854 | ||||
| 1,8 | 1,5 | 2000 | -200 | 760 | ||||
| 1,92 | 1,6 | 5000 | -500 | 460 | ||||
| 2,04 | 1,7 | 9000 | -900 | 60 | ||||
| 2,16 | 1,8 | 14000 | -1400 | -440 |
При этом
А. По графикам определяем магнитные потоки:
Вб;
Вб;
Вб.
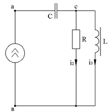
Схема состоит из источника синусоидального тока
, линейного активного сопротивления, линейной емкости (индуктивности), и нелинейной индуктивности (емкости), вебер-амперная (кулон-вольтная) характеристика которой приведена. Требуется рассчитать и построить зависимости
,
,
,
,
,
в функции
. Значения исходных величин для соответствующего варианта.
;
;
;
.
РЕШЕНИЕ
Вебер-амперная характеристика нелинейной индуктивности (
Вб):
В интервале времени
происходит перемагничивание катушки. При этом
, весь ток проходит через резистор:
Амплитуда напряжений на конденсаторе и резисторе
Напряжение на конденсаторе на 90 опережает ток:
Напряжение на резисторе совпадает по фазе с током:
Находим потокосцепление:
, отсюда получаем,
интегрируя уравнение:
Постоянную С находим из условия:
при t=0
, отсюда
,
Время
определяем из условия, что при этом
:
В интервале времени
потокосцепление катушки
, напряжение не катушки
,
, весь ток проходит через катушку:
В интервалах
и
процессы протекают аналогично.
По полученным формулам строим графики.
Характеристики
Тип файла документ
Документы такого типа открываются такими программами, как Microsoft Office Word на компьютерах Windows, Apple Pages на компьютерах Mac, Open Office - бесплатная альтернатива на различных платформах, в том числе Linux. Наиболее простым и современным решением будут Google документы, так как открываются онлайн без скачивания прямо в браузере на любой платформе. Существуют российские качественные аналоги, например от Яндекса.
Будьте внимательны на мобильных устройствах, так как там используются упрощённый функционал даже в официальном приложении от Microsoft, поэтому для просмотра скачивайте PDF-версию. А если нужно редактировать файл, то используйте оригинальный файл.
Файлы такого типа обычно разбиты на страницы, а текст может быть форматированным (жирный, курсив, выбор шрифта, таблицы и т.п.), а также в него можно добавлять изображения. Формат идеально подходит для рефератов, докладов и РПЗ курсовых проектов, которые необходимо распечатать. Кстати перед печатью также сохраняйте файл в PDF, так как принтер может начудить со шрифтами.
















