150546 (580458), страница 3
Текст из файла (страница 3)
U=I * Z = 245 (B);
Зная полный ток цепи, найдем падение напряжения в проводах линии на активном сопротивлении:
Uа0 = I * 2*R0 = 19,20 (B);
Зная полный ток цепи, найдем падение напряжения в проводах линии на реактивном сопротивлении:
Uр0 = I * 2*XL0 = 15,00 (B);
Найдем полное падение напряжения цепи в проводах линии, как корень квадратный из суммы квадратов падения напряжения в проводах линии на активном и реактивном сопротивлениях:
U0 = (Uа02 + Uр02) 0,5 =25 (В);
Найдем активную, реактивную и полную мощности в конце линии и мощность потерь в проводах, исходя из того, что полная мощность в конце линии равна произведению полного тока линии на напряжение в конце линии:
P= I2 *R12 =27008 (Вт); Q= I2 *XL12 =22579 (Вт);
S= (P2 + Q2) 0.5=35202 (Вт);
Найдем коэффициент мощности установки:
cos= R12/Z12= R12/ (R122 + XL122) 0.5=0.558;
Найдем коэффициент полезной мощности ЛЭП:
= (U - Ua0) / U=0.90;
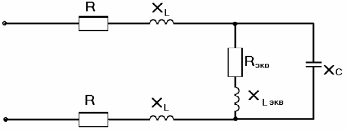
Б. Рассчитаем компенсационную установку для получения cos2=0,95 и определим для указанного значения коэффициента мощности емкость и мощность батареи конденсаторов.
Заменим данную схему на эквивалентную с учетом результатов, полученных в п.А.
Пусть емкостное сопротивление батареи конденсаторов составляет XС Ом. Найдем проводимость параллельного участка.
g = g1 + g2; где
g1 =Rэкв/ Z12;
g2 =0;
Значит
g = g1 + g2 = Rэкв/ Z12 + 0= 0,558;
Найдем реактивную проводимость параллельного участка:
b=b1 - b1; где
b1 = XLэкв/ Z12;
b2 = XС/ Z22;
Значит
b=b1+ b1 = XL1/ Z12 - 1/ XC2 =0.467 - 1/ XC2;
Найдем проводимость параллельного участка, исходя из того, что полная проводимость равна корню квадратному из суммы квадратов ее активной и реактивной составляющих:
y= (g12 + b22) 0.5= (0,311364 + (0.467 - 1/ XC2) 2) 0.5;
Заменим данную схему на эквивалентную, заменив участок с параллельным соединением на сопротивление Zпар активно-индуктивного характера:
где
Rпар= g/y2=0.558/ (0,311364 + (0.467 - 1/ XC2) 2);
XLпар= b/y2= (0.467 - 1/ XC2) / (0,311364 + (0.467 - 1/ XC2) 2);
Найдем полное активное сопротивление цепи (сумма всех активных сопротивлений):
R= 2*R0 + Rпар =0,1 + 0.558/ (0,311364 + (0.467 - 1/ XC2) 2) (Ом);
Найдем полное реактивное сопротивление цепи (сумма всех реактивных сопротивлений):
XL=2*XL0+XL12 = 0,12+ (0.467-1/ XC2) / (0,311364 + (0.467 - 1/ XC2) 2) (Ом); Поскольку cos2=0,95 то tg2=0.33, значит
XL/R=0.33,0,1 + 0.558/ (0,311364 + (0.467 - 1/XC2) 2) = 3* (0,12+ (0.467-1/ XC2) / / (0,311364+ (0.467-1/ XC2) 2));
Решим уравнение относительно XC2
1/ (0,311364 + (0.467 - 1/XC2) 2) =0.654+1.8* (0.467-1/ XC2) / (0,311364+ (0.467-1/ XC2) 2));
1 = 0,654* (0,311364+ (0.467-1/ XC2) 2) + 1.8* (0.467-1/ XC2)
(0.467-1/ XC2) 2 +2.752* (0.467-1/ XC2) - 1.529=0
(0.467-1/ XC2) =1.376+1.850=3.226
(0.467-1/ XC2) =1.376 - 1.850= - 0.474, 1/ XC2 =-2.859, 1/ XC2 =0.941
Значит
XC =1.031 (Ом);
Значит, емкость батареи конденсаторов составляет:
C= 1/wXC =308 (мкФ)
В. Найдем полное активное сопротивление цепи (сумма всех активных сопротивлений):
R= 2*R0 + Rпар =0,1 + 0.558/ (0,314 + (0.467 - 1/ XC2) 2) = 1,03 (Ом);
Найдем полное реактивное сопротивление цепи (сумма всех реактивных сопротивлений):
XL=2*XL0+XL12 = 0,12+ (0.467-1/ XC2) / (0,311364 + (0.467 - 1/ XC2) 2) =
= 0,34 (Ом);
Найдем полное сопротивление цепи, как корень квадратный из суммы квадратов активного и реактивного сопротивлений:
Z = (XL2 + R2) 0.5= 1,09 (Ом);
Найдем ток цепи, как отношение полного напряжения цепи к полное сопротивление цепи:
I=U / Z = 225.7 (A);
Зная полный ток цепи, найдем падение напряжения в проводах линии на активном сопротивлении:
Uа0 = I * 2*R0 = 22.58 (B);
Зная полный ток цепи, найдем падение напряжения в проводах линии на реактивном сопротивлении:
Uр0 = I * 2*XL0 = 27.09 (B);
Найдем полное падение напряжения цепи в проводах линии, как корень квадратный из суммы квадратов падения напряжения в проводах линии на активном и реактивном сопротивлениях:
Uа0 = (Uа02 + Uр02) 0,5 = 38.31 (В);
Найдем активную, реактивную и полную мощности в конце линии и мощность потерь в проводах, исходя из того, что полная мощность в конце линии равна произведению полного тока линии на напряжение в конце линии:
P= I2 *R12 =50459 (Вт);
Q= I2 *XL12 =11213 (Вт);
S= (P2 + Q2) 0.5=51690 (Вт);
Найдем коэффициент мощности установки:
cos= R12/Z12= R12/ (R122 + XL122) 0.5=0.95;
Найдем коэффициент полезной мощности ЛЭП:
= (U - Ua0) / U=0.85;
Составим сводную таблицу:
| Характеристика | Без конденсаторов | С батареей конденсат. |
| I, A | 160 | 225.7 |
| Напряжение в начале линии, U, В | 245 | 245 |
| Падение напряжения цепи в проводах линии, U0, В | 25 | 38,31 |
| Потеря напряжения цепи в проводах линии, Uа0, В | 19, 20 | 22,58 |
| Активная мощность Р, Вт | 27008 | 50459 |
| Реактивная мощность Q, Вт | 22579 | 11213 |
| Полная мощность S, Вт | 35202 | 51690 |
| Коэффициент мощности установки | 0,56 | 0,95 |
Выводы:
При повышении коэффициента мощности установки ток линии повышается;
Повышается активная мощность установки, и понижается реактивная мощность;
Повышаются токи электродвигателей, что приводит к необходимости увеличивать сечение обмоток.















