150546 (580458), страница 2
Текст из файла (страница 2)
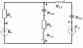
Получили систему из 3 уравнений:
i1+ i2+ i3 = 0;
e1 = i1*R1+ 1/C3* i3dt +i3 *R3;
e2 = 1/C2* i2dt + L2*di2/dt + 1/C3* i3dt +i3 *R3;
б) символической.
Исходя из первого закона Кирхгофа для узла а:
I1+ I2+ I3 = 0;
Исходя из второго закона Кирхгофа для контура bdab:
20.5 * E1 + 20.5 *j* E1 = I1*R1 - I3*j*1/wC3+ I3 *R3;
Исходя из второго закона Кирхгофа для контура bcab:
E2 = - I2*j*1/wC2+ I2*j*wL2 - I3*j*1/wC3 + I3 *R3;
Получили систему из 3 уравнений:
I1+ I2+ I3 = 0;
20.5 * E1 + 20.5 *j* E1 = I1*R1 - I3*j*1/wC3+ I3 *R3;
E2 = - I2*j*1/wC2+ I2*j*wL2 - I3*j*1/wC3 + I3 *R3;
Определить комплексы действующих значений токов во всех ветвях, воспользовавшись методом двух узлов.
E1 =240*e j45 = 170+170j (B);
E2 =240*e j0 =240 (B);
R1 =12*e j0 =12 (Ом);
R3 =4*e j0 = 4 (Ом);
XL2 =wL2*e j90= 3.14*2*500*8=25.12*e j90 (Ом);
Xc2 = - 1/w C2*e j90= - 1/ (3.14*2*500*100) = - 3.18*e j90 (Ом);
Xc3 = - 1/w C2*e j90= - 1/ (3.14*2*500*50) = - 6.37*e j90 (Ом);
Запишем сопротивления ветвей в комплексной форме:
Z1 = R1 =12*e j0;
Z2 = XL2 +XC2 =21.94*e j90;
Z3 = XL3 +R3 =5.92*e -j47.53;
Найдем проводимости ветвей:
y1=1/Z1=1/12*e j0 =1/12;
y2=1/Z2=1/21.94*e - j90 =-j*1/21.94;
y3=1/Z3=1/5.92*e j47.53 =0.11405+0.12460j;
Найдем напряжение между узлами а и b:
Uab= (240*e j45 *1/12*e j0 - 240*e j0 *1/21.94*e j90) / (1/12-j*1/21.94 + +0.11405+0.12460*j) = (20*e j45 -10.97*e j90) / (0.19738+0.07902*j) = (14.14213-3.17213*j) / (0.21261 *e j21.8) =68.17*e -j9;
Uab =67.33+ j* 0.93;
Найдем токи цепи:
I1= (E1 - Uab) *y1= (170+j*170 - (67.33+j*0.93)) /12=16.48*e j59;
I2= (E2 - Uab) *y2= (240- (67.33+j*0.93)) /21.94*e j90 =7.87*e - j91;
I3= Uab*y1=68.17*e -j9 / (5.92*e -j47.53) =11.51*e j36.53
По результатам, полученным в пункте 2, определим показания ваттметра двумя способами:
а) с помощью выражений для комплексов тока и напряжения;
б) по формуле UIcos (UI):
P= UIcos (UI) =197.76*16.48cos (59 - 45) = 3162.3 (Вт);
Построим топографическую диаграмму, совмещенную с векторной диаграммой токов.
Построим круговую диаграмму для тока во второй ветви при изменении модуля сопротивления этой ветви от 0 до . Для этого найдем максимальный ток Ik при сопротивлении третей ветви, равном 0:
Ik = E1*y1 + E2*y2 = (170+170j) /12 - 240*j*1/21.94 = 14.17+ 3.22j = =14.53*e12.8;
Найдем сопротивление цепи относительно зажимов a и b:
Zab=1/ (y1+y2) +Z3=-1/ (j*1/21.94+1/12) + 0.11405+0.12460j = 0.05+0.08j+ +0.11405+0.12460j=0.164+0.205j=0.26*e51;
В окружности
хорда равна Ik = 14.53*e12.8;
коэффициент равен k=0.36;
вписанный угол = - 7
Пользуясь круговой диаграммой построим график изменения этого тока в зависимости от модуля сопротивления.
Используя данные расчета, полученные в пункте 2, запишем выражения для мгновенных значений тока и напряжения. Построим график зависимости одной из этих величин.
Uab=68.17* sin (wt-9);
I2=11.51* sin (wt + 36.53)
График - синусоиды, смещенные относительно оу на 90 и - 36,530 соответственно.
Полагая, что между двумя индуктивностями, расположенными в разных ветвях заданной системы, имеется магнитная связь при коэффициенте магнитной индукции М (добавим вторую индуктивность в 3 ветвь) составим в общем виде систему уравнений для расчета токов во всех ветвях цепи, записав ее в двух формах:
а) дифференциальной;
б) символической
1) На основании законов Кирхгофа составим в общем виде систему уравнений для расчета токов во всех ветвях цепи, записав ее в двух формах:
а) дифференциальной. Исходя из первого закона Кирхгофа для узла а:
i1+ i2+ i3 = 0;
Исходя из второго закона Кирхгофа для контура bdab:
e1 = i1*R1+ 1/C3* i3dt + L3*di3/dt - M23*di2/dt + i3 *R3;
Исходя из второго закона Кирхгофа для контура bcab:
e2 = 1/C2*i2dt + L2*di2/dt - M23*di3/dt+ 1/C3* i3dt+ L3*di3/dt - M32*di3/dt+i3 *R3;
Получили систему из 3 уравнений:
i1+ i2+ i3 = 0;
e1 = i1*R1+ 1/C3* i3dt + L3*di3/dt - M23*di2/dt + i3 *R3;
e2 = 1/C2*i2dt + L2*di2/dt - M23*di3/dt+ 1/C3* i3dt+ L3*di3/dt - M32*di3/dt+i3 *R3;
б) символической.
Исходя из первого закона Кирхгофа для узла а:
I1+ I2+ I3 = 0;
Исходя из второго закона Кирхгофа для контура bdab:
20.5 * E1 + 20.5 *j* E1 = I1*R1 - I3*j*1/wC3+ I3 *R3 +I3*j*wL3 - I2*j*wM32;
Исходя из второго закона Кирхгофа для контура bcab:
E2 = - I2*j*1/wC2+I2*j*wL2-I2*j*wM32 - I3*j*1/wC3 + I3 *R3 - I3*j*wM23;
Получили систему из 3 уравнений:
I1+ I2+ I3 = 0;
20.5 * E1 + 20.5 *j* E1 = I1*R1 - I3*j*1/wC3+ I3 *R3 +I3*j*wL3 -I2*j*wM32;
E2 = - I2*j*1/wC2+I2*j*wL2-I2*j*wM32 - I3*j*1/wC3 + I3 *R3 - I3*j*wM23;
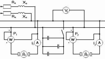
Задача 5. Два электродвигателя переменного тока подключены параллельно к цепи с напряжением u2и работают с низким коэффициентом мощности cos1. Измерительные приборы в цепи каждого электродвигателя показывают токи I1 и I1 и мощности Р1 и Р2. Провода линии электропередачи имеют активное сопротивление r0 и индуктивное x0. Численные значения всех величин, необходимых для расчета, приведены в таблице вариантов. Необходимо:
А. Рассчитать заданную электрическую цепь и определить (до подключения конденсаторов):
Ток в линии
Напряжение в начале линии
Потерю и падение напряжения в линии
Активную, реактивную и полную мощности в конце линии и мощность потерь в проводах
Коэффициент мощности установки
КПД линии
Б. Рассчитать компенсационную установку для получения cos2=0,95 и определить для указанного значения коэффициента мощности емкость и мощность батареи конденсаторов.
В. Выполнить расчет цепи при условии работы компенсационной установки и найти величины, указанные в пункте А. Полученные результаты свести в таблицу и сравнить для различных режимов работы электродвигателя (до компенсации и при cos2=0,95). Отметить, какие выводы дает улучшение коэффициента мощности установки.
Дано.
| R0, Ом | Х0, Ом | I1, А | I2, А | Р1, кВт | Р2, кВт | U2, В |
| 0,06 | 0,05 | 90 | 70 | 15 | 12 | 220 |
Решение.
А. Найдем активное сопротивление каждого электродвигателя, исходя из того, что активная мощность равна произведению активного сопротивления на квадрат тока ветви. Значит:
R1=P1/I12 =1.852 (Ом);
R2=P2/I22 =2.449 (Ом);
Найдем реактивную мощность каждого электродвигателя, как произведение тока на напряжение:
Q1=U1 * I1 =19800 (Bт);
Q2=U2 * I2 =15400 (Bт);
Найдем полную мощность каждого электродвигателя, как корень квадратный из разности полной и активной мощностей:
S1= (Q12 +! P12) 0.5 =12924 (Bт);
S2= (Q22 +! P22) 0.5 =9651 (Bт);
Найдем реактивное сопротивление каждого электродвигателя, исходя из того, что реактивная мощность равна произведению реактивного сопротивления на квадрат тока ветви (реактивное сопротивление является индуктивным):
XL1=S1/I12 =1.596 (Ом);
XL2=S2/I22 =1,970 (Ом);
Найдем полное сопротивление каждого электродвигателя, исходя из того, что полное сопротивление равно корню квадратному из суммы квадратов его активной и реактивной составляющих:
Z1= (XL12 + R12) 0.5=2,444
Z2= (XL22 + R22) 0.5=3,143
Найдем активную проводимость параллельного участка:
g = g1 + g2; где
g1 =R1/ Z12;
g2 =R2/ Z22;
Значит
g = g1 + g2 = R1/ Z12 + R2/ Z22 = 0.558
Найдем реактивную проводимость параллельного участка:
b=b1+ b1; где
b1 = XL1/ Z12;
b2 = XL2/ Z22;
Значит
b=b1+ b1 = XL1/ Z12 + XL2/ Z22 =0.467;
Найдем проводимость параллельного участка, исходя из того, что полная проводимость равна корню квадратному из суммы квадратов ее активной и реактивной составляющих:
y= (g12 + b22) 0.5=0.727;
Найдем полный ток цепи, как произведение напряжения параллельного участка на проводимость параллельного участка:
I=U2 * y=160 (A);
Составим эквивалентную схему, заменив параллельный участок на эквивалентные активные и реактивные сопротивления:
Найдем эквивалентные активные и реактивные сопротивления параллельного участка:
R12 =g12/y122 =1.055 (Ом);
XL12 =b12/y122 =0.882 (Ом);
Найдем полное сопротивление параллельного участка:
Z12= (R122 + XL122) 0.5=1.375 (Ом);
Найдем полное активное сопротивление цепи (сумма всех активных сопротивлений):
R= 2*R0 + R12 =1,175 (Ом);
Найдем полное реактивное сопротивление цепи (сумма всех реактивных сопротивлений):
XL = 2*XL0 + XL12 = 0,982 (Ом);
Найдем полное сопротивление цепи, как корень квадратный из суммы квадратов активного и реактивного сопротивлений:
Z = (XL2 + R2) 0.5= 1.531 (Ом);
Найдем полное напряжение цепи, как произведение полного тока цепи на полное сопротивление цепи:















