150413 (580443)
Текст из файла
КОНТРОЛЬНАЯ РАБОТА
по дисциплине:
«Электротехника и электроника»
Москва 2009
Расчет выпрямителя источников электропитания электронных устройств
Заданы основные параметры выпрямителя:
Uн.ср=15 [B]
Iн.ср=0,2 [A]
Pвых=0,03
Uн.ср – среднее значение выпрямленного напряжения на нагрузке
Iн.ср – среднее значение выпрямленного тока
Pвых – допустимый коэффициент пульсаций напряжения нагрузки
Требуется:
-
Начертить принципиальную электрическую схему однофазного мостового выпрямителя и описать его работу.
Рассчитываемый выпрямитель состоит из трансформатора, четырех диодов и сглаживающего фильтра
-
Выбрать тип диодов выпрямителя.
Для выбора типа диодного выпрямителя рассчитаем максимальное обратное напряжение на диоде – U обр. макс. и среднее значение прямого тока диода I пр. ср.
Максимальное обратное напряжение на диодах
[В]
Средний прямой ток каждого диода
[А]
С учетом требуемого запаса в 30% по прямому току и максимальному обратному напряжению рассчитываем необходимые параметры диода
Uобр.макс. д ≥ 1,3 Uобр.макс
[А] Uобр.макс. д ≥ 74 [B]
На основании выполненных расчетов по справочной литературе выбираем соответствующий тип диода Д312
-
Рассчитать действующие значения напряжения вторичной обмотки трансформатора U2, токов обмоток трансформатора I1 и I2.
Действующее значение напряжения вторичной обмотки трансформатора U2 определяется из соотношения
Следовательно,
[B]
Сопротивление нагрузки
[Ом]
Максимальный ток вторичной обмотки трансформатора
[A]
Действующее значение тока вторичной обмотки трансформатора
[A]
-
Определение габаритной мощности трансформатора.
[Вт]
где S1 и S2 – расчетные мощности первичной и вторичной обмоток трансформатора.
-
Рассчитать параметры элементов Г – образного сглаживающего фильтра RC.
Для двух полупериодных однофазных выпрямителей коэффициент пульсаций равен
.
Коэффициент сглаживания RC фильтра
Величину сопротивления фильтра Rф определяют исходя из оптимальной величины КПД фильтра (обычно 0,6÷0,8) и тогда Rф=0,25Rн=0,25∙288=72 [Ом]
Значение емкости сглаживающего фильтра
[мкФ]
где m – число фаз выпрямителя (для рассчитываемого выпрямителя m=2).
Рабочее напряжение выбранного конденсатора
[В]
6) Рассчитать и построить временные диаграммы:
а) напряжения и тока во вторичной обмотке трансформатора
б) напряжения и тока в активной нагрузке при отсутствии сглаживающего фильтра
Работу выпрямителя рассмотрим с помощью временных диаграмм напряжений и тока на входе
на выходе
.
Напряжение на выходе
Ток на входе
Ток на выходе
Мультиплексоры
Мультиплексоры осуществляют подключение одного из сходных каналов к выходному под управлением управляющего (адресующего) слова. Разрядности каналов могут быть различными, мультиплексоры для коммутации многоразрядных слов составляются из одноразрядных
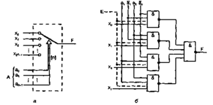
Рис. 2.9. Упрощенное представление мультиплексора многопозиционным ключом (а) и реализация мультиплексора на элементах И-НЕ (б)
Входы мультиплексора делятся на две группы: информационные и адресующие. Работу мультиплексора можно упрощенно представить с помощью многопозиционного ключа. Для одноразрядного мультиплексора ого представлено на рис. 2.9, а. Адресующий код А задает переключателю определенное положение, соединяя с выходом F один из информационных входов X;.
При нулевом адресующем коде переключатель занимает верхнее положение хо, с увеличением кода на единицу переходит в соседнее положение х, и т.д.
Работа мультиплексора описывается соотношением
F = x0an_ian‑2»^i2oVxia [1_1an «2…a, a0V-X2n_1an_] an_2‑a1a0,
которое иногда называется мультиплексной формулой. При любом значении адресующего кода все слагаемые, кроме одного, равны нулю. Ненулевое слагаемое равно х;, где i – значение текущего адресного кода. Схемотехнически мультиплексор реализует электронную версию показанного переключателя, имея, в отличие от нею, только одностороннюю передачу данных. На рис. 2.9, б показан мультиплексор с четырьмя информационными входами, двумя адресными входами и входом разрешения работы. При отсутствии разрешения работы (Е = 0) выход F становится нулевым независимо от информационных и адресных сигналов.
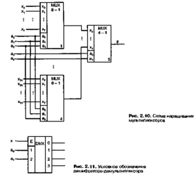
В стандартных сериях размерность мультиплексоров не более 16x1.
Наращивание размерности мультиплексоров возможно с помощью пирамидальной структуры из нескольких мультиплексоров. При этом первый ярус схемы представляет собою столбец, содержащий столько мультиплексоров сколько необходимо для получения нужного числа информационных входов. Все мультиплексоры столбца адресуются одним и тем же кодом, составленным из соответствующего числа младших разрядов общего адресного кода (если число информационных входов схемы равно 2П, то общее число адресных разрядов равно п. младшее поле ni адресного кода используется для адресации мультиплексоров первого яруса). Старшие разряды адресного кода, число которых равно п – п^ используются во втором ярусе, мультиплексор которого обеспечивает поочередную работу мультиплексоров первого яруса на общий выходной канал.
Пирамидальная схема, выполняющая функции мультиплексора «32–1» и построенная на мультиплексорах меньшей размерности, показана на рис. 2 10 (сокращение MUX от английского MUltipleXer).
Демультиплексоры выполняют операцию, обратную операции мультиплексоров – | передают донные из одного входного канала в один из нескольких каналов-приемников.
Многоразрядные демультиплексоры составляются из нескольких одноразрядных. Условное обозначение демультиплексоров па примере I размерности м 1–4» показано на рис. 2.11.
Нетрудно заметить, что дешифратор со входом разрешения работы будет работать в режиме демультиплексора, если на вход разрешения подавать информационный сигнал. Действительно, при единичном значении этого сигнала адресация дешифратора (подача адресного кода на его входы) приведет к возбуждению соответствующего выхода, при нулевом – нет. А это и соответствует перс-I даче информационного сигнала в адресованный выходной канал.
В связи с указанным, в сериях элементов отдельные демультиплексоры могут отсутствовать, а дешифратор со входом разрешения часто называется дешифратором-демулътиплексором.
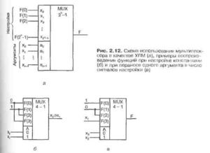
Универсальные логические модули на основе мультиплексоров
Универсальные логические модули (УЛМ) на основе мультиплексоров относятся к устройствам, настраиваемым на решение той или иной задачи Универсальность их состоит в том, что для заданного числа аргументов можно настроить УЛМ на любую функцию. Известно, что общее число функций п аргументов выражается как 22» С ростом п число функций растет чрезвычайно быстро. Хотя практический интерес представляют не все существующие функции, возможность получить любую из огромного числа функций свидетельствует о больших перспективах применения УЛМ.
Первым способом настройки, используемым в УЛМ, является фиксация некоторых входов. Для этого способа справедливо следующее соотношение между числом аргументов и числом настроечных входов. Пусть число аргументов п и требуется настройка на любую из функций. Тогда число комбинаций для кода настройки, равное числу функций, есть 22. Для двоичного кода число комбинаций связано с разрядностью кода выражением 21П, где т – разрядность кода. Приравнивая число воспроизводимых функций к числу комбинаций кода настройки, имеем для числа настроечных входов соотношение m = 2П.
Полученному выражению отвечает соотношение между числом входов разного типа для мультиплексора. При этом на адресные входы следует подавать аргументы функции, а на информационные входы – сигналы настройки (рис. 2.12, я). Таким образом, для использования мультиплексора в качестве УЛМ следует изменить назначение его входов.
Рис. 2.12, а – иллюстрирует возможность воспроизведения с помощью мультиплексора любой функции п аргументов. Действительно, каждому набору аргументов соответствует передача на выход одного из сигналов настройки. Если этот сигнал есть значение функции на данном наборе аргументов, то задача решена. Разным функциям будут соответствовать разные коды настройки. Алфавитом настройки будет {0,0 – настройка осуществляется константами 0 и 1. На рис. 2.12, 6 показан пример воспроизведения функции неравнозначности xj и хг с помощью мультиплексора «4–1».
Большое число настроечных входов затрудняет реализацию УЛМ. Для УЛМ, расположенных внутри кристалла, можно вводить код настройки последовательно в сдвигающий регистр, к разрядам которого подключены входы настройки. Тогда внешним входом настройки будет всего один, но настройка будет занимать не один такт, а 2» тактов. Возможны и промежуточные последовательно-параллельные варианты ввода кода настройки.
Большое число входов настройки наталкивает па поиск возможностей их уменьшения. Такие возможности существуют и заключаются в расширении алфавита настроечных сигналов. Если от алфавита {0,1} перейти к алфавиту {0,1, Xj}, где X; – литерал одного из аргументов, то число входов аргументов сократится на единицу, а число настроечных входов – вдвое. Напомним, что под литералом переменной понимается либо сама переменная, либо ее инверсия. Перенос одного из аргументов в число сигналов настройки не влечет за собою каких-либо схемных изменений. На гом же оборудовании будут реализованы функции с числом аргументов на единицу больше, чем при настройке константами.
Для нового алфавита код настройки находится следующим образом. Аргументы за исключением x:L полаются на адресующие входы, что соответствует их фиксации в выражении для искомой функции, которая становится функцией единственного аргумента Xj. Эту функцию, которую назовем остаточной, и нужно подавать на настроечные входы.
Если искомая функция зависит от л аргументов и в число сигналов настройки будет перенесен один из аргументов, то возникает п вариантов решения задачи, т. к. в сигналы настройки может быть перенесен любой аргумент Спрашивается, какой именно аргумент целесообразно переносить в сигналы настройки? Здесь можно опираться на рекомендацию: и настроечные сиi налы следует переводить аргумент, который имеет минимальное число вхождений в термы функции. В этом случае буду г максимально использованы как бы внутренние логические ресурсы мультиплексора, а среди сигналов настройки увеличится число констант, что и считается благоприятным для схемной реализации УЛМ.
Проиллюстрируем сказанное примером воспроизведения функции трех аргументов F= х, Х2Х3\/х^з – Минимальное число вхождений в выражение функции имеет переменная xj, которую и перенесем в число сигналов настройки. Остаточная функция определится табл. 2.3, а.
Схема УЛМ приведена на рис. 2.12, е.
По пути расширения алфавита сигналов настройки можно идти и дальше, но при этом понадобятся дополнительные логические схемы, воспроизводят ие остаточные функции, которые будут уже зависеть более чем от одного аргумента.
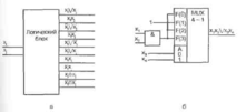
Рис. 2.13. Логический блок выработки сигналов настройки УЛМ с переносом, двух аргументов в сигналы настройки (а) и пример схемы воспроизведения функции четырех аргументов на мультиплексоре «4–1» (б)
[Если в сигналы настройки перевести два аргумента, то дополнительные логические схемы будут двухвходовыми вентилями, что мало усложняет УЛМ и может оказаться приемлемым решением. В этом случае для сохранения универсальности УЛМ мультиплексору нужно предпослать блок выработки остаточных функций, в котором формируются все функции 2‑х переменных |(за исключением констант 0 и 1 и литералов самих переменных, которые не требуется вырабатывать). Такой блок показан на рис. 2.13, я. Пример реализации функции F = х, х2\/Хз^4 ПРИ алфавите настройки {0,1, зц, х» 2} показан на рис. 2.13, б. Таблица остаточной функции для этого примера приведена в табл. 2.3, б.
Пирамидальные структуры УЛМ
Характеристики
Тип файла документ
Документы такого типа открываются такими программами, как Microsoft Office Word на компьютерах Windows, Apple Pages на компьютерах Mac, Open Office - бесплатная альтернатива на различных платформах, в том числе Linux. Наиболее простым и современным решением будут Google документы, так как открываются онлайн без скачивания прямо в браузере на любой платформе. Существуют российские качественные аналоги, например от Яндекса.
Будьте внимательны на мобильных устройствах, так как там используются упрощённый функционал даже в официальном приложении от Microsoft, поэтому для просмотра скачивайте PDF-версию. А если нужно редактировать файл, то используйте оригинальный файл.
Файлы такого типа обычно разбиты на страницы, а текст может быть форматированным (жирный, курсив, выбор шрифта, таблицы и т.п.), а также в него можно добавлять изображения. Формат идеально подходит для рефератов, докладов и РПЗ курсовых проектов, которые необходимо распечатать. Кстати перед печатью также сохраняйте файл в PDF, так как принтер может начудить со шрифтами.















