150413 (580443), страница 2
Текст из файла (страница 2)
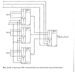
Дальнейшее расширение алфавита настройки за счет переноса трех и более переменных в сигналы настройки требует вычислений остаточных функций трех или более переменных. Вычисление таких остаточных функций с помощью мультиплексоров приводит к пирамидальной структуре (рис. 2.14), в которой мультиплексоры первого яруса реализуют остаточные функции, а мультиплексор второго яруса вырабатывает искомую функцию.
Показанная пирамидальная структура – каноническое решение, которое приводит к нужному результату, но не претендует на оптимальность. Дело в том, что варианты построения схем из нескольких мультиплексоров для воспроизведения функций многих переменных разнообразны, но алгоритм поиска оптимальной по затратам оборудования или какому-либо другому критерию отсутствует. Имеются работы, в которых найдены решения более высокого качества, но это результаты изобретений, касающиеся частных случаев и не относятся к регулярному методу поиска структур.
При чисто электронной настройке константами 0 и I схема воспроизводит функцию п аргументов, где п = к + р, причем к – число аргументов, подаваемых на мультиплексор второго яруса, р – число аргументов, от которых зависят остаточные функции, воспроизводимые мультиплексорами 0…2к – 1 первого яруса.
Для уменьшения аппаратных затрат в схеме следует стремиться к минимизации числа мультиплексоров в столбце, т.е. минимизации к и соответственно, максимальным р, поскольку их сумма к + р постоянна и равна п.
Сигналы настройки для мультиплексоров первого яруса можно искать разными способами:
L Подстановкой (фиксацией) наборов аргументов, подаваемых на адресные входы мультиплексоров для получения остаточных функций и, далее, сигналов настройки. Этот способ уже рассмотрен (см. табл. 2.3).
2, С помощью разложения функции по Шеннону. Это разложение можно произвести по разному числу переменных. По одному из аргументов разложение имеет вид
F=(*0. x «»., xnM)=x0F (0, Xl – .x^A/XoFO, х,…,)^).
Справедливость такого разложения видна из подстановки в него значений хд = 0 и хо = 1, что дает непосредственно функции F (О, Х (,…, х» j) и F (1, X,…, Хп – !).
Разложение функции по двум аргументам
F=(x0, x1,…, xn_I) = 3^x^(0, 0, x2,…, xn_I) Vxox1F (0, 1, x2,…, xn_l)\/ V*^, F (1, 0, x2>…, xI1_1) WiF (l» 1. Х2*->*п-д и, наконец, разложение по к аргументам F=(x0, x^».Jxnrl) = x{) SI…xk_2xk «1F (0> 0,…, 0, х^.^х^Л/ X/XoXj. – .x^Xj^jFiO, 0,…, 0, 1, xk,…, xn,) V… _ – ..\AoXi…Xk-^-lF (l, I,-, I, 4>~*Xn-i) = = x^1…xk_2xk_1F0Vx0xI…xk_2xk «1F,\/ – ..\/xoXi…xk_2xk_1F2L1,
где
F0 = F (0, 0,…, 0, xk,…, xn_,), F, = F (0, 0,…, 0, l, xk,…, xn_,),
F2* – i = F (l, l,-, l. Xk,…,)^,).
Структура формул разложения полностью соответствует реализации двухъярусным УЛМ. В первом ярусе реализуются функции F» (i = 0,…, 2k – 1), зависящие от и – к аргументов, которые используются как настроечные для второго яруса, мультиплексор которого воспроизводит функцию к аргументов. 3. Сигналы настройки можно получить непосредственно из таблицы истинности функции. Для удобства просмотра таблицы ее следует записать гак. чтобы аргументы, переносимые в сигналы настройки, играли роль младших разрядов в словах-наборах аргументов. Пусть имеется функция 4‑х переменных \^х2Х\Щ), и переменная х-* считается старшим разрядом вектора аргументов. Пусть, далее, функция задана перечислением наборов аргументов, на которых она принимает единичные значения, причем заданы десятичные значения этих наборов: 3, 4, 5, 6, 7, 11, 15. Заметим, что аналитическое значение этой функции имеет вид F – х^хД / Хг^з Значения функции сведены в табл. 2.4.
При электронной настройке УЛМ константами 0 и 1 требуется мультиплексор размерности «16–1», на настроечные входы УЛМ подаются значения самой функции из таблицы.
При переносе *о в сигналы настройки (алфавит настройки {О, I, *о}) требуется найти остаточную функцию, аргументами которой является вектор переменных x3x2Xi. Каждая комбинация этих переменных встречается в двух смежных строках таблицы. Просматривая таблицу по смежным парам строк, можно видеть, что остаточная функция соответствует другой таблице (табл. 2.5).
Таблица 2.5 Для реализации этого варианта УЛМ достаточен
При переносе в сигналы настройки двух переменных (Хд и «Xj) для поиска остаточных функций следует просмотреть четверки смежных строк таблицы с неизменными наборами Х2Х3 – аргументами, подаваемыми на адресные входы УЛМ. Этот просмотр приводит к следующей таблице (табл. 2.6).
Из таблицы видно, что для воспроизведения функции достаточно использовать мультиплексор «4–1» с дополнительным конъюнктором для получения произведения xlxO. Но при перестройке на другую функцию потребуются и другие функции двух переменных, т.е. универсальный логический модуль должен включать в свой состав дополнительный логический блок (см рис. 2.13, я).
Логические блоки на мультиплексорах используются в современных СБИС программируемой логики, выпускаемых ведущими мировыми фирмами. Э [и блоки работают по изложенным выше принципам, однако, зачастую универсальность в смысле воспроизводимости всех без исключения функций данною числа аргументов не преследуется, что упрощает схемы блоков, и в то же время достаточно широкие логические возможности.
В данном случае модули относятся к настраиваемым и характеризуются порождающей функцией, реализуемой модулем, когда все его входы используются как информационные (т.е. для подачи на них аргументов). Эта функция при введении настройки, когда часть входов занята под настроечные сигналы, порождает некоторый список подфункций, зависящих от I меньшего числа аргументов в сравнении с порождающей функцией. Создается перечень практически важных подфункций для того или иного настраиваемого модуля.
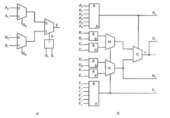
|На рис. 2.15, а показан логический блок, используемый в СБИС программируемой логики фирмы Actel (США). Изображены обозначения фирмы для мультиплексоров «2‑Г' (адресующие входы расположены сбоку). При S = 0 на выход передается сигнал верхнего входа, при S = 1 – нижнего. Функциональная характеристика (порождающая функция) для этого блока имеет вид
F = S^ «1 (SAA0VSAA1) V(S0VSi) (S» BB0VSBBl).
Варьируя подачу на входы блока констант и входных переменных, можно реализовать 702 практически полезные переключательные функции.
На рис. 2.15, tf показан логический блок (вернее его комбинационная часть) фирмы Quicklogic (США) с более широкими логическими возможностями.
Рис. 2.15. Мультиплексорные логические блоки, используемые в микросхемах фирм Actel (а) и Qujcklogic (б)
Триггеры
Триггерами называют устройства, обладающие двумя состояниями устойчивого равновесия и способные под воздействием внешнего управляющего сигнала скачком переходить из одного устойчивого состояния в другое.
Триггеры выполняют как на отдельных (дискретных) элементах, так и методами интегральной технологии. Их широко используют в различных устройствах, в которых они выполняют функции переключающих, счетных, пороговых и запоминающих элементов. Они составляют 20–40% оборудования ЭВМ. Триггеры в интегральном исполнении будут рассмотрены в следующей главе.
Несмотря на то что в настоящее время триггеры на дискретных схемах выполняют редко, физические процессы удобнее рассмотреть на таких схемах. На практике наиболее часто встречаются схемы с коллекторно-базовыми связями (симметричные) и с эмиттерной связью.
В качестве активного элемента используют биполярные и полевые транзисторы, туннельные диоды.
Рассмотрим схему триггера с коллекторно-базовыми связями на биполярных транзисторах с независимым смещением (рис 20.4). Она структурно близка к рассмотренной ранее схеме мультивибратора и представляет собой двухкаскадный усилитель постоянного тока с положительной обратной связью (100%), осуществляемой через цепи R1C1 и R2C2, которые соединяют коллектор одного транзистора с базой другого. Схема полностью симметрична. Поэтому параметры RBl = ЯБ2, RK1 = RKb Rt = R2, Сi = C2, транзисторы Tt и Т2 одного типа. Отличие от симметричного мультивибратора состоит в том, что в схеме триггера имеется источник смещения (Ев > 0), запирающий транзисторы (благодаря чему триггеры имеют два устойчивых состояния равновесия) и резисторы Я1 и Я 2 в цепях связи между усилительными каскадами.
Для обеспечения устойчивой работы триггера его параметры подбирают так, чтобы открытый транзистор находился в режиме насыщения, а закрытый – в режиме отсечки. Отметим, что открытый транзистор имеет потенциал коллектора, близкий к нулю, его можно считать низким и приписать ему уровень 0. Закрытый транзистор имеет потенциал коллектора, близкий к напряжению источника смещения. Для транзистора с р-и-р-структурой фк» – Ек, а для и-р-и-структуры фк х + Ек. Этот потенциал можно считать высоким и ему приписать уровень 1. Несмотря на го что триггер симметричен, при подаче на него напряжения питания один транзистор обязательно окажется закрытым, а другой – открытым, так как абсолютную симметрию в реальных схемах обеспечить невозможно и в схеме при включении ее сразу же начнется лавинообразный процесс, который происходит почти мгновенно и заканчивается переходом одного транзистора в режим отсечки, другого – в режим насыщения. Это состояние триггера устойчивое (в отличие от мультивибратора) и длится до тех пор, пока на вход триггера не будет подан запускающий импульс.
Запускающий импульс осуществляет переход (переброс) триггера в другое устойчивое состояние, при котором открытый ранее транзистор закрывается, а закрытый – открывается. Так с подачей запускающего импульса триггер переходит из одного устойчивого состояния в другое. На выходах триггера при этом формируется перепад напряжений. Рассмотрим происходящие при этом процессы.
Пусть триггер (рис. 20.4, й) находится в таком устойчивом состоянии, когда транзистор Tt открыт, а транзистор Т2 закрыт. Если на базу открытого транзистора подать запускающий импульс положительной полярности, то за некоторый очень малый промежуток времени транзистор Tt выйдет из режима насыщения и перейдет в активный режим. При этом ток базы, а следовательно, и коллектора транзистора Tt (iKl) уменьшится, что вызовет изменение потенциала коллектора фК1 = uKi = – Ек + ^к1гкь он станет более отрицательным. Отрицательный скачок напряжения на коллекторе вызовет примерно такой же скачок напряжения на базе закрытого транзистора Т2 и под действием изменившегося на его базе напряжения Т2 из режима отсечки перейдет в активный режим. Таким образом, за очень малый промежуток оба транзистора оказываются в активном режиме, в котором они обладают усилительными свойствами.
За счет положительной обратной связи в схеме начнется регенеративный процесс. Ток коллектора iK закрывающегося транзистора Tt будет уменьшаться. За счет этого будет более отрицательным потенциал коллектора Ti. Небольшой отрицательный скачок напряжения на коллекторе транзистора Tt через резистор обратной связи Rt приложится к базе транзистора Т2 и приоткроет его. Это вызовет значительное увеличение тока коллектора iK2 транзистора Т2 за счет большого коэффициента усиления по току в схеме с ОЭ (H2i3 ~ P) – Потенциал коллектора транзистора Т2, равный ц>К2=ик2=–Ек +RKiK2, станет положительнее, и положительный скачок напряжения на коллекторе Т2 будет значительно больше вызвавшего его отрицательного скачка напряжения на коллекторе транзистора Ti. Усиленный положительный скачок напряжения через резистор обратной связи R2 приложится к базе транзистора Ti и еще более призакроет его и т.д. Процесс будет развиваться лавинообразно и закончится закрыванием открытого транзистора Ti и открыванием закрытого транзистора Т2. Чтобы вывести схему из этого устойчивого состояния, нужно подать запускающий импульс на базу открытого теперь транзистора Т2.
Имеющиеся в схеме конденсаторы Сл и С2 шунтируют резисторы P-iи R2. Их обычно называют ускоряющими. Это объясняется следующим. В устойчивом состоянии, когда, например, транзистор Tt открыт, а транзистор Т2 закрыт, конденсаторы заряжены соответственно до напряжений uCi х 0 и ис2х – Ек. Во время лавинообразного процесса их состояние практически не изменяется (в соответствии со вторым законом коммутации). Но как только открытый транзистор Tt закроется и напряжение на его коллекторе станет равно – Ек, разряженный конденсатор Ct начнет заряжаться и в цепи базы открывающегося транзистора Т2 потечет большой зарядный ток, который добавится к току, втекающему в базу. Это значительно ускорит процесс открывания транзистора Т2.
Отметим, что конденсатор С2 после опрокидывания схемы будет перезаряжаться и напряжение на нем к концу перезарядки станет равным иК2 ~ 0. При лавинообразном процессе напряжение на конденсаторах не изменяется. Таким образом, они представляют собой коротко замкнутые участки цепи, т.е. шунтируют резисторы Rt и R2. Поэтому скачки напряжения на коллекторе одного транзистора почти полностью прикладываются к базе другого транзистора. Если бы не было конденсаторов, часть напряжения скачков падала бы на резисторах Rt u.R2 и токи базы, коллектора, а соответственно, и скачки напряжения были бы меньше, а процесс – более длительным. На рис. 20.4, б показаны входные импульсы мвх1 и мвх2 и напряжения иК1 и иК2 на коллекторах транзисторов 7i и Т2. Амплитуда выходного импульса равна перепаду напряжения на коллекторе при переходе триггера из одного устойчивого состояния в другое. Когда транзистор открыт, напряжение на его коллекторе = 0; когда транзистор закрыт, иК1шкъ – Ек. Таким образом, амплитуда выходного импульса будет равна примерно Ек.















