150230 (580427)
Текст из файла
1. Определение реакций опор составной конструкции (система двух тел)
Задание: Конструкция состоит из двух частей. Установить, при каком способе соединения частей конструкции модуль реакции
наименьший, и для этого варианта соединения определить реакции опор, а также соединения С.
Дано:
= 9,0 кН;
= 12,0 кН;
= 26,0 кН
м;
= 4,0 кН/м.
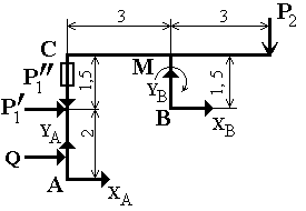
Схема конструкции представлена на рис.1.
Рис.1. Схема исследуемой конструкции.
Решение:
1) Определение реакции опоры А при шарнирном соединении в точке С.
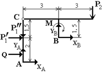
Рассмотрим систему уравновешивающихся сил, приложенных ко всей конструкции (рис.2.). Составим уравнение моментов сил относительно точки B.
Рис.2.
(1)
где
кН.
После подстановки данных и вычислений уравнение (1) получает вид:
кН (1’)
Второе уравнение с неизвестными
и
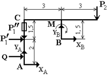
получим, рассмотрев систему уравновешивающихся сил, приложенных к части конструкции, расположенной левее шарнира С (рис. 3):
Рис. 3.
.
Отсюда находим, что
кН.
Подставив найденное значение
в уравнение (1’) найдем значение
:
кН.
Модуль реакции опоры А при шарнирном соединении в точке С равен:
кН.
2) Расчетная схема при соединении частей конструкции в точке С скользящей заделкой, показанной на рис. 4.
Рис. 4
Системы сил, показанные на рис. 2 и 4, ничем друг от друга не отличаются. Поэтому уравнение (1’) остается в силе. Для получения второго уравнения рассмотрим систему уравновешивающихся сил, приложенных к части конструкции, располоденной левее скользящей заделки С (рис. 5).
Рис. 5
Составим уравнение равновесия:
и из уравнения (1’) находим:
Следовательно, модуль реакции при скользящей заделке в шарнире С равен:
кН.
Итак, при соединении в точке С скользящей заделкой модуль реакции опоры А меньше, чем при шарнирном соединении (≈ 13%). Найдем составляющие реакции опоры В и скользящей заделки.
Для левой от С части (рис. 5а)
,
кН.
Составляющие реакции опоры В и момент в скользящей заделке найдем из уравнений равновесия, составленных для правой от С части конструкции.
кН*м
кН
;
кН
Результаты расчета приведены в таблице 1.
Таблица 1.
Силы, кН | Момент, кН*м | |||||||
| XA | YA | RA | XC | XB | YB | MC | ||
| Для схемы на рис. 2 | -7,5 | -18,4 | 19,9 | - | - | - | - | |
| Для схемы на рис. 4 | -14,36 | -11,09 | 17,35 | -28,8 | 28,8 | 12,0 | -17,2 | |
2. Определение реакций опор твердого тела
Задание: Найти реакции опор конструкции. Схема конструкции показана на рисунке 1. Необходимые данные для расчета приведены в таблице 1.
Табл. 1
| Силы, кН | Размеры, см | |||||
| | | a | b | c | R | r |
| 2 | 1 | 15 | 10 | 20 | 20 | 5 |
Рис. 1. Здесь:
,
,
,
.
Решение: К конструкции приложены сила тяжести
, силы
и реакции опор шарниров
и
:
(рис. 2)
Рис. 2.
Из этих сил пять неизвестных. Для их определения можно составить пять уравнений равновесия.
Уравнения моментов сил относительно координатных осей:
;
;
;
кН.
;
;
кН.
;
;
кН.
Уравнения проекций сли на оси координат:
;
кН
;
кН.
Результаты измерений сведены в табл. 2.
| | | | | |
| 0,43 кН | 1,16 кН | 3,13 кН | -0,59 кН | 3,6 кН |
3. Интегрирование дифференциальных уравнений
Дано
=45 ; Vв=2Va ; τ=1c; L=3 м ; h=6
Найти ƒ=? d=?
Решение
mX=Xi 1 Fтр=fN
mX=Gsin-Fcoпр N=Gcos
m X=Gsin-fGcos
X=gsin-fgcos
X=(g(sin-fcos) t+ C1
X=(g(sin-fcos)/2) t2+ C1t+ C2
При нормальных условиях : t=0 x=0
X=C1 X= C2=> C1=0
X=g(sin-fcos) t+ 1 X=(g(sin-fcos)/2) t2
X=Vв X=L
Vв=g(sinα-ƒ*cosα)τ
L=((g(sinα-ƒ*cosα)τ)/2)τ
ƒ=tgα-(2L/τ *g*cosα)=1-0,8=0,2
Vв=2l/τ=6/1=6м/с
Рассмотрим движение тела от точки В до точки С показав силу тяжести действующую на тело , составим дифференциальное уравнение его движения . mx=0 my=0
Начальные условия задачи: при t=0
X0=0 Y0=0
X0=Vв*cosα ; Y0=Vв*sinα
Интегрируем уравнения дважды
Х=C3 Y=gt+C4
X= C3t+ C5
Y=gt /2+C4t+C6, при t=0
X=C3; Y0=C4
X=C5; Y0=C6
Получим уравнения проекций скоростей тела.
X=Vв*cosα , Y=gt+Vв*sinα
и уравнения его движения
X=Vв*cosα*t Y=gt /2+Vв*sinα*t
Уравнение траектории тела найдем , исключив параметр t из уравнения движения. Получим уравнение параболы.
Y=gx /2(2Vв*cosα) + xtgα
В момент падения y=h x=d
d=h/tgβ=6/1=6м
Ответ: ƒ=0,2 d=6 м
4. Определение реакций опор составной конструкции (система двух тел)
Задание: Конструкция состоит из двух частей. Установить, при каком способе соединения частей конструкции модуль реакции
наименьший, и для этого варианта соединения определить реакции опор, а также соединения С.
Дано:
= 9,0 кН;
= 12,0 кН;
= 26,0 кН
м;
= 4,0 кН/м.
Схема конструкции представлена на рис.1.
Рис.1. Схема исследуемой конструкции.
Решение:
1) Определение реакции опоры А при шарнирном соединении в точке С.
Рассмотрим систему уравновешивающихся сил, приложенных ко всей конструкции (рис.2.). Составим уравнение моментов сил относительно точки B.
Рис.2.
(1)
где
кН.
После подстановки данных и вычислений уравнение (1) получает вид:
кН (1’)
Второе уравнение с неизвестными
и
получим, рассмотрев систему уравновешивающихся сил, приложенных к части конструкции, расположенной левее шарнира С (рис. 3):
Рис. 3.
.
Отсюда находим, что
кН.
Подставив найденное значение
в уравнение (1’) найдем значение
:
кН.
Модуль реакции опоры А при шарнирном соединении в точке С равен:
кН.
2) Расчетная схема при соединении частей конструкции в точке С скользящей заделкой, показанной на рис. 4.
Рис. 4
Системы сил, показанные на рис. 2 и 4, ничем друг от друга не отличаются. Поэтому уравнение (1’) остается в силе. Для получения второго уравнения рассмотрим систему уравновешивающихся сил, приложенных к части конструкции, располоденной левее скользящей заделки С (рис. 5).
Рис. 5
Составим уравнение равновесия:
и из уравнения (1’) находим:
Следовательно, модуль реакции при скользящей заделке в шарнире С равен:
кН.
Итак, при соединении в точке С скользящей заделкой модуль реакции опоры А меньше, чем при шарнирном соединении (≈ 13%). Найдем составляющие реакции опоры В и скользящей заделки.
Для левой от С части (рис. 5а)
,
кН.
Составляющие реакции опоры В и момент в скользящей заделке найдем из уравнений равновесия, составленных для правой от С части конструкции.
кН*м
кН
;
кН
Результаты расчета приведены в таблице 1.
Таблица 1.
Силы, кН | Момент, кН*м | |||||||
| XA | YA | RA | XC | XB | YB | MC | ||
| Для схемы на рис. 2 | -7,5 | -18,4 | 19,9 | - | - | - | - | |
| Для схемы на рис. 4 | -14,36 | -11,09 | 17,35 | -28,8 | 28,8 | 12,0 | -17,2 | |
Дано :
R2=15; r2=10; R3=20; r3=20
X=C2t2+C1t+C0
При t=0 x0=8
=4
Характеристики
Тип файла документ
Документы такого типа открываются такими программами, как Microsoft Office Word на компьютерах Windows, Apple Pages на компьютерах Mac, Open Office - бесплатная альтернатива на различных платформах, в том числе Linux. Наиболее простым и современным решением будут Google документы, так как открываются онлайн без скачивания прямо в браузере на любой платформе. Существуют российские качественные аналоги, например от Яндекса.
Будьте внимательны на мобильных устройствах, так как там используются упрощённый функционал даже в официальном приложении от Microsoft, поэтому для просмотра скачивайте PDF-версию. А если нужно редактировать файл, то используйте оригинальный файл.
Файлы такого типа обычно разбиты на страницы, а текст может быть форматированным (жирный, курсив, выбор шрифта, таблицы и т.п.), а также в него можно добавлять изображения. Формат идеально подходит для рефератов, докладов и РПЗ курсовых проектов, которые необходимо распечатать. Кстати перед печатью также сохраняйте файл в PDF, так как принтер может начудить со шрифтами.















