148396 (580396)
Текст из файла
МІНІСТЕРСТВО ОСВІТИ І НАУКИ УКРАЇНИ
Національний університет водного господарства
та природокористування
Кафедра експлуатації і ремонту машин
КОНТРОЛЬНА РОБОТА
з дисципліни
“ТРАНСПОРТНІ ЗАСОБИ”
Виконав:
Бойчук В.А.
Рівне 2010
Вихідні дані
| Вид перевезень | Довжина маршруту, км | Характеристика маршруту | ||||||||
| Довжана окремих ділянок | Коефіцієнт опору дороги на ділянках | |||||||||
| L1 | L2 | L3 | L4 | 1 | 2 | 3 | 4 | |||
| Міжміські | 100 | 25 | 20 | 30 | 25 | 0,015 | 0,025 | 0,04 | 0,06 | |
МАЗ 555102-220
Призначення та класифікація автомобілів
Автомобілі поділяють на:
-
класи (по літражу двигуна або за повною масою автомобіля);
-
види (за експлуатаційним призначенням);
-
моделі (за реєстраційним номером);
-
модифікації моделей автомобілів (за знаком модифікації та за експортним виконанням).
У відповідності до вказаної класифікації всі автомобілі мають умовне позначення.
Перша цифра означає клас автомобіля. Вантажні автомобілі поділяють на сім класів за повною масою автомобіля або автопоїзда: 1 – автомобіль повною масою до 1,2т; 2 – від 1,2 до 2т; 3 – від 2 до 8т; 4 – від 8 до 14т; 5 – від 14 до 20т; 6 – від 20 до 40т; 7 – понад 40т.
Друга цифра означає вид експлуатаційного призначення. Існує дев’ять видів: 1 – легкові автомобілі; 2 – автобуси; 3 – вантажні (бортові); 4 – тягачі; 5 – самоскиди; 6 – цистерни; 7 – фургони; 8 – електромобілі; 9 – спеціальні автомобілі (наприклад панелевози, майстерні та ін.).
Третя та четверта цифри в умовному позначенні – позначення моделі автомобіля, так званий реєстраційний номер.
П’ята цифра (від 1 до 9) вказує на модифікацію моделі автомобіля. Наприклад, збільшений літраж двигуна – 1; правостороннє розміщення керма – 2, і т.д. Цифру знака модифікації встановлює завод-виробник.
Шоста цифра вказує на експортне виконання автомобіля. При цьому використовується лише дві цифри: 6 або 7. Цифра 6 – просте експортне виконання, 7 – експортне виконання для тропічного клімату.
Автомобілі за призначенням поділяються на три групи:
а) вантажні;
б) спеціального призначення;
в) пасажирські (легкові автомобілі та автобуси);
Будова автомобіля
Автомобіль складається із чотирьох основних частин: двигуна, кабіни, шасі кузова та спеціального або робочого обладнання.
Двигун призначений для перетворення теплової енергії згоряння палива в механічну роботу. Як правило, на автомобілях встановлюють карбюраторні або дизельні двигуни внутрішнього згоряння. Останнім часом поширене встановлення газобалонних та електричних двигунів.
Кузов призначений для перевезення вантажів та людей. Замість кузова на автомобільному шасі може встановлюватись спеціальне робоче обладнання (кранове, бурове, для приготування бетонних розчинів та ін.).
Кабіна є робочим місцем водія. В ній розміщені важелі та прилади керування автомобілем.
Шасі складається з трьох груп механізмів: трансмісії (силової передачі), ходової частини та механізмів керування.
1. Трансмісія призначена для передачі крутного момента від двигуна на ведучі колеса автомобіля. Вона складається з муфти зчеплення, коробки перемикання передач (КПП), карданної передачі, головної передачі, диференціала, приводних валів коліс (півосей) та ведучих коліс.
Призначення елементів трансмісії:
а) муфта зчеплення призначена для короткочасного від’єднання колінчастого вала двигуна від КПП при перемиканні передач та при гальмуванні, а також для їх плавного з’єднання;
б) коробка перемикання передач дозволяє змінювати крутний момент та забезпечує рух автомобіля заднім ходом, а також призначена для довготривалого роз’єднання двигуна від трансмісії;
в) карданна передача передає крутний момент між двома валами (КПП – головна передача), під кутом, що змінюється;
г) головна передача збільшує крутний момент, який підводиться карданною передачею та передає його на диференціал під кутом 900;
д) диференціал розподіляє крутний момент між півосями коліс і дозволяє їм обертатися з різними швидкостями, якщо колеса за однаковий час проходять ділянки шляху різної довжини (на поворотах, при попаданні коліс однієї осі на ділянку дороги з різним коефіцієнтом зчеплення);
е) півосі передають крутний момент від диференціала на ступиці коліс, або безпосередньо на колеса.
2. Ходова частина – візок, який складається з рами, осей, підвіски (ресори та амортизатори), коліс та ступиць.
Призначення елементів ходової частини:
а) рама є основою для кріплення всіх агрегатів та вузлів автомобіля;
б) осі призначені для кріплення коліс;
в) ресори забезпечують пружний зв’язок між осями та рамою, пом’якшуючи поштовхи, що передаються віссю від дороги;
г) амортизатори гасять коливання ресор;
д) колесо кріпиться до ступиці та складається з жорсткого елемента (диска з ободом) та пневматичної шини. Шина призначена для забезпечення надійного зчеплення з дорожним покриттям та пом’якшення поштовхів та ударів.
Механізми керування автомобілем: рульове керування, гальмівна система
Призначення механізмів керування:
а) рульове керування призначене для зміни напрямку руху автомобіля за допомогою повороту його предніх (керованих) коліс. Воно складається із: рульового колеса, рульової колонки з валом, рульового механізму, сошки, повздовжньої та поперечної тяг, рульових вижелів поворотних цапф. На вантажних автомобілях великої вантажопід’ємності встановлюються гідравлічні підсилювачі рульового керування;
б) гальмівна система призначена для зниження швидкості руху автомобіля та утримання його на місці.
Першу функцію виконує колісний гальмівний механізм, керований педаллю, а другу – трансмісійний гальмівний механізм, керований важілем.
За принципом роботи приводи гальм бувають гідравлічні та пневматичні.
Керування гальмівними механізмами здійснюється за слідуючими схемами:
а) ножний привод керує колісними гальмами всіх коліс, ручний – трансмісійними гальмами;
б) ножний привод керує колісними гальмами всіх коліс, ручний – гальмами задніх коліс, які, таким чином, мають подвійне керування.
Характеристика автомобіля-самоскида МАЗ 555102-220
Рис. 1. Автомобіль-самоскид МАЗ 555102-220
Технічна характеристика автомобіля МАЗ 555102-220
| Колісна формула | 4х2 |
Повна маса автомобіля, кг | 18000 |
| Розподіл повної маси на передню вісь, кг | 6500 |
| Розподіл повної маси на задню вісь, кг | 11500 |
| Двигун | ЯМЗ-236НЕ2 (ЄВРО-2) |
| Потужність двигуна, кВт (к.с.) | 169(230) |
| Максимальний крутний момент, Н*м (кгс*м) | 882(90) |
| Коробка передач | ЯМЗ-236П |
| Число передач КП | 5 |
| Передаточне число ведучого моста | 7,14 |
| Розмір шин | 12,00R20 |
| Паливний бак, л | 200 |
| Допустима вантажопідйомність, кг | 10000 |
| Об’єм платформи | 5,4 |
Будова і робота зчеплення
Зчеплення автомобіля (рис. 2) сухе, з демпферним пристроєм, встановлено в литому чавунному картері. Привод вимикання зчеплення -механічний.
Зчеплення складається з двох основних частин: натискного диска з кожухом і важелями вимикання зчеплення в зборі і веденого диску в зборі.
Штампований кожух зчеплення закріплений на маховику шістьма болтами. У кожусі мається три точно розташованих прямокутних вікна.
Ведений диск у зборі зусиллям дев'яти пружин при включенні зчеплення затискається між маховиком і натискним диском. Завдяки силі тертя між фрикційними накладками відомого диска і торцями маховика і натискного диска при включеному зчепленні крутний момент двигуна, передається трансмісії автомобіля.
Для запобігання сильного нагрівання пружин при пробуксовуванні зчеплення під час його включення і вимикання між пружинами і натискним диском ставлять теплоізоляційні шайби.
При натисканні на педаль зчеплення привод вимикання впливає на зовнішній кінець вилки переміщаючи його назад; внутрішній кінець вилки при цьому натискає на муфту вимикання зчеплення, пересуваючи її в напрямку до маховика. Торець підшипника муфти упирається в головки гвинтів, укручених у кінці важелів вимикання зчеплення, що, повертаючи навколо осей пальців, укріплених в опорних качанах, переборюють зусилля натискних пружин і відводять натискний диск зчеплення. У такий спосіб ведений диск звільняється, а зчеплення виключається.
Упорний підшипник муфти вимикання зчеплення змазується за допомогою масельнички закріпленої на кронштейні з правої сторони картера зчеплення у вентиляційного вікна. Масельничка з'єднана гнучким шлангом з муфтою, що має кільцеву порожнину й отвори підведення змащення до підшипника.
Натискний диск із кожухом, пружинами і важелями в зборі проходить статичне балансування.
Ведений диск у зборі складається зі сталевого диска зчеплення, приклепаних до нього шести хвилястих пружних пластин маточини і двох фрикційних накладок одна з яких приклепана до диска, а інша - до пружного пластинам. При включенні зчеплення в міру збільшення натискання на ведений диск ці пластини поступово випрямляються і при повному включенні зчеплення стають плоскими і притиснутими до диска. Завдяки цьому переданий крутний момент, зростає поступово, а зчеплення включається плавно.
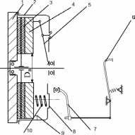
Рис. 2. Зчеплення і його привод:
1- маховик; 2- кожух; 3- ведений диск; 4- натискний диск; 5- відтискні важелі; 6- педаль зчеплення; 7- вилка; 8- муфта; 9- кінематичний зв’язок між ведучими елементами зчепленя; 10- пружний пристрій.
Коробка передач
Коробка передач трьохвальна, має п’ять швидкостей для руху автомобіля вперед і одну для руху назад.
Механізм коробки передач вмонтований у литий чавунний картер, що кріпиться до картера зчеплення за допомогою чотирьох шпильок, укручених у картер зчеплення.
Центрування коробки щодо зчеплення забезпечується фланцем кришки первинного вала.
На картері з правої сторони є люк, що закривається штампованою кришкою. Під кришку ставиться паронітова прокладка товщиною 0,8мм.
Первинний вал коробки встановлений на двох підшипниках: передній підшипник змонтований у гнізді колінчатого вала двигуна, задній — у передній стінці картера коробки передач. Останній закріплюється гайкою. Первинний вал за допомогою шліців з'єднується з веденим диском зчеплення.
На задньому кінці первинного вала розташовані конус і два зубчастих вінці: один з косими зубами, що знаходяться в постійному зачепленні з зубами великого вінця блоку шестірень проміжного вала, і інший вінець із прямими зубами, що при включенні прямої передачі зчіплюються з муфтою синхронізатора.
Рис. 3. Кінематична схема трьохвальної коробки передач
Такий же прямозубий вінець і конус маються на шестірні третьої передачі; конічні поверхні цих шестірень притираються на заводі з кільцями, що блокують, і у вузол встановлюються в комплекті.
На конусі і прямозубому вінці первинного вала мається виїмка радіусної форми. Ця виїмка при зборці коробки передач дозволяє установити на місце зібраний первинний вал після того, як у картері уже встановлений блок шестірень проміжного вала.
Від осьового переміщення вперед первинний вал стопориться кришкою, а від переміщення назад - упорним кільцем, вставленим у канавку шарикопідшипника.
Вторинний вал установлений на двох підшипниках: на циліндричному роликопідшипнику, розташованому в гнізді первинного вала, і на шарикопідшипнику, встановленому в задній стінці картера. Роликопідшипник складається з вільних роликів (без сепаратора), що самозамикаються.
В осьовому напрямку передні кінці роликів фіксуються буртиком первинного вала, а задні - упорною плоскою шайбою, вільно вставленої в гніздо підшипника і застопореної розрізним пружинним кільцем, що встановлено в напівкруглій канавці. На задньому кінці вала за шарикопідшипником встановлені і затягнуті гайкою ведуча шестірня привода спідометра, фланець карданного шарніра і шайба. Гайка кернится над пазом вала.
На передньому кінці вторинного вала встановлені і затягнуті гайкою: маточина синхронізатора, з'єднана з валом за допомогою шліців, сталева розпірна втулка і упорна шайба, що упирається в торець шийки, на якій обертається шестірня другої передачі. Розпірна втулка посаджена на вал щільно і стопориться від провертання стопорним штифтом, один кінець якого запресований у втулку, а другий утоплений у шліцьовій паз вторинного вала; на розпірній втулці вільно встановлена шестірня треті передачі. Для змащення тертьових поверхонь на шестірні маються радіальні свердління і канавки на торцях, а на зовнішній поверхні розпірної втулки нарізані спіральні канавки. Для запобігання задирок шестірні третьої і другої передач постачені бронзовими втулками.
Характеристики
Тип файла документ
Документы такого типа открываются такими программами, как Microsoft Office Word на компьютерах Windows, Apple Pages на компьютерах Mac, Open Office - бесплатная альтернатива на различных платформах, в том числе Linux. Наиболее простым и современным решением будут Google документы, так как открываются онлайн без скачивания прямо в браузере на любой платформе. Существуют российские качественные аналоги, например от Яндекса.
Будьте внимательны на мобильных устройствах, так как там используются упрощённый функционал даже в официальном приложении от Microsoft, поэтому для просмотра скачивайте PDF-версию. А если нужно редактировать файл, то используйте оригинальный файл.
Файлы такого типа обычно разбиты на страницы, а текст может быть форматированным (жирный, курсив, выбор шрифта, таблицы и т.п.), а также в него можно добавлять изображения. Формат идеально подходит для рефератов, докладов и РПЗ курсовых проектов, которые необходимо распечатать. Кстати перед печатью также сохраняйте файл в PDF, так как принтер может начудить со шрифтами.
















