148288 (580372)
Текст из файла
-
Исходные данные
Скрепер самоходный, тягач БелАз-531
| GT = 192 кН | h = 0,2 м |
| GC = 290 кН | b1 = 0,4 м |
| ТТ = 60 кН | 1 = 25 |
| МКР = 0,86 кНм | b = 0,25 м |
| i = 420 | l1 = 1,65 м |
| rC = 0,9 м | l2 = 0,95 м |
| с = 0,7 м | l3 = 0,4 м |
| d = 3,8 м | lС = 3,0 м |
| е = 2,2 м | t = 0,8 м |
| m = 1,5 м | B = 2,9 м |
| n = 2,6 м | h1 = 0,2 м |
| r = 3,4 м | h2 = 0,7 м |
Примечания:
hT = rc = 0,9 м
r = (d – n) + e = 3,8 – 2,6 +2,2 = 3,4 м
g = (d – n) + t = 3,8 – 2,6 + 0,8 = 2 м
L1 = (n – b) + g = 2,6 – 0,25 + 2 = 4,35 м
a = (m + r) – g = 1,5 + 3,4 – 2 = 2,9 м
S = c + b = 0,7 + 0,25 = 0,95 м
2. Расчет рамы скрепера
Рама скрепера охватывает ковш с двух сторон и крепится к нему продольными балками. Передняя часть рамы опирается на прицепное устройство, которое размещено на седельно-сцепном устройстве тягача. Соединение рамы с ковшом шарнирное, шаровым шарниром. Переднее прицепное устройство имеет продольный и вертикальный шарниры, обеспечивающие возможность поворота тягача как в горизонтальной плоскости, так и в поперечной вертикальной плоскости.
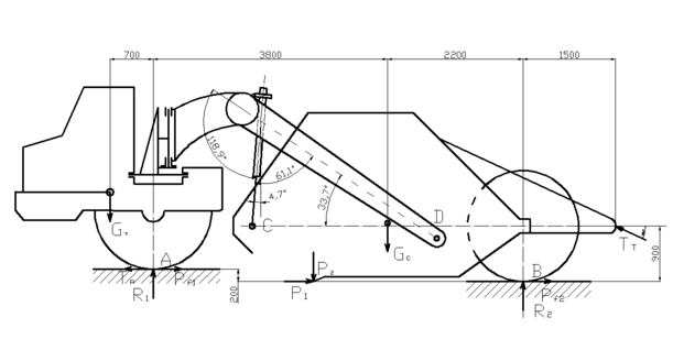
Определение нагрузок, действующих на раму скрепера, начнем с анализа внешних сил, действующих на машину в целом. Для этого рассмотрим схему сил, действующих на самоходный скрепер с одноосным тягачом. Величина сил, действующих на скрепер, различна для каждого периода работы, поэтому назначают ряд расчетных положений, для которых определяют силы, действующие на конструкцию. Расчетным положением для проверки на прочность рамы, деталей ковша, сцепного устройства и ходовой части будет являться конец заполнения ковша. В этом расчетном положении на машину действуют следующие силы: сила тяжести тягача GТ, сила тяги тягача ТР, толкающее усилие толкача ТТ, силы сопротивления копанию Р1 и Р2, вертикальные реакции на колесах R1 и R2, силы сопротивления перекатыванию Pf 1 и Pf 2. Величина и точка приложения силы тяжести тягача и скрепера с грунтом обычно заданы или находятся по общеизвестным правилам. Наибольшая возможная сила тяги определяется мощностью двигателя и условиями сцепления ведущего ходового устройства с грунтом. Расчетная сила тяги для самоходного скрепера равна:
Рис. 2.1 Схема сил действующих на скрепер
где
- максимальная окружная сила колесных двигателей, кН,
- сила сопротивления качению ведущих колес скрепера, кН,
- коэффициент динамичности,
.
Максимальная окружная сила:
,
где
- максимальный крутящий момент на балу двигателя, кНм,
- общее передаточное число трансмиссии,
- КПД трансмиссии,
,
- радиус ведущих колес, м.
кН.
Силу сопротивления качению ведущих колес определим по формуле:
,
где
- общий вес машины с грунтом,
.
кН.
Расчетная сила тяги:
кН.
Силы сопротивления копанию, приложенные на режущей кромке ковша, состоят из касательной силы
и нормальной силы
(боковая сила при нормальных условиях работы не возникает).
Касательная сила
может быть определена из условия тягового баланса скрепера в предположении, что призма волочения отсутствует, и, следовательно, на ее перемещение работа не затрачивается. Сопротивление перемещению скрепера, как тележки:
кН,
кН.
Нормальная сила
в конце наполнения и при выглублении направлена вниз, а ее величина определяется по формуле:
,
При выглублении
,
кН.
Рисунок 2.2 – Схема сил, действующих на тягач скрепера
Вертикальные реакции на передних и задних колесах
и
определим из уравнений моментов всех сил относительно точек А и В (Рисунок 2.2). При определении
и
моментами сил
и
можно пренебречь ввиду их малости.
Проверка:
Далее определим силы, действующие непосредственно на раму. Для этого рассмотрим равновесие одного тягача. Влияние отброшенного скрепера заменим реакциями
,
,
, действующими на тягач в седельно-сцепном устройстве. Для определения реакций
и
составим уравнения моментов относительно точек Е и К. Реакцию
находим из суммы проекций всех сил на ось z.
кН.
Кроме усилий в седельно-сцепном устройстве, на раму действуют нагрузки от механизма подъема и опускания ковша. Для определения усилий в механизме подъема рассмотрим равновесие ковша (Рисунок 2.3). Из суммы моментов относительно точки Д (точки крепления рамы к ковшу) находим неизвестное усилие 2РЦ:
Рисунок 2.3 – Схема сил, действующих на ковш скрепера
Рисунок 2.4 – Расчетная схема рамы скрепера
На рисунке 2.4 показана расчетная схема рамы скрепера.
Неизвестными усилиями являются составляющие реакций в опорах А и В. Учитывая, что одно из уравнений статики уже использовано для определения
, для отыскания шести неизвестных имеется лишь пять уравнений, т.е система один раз статически неопределима. Учитывая симметрию приложения нагрузки, симметрию рамы и соотношение
, найдем
, составляя уравнение моментов относительно оси
или
, проектируя все силы на вертикаль, находим
. На реакции
и
оказывают влияние только усилия, лежащие в плоскости рамы.
Для определения реакций
и
воспользуемся плоской расчетной схемой, изображенной на рисунке 2.5.
Рисунок 2.5 – Схемы к расчету рамы скрепера
В этой схеме:
Основная схема показана на рисунке 2.5 справа.
Неизвестное усилие
определяем из канонического уравнения
Для решения этого уравнения определим все усилия и реакции, действующие на раму.
Строим эпюры от единичной и общей нагрузки.
L = 3,79 м – определено графически.
-
Подбор сечения рамы скрепера
Для самоходного скрепера на базе тягача БелАЗ-531 задаемся сечениями рамы
Определяем момент инерции
для коробчатого сечения
Определим моменты инерции
для трубы с
мм.
Далее находим неизвестное усилие из уравнения
Таким образом, определены все усилия и реакции действующие на раму скрепера, что позволит найти напряжения во всех опасных сечениях. Для этого построим эпюры изгибающих моментов в вертикальной и боковой плоскости, эпюры крутящих моментов и эпюры нормальных нагрузок.
Действию крутящего момента подвержена поперечная балка. При построении эпюры нормальных усилий проектируем действующие нагрузки на направление участка рамы.
Опасными соединениями являются узлы соединения профильных тяг с поперечной балкой, средние точки поперечной балки, а также арка-хобот.
Поперечное сечение продольных тяг рассчитывается как сечение сжато-изогнутой балки, жестко защемленной одним концом.
Для определения напряжений в точках сечения, необходимо рассчитать моменты инерции и продольные силы, действующие на сечение.
Тогда
Определим касательные напряжения в полках
Касательные напряжения в полках:
Определим приведенные напряжения:
где
-
Расчет пальца опоры
Выбираем сталь 10ХСНД ГОСТ 19281-89 (
).
Принимаем диаметр пальца опоры
.
-
Расчет пальца цапфы
Для стали 10ХСНД
,
Принимаем диаметр пальца опоры
.
-
Расчет прицепного устройства
Диаметр будем определять исходя из значений сил, действующих в сцепном устройстве непосредственно на раму, т.е. сил
и
.
Принимаем диаметры
Характеристики
Тип файла документ
Документы такого типа открываются такими программами, как Microsoft Office Word на компьютерах Windows, Apple Pages на компьютерах Mac, Open Office - бесплатная альтернатива на различных платформах, в том числе Linux. Наиболее простым и современным решением будут Google документы, так как открываются онлайн без скачивания прямо в браузере на любой платформе. Существуют российские качественные аналоги, например от Яндекса.
Будьте внимательны на мобильных устройствах, так как там используются упрощённый функционал даже в официальном приложении от Microsoft, поэтому для просмотра скачивайте PDF-версию. А если нужно редактировать файл, то используйте оригинальный файл.
Файлы такого типа обычно разбиты на страницы, а текст может быть форматированным (жирный, курсив, выбор шрифта, таблицы и т.п.), а также в него можно добавлять изображения. Формат идеально подходит для рефератов, докладов и РПЗ курсовых проектов, которые необходимо распечатать. Кстати перед печатью также сохраняйте файл в PDF, так как принтер может начудить со шрифтами.
















