147925 (580263)
Текст из файла
Курсовой проект
"Ресурсосберегающие технологии"
Исходные данные
Контур охлаждения компрессоров
| Основные параметры контура охлаждения компрессора | |
| Подача охлаждаемой воды, м3/сут | 62 |
| Тmax 0C на выходе из компрессора | 47 |
| Тmax 0C на входе в компрессор | 26 |
| Коэффициент капельного уноса | 0,19 |
| Концентрация циркулирующей воды, г/м3 взвеси | 44 |
| Для взвеси в осадке | 0,5 |
| Концентрация масла нефтепродукта в охлаждающей воде, г/м3 | 38 |
| Доля нефтепродукта во всплывшем слое | 0,4 |
| Коэффициент водоохладителя | 0,13 |
Оборотный контур щелочного моющего раствора
| Основные параметры оборотного контура | |
| Производительность насоса, м3/ч | 3,2 |
| Время работы насоса, ч | 4,5 |
| Концентрация взвеси, г/м3 | 127 |
| Доля твёрдой фазы в осадке | 0,4 |
| Доля нефтепродуктов в смеси | 0,6 |
| Содержание водяных паров, г/м3 | 85 |
| Время работы вентилятора, ч | 4,5 |
| Производительность вентилятора, м3/ч | 720 |
| Коэффициент потери от уноса и разбрызгивания, % | 0,4 |
| Концентрация нефтепродуктов, г/м3 | 105 |
Оборотный контур обмывки мотор-вагонных секций (вагонов)
| Параметры оборотного контура | |
| Количество обмываемых вагонов в сутки, N, шт. | 127 |
| Объём воды в системе контура, W, м3 | 88 |
| Концентрация взвеси в отработанной воде, С2, г/м3 | 330 |
| Концентрация нефтепродуктов в отработанной воде, С4, г/м3 | 91 |
| Начальная температура, t1, 0C | 85 |
| Конечная температура, t2, 0C | 52 |
| Доля твёрдых веществ фазы в осадке, α | 0,4 |
| Доля нефтепродуктов в отводимой смеси, β | 0,8 |
| Доля непрореагированного ТМС, α1 | 0,5 |
| Расход ТМС, V2, л/вагон | 4,6 |
| Концентрация ТМС, С6, г/л | 43 |
| Коэффициент возврата ТМС, К3 | 0,5 |
| Доля твёрдой фазы в осадке в сборном баке моющего раствора, α2 | 0,5 |
| Доля всплывших нефтепродуктов в собранном моющем растворе, γ | 0,37 |
| Концентрация взвешенных веществ в собранном моющем растворе, С7, г/м3 | 113 |
| Концентрация нефтепродуктов в собранном моющем растворе, С8, г/м3 | 116 |
Введение
Внедрение технологических систем оборотного водопользования на предприятиях железнодорожного транспорта является основным направлением как при решении вопросов рационального использования водных ресурсов, так и защиты окружающей среды и водоёмов от загрязнения.
Всероссийским институтом железнодорожного транспорта разработаны требования к качеству оборотной воды с учётом особенностей технологических процессов транспортных предприятий:
– сточная вода после промежуточной очистки может быть использована в том же технологическом процессе;
– качество воды в пределах установленного уровня должно обеспечиваться известными методами очистки воды применительно к каждому технологическому процессу.
– качество очищенной воды не должно ухудшать параметры технологического процесса;
– качество очищенной воды должно обеспечивать создание бессточных систем, по возможности без дополнительного применения чистой водопроводной воды, за исключением пополнения естественной убыли и периодической смены воды в системе.
В целом применение замкнутых систем водопользования на промывочно-пропарочных станциях сети железных дорог позволяет экономить 2 млн. м3 воды в год. Стоимость обработки цистерн по замкнутой технологии по сравнению со стоимостью сброса воды на очистные сооружения нефтеперерабатывающего завода снижается до 25%, а по сравнению со стоимостью сброса в открытые водоёмы при учёте предотвращённого ущерба – на 30% и более. На шпалопропиточном заводе внедрение бессточной системы водопользования обеспечивает экономию воды около 50 тыс. м3/год, а внедрение аналогичной системы при обмывке пассажирских вагонов – до 100 тыс. м3/год на один пункт.
-
Расчёт оборотного контура охлаждения компрессорных установок
Схема оборотного использования охлаждающей воды в компрессорных установках включает водоохладитель с насосом охлаждённой воды, подающий насос и сливной бак (рис. 1).
При работе компрессора нагретая вода из сливного бака насосом подаётся в водоохладитель, откуда после охлаждения другим насосом возвращается в компрессор. Сливной бак является расширительной ёмкостью для обеспечения нормальной работы системы. Насосы подбираются исходя из необходимой производительности и создания напора 25–30 мм вод. ст.
В качестве водоохладителя испарительного типа используются различные типы теплообменников, выбор которых определяется климатическими и производственными условиями. Охладители брызгательный бассейн или малогабаритные градирни (открытые или вентиляционные).
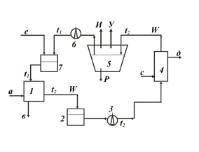
Рис. 1. Схема оборотного использования воды охлаждения компрессоров:
1 – компрессор (струйный); 2 – сливной бак для расширения нагретой воды; 3 – подающий насос; 4 – место установки теплообменника (можно установить для вторичного использования тепла, тогда вода после него должна иметь более низкую температуру, чем t2, следовательно, уменьшается время охлаждения и величина испарения воды в водоохладителе); 5 – водоохладитель (брызгательный бассейн, тогда величина капельного уноса велика или миниградирня); 6 – насос; 7 – сливной бак (введение подпиточного объема воды); W – объем циркулирующей охлаждающей воды; Р – слив с целью уменьшения концентрации солей; И – объем испаряемой воды в водоохладителе; У – капельный унос; t1 – температура воды на входе в компрессор; t2 – температура воды на выходе из компрессора; а – подача газа (воздуха) в компрессор; в-выход сжатого газа (воздуха) из компрессора; с – подача холодной воды в теплообменник; д – выход нагретой воды из теплообменника; е – подпитка.
-
Определение потери воды от капельного уноса.
,
где W – объём охлаждаемой воды, м3/сут.;
К1 – коэффициент капельного уноса водоохладителя.
-
Определение потери воды от испарения.
,
где W – объём охлаждаемой воды, м3/ сут;
К2 – коэффициент водоохладителя;
t2 – максимальная температура воды на выходе из компрессора, оС;
t1 – максимальная температура воды на входе в компрессор, оС.
-
Определение количества осадка, образующегося в баках контура, кг/сут.
,
где C1 – концентрация взвеси в циркулирующей воде контура, г/м3;
C01 – предельно допустимая концентрация взвешенных веществ в охлаждённой воде, C01 = 30г/м3;
α – доля взвеси в осадке;
1000 – коэффициент перевода в кг.
-
Определение количества, воды теряемое с осадком, кг/сут.
ОС = Р1·К3,
где k3 – расчётная доля воды в осадке, К3 = 1 – α.
-
Определение количества маслонефтепродуктов, всплывших в баках контура, кг/сут.
,
где С2 – концентрация маслонефтепродуктов в охлаждённой воде контура, г/м3;
C02 – предельно допустимая концентрация маслонефтепродуктов в охлаждённой воде, С02 = 20г/м3;
β – расчётная доля нефтепродуктов во всплывшем слое.
-
Определение количества воды, теряемое с маслонефтепродуктами, кг/сут.
НП = Р2·К4,
где К4 – доля воды, теряемая с маслонефтепродуктами, К4 = 1 – β.
-
Определение солесодержания в оборотном контуре.
Солесодержание в контуре (Сх) определяется на основе водно-солевой баланса.
При этом Сх определяется с учётом добавления питьевой воды с концентрацией солей Сдоб, которая может изменяться от 300 до 1000 мг/л, при продувке П = 0 и Qдоп = 0. При этом производится расчёт при трёх значениях с солесодержанием в добавочной воде равном соответственно 300, 500 и 1000 мг/л.
(У+ОС+НП+П)·Сх=(И+У+ОС+НП+П) · Cдоб + Qдоп (1)
где У – потери воды от капельного уноса, м3/ сут;
ОС – потери воды с удалённым осадком, м3/ сут;
НП – потери воды с выделенными нефтепродуктами, м3/ сут;
И – потери воды от испарения, м3/ сут;
Cдоб – солесодержание в добавочной воде, г/м3, максимальная Сдоб=1000 г./м3,
Qдоп - количество поступивших в воду контура солей, г/сут.
Сдоб.=300г/м3
Сдоб=500 г./м3
Сдоб.=1000 г./м3
-
Определение объема продувки в контуре.
Солесодержание воды в контуре не должно превышать Сх = 2000 мг/л. Если расчётное количество Сх по заданию не превышает 2000 мг/л, то продувка не нужна. Если Сх > 2000 мг/л, то рассчитывается объём продувки из водно-солевого баланса, при Qдоп = 0.
(У+ОС+НП+П) ∙ 2000=(И+У+ОС+НП+П) ∙ Cдоб+Qдоп
Так как расчётное количество Сх не превышает 2000 г./м3, то продувка не нужна.
-
Определение объёма подпитки по формуле:
Qподп = И+У+ОС+НП (2)
Qподп = 1,6926+0,1178+0,868+1,684=4,3524
4,4 м3/cут
Затем рассчитывается процент подпитки и продувки в общем объеме контура.
62 = 100%;
4,4 = х%;
х = 7,9%
Общее количество подпиточной воды не должно превышать 5%. Необходимо вычислить, что оказывает большее влияние.
2. Расчёт оборотного контура обмывки щёлочным моющим раствором деталей и узлов подвижного состава
Характеристики
Тип файла документ
Документы такого типа открываются такими программами, как Microsoft Office Word на компьютерах Windows, Apple Pages на компьютерах Mac, Open Office - бесплатная альтернатива на различных платформах, в том числе Linux. Наиболее простым и современным решением будут Google документы, так как открываются онлайн без скачивания прямо в браузере на любой платформе. Существуют российские качественные аналоги, например от Яндекса.
Будьте внимательны на мобильных устройствах, так как там используются упрощённый функционал даже в официальном приложении от Microsoft, поэтому для просмотра скачивайте PDF-версию. А если нужно редактировать файл, то используйте оригинальный файл.
Файлы такого типа обычно разбиты на страницы, а текст может быть форматированным (жирный, курсив, выбор шрифта, таблицы и т.п.), а также в него можно добавлять изображения. Формат идеально подходит для рефератов, докладов и РПЗ курсовых проектов, которые необходимо распечатать. Кстати перед печатью также сохраняйте файл в PDF, так как принтер может начудить со шрифтами.
















