144579 (579983), страница 2
Текст из файла (страница 2)
В отличие от обычных условий, свайные работы в условиях вечной мерзлоты целесообразнее выполнять при мерзлом состоянии грунта, поскольку верхний слой грунтов при оттаивании затрудняет использование сваебойных и буровых установок, несмотря на подсыпку в местах расположения механизмов.
Существует два способа погружения свай в вечномерзлые грунты: в оттаянный грунт (рис. а) или в пробуренные скважины. В первом случае грунт в местах погружения свай на захватке можно оттаивать с помощью паровых игл в первой половине рабочей смены, а во второй половине - производить погружение. Как показывает практика, через несколько часов сваи прочно "вмерзают" в грунт скважины. Свая оказывается заделанной в толщу вечномерзлого грунта и приобретает высокую несущую способность.
Метод погружения свай в пробуренные скважины можно выполнять с применением обсадной трубы и без нее. В процессе выполнения работ с обсадной трубой (рис.3б) осуществляют: бурение скважины, установку обсадной трубы и закачивание песчано-глиняного раствора в объеме, необходимом для заполнения зазоров между стенками скважины и сваи после ее погружения; погружение сваи с выжиманием раствора; подъем обсадной трубы. Работы без обсадной трубы (рис.3в) предусматривают: бурение лидирующей скважины диаметром меньше на 1... 2 см диаметра сваи и забивку сваи с отжиманием грунта к стенкам сваи.
Применение лидирующих скважин позволяет повысить точность установки свай, обеспечивает погружение их на проектную глубину, предохраняет сваи от поломок при погружении.
Забивка - основной способ погружения готовых свай. Для забивки свай применяют специальные установки - копры, оборудованные механическими, паровоздушными или дизельными молотами. Механические и паровоздушные молоты в массовом строительстве постепенно заменяются гидравлическими и вибрационными дизель-молотами из-за их высокой производительности и простоты эксплуатации. Выпускавшиеся ранее копры на рельсовом и пневмоходу заменяются копровыми установками на гусеничном ходу из-за их высокой маневренности и проходимости.
Рис. 3 Схемы погружения свай в вечномерзлые грунты: а - в оттаянный грунт; б - в скважину с обсадной трубой; в - забивка в лидирующую скважину; 1 - паровая игла; 2 - свая; 3 - обсадная труба; 4 - песчано-глиняный раствор; 5 - подсыпка; 6 - лидер
Подготовительные работы включают в себя: расчистку и планировку площадки; разбивку положения свай, устройство обносок и путей передвижения копров; доставку и складирование свай, доставку оборудования; оборудование освещения площадки и рабочих мест; пробную забивку, по результатам которой корректируются схемы забивки и проект производства свайных работ.
Кроме специализированных копровых установок для погружения свай используются универсальные машины - экскаваторы, для чего их оборудуют подвешенной мачтой. Благодаря установке направляющей на стандартную крановую стрелу за короткий промежуток времени экскаватор выполняет функции сваебойной машины.
Рис.4 Погружение свай: а - с помощью экскаватора, оборудованного навесной мачтой; б - деревянных; в - железобетонных; г - стальных; д, е, ж - стального шпунта корыто -, зетобразного и плоского профиля.
Для повышения трещиностойкости железобетонные сваи рекомендуется подвергать предварительному напряжению, а перед погружением - пропитывать составами на основе нефтебитума. Металлические сваи и шпунтовые ограждения, погружаемые забивкой, покрывают антикоррозийной обмазкой.
Забивка свай ведется до получения заданного проектом отказа.
Процесс погружения сваи складывается из следующих операций: подтягивание и подъем сваи с одновременным заведением ее головной части в гнездо наголовника в нижней части молота; установка сваи в направляющих в месте забивки; забивка сваи сначала несколькими легкими ударами с последующим увеличением силы ударов до максимальной. При отклонении положения сваи от вертикали более чем на 1 % сваю выправляют подпорками, стяжками и т. п., или извлекают и забивают вновь; передвижение копровой установки и срезание сваи по заданной отметке.
Деревянные сваи срезают пилой, верх железобетонных свай срубают отбойным молотком, арматуру срезают газовой резкой. Обнажившуюся арматуру затем сваривают с арматурой ростверка.
Рис.5 Схемы проходок при погружении свай: а - рядовая; б - секционная; в, г - спиральные
Существуют следующие основные схемы забивки свай (рис.5 Схемы проходок при погружении свай): рядовая, секционная и две спиральных (от краев к середине в обычных условиях, от середины к краям при плотном грунте). Недостатком забивных свай является динамическое воздействие на людей и здания, поэтому были разработаны безударные способы погружения свай
Назначение ростверков - объединение отдельных свай в общий свайный фундамент. Ростверки бывают монолитными и сборно-монолитными различной высоты и формы (рис. 6, табл. 2.1).
Процесс возведения ростверка мало отличается от традиционных схем бетонирования плит. По отметкам срубаются оставшиеся после забивки части свай и оголяется продольная арматура свай. На глубину 0,10...0,15м ниже планировочных отметок снимается грунт и укладывается слой шлака, щебня или песка. Устанавливаются и закрепляются щиты опалубки. Арматура ростверка и свай соединяется. Бетонируются плиты (балки) ростверка; опалубка снимается.
Рис. 6. Схемы устройства ростверков: а - варианты устройства опалубки ростверков рядовых, кустовых свай и свайных полей (план); б - схема сопряжения балки сборного ростверка со сваей
Таблица 2.1. График производства работ при устройстве монолитного ростверка
Контроль качества погружения (забивки) свай
Контроль качества работ по устройству свайного фундамента ведется пооперационно с оформлением актов подготовки котлована, подъездных путей, геодезической разбивки, погружения свай, устройства ростверка.
Основным требованием к качеству погружения сваи является достижение ею заданной несущей способности. Допустимая нагрузка на сваю зависит от глубины, точности и технологии ее погружения, а также от грунтовых условий. Наиболее достоверное значение несущей способности свай дает(опытная забивка свай, пробная забивка свай) их статическое испытание, однако оно трудоемко и длительно. Поэтому в процессе производства работ применяется менее точный, но простой и удобный в исполнении динамический метод испытания свай, сущность которого основана на корреляции зависимости сопротивления сваи и отказа.
Отказом сваи называется глубина погружения сваи в грунт от одного удара молота, определяемая как среднее арифметическое значение величины глубины погружения сваи от определенного числа ударов (залога). Число ударов в залоге для молотов подвесных и одиночного действия принимают равным 10 (для молотов двойного действия и вибропогружателей принимают число ударов или работу механизма в течение 2 мин). Этот фактический отказ сравнивается с расчетным (проектным), который устанавливают проектировщики исходя из инженерно-геологических условий, с целью контроля несущей способности сваи. Отказ замеряется в конце погружения сваи с точностью до 1 мм не менее чем от трех последовательных залогов. Свая, не давшая расчетного (проектного) отказа, должна быть подвергнута контрольной добивке после отдыха и засасывания ее в грунте в течение 6 суток - для глинистых и разнородных грунтов, 10 суток для водонасыщенных мелких и пылеватых песков. 20 суток для мягко- и текучепластичных глинистых грунтов. Сваи, давшие ложный отказ, или сваи, не забитые на 10 - 15 % длины, следует подвергнуть обследованию с целью устранения причин, затрудняющих забивку. В случае; если отказ при контрольной добивке превышает расчетный, проектная организация должна провести контрольные испытания свай статической нагрузкой и откорректировать проект свайного фундамента или его часть.
Погружение свай может производиться как до проектного отказа, так и до проектной отметки (устанавливается проектом). Последнее возможно только в тех случаях, когда под острием сваи залегают слабые грунты и несущая способность сваи не превышает 200 кН.
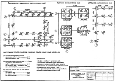
2.2 Составить исполнительные схемы свайного поля
В ППР свайных работ включаются технологические карты, исполнительные схемы, графики, технологические схемы погружения свай, излагается технология погружения свай и устройства ростверков.
Забивку свай выполняют в соответствии с исполнительной схемой свайного поля по рабочим чертежам проекта, содержащим данные о длине свай, их сечении, глубине погружения, величине отказа, направлениях перемещения копра, с соблюдением технологии забивки свай
Данные о погружении свай необходимо записывать в «Журнал забивки свай») В состав основных работ входят: перемещение копра или копровой установки к месту погружения сваи; строповка и подтягивание сваи к копру; установка сваи на точку погружения и выверка правильности ее положения; закрепление на свае наголовника; установка погружателя и расстроповка сваи; погружение сваи с выверкой ее положения; снятие погружателя и наголовника; срубка недопогруженной части сваи или забивка дублирующей сваи.
Оформления исполнительной геодезической схемы свайного поля
2.3 Описать технологическую последовательность работ при устройстве свайного фундамента с монолитным ростверком
Устройство свайных фундаментов любого типа выполняют в следующей последовательности:
- планировка площадки срезкой или подсыпкой;
- устройство котлована и его сдача-приемка;
- разбивка и закрепление осей погружаемых или изготавливаемых свай;
- вдавливание пробных свай;
- погружение или изготовление свай;
- сдача-приемка выполненных свай;
- срубка голов свай;
- зачистка котлована в местах устройства ростверков;
- устройство бетонной подготовки под ростверк;
- устройство ростверка (плиты);
- сдача-приемка свайного фундамента.
2.4 Составить перечень исполнительной документации на устройство фундамента типа «Ф»
При производстве строительно-монтажных работ по устройству свайных фундаментов должны соблюдаться следующие требования: Работы по устройству свайных фундаментов должны производиться в соответствии с проектом производства работ (ППР), разработку которого выполняет подрядная организация на основании проекта организации строительства. ППР согласовывается с проектной организацией, разработавшей проект свайных фундаментов.
В состав ППР входят:
- стройгенплан объекта с нанесением на нем границ и отметок котлована, осей свайных рядов, сетей электро и водоснабжения, расположения бытовых и производственных коммуникаций;
- перечень необходимых машин и оборудования;
- технологические схемы основных производственных процессов (схемы движения сваевдавливающих и буровых машин при устройстве свай, схемы раскладки свай и др.);
- схемы с размещением временных дорог, площадок складирования свай и других строительных конструкций и материалов;
- календарный план производства работ;
- графики транспортировки на объект свай, конструкций, потребности в рабочих кадрах и основных строительных машинах;
- краткая пояснительная записка с расчетами потребности строительных машин и технико-экономическим обоснованием ППР;
- дополнительные требования, предъявляемые к производству работ, характерные для данного объекта в зависимости от инженерно-геологических, гидрогеологических, климатических и экологических условий площадки и типа сооружений.
2.5 Перечислить контролируемые параметры при устройстве фундаментов типа «Ф», способы и методы их контроля
Входной контроль свай должен осуществляться в соответствии с требованиями ГОСТ 19804 — 91, ГОСТ 13015.0 — 83*, ГОСТ 13015.3 — 81* и технологической документации, утвержденной в установленном порядке.
Таблица 2.2
| Контролируемые операции | Состав и требования контроля | Документация |
| Подготовительные работы | Проверить: - завершение и надлежащие оформление предшествующих земляных работ (наличие актов освидетельствования скрытых работ, геодезических исполнительных схем и другой приемо-сдаточной документации; - завершение и надлежащие оформление предшествующих работ по детальной разбивке свайного фундамента; - наличие проекта, ППР, технологических карт и схем операционного контроля качества работ по устройству свайных фундаментов; - наличие паспортов и полноту содержащихся в них данных на поступление на строительную площадку сваи, оголовки идругие железобетонные изделия, соответствие их требованиям проекта; маркировку свай и наличие штампа ОТК; - внешним осмотров отсутствие недопустимых дефектоввнешнего вида свай, завершение работ по полной или частичной сборки свай, их разметке, | Акт приемки, акты освидетельствования скрытых работ исполнительные схемы Исполнительная съемка ППР, технологические карты, СОКК Паспорт Общий журнал работ |
| Устройство свайных фундаментов | Контролировать: соблюдение заданной ППР технологии устройства свайных фундаментов; установку свай и ростверков в проектном положении; | Общий и специальной журналы работ Исполнительные съемки |
| Приемка | Проверить: соответствие фактического положения свай требованиям проекта и нормативных документов; составление и надлежащие оформление приемо-сдаточной исполнительной документации (актов приемки фундаментов, актов освидетельствования скрытых работ, исполнительных геодезических геодезических схем). | Акты приемки фундаментов, акты освидетельствования скрытых работ Исполнительные схемы |
Входной и операционный контроль осуществляют: мастер (прораб), лаборатория (инженер), геодезист — в процессе производства работ.
Приемочный контроль осуществляться: прораб (мастер), представители генподрядчика и технадзора заказчика.
















