126325 (578062)
Текст из файла
1. Анализ технологичности конструкции детали
конструкция деталь вал ступенчатый
Все изделия анализируют на технологичность для того, чтобы определить возможность получения заготовок прогрессивными методами и применить эти методы для обработки и сборки, контроля и испытаний, использовать типовые технологические процессы и их механизацию и автоматизацию, повысить долговечность и обеспечить надёжность в работе, обеспечить транспортабельность и требования технологической безопасности.
В ходе анализа выявлено следующее:
– конструкторские базы могут быть использованы как измерительные, так и технологические, что позволит повысить точность изготовления за счёт уменьшения погрешности базирования;
– обрабатываемые поверхности являются однотипными, что позволяет уменьшить число операций, переходов, оснастки и оборудования для их обработки;
– деталь является телом вращения (вал), что позволяет использовать в качестве заготовки прокат с размерами близкими к размерам готовой детали, это даёт возможность сократить расход материала в стружку;
– обеспечена чёткая принадлежность конструкции детали к классификационной группе типа вал, на который составлен типовой технологический процесс, что позволит сократить технологическую подготовку производства и использовать наиболее производительное оборудование и технологическую оснастку.
Таким образом, данная деталь является технологичной.
2. Способ получения заготовки
Метод получения заготовок для изготовления деталей машин определяется назначением и конструкцией детали, материалом, техническими требованиями, масштабом и серийностью выпуска, а также экономичностью изготовления. Выбрать заготовку, значит установить способ её получения, наметить припуски на обработку каждой поверхности, рассчитать размеры и указать допуски на неточность изготовления. Для рационального выбора заготовки необходимо одновременно учитывать все вышеперечисленные исходные данные, так как между ними существует взаимосвязь. Окончательное решение нужно принимать только после экономического комплексного расчёта себестоимости заготовки и механической обработки в целом. Для данного случая тип производства мелкосерийный. Будет целесообразно выбрать заготовку из сортового проката, сталь 20Х ГОСТ 4543–71.
3. Технологический процесс изготовления детали
Вал ступенчатый.
В качестве заготовки выбираем сортовой прокат круглого сечения.
Маршрут обработки детали представлен в таблице 3.1:
Таблица 3.1
|
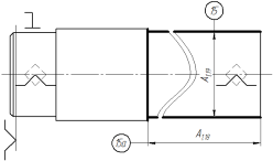
| Операция 0. Токарно-центровальная. А. Установить заготовку в трёхкулачковый патрон. База: Наружный диаметр и правый торец. 1. Подрезать (черновое точение) торец 1, сняв припуск в размер А0,1. |
|
| 2. Подрезать (получистовое точение) поверхность 2, сняв припуск в размер А0,2 |
|
| 2. Подрезать (чистовое точение) поверхность 3, сняв припуск в размер А0,3. 3. Сверлить центровочное отверстие по чертежу. |
|
| Б. Переустановить заготовку. База: Наружный диаметр и левый торец. 1. Подрезать (черновое точение) торец 4, выдерживая размер А0,4. |
|
| 2. Подрезать (получистовое точение) поверхность 5, выдерживая размер А0,5. |
|
| 3. Подрезать (чистовое точение) поверхность 6, выдерживая размер А0,6. 4. Сверлить центровочное отверстие по чертежу. |
|
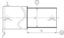
| Операция 1. Токарная. А. Установить заготовку в центра. База: Ось и правый центр. 1. Точить (черновое) поверхность 7 в размер А1,1, выдерживая размер А1,2. |
|
| 2. Точить (черновое) поверхность 8 в размер А1,4, выдерживая размер А1,3. |
|
| 3. Точить (получистовое) поверхность 9 в размер А1,6, выдерживая размер А1,5. 4. Точить (получистовое) поверхность 10 в размер А1,7, выдерживая размер А1,8. |
|
| 5. Точить (чистовое) поверхность 11 в размер А1,9, выдерживая размер А1,10. 6. Точить (чистовое) поверхность 12 в размер А1,12, выдерживая размер А1,11. 7. Точить канавку в размер по чертежу. 8. Снять фаску в размер А1,13х450. |
|
| Б. Переустановить деталь. База: Ось и передний центр. 9. Точить (черновое) поверхность 13 в размер А1,15, выдерживая размер А1,14. |
|
| 10. Точить (получистовое) поверхность 14 в размер А1,17, выдерживая размер А1,16. |
|
| 11. Точить (чистовое) поверхность 15 в размер А1,19, выдерживая размер А1,18. |
|
| 12. Точить (чистовое) поверхность 16 в размер А1,21, выдерживая размер А1,20. |
| 13. Точить (чистовое) поверхность 17 в размер А1,22, выдерживая размер А1,23. 14. Снять фаску в размер А1,24х450. | |
|
| Операция 2. Фрезерная. Установить деталь в шпинделе поворотного устройства. База: Ось и левый торец. Позиция 1. 1. Фрезеровать шлицы в размер по чертежу. |
4. Расчёт припусков
При выполнении курсового проекта расчёт припусков на механическую обработку производится расчётно-аналитическим методом. ГОСТы позволяют назначить припуски независимо от технологического процесса и поэтому в общем случае являются завышенными, содержащими резервы снижения расхода материала и трудоёмкости изготовления детали.
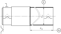
Расчёт припусков производим для размера ∅56p6
:
При обработке ступенчатого вала в центрах суммарное отклонение расположения оси заготовки
определяется из формулы:
где
– общее отклонение оси от прямолинейности,
– смещение оси заготовки в результате погрешности центрирования.
В свою очередь
определяется из формулы:
где
– размер от сечения, для которого определяется кривизна до торца заготовки. Для рассматриваемого случая
[6, с. 186, таб. 16]. Тогда:
Смещение
определяется из формулы:
где Т – допуск на диаметральный размер базы заготовки, используемой на операции получения центровочных отверстий, мм. В рассматриваемом случае Т=1 мм. Тогда:
Тогда суммарное отклонение равно:
Остаточное пространственное отклонение расположения поверхностей заготовки после их обработки определяется по выражению:
где
– коэффициент уточнения, выбирается согласно [6, с/ 190, таб. 29], получаем:
для чернового обтачивания:
для получистового обтачивания:
для чистового обтачивания:
для предварительного шлифования:
для чистового шлифования:
Расчёт параметров припусков и технологических размеров
Для Z6,1:
В соответствии с полем допуска p, получаем:
Для Z5,2:
Размерная цепь:
В соответствии с полем допуска p, получаем:
В соответствии с полем допуска p, получаем:
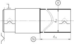
Для Z1,17:
Для Z1,15:
Размерная цепь:
В соответствии с полем допуска p, получаем:
5. Нормирование технологического процесса
Приводится для определения эффективности технологических операций, для этого производится расчёт затрат рабочего времени на выполнение операций в спроектированном технологическом процессе.
Определение основного автоматического времени:
L= l – D = 45–16 = 29 – длина обработки, коэффициент 2 – обработка 2х пазов.
[3, стр. 613]
Определение вспомогательного автоматического времени:
– время, затраченное на перемещение в соответствующую точку траектории.
– время позиционирования заготовки, для данного станка 1 с (0,0166 мин.).
Твр – вспомогательное ручное время.
Твр =Тв.у. + Тм.в.
Тв.у. =0,3 мин. Время на установку и снятие заготовки [4, с. 607, таб. 12].
Тм.в. =0,03 мин. Время на вспомогательные ходы и перемещения [4, с. 607, таб. 12].
Твр =0,3+0,03 = 0,33 мин.
Общее вспомогательное время:
Тв = Твр + Твс. а = 0,33 + 0,418 = 0,75 мин.
Операционное время:
Топ = Тос. а + Твс. а + Твр = 1,288 + 0,418 + 0,33 = 2,036 мин.
Табс = 0,08 Топ [4, стр. 613]
Характеристики
Тип файла документ
Документы такого типа открываются такими программами, как Microsoft Office Word на компьютерах Windows, Apple Pages на компьютерах Mac, Open Office - бесплатная альтернатива на различных платформах, в том числе Linux. Наиболее простым и современным решением будут Google документы, так как открываются онлайн без скачивания прямо в браузере на любой платформе. Существуют российские качественные аналоги, например от Яндекса.
Будьте внимательны на мобильных устройствах, так как там используются упрощённый функционал даже в официальном приложении от Microsoft, поэтому для просмотра скачивайте PDF-версию. А если нужно редактировать файл, то используйте оригинальный файл.
Файлы такого типа обычно разбиты на страницы, а текст может быть форматированным (жирный, курсив, выбор шрифта, таблицы и т.п.), а также в него можно добавлять изображения. Формат идеально подходит для рефератов, докладов и РПЗ курсовых проектов, которые необходимо распечатать. Кстати перед печатью также сохраняйте файл в PDF, так как принтер может начудить со шрифтами.
















