126304 (578054)
Текст из файла
ЗМІСТ
Вступ
1. Теоретична частина
2. Практична частина
Висновок
Література
Вступ
Тема контрольної роботи «Розробка одноконтурної автоматичної системи регулювання (АСР)» З дисципліни «Основи автоматики й автоматизації».
Проблема забезпечення необхідних властивостей лінійних автоматичних систем дуже складна. У ній можуть бути виділені насамперед наступні локальні задачі:
- забезпечення стійкості системи (стабілізація);
- підвищення запасу стійкості системи (демпфірування);
- підвищення точності регулювання в сталих режимах (зменшення або усунення статичної помилки відтворення завдання, зменшення або усунення впливу постійних збурюючих впливів);
- поліпшення перехідних процесів (збільшення швидкодії, максимальне зменшення динамічних помилок відтворення завдання і впливу збурень).
Якість регулювання системи в першу чергу визначається параметрами настроювання регуляторів. Однак у ряді випадків забезпечення стійкості системи або необхідного запасу стійкості не представляється можливим досягти тільки зміною цих параметрів.
Це зв'язано з тим, що необхідні значення настроювальних параметрів неможливо практично реалізувати при даній структурі системи.
З точки зору вимог до точності АСР в сталих режимах корекція динамічних властивостей АСР може знадобитися для збільшення порядку астатизму або коефіцієнта передачі системи при збереженні стійкості та визначеної якості перехідних процесів.
У цьому випадку необхідно застосовувати спеціальні пристрої, що корегують динамічні властивості системи таким чином, щоб забезпечувалася необхідна якість її функціонування. Існують різні методи підключення коригувальних пристроїв у систему регулювання. Розглянемо найбільш поширені з них [7].
1.Теоретична частина
лінійна автоматична система корегування
Послідовний коригувальний пристрій – підключають безпосередньо після датчика неузгодженості або після попереднього підсилювача (рис. 1).
Рис. 1. Послідовне підключення коригувального пристрою
Передаточна функція коригувального пристрою позначена як
. Підключення коригувального пристрою після попереднього підсилюваач застосовується частіше. Справа в тому, що рівень сигналу неузгодженості звичайно дуже малий і коригувальний пристрій знижує його ще більше. Тому при першому варіанті включення послідовного коригувального пристрою треба мати попередній підсилювач значно більшої чутливості, ніж при другому варіанті.
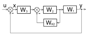
Паралельно–зустрічний коригувальний пристрій – його підключення показано на рис. 2.
Рис. 2. Паралельно–зустрічне підключення коригувального пристрою
В даному випадку коригувальний пристрій є зворотним зв’язком, як правило від’ємним, якій охоплює один з елементів прямого ланцюга системи. Звичайно цей елемент є або виконавчим елементом, або вихідним каскадом підсилювача (підсилювач потужності). Його передаточну функцію позначимо
.
Передаточна функція ділянки ланцюгу з паралельно–зустрічним коригувальним пристроєм:
.
Звичайно в достатньо широкому й істотному для якості системи діапазоні частот справедливо нерівність:
. (1)
Тоді для цього діапазону частот справедливо:
. (2)
Таким чином, при задоволенні нерівності (1) властивості ділянки ланцюга з паралельно–зустрічним коригувальним пристроєм визначаються тільки лише властивостями цього коригувального пристрою.
Зазначена обставина є великою перевагою паралельно-зустрічного коригувального пристрою. При задоволенні нерівності (1) властивості ділянки
прямого ланцюга, охопленого паралельно-зустрічним коригувальним пристроєм, і їхні зміни в процесі дії системи не впливають на властивості системи. Несуттєві нелінійності цієї ділянки і зміни його параметрів (коефіцієнтів передатної функції
) не позначаються на динамічних властивостях системи. Це справедливо тільки при незмінних параметрах самого паралельно-зустрічного пристрою.
Достоїнства даного коригувального пристрою також у тім, що його вхід підключений до виходу виконавчого елемента чи підсилювача потужності, тобто до виходу потужного елемента з високим рівнем сигналу. Тому в якості паралельно-зустрічних коригувальних пристроїв можуть бути використані навіть досить потужні елементи.
Варто помітити, що вплив місцевих зворотних зв'язків, що реалізують паралельно-зустрічні коригувальні пристрої, дуже різноманітно. Коригувальні зворотні зв'язки поділяються на жорсткі і гнучкі. Жорсткий зворотний зв'язок діє на систему як у перехідному, так і в сталому режимі, тобто
, і реалізується він безінерційною або інерційною ланкою. Гнучкий зворотний зв'язок діє лише в перехідних режимах. Реалізується він ланкою що диференціює, з передатною функцією
,
або ланкою, що інерційно-диференціює
.
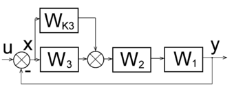
Паралельний коригувальний пристрій – це третій варіант включення пристрою в АСР (рис. 3).
Рис. 3. Паралельне підключення коригувального пристрою.
Включений у такий спосіб коригувальний пристрій будемо називати прямим паралельним і його передатну функцію будемо позначати
.
Іноді прямий паралельний коригувальний пристрій виявляється дуже зручним, тому що при меншій складності забезпечує потрібне перетворення сигналу керування.
Синтезують коригувальні пристрої на підставі деякого комплексу вимог до властивостей системи. Спочатку визначають необхідне значення передатної функції
послідовного коригувального пристрою. Потім з'ясовують, при яких значеннях передаточних функцій
паралельно-зустрічного коригувального пристрою і
прямого паралельного коригувального пристрою буде отриманий той же ефект. Після чого вже можна вирішувати, якій коригувальний пристрій доцільніше створювати.
Складемо формули для такого розрахунку.
По кожній зі структурних схем (рис. 1,2,3) складемо передаточні функції розімкнутого ланцюга і дорівняємо ці вираження один одному. Одержуємо
, (3)
де
.
З (3) визначають формули переходу від одного виду коригувального пристрою до іншого.
Якщо значення передатної функції
виявляється негативним, то паралельно-зустрічний коригувальний пристрій повинний включатися у виді позитивного зворотного зв'язку. При негативному значенні передатної функції
вихідний сигнал прямого паралельного коригувального пристрою повинний відніматися з вихідного сигналу ділянки
.
В даний час коригувальні пристрої є основним способом підвищення якості лінійних безупинних систем регулювання по відхиленню. Іноді в системі одночасно використовують два коригувальних пристрої: послідовний і паралельно-зустрічний, або паралельно-зустрічний і прямий паралельний. Таким чином, функції, що повинен виконувати коригувальний пристрій, розподіляються між двома коригувальними пристроями. Ці пристрої можуть бути виконані з більш простих елементів.
Розглянемо один з прикладів практичного застосування коригувального пристрою.
Виконавчий механізм (ВМ) – є невід’ємною частиною АСР. Він перетворює енергію керування, що надходить від регулятора, у механічну енергію переміщення регулюючого органа. При цьому, динамічні властивості АСР в значній мірі залежать від динаміки ВМ. Якщо ВМ має суттєву інерційність, це може викликати появу перерегулювання в роботі АСР. У момент часу, коли сигнал завдання на вході регулятора дорівнює сигналу зворотного зв’язку, регулятор мусить відключатися. Однак ВМ не може раптово зупинитися і продовжує рух. На вхід технологічного об’єкту керування (ТОК) поступає сигнал, який визначається лише неідеальністю ВМ, тому є “паразитним”. Це призводить до того, що на виході ТОК змінюється сигнал. Для знищення цього сигналу необхідно включення АСР в роботу. Подолати це явище можна за допомогою паралельно-зустрічного коригувального пристрою, якій здійснює допоміжній зворотній зв’язок за положенням штока чи вихідного валу ВМ. Такі зв’язки дозволяють зменшити інерційний вибіг ВМ, що покращує роботу системи в цілому [8]. На рис. 4 представлена структурна схема АСР при охоплені ВМ зворотнім зв’язком.
Рис. 4. Структурна схема АСР при охопленні виконавчого механізму зворотнім зв’язком за положенням штока (вихідного валу)
У системі задіяні такі блоки: АР – автоматичний регулятор; ВМ – виконавчий механізм; РО – регулюючий орган; ТОК – технологічний об’єкт керування; КЗЗ – коригувальний зворотній зв’язок; ЗЗС – зворотній зв’язок системи.
2.Практична частина
Завдання:
-
За одержаними даними розробити структурну схему одноконтурної АСР.
-
Розрахувати еквівалентну передаточну функцію АСР.
-
Побудувати перехідний процес для розробленої АСР.
-
Розробити структурну схему одноконтурної АСР, з підключенням коригувального зворотного зв’язку.
-
Розрахувати еквівалентну передаточну функцію АСР з коригувальним зворотнім зв’язком.
-
Побудувати перехідний процес для АСР з коригувальним зворотнім зв’язком.
-
Порівняти перехідні процеси АСР без коригувального зворотного зв’язку, та із коригувальним зворотнім зв’язком.
-
Зробити висновки щодо впливу коригувального зворотного зв’язку на якість роботи АСР.
Рішення:
Будемо вважати, що елементи АСР (рис. 4) мають такі передаточні функції:
-
Автоматичний регулятор
.
-
Виконавчий механізм
.
-
Регулюючий орган
.
-
Технологічний об’єкт керування
.
-
Коригувальний зворотній зв’язок
.
-
Зворотній зв’язок системи
.
Розрахуємо передаточну функцію одноконтурної АСР без коригувального зворотного зв’язку.
. (4)
Підставивши значення передаточних функцій окремих елементів АСР, отримаємо таку передаточну функцію:
. (5)
Характеристики
Тип файла документ
Документы такого типа открываются такими программами, как Microsoft Office Word на компьютерах Windows, Apple Pages на компьютерах Mac, Open Office - бесплатная альтернатива на различных платформах, в том числе Linux. Наиболее простым и современным решением будут Google документы, так как открываются онлайн без скачивания прямо в браузере на любой платформе. Существуют российские качественные аналоги, например от Яндекса.
Будьте внимательны на мобильных устройствах, так как там используются упрощённый функционал даже в официальном приложении от Microsoft, поэтому для просмотра скачивайте PDF-версию. А если нужно редактировать файл, то используйте оригинальный файл.
Файлы такого типа обычно разбиты на страницы, а текст может быть форматированным (жирный, курсив, выбор шрифта, таблицы и т.п.), а также в него можно добавлять изображения. Формат идеально подходит для рефератов, докладов и РПЗ курсовых проектов, которые необходимо распечатать. Кстати перед печатью также сохраняйте файл в PDF, так как принтер может начудить со шрифтами.
















