125529 (577863)
Текст из файла
МИНИСТЕРСТВО СЕЛЬСКОГО ХОЗЯЙСТВА И ПРОДОВОЛЬСТВИЯ РЕСПУБЛИКИ БЕЛАРУСЬ
Учреждение образования
БЕЛОРУССКИЙ ГОСУДАРСТВЕННЫЙ АГРАРНЫЙ ТЕХНИЧЕСКИЙ УНИВЕРСИТЕТ
Кафедра автоматизированных систем управления производством
КУРСОВАЯ РАБОТА
по дисциплине «Теория автоматического управления»
Вариант 1
Выполнил: студент гр.2эа Алейчик Д.В.
проверил:
к.т.н., доцент Матвеенко И.П.
Минск – 2009
Содержание
-
Задание
-
Характеристика объекта управления, описание устройства и работы САР, составление её функциональной схемы. Принцип автоматического управления и вид системы
-
Составление структурной схемы системы
-
Определение закона регулирования системы
-
Определение передаточных функций системы по управляющему и возмущающему воздействиям и для ошибок по этим воздействиям
-
Анализ устойчивости системы. Определение запасов устойчивости
-
Анализ зависимости статической ошибки системы от изменения управляющего воздействия на систему
-
Совместный анализ изменения управляемой величины объекта управления и системы от возмущающего воздействия в статике. Определение статической ошибки системы по возмущающему воздействию
-
Оценка качества управления переходным функциям
Общие выводы по работе
Литература
1. Задание
Параметры.
| Вариант | Схема |
|
|
|
|
|
|
|
|
|
|
|
|
| 00 | 16 | 0.5 | 1 | 600 | 0.4 | 30 | 10 | 0.017 | 0.1 | 25 | 1 | ---- | 0.5 |
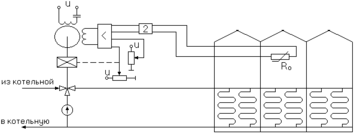
Схема.
Схема стабилизирует температуру воздуха в остеклённых блочных теплицах с водяной системой обогрева. Температура воздуха регулируется за счёт изменения температуры теплоносителя с помощью смесительного клапана. Основное возмущающее воздействие – изменение температуры наружного воздуха. Датчик температуры воздуха в теплице – термометр сопротивления. На схеме: 2 – измерительный блок, преобразующий величину сопротивления датчика температуры в электрическое напряжение. Устройство сравнения выполнено на дифференциальном усилителе.
2. Характеристика объекта управления, описание устройства и работы САР, составление её функциональной схемы. Принцип автоматического управления и вид системы
САР температуры воздуха в теплице состоит из объекта управления и регулятора. Объектом управления (ОУ) рассматриваемой САР является теплица.
Регулируемой величиной является температура
воздуха в теплице.
Целью управления является поддержание температуры воздуха в теплице на постоянном заданном уровне.
Управляющим воздействием на ОУ является температура, возмущающее воздействие – изменение температуры наружного воздуха.
Датчиком (Д) является термометр сопротивления вместе с измерительным блоком. Входной сигнал – температура воздуха в теплице
, выходной – u на выходе измерительного блока.
Зададчиком является переменное сопротивление R. Задающий сигнал – падение напряжения на этом сопротивлении
.
Сравнивающее устройство выполнено на дифференциальном усилителе. Выходным сигналом являются величины напряжений u и
. Выходным – разность этих напряжений:
, которое соответствует в определённом масштабе ошибке регулирования.
Дифференциальный усилитель (ДУ) выполняет функции устройства сравнения (вычитания) входных сигналов и усиления их разности. На входной усилитель поступает напряжение сравнения
и
(устройство местной обратной связи). Выходной сигнал усилителя – напряжение
, подаваемое на электродвигатель.
Исполнительное устройство представляет собой исполнительный механизм, который состоит из электродвигателя и редуктора. Входной сигнал для электродвигателя – напряжение
, выходной сигнал – угол
поворота вала электродвигателя. Входной сигнал для редуктора -
, выходной сигнал - угол
поворота вала редуктора.
Устройство местной обратной связи (УОС) выполнено в виде потенциометрического датчика перемещения, подвижный контакт которого механически связан с выходным валом редуктора. Входной сигнал УОС – угол
, выходной – напряжение
.
Система работает следующим образом.
При равенстве температур
,
и на вход дифференциального усилителя сигнал не поступает и напряжение
.
При отклонении температуры в теплице от заданной, на вход ДУ поступает разность напряжений
. Усиленное напряжение
подаётся на электродвигатель, который через редуктор поворачивает клапан и тем самым изменяет расход воды через вентиль Θ, м2/c.
Одновременно выходной вал редуктора перемещает подвижный контакт потенциометрического датчика местной обратной связи, выходное напряжение которого находится на дифференциальном усилителе, где вычитается из напряжения uМ разбаланса моста. Усилитель усиливает разность напряжений uМ и uOC. За счёт местной обратной связи обеспечивается пропорциональная зависимость между напряжением uМ и углом поворота вала редуктора φР. Поэтому изменение напряжения uМ на нагревательном элементе (управляющее воздействие на объект) пропорционально величине отклонения температуры Θ в теплице от заданного значения ΘЗ. В результате температура в теплице возвращается к заданному значению.
При непрерывном изменении наружной температуры процесс регулирования идёт непрерывно. Если наружная температура установится, то при правильно подобранных параметрах регулятора процесс регулирования через некоторое время закончится, и вся система придёт в новое установившееся состояние.
Вывод: 1. Система является стабилизирующей.
2. В системе реализован принцип управления по отклонению.
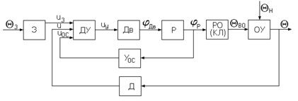
3. Составление структурной схемы системы
Для этого получим передаточные функции всех элементов системы.
1. Уравнение теплицы как элемента управления.
Изображение Лапласа этого уравнения.
Передаточная функция климатической камеры по управляющему воздействию ΘВ:
Передаточная функция климатической камеры по возмущающему воздействию ΘН:
2. Датчик температуры Д с измерительным блоком.
3. Задатчик З
4. Сравнивающее устройство выполнено на дифференциальном усилителе, поэтому оно будет учтено в уравнении дифференциального усилителя.
5. Дифференциальный усилитель ДУ.
Первое звено осуществляет вычитание напряжения uОС из напряжения u.
Δu = u – uOC
Второе звено усиливает разность Δu.
6. Двигатель Д:
7. Редуктор Р
8. Устройство (потенциометр) обратной связи УОС.
9. Регулирующий орган – смесительный клапан (К)
Структурная схема системы
Задатчик (З) системы является безинерциальным. Его коэффициент передачи кЗ должен быть равен коэффициенту передачи кД датчика, поскольку заданная ΘЗ и действительная Θ температуры должны вычитаться в одном масштабе. Поэтому для наглядности исследования эти коэффициенты кД = кЗ можно перенести за СУ и считать, что из заданной температуры ΘЗ непосредственно вычитается измеренная датчиком температура ΘД и формируется сигнал ошибки е. Получаем преобразованную структурную схему.
4. Определение закона регулирования системы
Найдём передаточную функцию, определяющую взаимосвязь управляющего воздействия ΘВ на объект и ошибки е.
Предварительно заменим звенья, охваченные линейной обратной связью (УОС) с коэффициентом передачи кП одним эквивалентным звеном.
, где
WП(p) – передаточная функция прямой цепи;
WР(p) – передаточная функция разомкнутой цепи;
WОС(p) – передаточная функция обратной связи;
Подставим в найденное выражение численные значения коэффициентов и получим.
При последовательном соединении звеньев их передаточные функции перемножаются, поэтому
Окончательно для безинерционного регулятора получаем.
Зависимость управляющего воздействия ΘВ от ошибки е показывает, что в рассматриваемой системе применяется π – закон регулирования.
5. Определение передаточных функций системы по управляющему и возмущающему воздействиям и для ошибок по этим воздействиям
Передаточная функция САР по управляющему воздействию.
, где
WП(p) – передаточная функция прямой цепи системы;
WР(p) – передаточная функция разомкнутой системы;
WОС(p) – передаточная функция обратной связи системы;
Подставим в полученное выражения численные значения параметров и после промежуточных преобразований получим:
Передаточная функция САР по возмущающему воздействию.
, где
WF(p) – передаточная функция цепи звеньев от места приложения возмущающего воздействия до регулируемой величины.
Для рассматриваемого примера передаточная функция САР температуры в теплице по возмущающему воздействию.
Характеристики
Тип файла документ
Документы такого типа открываются такими программами, как Microsoft Office Word на компьютерах Windows, Apple Pages на компьютерах Mac, Open Office - бесплатная альтернатива на различных платформах, в том числе Linux. Наиболее простым и современным решением будут Google документы, так как открываются онлайн без скачивания прямо в браузере на любой платформе. Существуют российские качественные аналоги, например от Яндекса.
Будьте внимательны на мобильных устройствах, так как там используются упрощённый функционал даже в официальном приложении от Microsoft, поэтому для просмотра скачивайте PDF-версию. А если нужно редактировать файл, то используйте оригинальный файл.
Файлы такого типа обычно разбиты на страницы, а текст может быть форматированным (жирный, курсив, выбор шрифта, таблицы и т.п.), а также в него можно добавлять изображения. Формат идеально подходит для рефератов, докладов и РПЗ курсовых проектов, которые необходимо распечатать. Кстати перед печатью также сохраняйте файл в PDF, так как принтер может начудить со шрифтами.















