63475 (573409)
Текст из файла
Содержание
Задание на выполнение курсовой работы
Теоретические основы методов расчета корректирующих цепей САУ и исследование их устойчивости
Расчет курсовой работы
Модернизация электронного термометра с использованием корректирующей цепи последовательного типа
Исследование устойчивости типовых звеньев САУ
Исследование области устойчивости САУ
Список использованной литературы
-
Задание на выполнение курсовой работы
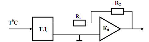
Объектом исследования на первом этапе является электронный термометр для систем автоматического контроля и управления (Рис 1)
Рис.1. Схема электронного термометра
ТД - датчик температуры;
K0 - инвертирующий операционный усилитель.
Исходные данные электронного термометра:
Wтд=Ктд/(tтдр+1); Ктд=0,2; tтд=1с; Rтд=100 Ом.
Wк0=K0 = -R2/R1 = -50; Wэт= Wтд*Wко.
Задание на выполнение работы
Изменить быстродействие электронного термометра, сохраняя тип (параметры) ТД, математическую форму Wэт (апериодическое звено) и величину Кэт = Ктд*К0 = - 10, при следующих исходных данных: t =1/XY, где X и Y — две последние цифры индивидуального шифра студента,
Для выполнения задания использовать корректирующие цепи двух типов - последовательную и антипараллельную. Рассчитать схемотехнические параметры корректирующих цепей и модернизированного электронного термометра в целом, Выбрать оптимальный вариант схемотехнической реализации соответствующей корректирующей цепи.
Исследовать устойчивость типовых звеньев САУ, охваченных положительной и отрицательной обратной связью (Табл. 1).
Таблица 1
| W(р) | Кр | К/р | К/(Тр+1) | К/(Т1р2 +Т2р+1) |
| Wос | +1; - 1 | |||
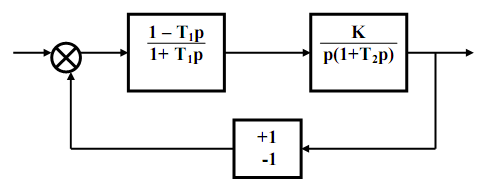
Исследовать и обеспечить в случае необходимости области устойчивости САУ, заданной структурной схемой (Рис.2)
Рис.2. Структурная схема САУ
Т1=1/Х; T2=1/Y; К=X*Y, где
Х- последняя цифра шифра студента;
Y- предпоследняя цифра шифра студента.
-
Теоретические основы методов расчета корректирующих цепей САУ и исследование их устойчивости
Корректирующие цепи вводятся для реализации определенных (заданных) свойств САУ — устойчивости, быстродействия, качества, математической формы передаточной функции и т.д. Например, исходную передаточную функцию САУ вида
W0(p) = K/ (T1p2+Т2р+1)
требуется преобразовать к виду
W(p) = K/(T3р+1)
Подобные задачи математически решаются на основе процедуры введения соответствующей корректирующей цепи Wк(р):
W(р) = W0(p)*Wк(р)
W(р)= К/(Tlp2 + Т2р+1)*(T1p2+Т2р+1)/(Т3р+ 1) = К/(Т3р+1)
где: Wк(р) = [Т1р2 + Т2р +1|/(Т3р + 1)]
Практическое решение таких задач включает схемотехническую реализацию передаточной функции соответствующей корректирующей цепи.
Различают корректирующие цепи последовательного, параллельного и антипараллельного (с обратной связью) типов. Между ними существует взаимно однозначное соответствие, т.е. САУ с определенной передаточной функцией можно реализовать с помощью любого из перечисленных типов корректирующих цепей:
-
последовательная цепь
W(р) = Wо (р)* Wк1(р);
-
параллельная цепь
W(p) = Wо (р) + Wк2(р);
-
антипараллельная цепь
W(р) = Wо (р)/(1-Wк3(р)*W0(р)
При этом, естественно, математическая форма и схемотехническая реализация соответствующих корректирующих цепей Wк1(р), Wк2(р), Wк3(р) будут различными.
Необходимым условием реализации САУ является ее устойчивость. Исследование устойчивости является обязательной процедурой при реализации корректирующих цепей, т.к., во-первых, введение корректирующей цепи любого вида всегда изменяет область устойчивости САУ, во-вторых, часто корректирующие цепи вводятся с цепью изменения областей устойчивости САУ. Устойчивость является «внутренним» свойством САУ и не зависит от вида и характера входного воздействия. Алгебраические критерии устойчивости линейных САУ основаны на исследовании передаточной функции вида
W(р) = K(p)/D(p)
И соответствующего характеристического уравнения, представленного в нормализованной форме
D(p) = а0рn + а1рn-1 + ... +аn:= 0
Необходимыми условиями устойчивости являются строго положительные значения всех без исключения коэффициентов характеристического уравнения
ао>0;а1>0 … аn>0
Для САУ с характеристическими уравнениями первого и второго порядков необходимые условия являются и достаточными. Для САУ выше второго порядка остаточные условия устойчивости формируются на основе матрицы Рауса-Гурвица. Например, для САУ третьего порядка
аор3 + а1р2 +а2р + a3 = 0
Алгебраическая форма достаточных условий устойчивости может быть представлена в виде
(а1а2-а0а3)>0
Совместный анализ необходимых и достаточных условий позволяет выделить области устойчивости САУ по соответствующим параметрам аi. При отсутствии областей устойчивости система является структурно неустойчивой. В этом случае для реализации условий устойчивости необходимо или изменить значения параметров САУ (если такие изменения не противоречат условиям задачи), или ввести соответствующую корректирующую цепь одним из рассмотренных выше способов. Конечным результатом такой коррекции должна стать система, обладающая определенной (заданной) областью устойчивости по соответствующим параметрам характеристического уравнения аi. Следует отметить, что в ряде случаев необходимо наоборот обеспечить определенную область неустойчивости САУ, например, для генераторов автоколебаний.
Целями настоящей работы являются проектирование и расчет математических и электрических параметров корректирующих цепей для заданной передаточной функции САУ, выбор оптимального варианта схемотехнической реализации соответствующей корректирующей цепи, исследование и обеспечение устойчивости типовых САУ с применением корректирующих цепей.
-
Расчет курсовой работы
-
Модернизация электронного термометра с использованием корректирующей цепи последовательного типа.
Для решения задачи данным способом необходимо использовать схему следующего вида. (рис. 2).
Представим передаточную функцию такой схемы
Wэт(р)=Wтд(р)Wк1(р)К1
Условия выполнения последнего равенства в соответствии с исходными данными и заданием включает:
Кэт = -10;t = 1/(XY) = 1/(97) = 1/63;
Тогда:
Wк1(р) = (1/К)(tТДр+1)/tр+1) при выполнении условия
(КТД/К) (-R21/R11) = Кэт
Для реализации передаточной функции Wк1(р) необходимо использовать схему вида (рис. 3):
Представим передаточную функцию такой схемы:
Условия выполнения задания включают:
1/К = R4/(R3+R4) = Кэт/КТД(-R21/R11);Кэт = -10;КТД = 0,2;
R3C = tТД = 1с; = R3R4C/(R3+R4);t = 1/XY = 1/63.
Для расчета элементов схемы R11, R21, R3, R4, С, по заданным условиям и записанным выше уравнениям необходимо использовать дополнительные схемотехнические условия:
R3 >> RТД;R11 >> R4.
-
R3 >> RТД = 1000 Ом
-
R3C = tТД = 1с С = tТД/R3 = 0,001
-
= R3R4C/(R3+R4), т.к. = t/3 = 1/189 = 0,0053 , тогда
0,0053 = 1000R40.001/(1000+R4);
5,3+0,0053R4 = R4;
R4 = 5,3/0.9947;
R4 = 5,32 Ом;
-
1/К = R4/(R3+R4) , отсюда К = (R3+R4)/ R4 = (1000+5,32)/ 5,32 = =188,97;
-
R11 >> R4 R11 = 53 Ом;
-
(КТД/К)(-R21/R11)=Кэт , отсюда (-R21/R11)=КэтК/КТД = -10188,97/0,2 = = -9448,5
-
(-R21/R11) = -9448,5 R21 = -9448,5 /(-53) = 500770,5 Ом =
= 500,8 кОм
3.2 Исследование устойчивости типовых звеньев САУ
Wр=Кр
-
Wобщ.=Кр/(1Кр)
К>0
К<0
-
Wр=К/р
К>0
К<0
-
W(р)=К/(Тр+1)
-
К+1>0 К > -1
1-К>0 К<1
-
W(р) = К/(Т1р2+Т2р+1)
-
Т1>0
Т2>0
К>-1
Т1>0
Т2>0
К<1
3.3 Исследование области устойчивости САУ
T1=1/7
T2=1/9
K = 63
1)
1/63>0
16/63>0
10>0
63>0
Проверка:
16/63*10-1/63*63>0
160/63-1>0
97/63>0
Система устойчива
2)
1/63>0
1/63>0
-10<0
-63<0
Система не устойчива, т.к. не выполняется необходимые условия устойчивости.
3) Для того, чтобы система стала устойчивой, возьмем значения, при которых будет выполнено достаточное условие устойчивости (при К не равном X*Y):
Т1=5
Т2=3
К=-2
Получим:
15>0
8>0
9>0
2>0
Проверка:
8*9-15*2>0
72-30>0
42>0
Система устойчива
Список использованной литературы
-
Фельдбаум А.А., Бутковский А.Г. Методы теории автоматического управления. – М.: Наука, 1991г.
-
Задания и методические указания к курсовой работе по дисциплине «Основы автоматики и системы автоматического управления».
Характеристики
Тип файла документ
Документы такого типа открываются такими программами, как Microsoft Office Word на компьютерах Windows, Apple Pages на компьютерах Mac, Open Office - бесплатная альтернатива на различных платформах, в том числе Linux. Наиболее простым и современным решением будут Google документы, так как открываются онлайн без скачивания прямо в браузере на любой платформе. Существуют российские качественные аналоги, например от Яндекса.
Будьте внимательны на мобильных устройствах, так как там используются упрощённый функционал даже в официальном приложении от Microsoft, поэтому для просмотра скачивайте PDF-версию. А если нужно редактировать файл, то используйте оригинальный файл.
Файлы такого типа обычно разбиты на страницы, а текст может быть форматированным (жирный, курсив, выбор шрифта, таблицы и т.п.), а также в него можно добавлять изображения. Формат идеально подходит для рефератов, докладов и РПЗ курсовых проектов, которые необходимо распечатать. Кстати перед печатью также сохраняйте файл в PDF, так как принтер может начудить со шрифтами.
















