62770 (573335)
Текст из файла
Федеральное агентство образования Российской Федерации
Государственное образовательное учреждение
среднего профессионального образования
Краснотурьинский индустриальный колледж
Специальность:
Вычислительные машины, комплексы, системы и сети
Курсовой проект по предмету конструкция, производство на тему:
Присвоение блока памяти оперативного запоминающего устройства
Введение
Основной целью курсового проекта является формирование навыков и умение проектировать устройства вычислительной техники.
Курсовой проект предоставляет основные возможности:
-научиться анализировать техническое задание на проектирование устройств ЭВТ.
усвоить основные понятия и термины, относящиеся к проектированию схемы управления ОЗУ.
-познакомиться с основными проектными процедурами разработки схем.
-закрепить и углубить знания по схемотехники ОЗУ.
Курсовая работа должна способствовать расширению и углублению знаний о тактовых элементах цифровых устройств, основных ИМС памяти, логических основах ЭВМ.
-
Описание используемых элементов
-
Микросхема памяти КР537РУ3
Рисунок 1. Условное графическое обозначение КР573РУ3
SRAM 4K x 4 бит. Запись и чтение асинхронные ((СE) ̅= 0. (WE) ̅= 0 — запись с переводом выхода DO в Z-состояние. Что позволяет объединить вход DI и выход DO для организации двунаправленной шины данных: (СE) ̅= 0, (WE) ̅= 1 — чтение данных; (СE) ̅=1 — Z-состояние выхода DO)
1.2 Микросхема дешифратора К155ИДЗ
К155ИДЗ- дешифратор, позволяющий преобразовать четырехразрядный код, поступающий на входы АО-АЗ в напряжение низкого логического уровня, появляющееся на одном из шестнадцати выходов 0-15. Дешифратор имеет два входа разрешения дешифрации СЕ1 и СЕ2. Эти входы можно использовать как логические, когда дешифратор ИДЗ служит демультиплексором данных. Тогда входы АО-A3, используются как адресные, чтобы направить поток данных, принимаемых входами СЕ1 или СЕ2, на один из выходов 0-15. На второй, не используемый в этом включении вход Е, следует подать напряжение низкого уровня.
По входам СЕ1 и СЕ2 даются сигналы разрешения выходов, чтобы устранять текущие выбросы, которыми сопровождается дешифрация кодов, появляющихся не строго синхронно. Чтобы разрешить прохождение данных на выходы, на входы СЕ1 и СЕ2 следует дать напряжение низкого уровня. Эти входы необходимы также при наращивании числа разрядов дешифрируемого кода. Когда на входах СЕ1 и СЕ2 присутствуют напряжения высокого уровня, на выходах 0-15 появляются высокие уровни.
Выбор контроллера по конкретному адресу осуществляется с помощью дешифратора К155ИДЗ (рис. 2). Назначение его выводов показано в таблице 2.
Рисунок 2. Условное графическое обозначение К155ИДЗ.
Таблица 1. Назначение выводов К155ИДЗ
| № вывода | Назначение | № вывода | Назначение |
| 1 | Выход 0 | 13 | Выход 11 |
| 2 | Выход 1 | 14 | Выход 12 |
| 3 | Выход 2 | 15 | Выход 13 |
| 4 | Выход 3 | 16 | Выход 14 |
| 5 | Выход 4 | 17 | Выход 15 |
| 6 | Выход 5 | 18 | Вход стробирующий |
| 7 | Выход 6 | 19 | Вход стробирующий |
| 8 | Выход 7 | 20 | Вход информационный |
| 9 | Выход 8 | 21 | Вход информационный |
| 10 | Выход 9 | 22 | Вход информационный |
| 11 | Выход 10 | 23 | Вход информационный |
| 12 | Общий | 24 | Ucc |
1.3 Буферный регистр КР580ИР82
КР580ИР82 представляет собой 8-разрядный буферный регистр, предназначенный для ввода и вывода информации со стробированием. Микросхема имеет восемь триггеров D-типа и восемь выходных буферов, имеющих на выходе состояние "выключено". Управление передачей информации осуществляется с помощью сигнала STB "строб".
При поступлении на вход STB сигнала высокого уровня осуществляется нетактируемая передача информации от входа DI до выхода DO. При подаче на вход STB сигнала низкого уровня микросхема хранит информацию предыдущего такта; при подаче на вход STB положительного перепада импульса происходит "защелкивание" входной информации. Выходные буферы управляются сигналом ОЕ "разрешение выхода". При поступлении на вход ОЕ сигнала высокого уровня выходные буферы переводятся в состояние "выключено".
Рисунок 3. Условное графическое обозначение КР580ИР82.
Таблица 2. Назначение выводов КР580ИР82.
| Номер вывода | Обозначение | Назначение |
| 1-8 | A0-A7 | Вход регистра |
| 9 | OE | Разрешение выхода |
| 10 | GND | Общий |
| 11 | STB | Строб |
| 12-19 | D00-D07 | Выходы регитра |
| 20 | Ucc | Питание |
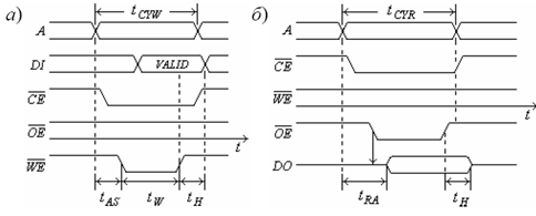
Рис. а и б - Временные диаграммы записи и чтения данных
На рис а приведены временные диаграммы для режима записи информации, а на рис. 6 — для режима чтения. На дешифрацию адреса требуется время
(Address Sen/p Time — время установки адреса), только после истечения которого можно подавать
активный уровень сигнала разрешения записи
(иначе данные могут быть записаны по неправильному адресу).
Минимальная длительность
активного уровня сигнала
определяется быстродействием ячеек памяти. Часто требуется сохранение значений входных данных DI некоторое время
(Data Hold Time — время удержания данных) после окончания активного уровня сигнала записи
= 0. В современных SRAM обеспечиваются минимальные значения
= 0 и
= 0. Длительность цикла записи
(Write Cycle Time) примерно равна сумме значений
,
и
.
При чтении время
(Read Access Time — время доступа при чтении) характеризует задержку выходных данных DO относительно изменения адресных сигналов при отсутствии сигнала управления
или
≡ 0. Время
характеризует удержание значений выходных данных DO по окончании активного уровня сигнала управления
= 0 (или адресного сигнала
при отсутствии сигнала
). Если сигнал управления
имеется, то выходные данные DO могут появиться только при значении
= 0. Время задержки выходных данных DO относительно изменения сигнала управления
с 1 на 0 значительно меньше значения
.Время цикла чтения
примерно равно времени цикла записи
При равенстве этих циклов основной динамической характеристикой SRAM является время цикла
.
-
Расчётная часть
2.1 Определение числа микросхем
1)Расчёт ОЗУ в битах
Nбис = Nr * Nc
Где Nr – число ячеек памяти БИС ОЗУ,
Nc – Разрядность БИС ОЗУ.
NБИС =4·1024·4=16384
2) Рассчитаем всего блока ОЗУ заданного по курсовому проекту 65536 байт в битах.
Nозу = 8кБ * 1024 * 8 = 65536 Бит.
3) Определим количество микросхем памяти для построения всего блока ОЗУ по формуле:
Qram = Nозу/Nбис
Где Nозу – объём всего блока ОЗУ,
Nбис – объём ОЗУ.
Qram = 524288/16384=32
4)Рассчитаем количество микросхем памяти для одного банка для хранении:
N1 = Nшд / Nc
Где Nщд – разрядность ШД,
N1 – разрядность микросхемы памяти.
N1 = 8 / 4 = 2.
5)Рассчитаем количество банков требуемых для блока ОЗУ по формуле:
N2 = Qram / N1
Где N1 – количество микросхем в банке,
Qram – количество микросхем памяти.
N2 = 32/2=16
2.2 Расчет адресного пространства
64·1024=65536
65536-1=65535=>FFFF=>1111111111111111- 16 линий адреса для построения ОЗУ.
Таблица 3. Адреса блоков памяти
| Номер блока | Адресный диапазон | |
| Шестнадцатеричный | десятичный | |
| Банк 0 | 0-FFF | 0-4095 |
| Банк 1 | 1000-1FFF | 4096-8191 |
| Банк 2 | 2000-2FFF | 8192-12287 |
| Банк 3 | 3000-16383 | 12288-16383 |
| Банк 4 | 4000-4FFF | 16384-20479 |
| Банк 5 | 5000-5FFF | 20480-24575 |
| Банк 6 | 6000-6FFF | 24576-28671 |
| Банк 7 | 7000-7FFF | 28672-32767 |
| Банк 8 | 8000-8FFF | 32768-36863 |
| Банк 9 | 9000-9FFF | 36864-40959 |
| Банк 10 | A000-AFFF | 40960-45055 |
| Банк 11 | B000-BFFF | 45056-49151 |
| Банк 12 | C000-CFFF | 49152-53247 |
| Банк 13 | D000-DFFF | 53248-57343 |
| Банк 14 | E000-EFFF | 57344-61439 |
| Банк 15 | F000-FFFF | 61440-65535 |
Характеристики
Тип файла документ
Документы такого типа открываются такими программами, как Microsoft Office Word на компьютерах Windows, Apple Pages на компьютерах Mac, Open Office - бесплатная альтернатива на различных платформах, в том числе Linux. Наиболее простым и современным решением будут Google документы, так как открываются онлайн без скачивания прямо в браузере на любой платформе. Существуют российские качественные аналоги, например от Яндекса.
Будьте внимательны на мобильных устройствах, так как там используются упрощённый функционал даже в официальном приложении от Microsoft, поэтому для просмотра скачивайте PDF-версию. А если нужно редактировать файл, то используйте оригинальный файл.
Файлы такого типа обычно разбиты на страницы, а текст может быть форматированным (жирный, курсив, выбор шрифта, таблицы и т.п.), а также в него можно добавлять изображения. Формат идеально подходит для рефератов, докладов и РПЗ курсовых проектов, которые необходимо распечатать. Кстати перед печатью также сохраняйте файл в PDF, так как принтер может начудить со шрифтами.














