62519 (573301)
Текст из файла
Ключевые элементы на биполярних транзисторах
Биполярный транзистор уже давно используется в импульсных источниках электропитания, поэтому не будут подробно рассматриваться особенности его работы в ключевом режиме, а только необходимые для практики сведения.
Как известно, свойства транзистора как усилителя тока описываются следующим уравнением:
где h21 — коэффициент усиления по току;
iб—ток базы;
iк — ток коллектора.
Линейная область работы транзистора хороша тем, что позволяет, регулируя сравнительно небольшой ток базы, тем не менее, управлять значительным током нагрузки, расположенной в коллекторе транзистора. Максимальный ток коллектора, который можно получить в классической схеме с коллекторной нагрузкой, равен:
Максимальному току коллектора соответствует максимальный ток базы iб max. Дальнейшее увеличение тока базы не приведет к увеличению тока коллектора, поскольку транзистор уже находится в состоянии, пограничном с состоянием насыщения.
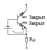
Что такое состояние насыщения лучше всего пояснять, представив транзистор в виде двух диодов (рис.1). В ненасыщенном состоянии диод VD1 закрыт. В состояние насыщения транзистор можно перевести, «подняв» потенциал базы выше потенциала коллектора с помощью, например, дополнительного источника напряжения UДОП. В этом случае произойдет отпирание диода VD2 и транзистор перейдет в состояние насыщения.
В принципе, пограничное состояние тоже используется в импульсной технике, но оно менее желательно, поскольку потери мощности на ключевом элементе, поскольку потери мощности на ключевом элементе больше, а значит, КПД преобразователя ниже возможного предела.
Насыщение транзистора принято оценивать коэффициентом насыщения. Коэффициент насыщения — это отношение максимального тока базы в пограничном режиме к реальному току, подаваемому в базу в насыщенном состоянии. Само собой разумеется, что значение коэффициента всегда больше единицы. Коэффициент насыщения задается разработчиком импульсного источника, исходя из рекомендаций по проектированию. От его величины зависят динамические характеристики схемы.
Рис.1. Модель биполярного транзистора в ключевом режиме
Чем сильнее будет насыщен транзистор, тем меньшее напряжение «коллектор-эмиттер» удается получить, тем меньше будут тепловые потери. Однако чрезмерное насыщение чревато большой неприятностью — в таком состоянии база транзистора накапливает большое количество неосновных носителей, которые задерживают выключение транзистора.
Чтобы было удобно анализировать транзистор в области насыщения, заменим его следующей эквивалентной схемой. Имеется идеальный ключ, изображенный на рис.2, на котором падает небольшое напряжение UКЭнас. Напряжение на насыщенном ключе в эквивалентной схеме определяется следующим образом:
где RНАС — активное сопротивление насыщенного ключа;
Екэ — источник ЭДС напряжением 0,1...0,5 В.
В справочных данных принято приводить не параметры элементов эквивалентной схемы, а значение UКЭнас при заданном токе коллектора.
Рис. 2. Эквивалентная схема транзистора в режиме насыщения
Рис. 3. Эквивалентная схема транзистора в режиме отсечки
Еще один режим работы транзистора, относящийся к ключевому, носит название режима отсечки. Перевести транзистор в режим отсечки можно приложением между базой и эмиттером обратного напряжения, тем самым «подпирая» диод VD2. В режиме отсечки транзистор можно также заменить разомкнутым ключом, схема замещения которого представлена на рис.3 Транзистор в режиме отсечки имеет близкое к бесконечному сопротивление RОТС и небольшой ток утечки р-n перехода iУТ. В справочных данных для режима отсечки приводятся обратный ток базы iКБО и обратный ток коллектора iКЭО.
Обратный ток базы, стекая по базовой цепи управления, может приоткрывать транзистор, поэтому рекомендуется «подтягивать» базу к эмиттеру с помощью сопротивления RКБО номиналом несколько сотен Ом, как показано на рис.5.
В ключевом режиме очень важно знать время переключения из состояния отсечки в состояние насыщения и наоборот.
Р
ассмотрим ситуацию, когда транзистор переводится в состояние насыщения прямоугольным импульсом с идеальным фронтом.
Ток коллектора, однако, достигает установившегося значения не сразу после подачи тока в базу— имеется некоторое время задержки tЗАД, спустя которое появится ток в коллекторе.
Рис. 4. Модель биполярного транзистора в режиме отсечки
Рис. 5. Способ исключения самопроизвольного открытия.
Затем ток коллектора плавно нарастает и после истечения времени tНАР достигает установившегося значения.
где tВКЛ— время включения транзистора.
При выключении транзистора на его базу подается отрицательное напряжение, в результате чего ток базы меняет свое направление и становится равным iбВЫК. Пока происходит рассасывание не основных носителей заряда в базе, ток не меняет своего значения. Это время называется временем рассасывания tРАС. После окончания процесса рассасывания происходит спад тока базы, который продолжается в течение времени tСП.
В течение времени tРАС транзистор остается открытым и коллекторный ток не меняет своего значения. Спад тока коллектора начинается одновременно со спадом тока базы, и заканчиваются они почти одновременно. Время рассасывания сильно зависит от степени насыщения транзистора. Минимальное время выключения получается при пограничном режиме насыщения. Для ускорения рассасывания в базу иногда подают обратный закрывающий ток. Однако прикладывать к базе большое обратное напряжение опасно, так как может произойти пробой перехода «база-эмиттер». Максимальное обратное напряжение на базе указывается в справочниках и обычно не превышает 5...6 В.
Если к базе транзистора в процессе запирания не прикладывать обратное напряжение, а просто замыкать базу на эмиттер, такое запирание носит название пассивного. Конечно, при пассивном запирании время рассасывания увеличивается, но с этим мирятся, поскольку этот режим не требует для своей реализации дополнительных элементов, а потому широко используется в импульсной силовой схемотехнике.
В справочных данных обычно приводят времена включения, спада и рассасывания в пограничном режиме при пассивном запирании. Для наиболее быстрых силовых транзисторов время рассасывания составляет 0,1...0,5 мкс.
Коммутационные процессы в транзисторе определяют динамические потери при его переключении. Слишком большие активные потери могут перегреть транзистор, и он пробьется. Поэтому очень важно уметь прогнозировать тепловой режим транзистора. Мы подробно разберем расчет теплового режима работы транзисторов далее, а сейчас покажем, как можно определить коммутационные параметры транзистора, зная граничную частоту его работы и коэффициент насыщения:
где
.
Данные формулы приведены для режима пассивного запирания.
В мощных импульсных источниках питания, в ключевых цепях бывает необходимо иметь токи, которые непосильны для одиночных транзисторов, широко используется параллельное включение транзисторов. В этом случае общий ток распределяется между отдельными транзисторами. Особенность биполярных транзисторов, о которой надо знать даже радиолюбителю, это невозможность непосредственного параллельного соединения их электродов. Необходимо обязательно включать в эмиттерные цепи транзисторов небольшие резисторы, выравнивающие токи. Зачем это делается, разберем на примере. Предположим, что мы имеем параллельное соединение двух транзисторов — VT1 и VT2. Эквивалентная схема этого соединения показана на рис.6.
Р
ис.6 - Схема параллельного включения транзисторов
Пусть один транзистор имеет минимально возможный параметр Еmin = 0,1В, а второй — максимально возможный Еmax = 0,5 В. Сопротивления транзисторов в открытом состоянии считаем примерно одинаковыми. Напряжение UКЭ обычно не слишком отличается от напряжения Е в состоянии насыщения. Тогда ток через VT2 будет примерно в 5 раз больше, чем ток через транзистор VT1. Другими словами, мощность, рассеиваемая на VT2, будет в 25 раз больше, чем мощность, рассеиваемая на VT1. Ключ может мгновенно выйти из строя, если мы планировали распределить токи между ключами равномерно.
Чтобы избежать теплового пробоя по причине разбаланса токов, необходимо введение токовыравнивающих резисторов, показанных на рис.7. Рассчитаем их номиналы, исходя из следующих положений:
• значения UКЭнас справочника представляют собой предельные значения для данного типа транзистора, поэтому считаем, что нам попались «наилучший» и «наихудший» транзисторы;
• сопротивления RНАС всех транзисторов примерно равны.
Преимущества такого метода симметрирования токов транзисторов очевидны: нам не нужно подбирать в каждый эмиттер свой резистор, а взять одинаковый номинал:
Следует отметить, что на выравнивающих резисторах рассеивается дополнительная мощность, которая снижает КПД источника. Однако с этим приходится мириться, выбирать «меньшее из двух зол».
Характеристики
Тип файла документ
Документы такого типа открываются такими программами, как Microsoft Office Word на компьютерах Windows, Apple Pages на компьютерах Mac, Open Office - бесплатная альтернатива на различных платформах, в том числе Linux. Наиболее простым и современным решением будут Google документы, так как открываются онлайн без скачивания прямо в браузере на любой платформе. Существуют российские качественные аналоги, например от Яндекса.
Будьте внимательны на мобильных устройствах, так как там используются упрощённый функционал даже в официальном приложении от Microsoft, поэтому для просмотра скачивайте PDF-версию. А если нужно редактировать файл, то используйте оригинальный файл.
Файлы такого типа обычно разбиты на страницы, а текст может быть форматированным (жирный, курсив, выбор шрифта, таблицы и т.п.), а также в него можно добавлять изображения. Формат идеально подходит для рефератов, докладов и РПЗ курсовых проектов, которые необходимо распечатать. Кстати перед печатью также сохраняйте файл в PDF, так как принтер может начудить со шрифтами.
















