125933 (566749)
Текст из файла
-
Расчет винтового механизма
Рассмотрим винтовой механизм на примере распорного домкрата. Данный домкрат применяется для получения большого усилия с использованием небольшого рабочего усилия. Основным элементом домкрата является передача винт-гайка. Передача винт-гайка служит для преобразования вращательного движения в поступательное. В силовых передачах винт-гайка часто применяется упорная резьба. Она обладает высокой прочностью витков, технологична, имеет более высокий к.п.д., чем метрическая резьба, но может использоваться только при нереверсивной нагрузке. Винт и гайка должны составлять прочную и износостойкую пару. Исходя из этого винт, который не подвергается закалке изготавливается из стали 45, а для изготовления гайки применяется бронза БрА9Ж3.
Целью данного раздела является выполнение проектировочных расчетов деталей распорного домкрата (винт, гайка, рукоятка) и разработка эскизов этих деталей.
1.1 Расчет основных размеров винта
1.1.1 Проектировочный расчет винта
Задачей раздела является определение параметров резьбы винта.
Опыт эксплуатации передач винт-гайка показывает, что основной причиной выхода их из строя является изнашивание резьбы [1, c.9]. Следовательно, критерием проектировочного расчета является износостойкость. Условие работоспособности по критерию износостойкости может быть записано в виде [1, c. 9].
p≤ [p], (1.1)
где р - среднее давление на поверхность резьбы, Н/мм²; [p]- допускаемое давление для данного сочетания трущихся материалов, Н/мм².
Согласно технического задания винт изготовлен из стали Сталь 45, а гайка из безоловянной бронзы БрА9Ж3, поэтому выбираем [p]=7 Н/мм² [1, с. 13].
Известно, что среднее давление на контактирующих поверхностях может быть определено по формуле
p =F
/A, (1.2)
Где F
- нормальная сила, Н; А- площадь контактирующих поверхностей, мм².
Считая, что нагрузка распределена равномерно по виткам гайки и пренебрегая углом подъема резьбы, запишем выражение для площади, по которой распределено давление
A=π d
H
z, (1.3)
где z-число витков гайки.
Введем коэффициенты
γ
= Н
/Р и γ
=Н
/d
,
значение, которых может быть выбрано по рекомендации [1. c. 9].
Выбираем γ
=2, γ
= 0,75 (резьба упорная).
Выражение (1.3) с использованием коэффициентов γ
и γ
может быть приведено к виду
A= πd
²γ
γ
. (1.4)
Тогда, подставляя значения
и А в выражение (1.2) и полученное выражение для p в условие (1.1), получим формулу для проектировочного расчета винта
d
≥√ F
/ (πγ
γ
[p]). (1.5)
Подставляя численные значения в выражение (1.5), получим величину среднего диаметра резьбы винта. Величина
=25000 Н приведена в техническом задании.
мм
В соответствии с ГОСТ 9484-73 [1, c.23] находим параметры резьбы винта, обеспечивающие износостойкость данной винтовой пары:
= 32 мм;
=27,50 мм;
=21,587 мм; P=6 мм, определение которых и являлось задачей данного раздела.
1.1.2 Проверочный расчет винта на статическую прочность
Задачей раздела является проверка выбранных в разделе 1.1.1. размеров винта на прочность.
(1.6)
Где S- фактический коэффициент запаса; [S]-нормальный коэффициент запаса.
Выбираем значение [S]=3 [1, c.14], так как рассчитываем домкрат.
Значение S найдем из формулы
, (1.7)
где
- предельное напряжение, Н/мм;
- максимальное напряжение, Н/мм
.
Так как винт изготовлен из стали Сталь 45, в качестве предельного напряжения выбираем предел текучести [1, c.16]
Н/мм
(1.8)
где
-предел текучести, Н/мм
.
Для нахождения величины
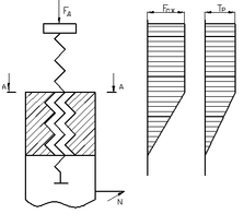
составим расчетную схему (рис. 1.1).
Рис. 1.1 - Схема расчета винта на прочность: N-сила, прикладываемая к рукоятке;
-сила сжатия;
-момент силы, прикладываемой к рукоятке;
-момент силы трения в резьбе.
Из рис. 1.3 видно, что опасным является сечение А-А, в котором сила сжатия и крутящий момент максимальны. Отсюда следует, что
(1.9)
где
-эквивалентное напряжение, Н/мм
;
-максимальное значение напряжения сжатия, Н/мм
;
- максимальное значение напряжения кручения, Н/мм
.
Максимальное напряжение сжатия находят по формуле
(1.10)
где
- сила сжатия, Н;
- площадь сжатия, мм
.
Поверхность сжатия - круг, площадь сжатия равна площади круга
(1.11)
где
- внутренний диаметр резьбы, мм.
Подставляем численные значения в формулы (1.10) и (1.11)
мм
,
Н/мм
Максимальное значение напряжения кручения находят по формуле
(1.12)
где
- момент силы трения в резьбе,
; W
- полярный момент сопротивления,
.
Полярный момент сопротивления определяют по формуле
(1.13)
Подставим численные значения в выражение (1.13)
Для винта
определяется по формуле [1, c.13].
(1.14)
где
-угол подъема резьбы, рад;
- приведенный угол трения, рад.
Значение угла подъема резьбы и приведенного угла трения можно определить из выражений [1, c.13]
(1.15)
(1.16)
где
- коэффициент трения,
- угол наклона профиля, град.
Рассчитаем
и
по формулам (1.15) и (1.16), выбрав
[1. c.13], так как по заданию материал винта - Сталь 45, а материал гайки- БрА9Ж3,
возьмем равным
, так как резьба упорная.
град,
град.
Подставим найденные значения в формулу (1.14)
,
Найдем максимальное значение напряжения кручения по формуле (1.12)
,
По формуле (1.9) получим максимальное напряжение
,
Определим фактический коэффициент запаса (1.7)
,
следовательно, можно оставить выбранные размеры винта.
Проверка подтвердила правильность выбора размеров винта (раздел 1.1.1.), полученные размеры обеспечивают необходимую статическую прочность винта.
1.1.3 Проверочный расчет винта на устойчивость
Задачей раздела является проверка размеров винта по критерию устойчивости. Условие устойчивости выглядит так
(1.17)
где
- фактический коэффициент запаса устойчивости;
- нормативный коэффициент запаса устойчивости.
Выбираем
, так как в рассматриваемом механизме возможно внецентренное приложение осевой нагрузки или появление сил, перпендикулярных оси винта [1, c.14]. Фактический коэффициент запаса может быть определен по формуле
(1.18)
где
-критическая сила, Н.
Для нахождения
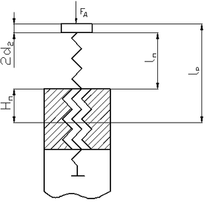
составим расчетную схему.
Рис. 1.2 - Схема расчета винта на устойчивость:
расчетная длина винта;
осевое перемещение винта;
высота гайки.
Из рассмотрения рис. 1.4 видно, что расчетная длина винта вычисляется по формуле
(1.19)
Высоту гайки можно найти из формулы
(1.20)
подставляя численные значения в (1.20), получаем
.
Для нахождения
необходимо найти
- коэффициент гибкости винта [1. c.15].
, (1.21)
где
коэффициент приведения длины,
- приведенный момент инерции сечения винта,
;
- площадь поперечного сечения винта,
.
находим по формуле [1, c.15]
(1.22)
Подставляя численные значения, находим
.
=2,0 [1, c.16], так как рассматриваемый механизм-домкрат.
По формуле (1.19) найдем
,
Площадь поперечного сечения винта рассчитаем по формуле
, (1.23)
подставляя численные значения в (1.23) получаем
Теперь можно рассчитать
по формуле (1.20)
Сравниваем полученное значение
со значениями
и
, взятых из таблицы [1, c.16] для стали Сталь 45.
.
Так как
, то рассчитываем
по Ясинскому-Тетмайеру
, (1.24)
где
, а
[1, c.16] для стали Сталь45
Подставляем численные значения в формулу (1.24), получаем
Подставим полученное значение в формулу (1.17)
Так как
, то размеры винта, полученные в разделе 1.1.1. являются окончательными.
1.2 Расчет основных размеров гайки
1.2.1 Определение внешнего диаметра гайки
Задачей раздела является определение внешнего диаметра гайки по критерию статической прочности на растяжение.
Условие прочности может быть записано в виде
, (1.25)
где
- проектировочное напряжение растяжения, Н/мм
;
- нормативное напряжение растяжения, Н/мм
.
Нормативное напряжение определяется по формуле
. (1.26)
Так как материалом гайки является бронза, то
, (1.27)
где
- предел прочности, Н/мм
.
Выбираем [S]=3 [1, c.15], так как материал бронза.
По формуле (1.26) найдем нормативное напряжение растяжения
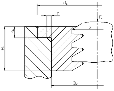
Для определения фактических напряжений составим расчетную схему (рис. 1.3).
Рис. 1.3 - Расчетная схема гайки:
внешний диаметр бурта гайки;
высота бурта гайки;
внешний диаметр гайки;c- размер фаски.
Из рассмотрения рис. 1.3 следует, что опасным сечением является сечение А-А, а максимальное напряжение растяжения может быть определено из следующего соотношения
, (1.28)
где
- площадь поперечного сечения гайки, мм.
Для гайки площадь поперечного сечения равно площади кольца и определяется по формуле
, (1.29)
Подставим формулу (1.28) в формулу (1.29) и выразим
(1.30)
Вычислим диаметр гайки
Найденное значение диаметра не удовлетворяет технологическому условию
Поэтому принимаем
=42 мм, что обеспечивает устойчивость гайки к растяжению.
1.2.2 Определение диаметра бурта гайки
Задачей раздела является определение внешнего диаметра бурта гайки, по критерию статической прочности на смятие.
Условие работоспособности может быть записано так
, (1.31)
где
-максимальное значение напряжения смятия, Н/мм
;
- нормативное напряжение смятия, Н/мм
.
Характеристики
Тип файла документ
Документы такого типа открываются такими программами, как Microsoft Office Word на компьютерах Windows, Apple Pages на компьютерах Mac, Open Office - бесплатная альтернатива на различных платформах, в том числе Linux. Наиболее простым и современным решением будут Google документы, так как открываются онлайн без скачивания прямо в браузере на любой платформе. Существуют российские качественные аналоги, например от Яндекса.
Будьте внимательны на мобильных устройствах, так как там используются упрощённый функционал даже в официальном приложении от Microsoft, поэтому для просмотра скачивайте PDF-версию. А если нужно редактировать файл, то используйте оригинальный файл.
Файлы такого типа обычно разбиты на страницы, а текст может быть форматированным (жирный, курсив, выбор шрифта, таблицы и т.п.), а также в него можно добавлять изображения. Формат идеально подходит для рефератов, докладов и РПЗ курсовых проектов, которые необходимо распечатать. Кстати перед печатью также сохраняйте файл в PDF, так как принтер может начудить со шрифтами.
















