124247 (566704)
Текст из файла
РАСЧЕТ ЦИКЛА ПАРОТУРБИННОЙ УСТАНОВКИ
Для паротурбинной установки, работающей по обратимому (теоретическому) циклу Ренкина, расчетом определить:
-
параметры воды и пара в характерных точках;
-
количество тепла, подведенного в цикле;
-
работу, произведенную паром в турбине;
-
работу, затраченную на привод питательного насоса;
-
работу, совершенную в цикле;
-
термический КПД цикла;
-
теоретические расходы пара и тепла на выработку электроэнергии.
-
У работает на сухом насыщенном паре с начальным давлением P1=15 МПа, P2=5 КПа
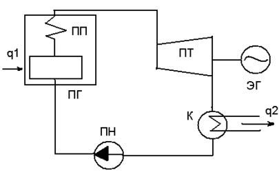
Схема паротурбинной установки:
ПТ - паровая турбина;
ЭГ – электрогенератор;
К – конденсатор;
ПН – питательный насос;
ПГ – парогенератор.
Для определения параметров рабочего тела в характерных точках в теоретическом цикле Ренкина воспользуюсь PV, TS и HS диаграммами, которые схематично изображены ниже. По ним легко видеть, какие параметры меняются, а какие нет.
1-2 – адиабатическое расширение пара в турбине;
2-3 – изобарно-изотермический процесс конденсации пара (P2=const, t2=const) ;
3-4 – адиабатное сжатие воды в насосе (можно считать и изохорным);
4-5 – изобарный процесс подогрева;
5-1 - изобарно-изотермический процесс парообразования в парогенераторе.
Параметры рабочего тела в характерных точках цикла приведены в таблице 1.
Таблица 1.
| Точки | P1, KПa | t, 0С | h, кДж/кг | V, м3/кг | S, кДж/кг*К | X |
| 1 | 342,12 | 2611,6 | 0,01035 | 5,3122 | 1 | 342,12 |
| 2 | 32,9 | 1619,428 | 17,685 | 5,3122 | 0,611 | 32,9 |
| 3 | 32,9 | 137,77 | 0,0010052 | 0,4762 | 0 | 32,9 |
| 4 | 36,48 | 152,843 | 0,0010052 | 0,4762 | ----------- | 36,48 |
| 5 | 342,12 | 1612 | 0,001658 | 3,71 | 0 | 342,12 |
Параметры точек 1,3,5 беру из таблицы [1].
Параметры точки 4 рассчитываю:
Δh3-4=V3(P1-P2)=0.0010052(15000-5)=15.037
h4=h3+ Δh3-4=137.77+15.037=152.843 кДж/кг*к
t4=h4/Cp=152.843/4.19=36.48 0C
Параметры точки 2 рассчитываю:
X=(S2-S`)/(S``-S`)=(5.3122-0.4762)/(8.396-0.4493)=0.611
V2=X2*V``=0.611*38.196=17.685 м3/кг
h2=h`+X2(h``-h`)=137.77+0.611(2557.65-137.77)=1619.428 кДж/кг
Теплоту q1,подведенную в процессах 4-5-1 определю по изменению энтальпии:
q1=h1-h4=2611.6 – 152.843=2458.7 кДж/кг
Отвод теплоты в конденсаторе:
q2=h2-h3=1619.4 – 137.77=1481.65 кДж/кг
Работа, совершенная паром в турбине при адиабатном расширении определяется величиной располагаемого теплового перепада:
lт=Hp=h1-h2=2611.6-1619.4=992.17 кДж/кг
Работа, затраченная на сжатие в насосе:
lH=V`*(P1-P2)= 0.0010052(15000-5)=15.07 кДж/кг
Полученная работа в цикле:
lц=lт-lh=992.17-15.07=997.099 кДж/кг
Термический КПД цикла Ренкина:
η=lц/q1=997.099/2458.75=0.397
Теоретический удельный расход пара, необходимый для выработки 1 кВтч электроэнергии:
d0=3600/Hp=3600/992.17=3.628 кг/кВтч
Теоретический удельный расход тепла, необходимый для выработки 1 кВтч электроэнергии:
q0=d0*q1=3.628*2458.75=8921.4 кДж/кВтч
2. ПТУ работает на перегретом паре до температуры t1=550 0С при давлении P1=15 МПа
Схема паротурбинной установки:
ПТ - паровая турбина;
ЭГ – электрогенератор;
К – конденсатор;
ПН – питательный насос;
ПГ – парогенератор;
ПП – пароперегреватель.
Для определения параметров рабочего тела в характерных точках в теоретическом цикле Ренкина воспользуюсь PV, TS и HS диаграммами, которые схематично изображены ниже. По ним легко видеть, какие параметры меняются, а какие нет.
1-2 – адиабатическое расширение пара в турбине;
2-3 – изобарно-изотермический процесс конденсации пара (P2=const, t2=const) ;
3-4 – адиабатное сжатие воды в насосе (можно считать и изохорным);
4-5 – изобарный процесс подогрева;
5-6 - изобарно-изотермический процесс парообразования в парогенераторе;
6-1 – изобарный процесс перегрева пара.
Параметры рабочего тела в характерных точках цикла приведены в таблице 2.
Таблица 2.
| Точки | P1,Kna | t1 | h | V | S | X |
| 1 | 15000 | 550 | 3455 | 0,019 | 6,53 | --------- |
| 2 | 5 | 32,9 | 1992,538 | 22,139 | 6,53 | 0,764 |
| 3 | 5 | 32,9 | 137,77 | 0,0010052 | 0,4762 | 0 |
| 4 | 15000 | 36,48 | 152,843 | 0,0010052 | 0,4762 | ====== |
| 5 | 15000 | 342,12 | 1612 | 0,001658 | 3,71 | 0 |
| 6 | 15000 | 342,12 | 2611,6 | 0,01035 | 5,3122 | 1 |
Теплоту q1,подведенную в процессах 4-5-1 определю по изменению энтальпии:
q1=h1-h4=3455 – 152.843=3302.157 кДж/кг
Отвод теплоты в конденсаторе:
q2=h2-h3=1992.538 – 137.77=1854.77 кДж/кг
Работа, совершенная паром в турбине при адиабатном расширении определяется величиной располагаемого теплового перепада:
lт=Hp=h1-h2=3455-1992.538=1462.462 кДж/кг
Работа, затраченная на сжатие в насосе:
lH=V`*(P1-P2)= 0.0010052(15000-5)=15.07 кДж/кг
Полученная работа в цикле:
lц=lт-lh=1462.462-15.07=1447.389 кДж/кг
Термический КПД цикла Ренкина:
η=lц/q1=1447.389/3302=0.438
Теоретический удельный расход пара, необходимый для выработки 1 кВтч электроэнергии:
d0=3600/Hp=3600/1462.462=2.462 кг/кВтч
Теоретический удельный расход тепла, необходимый для выработки 1 кВтч электроэнергии:
q0=d0*q1=2.462*3302=8128.6 кДж/кВтч
3. ПТУ работает на перегретом паре t1=550 0C P1=15 МПа, но при этом применяется вторичный перегрев до параметров tn=540 0C, Pn=5 МПа
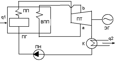
Схема паротурбинной установки:
ПТ - паровая турбина;
ЭГ – электрогенератор;
К – конденсатор;
ПН – питательный насос;
ПГ – парогенератор;
ПП – пароперегреватель;
ВПП – вторичный пароперегреватель .
Для определения параметров рабочего тела в характерных точках в теоретическом цикле Ренкина воспользуюсь PV, TS и HS диаграммами, которые схематично изображены ниже. По ним легко видеть, какие параметры меняются, а какие нет.
1-a - адиабатическое расширение пара в турбине;
a-b - изобарный процесс вторичного перегрева пара;
b-2 – адиабатическое расширение пара в турбине;
2-3 – изобарно-изотермический процесс конденсации пара (P2=const, t2=const) ;
3-4 – адиабатное сжатие воды в насосе (можно считать и изохорным);
4-5 – изобарный процесс подогрева воды в парогенераторе;
5-6 - изобарно-изотермический процесс парообразования в парогенераторе;
6-1 – изобарный процесс перегрева пара в парогенераторе. Параметры рабочего тела в характерных точках цикла приведены в таблице 3.
Таблица 3.
| Точки | P1,KПa | t, 0С | h, кДж/кг | V, м3/кг | S, кДж/кгК | X |
| 1 | 15000 | 550 | 3455 | 0,019 | 6,53 | ==== |
| a | 2600 | 235 | 2872 | 0,082 | 6,53 | ==== |
| b | 2600 | 540 | 3546.2 | 0,11 | 7,3 | ===== |
| 2 | 5 | 32,9 | 2228,452 | 24,955 | 7,3 | 0,862 |
| 3 | 5 | 32,9 | 137,77 | 0,0010052 | 0,4762 | 0 |
| 4 | 15000 | 36,48 | 152,843 | 0,0010052 | 0,4762 | ====== |
| 5 | 15000 | 342,12 | 1612 | 0,001658 | 3,71 | 0 |
| 6 | 15000 | 342,12 | 2611,6 | 0,01035 | 5,3122 | 1 |
Теплоту q1,подведенную в процессах 4-5-1 определю по изменению энтальпии:
q1=(h1-h4)+(hb-ha)=(3455 – 152.843)+(3546.2-2872)=3893.357 кДж/кг
Отвод теплоты в конденсаторе:
q2=h2-h3=2228.452 – 137.77=2090.682 кДж/кг
Работа, совершенная паром в турбине при адиабатном расширении определяется величиной располагаемого теплового перепада:
Характеристики
Тип файла документ
Документы такого типа открываются такими программами, как Microsoft Office Word на компьютерах Windows, Apple Pages на компьютерах Mac, Open Office - бесплатная альтернатива на различных платформах, в том числе Linux. Наиболее простым и современным решением будут Google документы, так как открываются онлайн без скачивания прямо в браузере на любой платформе. Существуют российские качественные аналоги, например от Яндекса.
Будьте внимательны на мобильных устройствах, так как там используются упрощённый функционал даже в официальном приложении от Microsoft, поэтому для просмотра скачивайте PDF-версию. А если нужно редактировать файл, то используйте оригинальный файл.
Файлы такого типа обычно разбиты на страницы, а текст может быть форматированным (жирный, курсив, выбор шрифта, таблицы и т.п.), а также в него можно добавлять изображения. Формат идеально подходит для рефератов, докладов и РПЗ курсовых проектов, которые необходимо распечатать. Кстати перед печатью также сохраняйте файл в PDF, так как принтер может начудить со шрифтами.
















