СТP02 (563515)
Текст из файла
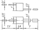
| Диоды выпрямительные малой мощности (выпрямленный ток до 1 А) | |||||||
| Тип | U0 , В | I0 , мкА | P, мВт | F, кГц | Т, *С | Рисунок | |
| 2 | 3 | 4 | 5 | 6 | 7 | 8 | |
| 2Д115А1 | 30(100) | 100 | 1 | - | - | -60 ..+125 | |
| 300(10А) | 200 | 50 | - | 100 | -60 ..+125 | ||
Характеристики
Тип файла документ
Документы такого типа открываются такими программами, как Microsoft Office Word на компьютерах Windows, Apple Pages на компьютерах Mac, Open Office - бесплатная альтернатива на различных платформах, в том числе Linux. Наиболее простым и современным решением будут Google документы, так как открываются онлайн без скачивания прямо в браузере на любой платформе. Существуют российские качественные аналоги, например от Яндекса.
Будьте внимательны на мобильных устройствах, так как там используются упрощённый функционал даже в официальном приложении от Microsoft, поэтому для просмотра скачивайте PDF-версию. А если нужно редактировать файл, то используйте оригинальный файл.
Файлы такого типа обычно разбиты на страницы, а текст может быть форматированным (жирный, курсив, выбор шрифта, таблицы и т.п.), а также в него можно добавлять изображения. Формат идеально подходит для рефератов, докладов и РПЗ курсовых проектов, которые необходимо распечатать. Кстати перед печатью также сохраняйте файл в PDF, так как принтер может начудить со шрифтами.















