Ушаков_ТПЭВМ (562162), страница 17
Текст из файла (страница 17)
Резка листа из фольгированного и нефольгированного материала может производиться дисковой фрезой. Для охлаждения применяют сжатый воздух. Необходимо предусматривать отсос образующейся пыли. Наиболее целесообразно резку осуществлять на роликовых или гильотинных ножницах. При этом повышается производительность, исключается засорение помещений пылью и сокращаются отходы материала.
Для установки заготовок при выполнении отдельных операций технологического процесса предусматривают фиксирующие и технологические отверстия. В групповой заготовке изготовляют два фиксирующих отверстия на всю заготовку или для каждой платы (рис. 12.6, б).
Рис. 12.6. Заготовка платы:
а - на одну деталь; б - групповая
Если фиксирующие отверстия используют для установки платы при сверлении отверстий на станках с числовым программным управлением (ЧПУ), то они располагаются в нижней части заготовки параллельно длинной стороне.
Фиксирующие и технологические отверстия изготовляют пробивкой или сверлением. Пробивку обычно применяют при толщине материала до 0,5 мм. Она выполняется па кривошипных прессах или специальных приспособлениях.
Сверление монтажных отверстий. Сверление выполняют в кондукторе спиральным сверлом из твердого сплава с углом при вершине сверла 122...130° без применения охлаждающей жидкости. Заготовки при этом собирают в пакет толщиной не более 4,5 мм. Шероховатость поверхности просверленного отверстия не должна превышать 10 мкм по параметру Ra Для повышения точности отверстия развертывают. Все отверстия, подлежащие металлизации, получают сверлением, так как пробитые отверстия имеют плохое качество поверхности и непригодны для металлизации.
Диаметр просверленного отверстия должен быть больше окончательного на 0,1 мм, что позволяет нанести слои меди толщиной 25 мкм и припоя толщиной 10 мкм. Монтажные отверстия сверлят на станках с ЧПУ. Станки должны обеспечивать частоту вращения шпинделя не менее 10000 1/мин, механическую подачу не более 0,1 мм/об, биение сверла не более 0,02 мм, усилие прижима вокруг обрабатываемого отверстия 1,5 ...2,0 МПа, дискретность координатных перемещений. Использование смазывающей и охлаждающей жидкостей при сверлении не допускается.
Качественное сверление имеет существенное значение для получения хороших металлизированных отверстий. Стенки отверстий должны быть гладкими, без заусенцев, расслаивания, ожогов и вмятин диэлектрика. Они должны быть перпендикулярными наружной поверхности платы и свободными от следов инструмента, смазочных веществ и стружки. Неровности стенок вызывают образование неметаллизированных участков в отверстиях и впоследствии неполное покрытие припоем. Остатки смазки в отверстиях препятствуют отложению меди. Основной причиной, вызывающей получение недоброкачественных отверстий, является низкая стойкость и износ режущих кромок инструмента, что приводит к возрастанию сил резания. Особенно интенсивный износ происходит при обработке стеклотекстолита.
Обработка по контуру. Окончательный контур платы (на рис. 12.6 показан пунктиром) получают вырубкой или фрезерованием после изготовления печатных проводников
Такое построение технологического процесса объясняется тем, что травитель, используемый при производстве печатных плат, может глубоко проникать в диэлектрик и вызывать короткие замыкания и низкое сопротивление изоляции. Наружный контур получают отрезкой на гильотинных ножницах или на прецизионной алмазной пиле, вырубкой в штампе или фрезерованием.
Вырубка по контуру может совмещаться с пробивкой отверстий, пазов и других элементов платы, не подлежащих металлизации.
Основными частями комбинированного штампа (рис. 12.7) являются матрица 1 и пуансон 2 для вырубки наружного контура и пуансон 3 для пробивки отверстий. Прижим 5 посредством пружин 6 создает большое давление на материал 4 перед входом пуансона. Снятие материала, остающегося на пуансоне 2, производится выталкивателем 7 с помощью пружин 8. Усилие прижима необходимо сосредоточить как можно ближе к поверхности среза. Для этого на съемнике выполняют выступающие ленточки шириной 2...3 мм и высотой 1 мм. При фрезеровании платы собирают в пакет. Между платами прокладывают кабельную бумагу. Метод получения наружного контура платы зависит от типа производства и конфигурации платы.
.
Рис. 12.7. Схема штампа совмещенного действия
-
Получение рисунка печатной платы
Основными методами получения защитного рисунка печатной платы являются фотопечать и трафаретная печать.
Фотопечать. Фотопечать представляет собой способ нанесения изображения рисунка печатных проводников на материал основания, покрытый светочувствительным слоем (фоторезистом), экспонируемым через фотошаблон с требуемым изображением.
Фотошаблон рисунка печатной платы - это негативное или позитивное изображение требуемого рисунка в масштабе 1:1 на стеклянной фотопластинке или пленочном материале, полученное путем фотографирования с оригиналов рисунка печатной платы.
Оригинал рисунка печатной платы представляет собой изображение технологического слоя платы, выполненное в увеличенном масштабе, обычно в позитивном изображении. При этом рисунок оригинала соответствует рисунку чертежа платы по степени почернения (проводники и контактные площадки черные, а пробельные места белые). Если на плате имеются экраны, занимающие большую площадь, то оригиналы рисунка печатной платы выполняют в негативном изображении (рисунок оригинала противоположен рисунку печатной платы по степени почернения).
Для получения оригиналов рисунка печатной платы применяют вычерчивание, наклеивание липкой ленты, резание по эмали и другие способы.
Вычерчивание оригинала печатной платы производят на специальной чертежной бумаге с помощью сдвоенных рейсфедеров, плакатных перьев, лекал и др. Для ускорения процесса вычерчивания рекомендуется на бумагу предварительно нанести типографским способом координатную сетку. Вследствие высокой трудоемкости и низкой точности этот способ используется редко.
Наклеивание липкой ленты значительно сокращает трудоемкость изготовления оригинала печатной платы. При этом на бумагу с координатной сеткой, наклеенную на недеформирующуюся основу (стекло, алюминий и др.), наносят центры монтажных отверстий и контактные площадки, а проводники получают приклеиванием непрозрачной липкой ленты.
Резание по эмали применяют для плат, требующих высокой точности выполнения проводников. Толщина слоя эмали, наносимого на заготовки из стекла, составляет 30...50 мкм. Эмаль наносят краскораспылителем в несколько слоев. После сушки заготовку устанавливают на стол координатографа. Головка, в которой закреплен резец, может перемещаться по координатным осям и пронзать контуры элементов печатной схемы с точностью ±0,05 мм. Надрезанную эмаль удаляют пинцетом. Если оригинал изготовляют в позитивном изображении, то ее удаляют с пробельных мест. Высокая точность изготовления оригинала печатной платы позволяет применять сравнительно небольшое увеличение при его изготовлении и получать фотошаблоны более высокой точности (в 8...10 раз), чем при ручном способе.
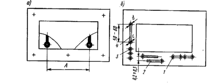
Для определения размеров оригинала печатной платы при фотографировании и для совмещения фотошаблонов на технологическом поле оригинала печатной платы выполняют кресты и другие реперные знаки. Кресты, выполненные по углам (рис. 12.8, а), предназначены для проверки точности соблюдения заданного масштаба уменьшения при фотографировании. Два из них, расположенные по диагонали или по большой стороне, используют в дальнейшем для пробивки базовых отверстий, а пятый крест - для ориентирования. При изготовлении печатных плат, не требующих высокой точности, допускается использование при фотографировании в качестве базового размер между наиболее удаленными контактными площадками (размер А).
Рис. 12.8. Пример выполнения фотооригинала:
а - односторонней печатной платы; б - тест-платы;
с - диаметр контактной площадки под отверстие минимального диаметра;
d -диаметр контактной площадки под отверстие максимального размера
На технологическом поле платы могут предусматриваться следующие элементы для контроля параметров печатной платы (рис. 12.8, б); 1 - для определения числа перепаек; 2 - для контроля прочности сцепления фольги с диэлектриком; 3 - для контроля сопротивления изоляции между отверстиями; 4 - для контроля сопротивления изоляции между проводниками.
Недостатком рассмотренных методов получения фотошаблонов является необходимость масштабного фотографирования. Этот недостаток устраняется при получении требуемой схемы в масштабе 1:1 непосредственно на фотопластинке сканирующим световым лучом с помощью координатографа. Последний позволяет наносить изображения прямолинейных линий шириной 0,25...4 мм и контактные площадки различной конфигурации. Рисунок печатного монтажа кодируется и переносится на перфоленту, которая помещается в считывающее устройство координатографа. Информация одного кадра вводится в блок управления, где преобразуется в импульсы для шаговых двигателей. Последние работают раздельно, перемещая координатный стол по оси х или у. При совместной работе двигателей стол перемещается под углом 45°. Точность установки координат ±25 мкм. Форму и размеры контактных площадок определяют диафрагмы. Сменные диски содержат от 16 до 32 различных по конфигурации диафрагм. Требуемые размеры и яркость светового луча обеспечивается оптической головкой.
Рис. 12.9. Схема системы автоматизированного проектирования непечатных плат
Наиболее целесообразным является получение оригиналов фотошаблонов в системах автоматизированного проектирования печатных плат (рис. 12.9).
Фоторезисты представляют собой тонкие пленки органических растворов, которые должны обладать свойствами после экспонирования полимеризоваться и переходить в нерастворимое состояние. Основные требования, предъявляемые к фоторезистам, - высокая разрешающая способность, светочувствительность, устойчивость к воздействию травителей и различных химических растворов, хорошая адгезия с поверхностью изделия.
Под разрешающей способностью фоторезиста понимается число линий, которое можно нанести на один миллиметр поверхности платы с расстоянием между ними, равным их ширине. Разрешающая способность зависит от вида фоторезиста и толщины слоя. При тонких слоях она больше, чем при толстых.
По способу образования рисунка фоторезисты делятся на негативные и позитивные (рис. 12.10).
Участки негативного фоторезиста, находящиеся под прозрачными участками фотошаблона, под действием света получают свойство не растворяться при появлении. Участки фоторезиста, расположенные под непрозрачными местами фотошаблона, легко удаляются при проявлении в растворителе. Таким образом создается рельеф, представляющий собой изображение светлых элементов фотошаблона (рис. 12.10, а).
Рис. 12.10. Образование защитного слоя фоторезиста:
а - негативного; б — позитивного;
1 - фотошаблон; 2 - фоторезист; 3 - плата
Негативные фоторезисты изготовляют па основе поливинилового спирта. Их широко применяют вследствие отсутствия токсичных составляющих, высокой разрешающей способности (до 50 линий/мм), простоте проявления и низкой стоимости. Недостатком этих фоторезистов является невозможность хранения более 3 ... 5 ч заготовок с нанесенным слоем, так как последний задубливается не только под действием света, но и в темноте. Кроме того, с понижением влажности и температуры окружающей среды уменьшается механическая прочность светочувствительного слоя и его адгезия с фольгой.
Позитивный фоторезист под действием облучения изменяет свои свойства таким образом, что при обработке в проявителях растворяются его облученные участки, а необлученные (находящиеся под непрозрачными участками фотошаблона) остаются на поверхности платы (рис. 12.10, б).
















